CN110690027A - Heat balance and electromagnetic compatibility device - Google Patents
Heat balance and electromagnetic compatibility device Download PDFInfo
- Publication number
- CN110690027A CN110690027A CN201910845076.7A CN201910845076A CN110690027A CN 110690027 A CN110690027 A CN 110690027A CN 201910845076 A CN201910845076 A CN 201910845076A CN 110690027 A CN110690027 A CN 110690027A
- Authority
- CN
- China
- Prior art keywords
- coil
- electromagnetic compatibility
- motor
- heat balance
- screw
- Prior art date
- Legal status (The legal status is an assumption and is not a legal conclusion. Google has not performed a legal analysis and makes no representation as to the accuracy of the status listed.)
- Pending
Links
- 238000012360 testing method Methods 0.000 claims abstract description 18
- 238000009434 installation Methods 0.000 claims description 4
- 239000004020 conductor Substances 0.000 claims 1
- 230000000694 effects Effects 0.000 abstract description 33
- 230000017525 heat dissipation Effects 0.000 description 9
- 238000000034 method Methods 0.000 description 4
- 238000001514 detection method Methods 0.000 description 3
- 230000033228 biological regulation Effects 0.000 description 2
- 230000009286 beneficial effect Effects 0.000 description 1
- 230000007547 defect Effects 0.000 description 1
- 238000010586 diagram Methods 0.000 description 1
- 238000011156 evaluation Methods 0.000 description 1
Images
Classifications
-
- H—ELECTRICITY
- H01—ELECTRIC ELEMENTS
- H01F—MAGNETS; INDUCTANCES; TRANSFORMERS; SELECTION OF MATERIALS FOR THEIR MAGNETIC PROPERTIES
- H01F27/00—Details of transformers or inductances, in general
- H01F27/08—Cooling; Ventilating
-
- H—ELECTRICITY
- H05—ELECTRIC TECHNIQUES NOT OTHERWISE PROVIDED FOR
- H05K—PRINTED CIRCUITS; CASINGS OR CONSTRUCTIONAL DETAILS OF ELECTRIC APPARATUS; MANUFACTURE OF ASSEMBLAGES OF ELECTRICAL COMPONENTS
- H05K9/00—Screening of apparatus or components against electric or magnetic fields
Landscapes
- Engineering & Computer Science (AREA)
- Power Engineering (AREA)
- Microelectronics & Electronic Packaging (AREA)
- Testing Of Devices, Machine Parts, Or Other Structures Thereof (AREA)
Abstract
The invention relates to the technical field of electromagnetic compatibility, and discloses a heat balance and electromagnetic compatibility device which comprises a shell, a lead, a motor, a control mechanism and a bearing, wherein a screw rod penetrates through the side of the shell, a spiral clamping sleeve is arranged on the outer side of the screw rod, a first coil is arranged on the side of the spiral clamping sleeve, a second coil is arranged at the bottom of the first coil, a hollowed-out plate is nested on the outer side of the second coil, a fixed rod is arranged at the bottom of the hollowed-out plate, a heat testing pipe is connected to the side of the fixed rod, the lead is arranged at the end part of the second coil, a flange plate is connected to the end part of the lead, the motor is arranged in the shell, a rotating column is arranged at the end part of the motor, a clamping block is embedded in the inner side of the. The invention has the advantages of convenient cold and hot adjustment, wide temperature adjustment range, strong temperature adjustment effect, simple structure, strong fixing effect, flexible part connection and convenient part disassembly and assembly.
Description
Technical Field
The invention relates to the technical field of electromagnetic compatibility, in particular to a heat balance and electromagnetic compatibility device.
Background
The electromagnetic compatibility refers to the ability of a device or system to operate satisfactorily in its electromagnetic environment without generating intolerable electromagnetic interference to any device in its environment, and is an evaluation standard for the interference resistance of general electronic devices, but is affected by the surrounding environment when the device or system operates electromagnetically.
The electromagnetic compatibility device on the market at present has the cold and hot regulation inconvenient, the scope of adjusting the temperature is little, the effect of adjusting the temperature poor, the structure is complicated, fixed effect is general, the part linkage is inflexible, the problem that the part dismouting is not convenient, need have that cold and hot regulation is convenient, the scope of adjusting the temperature is wide, the effect of adjusting the temperature is strong, simple structure, fixed effect is strong, the part linkage is nimble, the convenient heat balance of part dismouting and electromagnetic compatibility device.
Disclosure of Invention
The invention aims to solve the defects in the prior art, such as: the device has the advantages of inconvenient cold and hot adjustment, small temperature adjustment range, poor temperature adjustment effect, complex structure, common fixing effect, inflexible part connection and inconvenient part disassembly and assembly, and provides the heat balance and electromagnetic compatibility device.
In order to achieve the purpose, the invention adopts the following technical scheme:
a thermal balance and electromagnetic compatibility device comprises a shell, a lead, a motor, a control mechanism and a bearing, wherein a screw rod penetrates through the side of the shell, a spiral clamping sleeve is arranged on the outer side of the screw rod, a first coil is arranged on the side of the spiral clamping sleeve, a second coil is arranged at the bottom of the first coil, a hollowed-out plate is nested on the outer side of the second coil, a fixing rod is mounted at the bottom of the hollowed-out plate, a heat testing pipe is connected with the side of the fixing rod, the lead is mounted at the end of the second coil, a flange plate is connected with the end of the lead, the motor is mounted in the shell, a rotating column is mounted at the end of the motor, a clamping block is embedded in the inner side of the rotating column, a cold air port is mounted on the clamping block, a hot air port is mounted at the top of the cold air port, the control mechanism, the outside of thermometer is provided with the annular cover, and the tip of annular cover is provided with the screw, the bearing sets up in the top of rotating the post.
Preferably, the spiral cutting ferrule and the first coil form a lifting structure through a screw rod, and the screw rod is in threaded connection with the spiral cutting ferrule.
Preferably, the hollowed-out plate is nested outside the first coil, and the central axis of the first coil is parallel to the central axis of the second coil.
Preferably, the axle wire of the heat testing pipe is perpendicular to the axle wire of the fixing rod, and the heat testing pipe and the fixing rod are integrally arranged.
Preferably, the number of the conducting wires is 2, and the conducting wires are symmetrically arranged around the axis of the flange plate, and the flange plate is tightly attached to the shell.
Preferably, the rotating column and the shell form a rotating structure through a motor, and the rotating column and the shell are fixedly connected through the motor.
Preferably, the cold air port and the hot air port are symmetrically arranged about the axis of the rotating column, and the cold air port and the rotating column are connected in a clamping manner.
Preferably, the control mechanism and the rotating column form a detachable structure through an annular sleeve, and the annular sleeve is in threaded connection with the screw.
Compared with the prior art, the invention has the beneficial effects that:
(1) according to the invention, the screw rod at the side of the shell is arranged, the spiral clamping sleeve is rotated, so that the first coil and the second coil are fixed, the fixing effect is good, the fixing flexibility of the components is strong, the first coil and the second coil are clamped with the hollow plate, the first coil and the second coil can be conveniently and fast radiated by a user, and the radiating effect of the device is improved;
(2) according to the invention, through the arrangement of the heat test tube connected to the side of the fixed rod, a user can know the heat dissipation effect of the device conveniently and efficiently, and can adjust and set the heat dissipation effect again, and the heat test tube is transmitted to the flange plate through the lead, so that the connection of the lead by the user can be facilitated, the operation and the use of the user are facilitated, and the adjustment of electromagnetic compatibility is facilitated;
(3) the rotary column is driven to rotate by the motor, so that the whole detection effect and the whole adjusting effect are greatly improved, the adjusting range of the device is enhanced, the effect is obvious, the structural flexibility is strong, the cold air port and the hot air port can be efficiently and simply tightly connected with the rotary column through the arrangement of the clamping blocks, the connecting and fixing effect is good, the adjusting effect of a user is conveniently and fully displayed, the control mechanism and the rotary column can be fixedly connected through the arrangement of the annular sleeve and the screw, and meanwhile, the installation and the disassembly of the user are facilitated.
Drawings
FIG. 1 is a schematic overall front view of the present invention;
FIG. 2 is a schematic diagram of the overall top view structure of the present invention;
FIG. 3 is a schematic view of the connection structure of the annular sleeve and the screw according to the present invention;
FIG. 4 is a schematic view of the connection structure of the motor and the rotary column of the present invention;
fig. 5 is a schematic view of a connection structure of the screw and the spiral cutting ferrule of the invention.
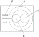
In the figure: 1. a housing; 2. a screw; 3. a spiral card sleeve; 4. a first coil; 5. a second coil; 6. a hollowed-out plate; 7. fixing the rod; 8. testing a heat pipe; 9. a wire; 10. a flange plate; 11. a motor; 12. rotating the column; 13. a clamping block; 14. a cold air port; 15. a hot air port; 16. a control mechanism; 17. a thermometer; 18. an annular sleeve; 19. a screw; 20. and a bearing.
Detailed Description
The technical solutions in the embodiments of the present invention will be clearly and completely described below with reference to the drawings in the embodiments of the present invention, and it is obvious that the described embodiments are only a part of the embodiments of the present invention, and not all of the embodiments.
In the description of the present invention, it is to be understood that the terms "upper", "lower", "front", "rear", "left", "right", "top", "bottom", "inner", "outer", and the like, indicate orientations or positional relationships based on the orientations or positional relationships shown in the drawings, are merely for convenience in describing the present invention and simplifying the description, and do not indicate or imply that the device or element being referred to must have a particular orientation, be constructed and operated in a particular orientation, and thus, should not be construed as limiting the present invention.
Referring to fig. 1-5, a heat balance and electromagnetic compatibility device comprises a housing 1, a screw 2, a spiral sleeve 3, a first coil 4, a second coil 5, a hollowed-out plate 6, a fixing rod 7, a heat testing tube 8, a lead 9, a flange 10, a motor 11, a rotating column 12, a clamping block 13, a cold air port 14, a hot air port 15, a control mechanism 16, a thermometer 17, an annular sleeve 18, a screw 19 and a bearing 20, wherein the screw 2 penetrates through the lateral side of the housing 1, the spiral sleeve 3 is arranged on the outer side of the screw 2, the first coil 4 is arranged on the lateral side of the spiral sleeve 3, the second coil 5 is arranged at the bottom of the first coil 4, the hollowed-out plate 6 is nested on the outer side of the second coil 5, the fixing rod 7 is arranged at the bottom of the hollowed-out plate 6, the heat testing tube 8 is connected on the lateral side of the fixing rod 7, the lead 9 is arranged at the end, the motor 11 is arranged in the shell 1, the end part of the motor 11 is provided with a rotating column 12, the inner side of the rotating column 12 is embedded with a fixture block 13, the fixture block 13 is provided with a cold air port 14, the top of the cold air port 14 is provided with a hot air port 15, the control mechanism 16 is arranged on the side of the rotating column 12, the outer wall of the control mechanism 16 is provided with a thermometer 17, the outer side of the thermometer 17 is provided with an annular sleeve 18, the end part of the annular sleeve 18 is provided with a screw 19, and the bearing 20 is arranged on the top of the rotating column 12;
furthermore, the spiral clamping sleeve 3 and the first coil 4 form a lifting structure through the screw rod 2, the screw rod 2 is in threaded connection with the spiral clamping sleeve 3, and the spiral clamping sleeve 3 is rotated through the arrangement of the screw rod on the side of the shell 1 so as to fix the first coil 4 and the second coil 5, so that the fixing effect is good, and the part fixing flexibility is strong;
furthermore, the hollow plate 6 is nested outside the first coil 4, the central axis of the first coil 4 is parallel to the central axis of the second coil 5, and the first coil 4 and the second coil 5 are clamped with the hollow plate 6, so that heat dissipation of the first coil 4 and the second coil 5 by a user can be facilitated, and the heat dissipation effect of the device is improved;
furthermore, the central axis of the heat test tube 8 is perpendicular to the central axis of the fixing rod 7, the heat test tube 8 and the fixing rod 7 are integrally arranged, and the heat test tube 8 connected to the side of the fixing rod 7 can be conveniently and efficiently arranged, so that a user can know the heat dissipation effect of the device and can adjust and set the heat dissipation effect again;
furthermore, 2 wires 9 are symmetrically arranged about the axis of the flange plate 10, the flange plate 10 is tightly attached to the shell 1 and is transmitted to the flange plate 10 through the wires 9, so that the wires 9 can be conveniently connected by a user, the operation and the use of the user are convenient, and the electromagnetic compatibility can be conveniently adjusted;
furthermore, the rotating column 12 forms a rotating structure with the shell 1 through the motor 11, and the motor 11 is fixedly connected with the shell 1, and the rotating column 12 is driven to rotate through the motor 11, so that the whole detection effect and the whole adjusting effect are greatly improved, the adjusting range of the device is enhanced, the effect is obvious, and the structure flexibility is strong;
furthermore, the cold air port 14 and the hot air port 15 are symmetrically arranged about the axis of the rotating column 12, the cold air port 14 is connected with the rotating column 12 in a clamping manner, the cold air port 14 and the hot air port 15 can be efficiently and simply connected with the rotating column 12 tightly through the arrangement of the clamping block 13, the connection and fixation effect is good, and the adjustment effect of a user can be conveniently and fully displayed;
furthermore, the control mechanism 16 and the rotating column 12 form a detachable structure through an annular sleeve 18, the annular sleeve 18 is in threaded connection with a screw 19, the control mechanism 16 and the rotating column 12 can be fixedly connected through the annular sleeve 18 and the screw 19, and meanwhile, the installation and the detachment of a user are facilitated;
in the invention, when a user uses the device, the screw rod at the side of the shell 1 is arranged, the spiral clamping sleeve 3 is rotated to fix the first coil 4 and the second coil 5, the fixing effect is good, the component fixing flexibility is strong, the first coil 4 and the second coil 5 are clamped with the hollow plate 6, the heat dissipation of the first coil 4 and the second coil 5 by the user can be conveniently realized, the heat dissipation effect of the device is improved, the heat test tube 8 connected at the side of the fixing rod 7 is arranged, the heat dissipation effect of the device can be conveniently and efficiently known by the user, the adjustment and the arrangement are carried out on the heat test tube, the heat test tube is transmitted to the flange plate 10 through the lead 9, the connection of the lead 9 by the user can be conveniently carried out, the operation and the use of the user are facilitated, the electromagnetic compatibility can be conveniently adjusted, the rotating column 12 is driven to rotate through the motor 11, and the whole detection effect, the adjusting range of the device is enhanced, the effect is obvious, the structure flexibility is strong, the arrangement of the fixture block 13 can enable the cold air port 14 and the hot air port 15 to be connected with the rotating column 12 in a high-efficiency and simple mode, the connection fixing effect is good, the adjusting effect of an convenience user is fully displayed, the control mechanism 16 and the rotating column 12 can be fixedly connected through the arrangement of the annular sleeve 18 and the screw 19, and meanwhile, the installation and the disassembly of the convenience user are facilitated.
The above description is only for the preferred embodiment of the present invention, but the scope of the present invention is not limited thereto, and any person skilled in the art should be considered to be within the technical scope of the present invention, and the technical solutions and the inventive concepts thereof according to the present invention should be equivalent or changed within the scope of the present invention.
It is noted that, herein, relational terms such as first and second, and the like may be used solely to distinguish one entity or action from another entity or action without necessarily requiring or implying any actual such relationship or order between such entities or actions. Also, the terms "comprises," "comprising," or any other variation thereof, are intended to cover a non-exclusive inclusion, such that a process, method, article, or apparatus that comprises a list of elements does not include only those elements but may include other elements not expressly listed or inherent to such process, method, article, or apparatus.
Claims (8)
1. The utility model provides a heat balance and electromagnetic compatibility device, includes casing (1), wire (9), motor (11), control mechanism (16) and bearing (20), its characterized in that, the avris of casing (1) has run through screw rod (2), and the outside of screw rod (2) is provided with spiral cutting ferrule (3), spiral cutting ferrule (3) avris is provided with first coil (4), and the bottom of first coil (4) is provided with second coil (5), the outside nestification of second coil (5) has fretwork board (6), and the bottom of fretwork board (6) is installed dead lever (7), and the avris of dead lever (7) links up and has connect test heat pipe (8), wire (9) are installed in the tip of second coil (5), and the tip of wire (9) links up and has flange dish (10), motor (11) are installed in the inside of casing (1), and the tip of motor (11) installs rotation post (12), the inboard of rotating post (12) is inlayed and is had fixture block (13), and the installation of fixture block (13) cool wind mouth (14) to hot wind mouth (15) are installed at the top of cool wind mouth (14), control mechanism (16) are installed in the avris of rotating post (12), and the outer wall of control mechanism (16) installs thermometer (17), the outside of thermometer (17) is provided with annular cover (18), and the tip of annular cover (18) is provided with screw (19), bearing (20) set up in the top of rotating post (12).
2. A heat balance and electromagnetic compatibility device according to claim 1, wherein the spiral sleeve (3) and the first coil (4) form a lifting structure through the screw (2), and the screw (2) and the spiral sleeve (3) are in threaded connection.
3. A heat balance and electromagnetic compatibility apparatus according to claim 1 wherein said hollowed-out plate (6) is nested outside said first coil (4) and the central axis of said first coil (4) is parallel to the central axis of said second coil (5).
4. A heat balance and electromagnetic compatibility apparatus according to claim 1, wherein the central axis of the heat testing tube (8) is perpendicular to the central axis of the fixing rod (7), and the heat testing tube (8) and the fixing rod (7) are integrally disposed.
5. A heat balance and electromagnetic compatibility unit according to claim 1, wherein said conductors (9) are arranged in 2 symmetrical relationship about the axis of the flange (10), and the flange (10) is in close contact with the housing (1).
6. A heat balance and electromagnetic compatibility apparatus according to claim 1, wherein said rotary column (12) is configured to rotate with said housing (1) via said motor (11), and is fixedly connected with said housing (1) via said motor (11).
7. A heat balance and electromagnetic compatibility apparatus according to claim 1, wherein said cold air port (14) and said hot air port (15) are symmetrically disposed about the axis of said rotating column (12), and said cold air port (14) is connected to said rotating column (12) by a snap fit.
8. A heat balance and electromagnetic compatibility apparatus according to claim 1 wherein said control mechanism (16) and said rotary post (12) are removably connected by an annular sleeve (18), and said annular sleeve (18) and said screw (19) are threadedly connected.
Priority Applications (1)
| Application Number | Priority Date | Filing Date | Title |
|---|---|---|---|
| CN201910845076.7A CN110690027A (en) | 2019-09-07 | 2019-09-07 | Heat balance and electromagnetic compatibility device |
Applications Claiming Priority (1)
| Application Number | Priority Date | Filing Date | Title |
|---|---|---|---|
| CN201910845076.7A CN110690027A (en) | 2019-09-07 | 2019-09-07 | Heat balance and electromagnetic compatibility device |
Publications (1)
| Publication Number | Publication Date |
|---|---|
| CN110690027A true CN110690027A (en) | 2020-01-14 |
Family
ID=69108019
Family Applications (1)
| Application Number | Title | Priority Date | Filing Date |
|---|---|---|---|
| CN201910845076.7A Pending CN110690027A (en) | 2019-09-07 | 2019-09-07 | Heat balance and electromagnetic compatibility device |
Country Status (1)
| Country | Link |
|---|---|
| CN (1) | CN110690027A (en) |
Citations (7)
| Publication number | Priority date | Publication date | Assignee | Title |
|---|---|---|---|---|
| CN102573418A (en) * | 2012-01-04 | 2012-07-11 | 安方高科电磁安全技术(北京)有限公司 | Closed heat exchange type electromagnetic shielding cabinet |
| CN204376361U (en) * | 2014-12-30 | 2015-06-03 | 柳州欧维姆机械股份有限公司 | A kind of wire connection device of pressure-resistant seal |
| CN204666744U (en) * | 2015-05-07 | 2015-09-23 | 郴州市久隆旺高科电子有限公司 | A kind of screened room carrying out electromagnetic compatibility test |
| CN106535557A (en) * | 2015-09-10 | 2017-03-22 | 天津神为科技有限公司 | Totally enclosed type electromagnetic shielding cabinet |
| US20180123546A1 (en) * | 2016-10-31 | 2018-05-03 | Kabushiki Kaisha Toyota Jidoshokki | In-vehicle motor-driven compressor |
| CN208334519U (en) * | 2018-05-22 | 2019-01-04 | 芜湖赛宝机器人产业技术研究院有限公司 | A kind of electromagnet compatibility controllable impedance filtering experimental rig |
| CN110068722A (en) * | 2019-04-29 | 2019-07-30 | 烟台工程职业技术学院(烟台市技师学院) | A kind of dual coil current sensor |
-
2019
- 2019-09-07 CN CN201910845076.7A patent/CN110690027A/en active Pending
Patent Citations (7)
| Publication number | Priority date | Publication date | Assignee | Title |
|---|---|---|---|---|
| CN102573418A (en) * | 2012-01-04 | 2012-07-11 | 安方高科电磁安全技术(北京)有限公司 | Closed heat exchange type electromagnetic shielding cabinet |
| CN204376361U (en) * | 2014-12-30 | 2015-06-03 | 柳州欧维姆机械股份有限公司 | A kind of wire connection device of pressure-resistant seal |
| CN204666744U (en) * | 2015-05-07 | 2015-09-23 | 郴州市久隆旺高科电子有限公司 | A kind of screened room carrying out electromagnetic compatibility test |
| CN106535557A (en) * | 2015-09-10 | 2017-03-22 | 天津神为科技有限公司 | Totally enclosed type electromagnetic shielding cabinet |
| US20180123546A1 (en) * | 2016-10-31 | 2018-05-03 | Kabushiki Kaisha Toyota Jidoshokki | In-vehicle motor-driven compressor |
| CN208334519U (en) * | 2018-05-22 | 2019-01-04 | 芜湖赛宝机器人产业技术研究院有限公司 | A kind of electromagnet compatibility controllable impedance filtering experimental rig |
| CN110068722A (en) * | 2019-04-29 | 2019-07-30 | 烟台工程职业技术学院(烟台市技师学院) | A kind of dual coil current sensor |
Non-Patent Citations (1)
| Title |
|---|
| 唐文涛: "电子电路的抗干扰控制", 《黑龙江科技信息》 * |
Similar Documents
| Publication | Publication Date | Title |
|---|---|---|
| CN110186573B (en) | Surface source blackbody radiation source | |
| US6705158B1 (en) | Hot wire anemometer with extendable probe | |
| CN112454197A (en) | Magnetic base device and high-strength metal shaping hose device | |
| CN209248454U (en) | A kind of graphene notebook PC radiator | |
| CN110690027A (en) | Heat balance and electromagnetic compatibility device | |
| CN208860489U (en) | A kind of flexible temperature-sensing probe | |
| CN213886248U (en) | High-precision constant temperature device | |
| CN209167513U (en) | A kind of multifunctional power detection device | |
| CN107255577B (en) | Trace Metal Water Collector | |
| CN110609150B (en) | Wind speed and direction measuring device and outdoor detection station | |
| CN209559913U (en) | An anemometer with adjustable heating position | |
| CN208296999U (en) | Temperature sensor and water heater | |
| CN207502074U (en) | Temperature sensor and cooking apparatus | |
| CN212363465U (en) | Temperature measuring device for aluminum vehicle body maintenance | |
| CN111090320B (en) | Remote adjusting type heat dissipation mechanism for computer | |
| CN210895153U (en) | Multifunctional control instrument | |
| CN219006710U (en) | Simple portable energy measuring device | |
| CN218348880U (en) | Dry-burning-resistant heating pipe assembly with quick-reaction temperature controller | |
| CN223449355U (en) | Bimetal temperature transmitter | |
| CN218499291U (en) | Electric heater for realizing support of spiral heating pipe by using temperature measuring pipe | |
| CN206894550U (en) | A kind of electric machine controller | |
| CN215953502U (en) | Ion chromatographic column constant temperature device | |
| CN201396589Y (en) | Medical headlight | |
| CN112013893A (en) | Testing device for sensor | |
| CN222053054U (en) | Signal transceiver for wireless sensor convenient to adjust |
Legal Events
| Date | Code | Title | Description |
|---|---|---|---|
| PB01 | Publication | ||
| PB01 | Publication | ||
| SE01 | Entry into force of request for substantive examination | ||
| SE01 | Entry into force of request for substantive examination | ||
| RJ01 | Rejection of invention patent application after publication |
Application publication date: 20200114 |
|
| RJ01 | Rejection of invention patent application after publication |