CN110676751A - 带电更换绝缘子用横担延长器 - Google Patents

带电更换绝缘子用横担延长器 Download PDF

Info

Publication number
CN110676751A
CN110676751A CN201810706914.8A CN201810706914A CN110676751A CN 110676751 A CN110676751 A CN 110676751A CN 201810706914 A CN201810706914 A CN 201810706914A CN 110676751 A CN110676751 A CN 110676751A
Authority
CN
China
Prior art keywords
plate
insulators
hole
extension rod
cross arm
Prior art date
Legal status (The legal status is an assumption and is not a legal conclusion. Google has not performed a legal analysis and makes no representation as to the accuracy of the status listed.)
Pending
Application number
CN201810706914.8A
Other languages
English (en)
Inventor
孙华忠
李金宝
张金良
张凯
马献辉
于欣
高兴琳
姚文展
冯祥
刘炳仁
李国强
辛洪杰
乔丕凡
陈增顺
张兆慧
于金亮
毕盛伟
尹磊
段磊
赵荣升
刘一平
姜颖先
Current Assignee (The listed assignees may be inaccurate. Google has not performed a legal analysis and makes no representation or warranty as to the accuracy of the list.)
Weifang Power Supply Co of State Grid Shandong Electric Power Co Ltd
State Grid Corp of China SGCC
Original Assignee
Weifang Power Supply Co of State Grid Shandong Electric Power Co Ltd
State Grid Corp of China SGCC
Priority date (The priority date is an assumption and is not a legal conclusion. Google has not performed a legal analysis and makes no representation as to the accuracy of the date listed.)
Filing date
Publication date
Application filed by Weifang Power Supply Co of State Grid Shandong Electric Power Co Ltd, State Grid Corp of China SGCC filed Critical Weifang Power Supply Co of State Grid Shandong Electric Power Co Ltd
Priority to CN201810706914.8A priority Critical patent/CN110676751A/zh
Publication of CN110676751A publication Critical patent/CN110676751A/zh
Pending legal-status Critical Current

Links

Images

Classifications

    • HELECTRICITY
    • H02GENERATION; CONVERSION OR DISTRIBUTION OF ELECTRIC POWER
    • H02GINSTALLATION OF ELECTRIC CABLES OR LINES, OR OF COMBINED OPTICAL AND ELECTRIC CABLES OR LINES
    • H02G1/00Methods or apparatus specially adapted for installing, maintaining, repairing or dismantling electric cables or lines
    • H02G1/02Methods or apparatus specially adapted for installing, maintaining, repairing or dismantling electric cables or lines for overhead lines or cables

Landscapes

  • Electric Cable Installation (AREA)

Abstract

一种带电更换绝缘子用横担延长器,包括:相互平行的下挡板及上挡板、端板、延长杆、限位机构、复合绝缘子连接机构、耳板Ⅰ、耳板Ⅱ以及电杆锁紧机构。当两侧的横担上的绝缘子需要更换时,将横担头端插入下挡板与上挡板之间的区域中,并通过连接螺钉穿过连接孔Ⅰ及连接孔Ⅱ后通过螺母Ⅱ锁紧固定,实现将本延长器固定在横担上,将延长杆向外拉出,将带钩的复合绝缘子挂到复合绝缘子连接机构上,达到了延长横担的目的,使需要更换的绝缘子与其他绝缘子之间间距增大,使作业人员可以有充足的空间更换绝缘子。当中间的横担上的绝缘子需要更换时,通过电杆锁紧机构将整个延长器固定在电杆上,之后再试延长杆向外拉出。

Description

带电更换绝缘子用横担延长器
技术领域
本发明涉及电力施工工具技术领域,具体涉及一种带电更换绝缘子用横担延长器。
背景技术
绝缘子在日常中起到绝缘的作用。但绝缘子在使用中面临风吹雨打,造成绝缘性能下降,严重时可能造成绝缘击穿,造成线路单相接地故障。在平时更换绝缘子的作用中,缺少专用的工器具,只能采用绝缘毯等进行绝缘遮蔽,在狭小的空间内进行更换绝缘子的工作。工作空间狭小,更换绝缘子安全风险大,作业人员劳动强度高。
发明内容
本发明为了克服以上技术的不足,提供了一种通过延长横担,可以将导线向上或向外拉伸使操作空间得以提高的带电更换绝缘子用横担延长器。
本发明克服其技术问题所采用的技术方案是:
一种带电更换绝缘子用横担延长器,包括:
相互平行的下挡板及上挡板;
端板,竖直连接于下挡板及上挡板的侧端,所述端板中设置有滑孔;
延长杆,滑动插装于滑孔中;
限位机构,设置于延长杆上,限位机构用于防止延长杆从滑孔中脱离;
复合绝缘子连接机构,设置于延长杆的外侧端,带钩的复合绝缘子钩挂于复合绝缘子连接机构上;
耳板Ⅰ,水平设置于下挡板上,耳板Ⅰ上沿纵向设置有连接孔Ⅰ;
耳板Ⅱ,水平设置于上挡板上,耳板Ⅱ上设置有与连接孔Ⅰ相同轴的连接孔Ⅱ,连接螺钉依次穿过连接孔Ⅰ及连接孔Ⅱ后通过螺母Ⅱ锁紧固定;以及
电杆锁紧机构,设置于上挡板上端或下挡板下端,用于将延长器固定于电杆上。
上述限位结构包括设置于延长杆尾端且夹装于下挡板与上挡板之间的限位板Ⅰ以及设置于延长杆头端的限位板Ⅱ,所述限位板Ⅰ及限位板Ⅱ的外径均大于滑孔的内径。
上述复合绝缘子连接机构包括固定于限位板Ⅱ前端的挂环Ⅰ以及分别固定于限位板Ⅱ前后两端的挂环Ⅱ,所述挂环Ⅰ的内孔轴线平行于水平面,所述挂环Ⅱ的内孔轴线平行于水平面。
上述电杆锁紧机构包括U型抱箍以及分别设置于上挡板及下挡板上与U型抱箍相配的固定孔,U型抱箍穿过固定孔后利用螺母Ⅰ锁紧固定。
本发明的有益效果是:当两侧的横担上的绝缘子需要更换时,将横担头端插入下挡板与上挡板之间的区域中,并通过连接螺钉穿过连接孔Ⅰ及连接孔Ⅱ后通过螺母Ⅱ锁紧固定,实现将本延长器固定在横担上,将延长杆向外拉出,将带钩的复合绝缘子挂到复合绝缘子连接机构上,达到了延长横担的目的,使需要更换的绝缘子与其他绝缘子之间间距增大,使作业人员可以有充足的空间更换绝缘子。当中间的横担上的绝缘子需要更换时,通过电杆锁紧机构将整个延长器固定在电杆上,之后再试延长杆向外拉出,方便对不同位置的横担上的绝缘子的更换。
附图说明
图1为本发明的立体结构示意图;
图2为本发明滑杆部位的立体结构示意图;
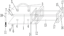
图中,1.下挡板 2.上挡板 3.U型抱箍 4.固定孔 5.螺母Ⅰ 6.耳板Ⅰ 7.耳板Ⅱ 8.连接孔Ⅰ 9.连接孔Ⅱ 10.连接螺钉 11.螺母Ⅱ 12.端板 13.延长杆 14.限位板Ⅰ 15.限位板Ⅱ16.挂环Ⅰ 17.挂环Ⅱ。
具体实施方式
下面结合附图1、附图2对本发明做进一步说明。
一种带电更换绝缘子用横担延长器,包括:相互平行的下挡板1及上挡板2;端板12,竖直连接于下挡板1及上挡板2的侧端,端板12中设置有滑孔;延长杆13,滑动插装于滑孔中;限位机构,设置于延长杆13上,限位机构用于防止延长杆13从滑孔中脱离;复合绝缘子连接机构,设置于延长杆13的外侧端,带钩的复合绝缘子钩挂于复合绝缘子连接机构上;耳板Ⅰ 6,水平设置于下挡板1上,耳板Ⅰ 6上沿纵向设置有连接孔Ⅰ 8;耳板Ⅱ 7,水平设置于上挡板2上,耳板Ⅱ 7上设置有与连接孔Ⅰ 8相同轴的连接孔Ⅱ 9,连接螺钉10依次穿过连接孔Ⅰ 8及连接孔Ⅱ 9后通过螺母Ⅱ 11锁紧固定;以及电杆锁紧机构,设置于上挡板2上端或下挡板1下端,用于将延长器固定于电杆上。由于线路中具有三个相平行的横担,因此当两侧的横担上的绝缘子需要更换时,将横担头端插入下挡板1与上挡板2之间的区域中,并通过连接螺钉10穿过连接孔Ⅰ 8及连接孔Ⅱ 9后通过螺母Ⅱ 11锁紧固定,实现将本延长器固定在横担上,将延长杆13向外拉出,将带钩的复合绝缘子挂到复合绝缘子连接机构上,达到了延长横担的目的,使需要更换的绝缘子与其他绝缘子之间间距增大,使作业人员可以有充足的空间更换绝缘子。当中间的横担上的绝缘子需要更换时,通过电杆锁紧机构将整个延长器固定在电杆上,之后再试延长杆13向外拉出,方便对不同位置的横担上的绝缘子的更换。
限位结构可以为如下结构,其包括设置于延长杆13尾端且夹装于下挡板1与上挡板2之间的限位板Ⅰ 14以及设置于延长杆13头端的限位板Ⅱ 15,限位板Ⅰ 14及限位板Ⅱ15的外径均大于滑孔的内径。当延长杆13向外侧伸出至最大长度时,限位板Ⅰ 14与端板12接触,当延长杆13向内全部缩回时,限位板Ⅱ 15与端板12接触,结构简单,操作方便。
电杆锁紧机构可以为如下结构,其包括U型抱箍3以及分别设置于上挡板2及下挡板1上与U型抱箍3相配的固定孔4,U型抱箍3穿过固定孔4后利用螺母Ⅰ 5锁紧固定。当需要将本延长器固定在电杆上时,利用U型抱箍3扣合于电杆上后,U型抱箍3插装于上挡板2或下挡板1中的固定孔4中,最后利用螺母Ⅰ 5旋紧固定即可,安装简单,操作便利。
复合绝缘子连接机构包括固定于限位板Ⅱ 15前端的挂环Ⅰ 16以及分别固定于限位板Ⅱ 15前后两端的挂环Ⅱ 17,挂环Ⅰ 16的内孔轴线平行于水平面,挂环Ⅱ 17的内孔轴线平行于水平面。当需要更换中间位置的横担时,利用电杆锁紧机构将延长器固定于电杆上,带钩的复合绝缘子挂到处于限位板Ⅱ 15中间部位的挂环Ⅰ 16上,当需要更换两边的横担时,利用上挡板2和下挡板1夹住横担后,将带钩的复合绝缘子挂到限位板Ⅱ 15两侧边缘位置的挂环Ⅱ 17上。方便不同部位更换横担时的复合绝缘子的固定。

Claims (4)

1.一种带电更换绝缘子用横担延长器,其特征在于,包括:
相互平行的下挡板(1)及上挡板(2);
端板(12),竖直连接于下挡板(1)及上挡板(2)的侧端,所述端板(12)中设置有滑孔;
延长杆(13),滑动插装于滑孔中;
限位机构,设置于延长杆(13)上,限位机构用于防止延长杆(13)从滑孔中脱离;
复合绝缘子连接机构,设置于延长杆(13)的外侧端,带钩的复合绝缘子钩挂于复合绝缘子连接机构上;
耳板Ⅰ(6),水平设置于下挡板(1)上,耳板Ⅰ(6)上沿纵向设置有连接孔Ⅰ(8);
耳板Ⅱ(7),水平设置于上挡板(2)上,耳板Ⅱ(7)上设置有与连接孔Ⅰ(8)相同轴的连接孔Ⅱ(9),连接螺钉(10)依次穿过连接孔Ⅰ(8)及连接孔Ⅱ(9)后通过螺母Ⅱ(11)锁紧固定;以及
电杆锁紧机构,设置于上挡板(2)上端或下挡板(1)下端,用于将延长器固定于电杆上。
2.根据权利要求1所述的带电更换绝缘子用横担延长器,其特征在于:所述限位结构包括设置于延长杆(13)尾端且夹装于下挡板(1)与上挡板(2)之间的限位板Ⅰ(14)以及设置于延长杆(13)头端的限位板Ⅱ(15),所述限位板Ⅰ(14)及限位板Ⅱ(15)的外径均大于滑孔的内径。
3.根据权利要求2所述的带电更换绝缘子用横担延长器,其特征在于:所述复合绝缘子连接机构包括固定于限位板Ⅱ(15)前端的挂环Ⅰ(16)以及分别固定于限位板Ⅱ(15)前后两端的挂环Ⅱ(17),所述挂环Ⅰ(16)的内孔轴线平行于水平面,所述挂环Ⅱ(17)的内孔轴线平行于水平面。
4.根据权利要求2所述的带电更换绝缘子用横担延长器,其特征在于:所述电杆锁紧机构包括U型抱箍(3)以及分别设置于上挡板(2)及下挡板(1)上与U型抱箍(3)相配的固定孔(4),U型抱箍(3)穿过固定孔(4)后利用螺母Ⅰ(5)锁紧固定。
CN201810706914.8A 2018-07-02 2018-07-02 带电更换绝缘子用横担延长器 Pending CN110676751A (zh)

Priority Applications (1)

Application Number Priority Date Filing Date Title
CN201810706914.8A CN110676751A (zh) 2018-07-02 2018-07-02 带电更换绝缘子用横担延长器

Applications Claiming Priority (1)

Application Number Priority Date Filing Date Title
CN201810706914.8A CN110676751A (zh) 2018-07-02 2018-07-02 带电更换绝缘子用横担延长器

Publications (1)

Publication Number Publication Date
CN110676751A true CN110676751A (zh) 2020-01-10

Family

ID=69065374

Family Applications (1)

Application Number Title Priority Date Filing Date
CN201810706914.8A Pending CN110676751A (zh) 2018-07-02 2018-07-02 带电更换绝缘子用横担延长器

Country Status (1)

Country Link
CN (1) CN110676751A (zh)

Citations (10)

* Cited by examiner, † Cited by third party
Publication number Priority date Publication date Assignee Title
CN201490624U (zh) * 2009-05-31 2010-05-26 华北电网有限公司廊坊供电公司 一种带电更换线路直线绝缘子的卡具
CN202197058U (zh) * 2011-09-20 2012-04-18 大兴安岭电业局 供电线路松弛调节器
CN203690797U (zh) * 2014-01-02 2014-07-02 国家电网公司 绝缘子串检修用横担侧夹具
CN204927971U (zh) * 2015-08-28 2015-12-30 国家电网公司 一种用于输电线路带电更换绝缘子串的抱杆
CN105305305A (zh) * 2015-11-03 2016-02-03 国家电网公司 带电更换横担和绝缘子串的装置及使用方法
CN106129901A (zh) * 2016-08-26 2016-11-16 国网青海省电力公司海东供电公司 一种35kV线路单杆瓷横担抢修工具
CN206099155U (zh) * 2016-08-31 2017-04-12 贵州电网有限责任公司毕节供电局 停电更换耐张绝缘子的辅助工具
CN206237054U (zh) * 2016-12-16 2017-06-09 国网江西省电力公司宜春市袁州区供电分公司 35kV输电线路检修作业支架
CN107069543A (zh) * 2017-03-28 2017-08-18 广东电网有限责任公司佛山供电局 可带电作业的临时横担
CN107482557A (zh) * 2017-09-22 2017-12-15 安徽柏桦电力科技有限公司 一种线路角铁横担

Patent Citations (10)

* Cited by examiner, † Cited by third party
Publication number Priority date Publication date Assignee Title
CN201490624U (zh) * 2009-05-31 2010-05-26 华北电网有限公司廊坊供电公司 一种带电更换线路直线绝缘子的卡具
CN202197058U (zh) * 2011-09-20 2012-04-18 大兴安岭电业局 供电线路松弛调节器
CN203690797U (zh) * 2014-01-02 2014-07-02 国家电网公司 绝缘子串检修用横担侧夹具
CN204927971U (zh) * 2015-08-28 2015-12-30 国家电网公司 一种用于输电线路带电更换绝缘子串的抱杆
CN105305305A (zh) * 2015-11-03 2016-02-03 国家电网公司 带电更换横担和绝缘子串的装置及使用方法
CN106129901A (zh) * 2016-08-26 2016-11-16 国网青海省电力公司海东供电公司 一种35kV线路单杆瓷横担抢修工具
CN206099155U (zh) * 2016-08-31 2017-04-12 贵州电网有限责任公司毕节供电局 停电更换耐张绝缘子的辅助工具
CN206237054U (zh) * 2016-12-16 2017-06-09 国网江西省电力公司宜春市袁州区供电分公司 35kV输电线路检修作业支架
CN107069543A (zh) * 2017-03-28 2017-08-18 广东电网有限责任公司佛山供电局 可带电作业的临时横担
CN107482557A (zh) * 2017-09-22 2017-12-15 安徽柏桦电力科技有限公司 一种线路角铁横担

Similar Documents

Publication Publication Date Title
CN205666535U (zh) 输电线路钢管塔带电导线提升卡具
CN104505766B (zh) 一种带电更换变电站500kV耐张绝缘子串的工具及方法
CN204144479U (zh) 一种接地线
WO2012088986A1 (zh) 用于直流输电线路的检修器具
CN102185267B (zh) 66kv地电位带电断接引流方法
CN103427370B (zh) 高压输电线路用耐张绝缘子串的带电更换装置
CN104348122B (zh) 地电位安装式分流线夹装置及其安装方法
CN205265149U (zh) 一种应用于输电线路作业的分裂导线提线器
CN208337014U (zh) 一种带电更换高压线路绝缘子用起重滑车挂点加高装置
CN106785521A (zh) 一种组合式接地线组
CN104466459B (zh) 多功能接地线
CN110676751A (zh) 带电更换绝缘子用横担延长器
CN205051016U (zh) 可调式通用接地棒
CN210838660U (zh) 一种10kV中置式开关柜母线接地杆
CN110707599B (zh) 一种带电调整220kv垂直排列双分裂导线弧垂专用工具
CN104269669B (zh) 一种接地线
CN106033872A (zh) 等电位更换单联双软母线耐张绝缘子的工具
CN103219671A (zh) 带电更换220kV耐张U210B/170型绝缘子串的作业方法
CN208094073U (zh) 配网带电作业专用引线固定支架
CN210468603U (zh) 一种配网带电作业防松线夹装杆
CN104505788A (zh) 一种大跨距悬吊式管母线多挂点组合金具及其安装方式
CN105514868A (zh) 一种熔丝具上引线绝缘固定支架
CN203039273U (zh) 一种变电站管型母线双卡箍接地装置
CN204290154U (zh) 一种带电更换绝缘子专用工具
CN205159909U (zh) 一种带电更换特高压接地极线路耐张绝缘子的工具

Legal Events

Date Code Title Description
PB01 Publication
PB01 Publication
SE01 Entry into force of request for substantive examination
SE01 Entry into force of request for substantive examination
WD01 Invention patent application deemed withdrawn after publication

Application publication date: 20200110

WD01 Invention patent application deemed withdrawn after publication