CN110645781A - Tea drying and cooling integrated machine - Google Patents
Tea drying and cooling integrated machine Download PDFInfo
- Publication number
- CN110645781A CN110645781A CN201810681504.2A CN201810681504A CN110645781A CN 110645781 A CN110645781 A CN 110645781A CN 201810681504 A CN201810681504 A CN 201810681504A CN 110645781 A CN110645781 A CN 110645781A
- Authority
- CN
- China
- Prior art keywords
- fixedly connected
- casing
- strip
- driving motor
- wall
- Prior art date
- Legal status (The legal status is an assumption and is not a legal conclusion. Google has not performed a legal analysis and makes no representation as to the accuracy of the status listed.)
- Withdrawn
Links
- 238000001035 drying Methods 0.000 title claims abstract description 35
- 238000001816 cooling Methods 0.000 title claims abstract description 22
- 241001122767 Theaceae Species 0.000 claims abstract 9
- 239000003638 chemical reducing agent Substances 0.000 claims description 13
- 238000003756 stirring Methods 0.000 claims description 11
- 239000004744 fabric Substances 0.000 claims description 7
- 238000007599 discharging Methods 0.000 claims description 5
- 230000037431 insertion Effects 0.000 claims 5
- 238000003780 insertion Methods 0.000 claims 5
- 239000012535 impurity Substances 0.000 abstract description 14
- 230000000694 effects Effects 0.000 abstract description 7
- 244000269722 Thea sinensis Species 0.000 description 39
- 235000013616 tea Nutrition 0.000 description 39
- 235000015097 nutrients Nutrition 0.000 description 2
- 239000007921 spray Substances 0.000 description 2
- XLYOFNOQVPJJNP-UHFFFAOYSA-N water Substances O XLYOFNOQVPJJNP-UHFFFAOYSA-N 0.000 description 2
- 230000007547 defect Effects 0.000 description 1
- 238000010586 diagram Methods 0.000 description 1
- 238000005516 engineering process Methods 0.000 description 1
- 235000011389 fruit/vegetable juice Nutrition 0.000 description 1
- 235000009569 green tea Nutrition 0.000 description 1
- 238000004321 preservation Methods 0.000 description 1
Images
Classifications
-
- F—MECHANICAL ENGINEERING; LIGHTING; HEATING; WEAPONS; BLASTING
- F26—DRYING
- F26B—DRYING SOLID MATERIALS OR OBJECTS BY REMOVING LIQUID THEREFROM
- F26B11/00—Machines or apparatus for drying solid materials or objects with movement which is non-progressive
- F26B11/12—Machines or apparatus for drying solid materials or objects with movement which is non-progressive in stationary drums or other mainly-closed receptacles with moving stirring devices
- F26B11/14—Machines or apparatus for drying solid materials or objects with movement which is non-progressive in stationary drums or other mainly-closed receptacles with moving stirring devices the stirring device moving in a horizontal or slightly-inclined plane
-
- A—HUMAN NECESSITIES
- A23—FOODS OR FOODSTUFFS; TREATMENT THEREOF, NOT COVERED BY OTHER CLASSES
- A23F—COFFEE; TEA; THEIR SUBSTITUTES; MANUFACTURE, PREPARATION, OR INFUSION THEREOF
- A23F3/00—Tea; Tea substitutes; Preparations thereof
- A23F3/06—Treating tea before extraction; Preparations produced thereby
-
- B—PERFORMING OPERATIONS; TRANSPORTING
- B07—SEPARATING SOLIDS FROM SOLIDS; SORTING
- B07B—SEPARATING SOLIDS FROM SOLIDS BY SIEVING, SCREENING, SIFTING OR BY USING GAS CURRENTS; SEPARATING BY OTHER DRY METHODS APPLICABLE TO BULK MATERIAL, e.g. LOOSE ARTICLES FIT TO BE HANDLED LIKE BULK MATERIAL
- B07B4/00—Separating solids from solids by subjecting their mixture to gas currents
- B07B4/02—Separating solids from solids by subjecting their mixture to gas currents while the mixtures fall
-
- F—MECHANICAL ENGINEERING; LIGHTING; HEATING; WEAPONS; BLASTING
- F25—REFRIGERATION OR COOLING; COMBINED HEATING AND REFRIGERATION SYSTEMS; HEAT PUMP SYSTEMS; MANUFACTURE OR STORAGE OF ICE; LIQUEFACTION SOLIDIFICATION OF GASES
- F25D—REFRIGERATORS; COLD ROOMS; ICE-BOXES; COOLING OR FREEZING APPARATUS NOT OTHERWISE PROVIDED FOR
- F25D1/00—Devices using naturally cold air or cold water
-
- F—MECHANICAL ENGINEERING; LIGHTING; HEATING; WEAPONS; BLASTING
- F26—DRYING
- F26B—DRYING SOLID MATERIALS OR OBJECTS BY REMOVING LIQUID THEREFROM
- F26B21/00—Arrangements or duct systems, e.g. in combination with pallet boxes, for supplying and controlling air or gases for drying solid materials or objects
- F26B21/004—Nozzle assemblies; Air knives; Air distributors; Blow boxes
-
- F—MECHANICAL ENGINEERING; LIGHTING; HEATING; WEAPONS; BLASTING
- F26—DRYING
- F26B—DRYING SOLID MATERIALS OR OBJECTS BY REMOVING LIQUID THEREFROM
- F26B25/00—Details of general application not covered by group F26B21/00 or F26B23/00
- F26B25/04—Agitating, stirring, or scraping devices
-
- F—MECHANICAL ENGINEERING; LIGHTING; HEATING; WEAPONS; BLASTING
- F26—DRYING
- F26B—DRYING SOLID MATERIALS OR OBJECTS BY REMOVING LIQUID THEREFROM
- F26B2200/00—Drying processes and machines for solid materials characterised by the specific requirements of the drying good
- F26B2200/20—Teas, i.e. drying, conditioning, withering of tea leaves
Landscapes
- Engineering & Computer Science (AREA)
- Mechanical Engineering (AREA)
- General Engineering & Computer Science (AREA)
- Chemical & Material Sciences (AREA)
- Combustion & Propulsion (AREA)
- Physics & Mathematics (AREA)
- Thermal Sciences (AREA)
- Life Sciences & Earth Sciences (AREA)
- Food Science & Technology (AREA)
- Polymers & Plastics (AREA)
- Tea And Coffee (AREA)
Abstract
The invention discloses a tea drying and cooling integrated machine which comprises a shell, wherein a feed inlet is formed in the upper end of the shell, a strip-shaped cavity is formed in the side wall of the shell, a first driving motor is fixedly connected to the side wall of the shell, the tail end of an output shaft of the first driving motor penetrates through the side wall of the shell and extends into the strip-shaped cavity, a first bevel gear is fixedly connected to the tail end of the output shaft of the first driving motor, a threaded rod is rotatably connected to the inner wall of the strip-shaped cavity, a second bevel gear is fixedly connected to the side wall of the threaded rod, the first bevel gear and the second bevel gear are meshed with each other, a nut is connected to the threaded rod in a threaded manner, the outer side wall of the nut is in sliding connection with the inner wall of the strip-. The tea leaf drying device is reasonable in structure, good in drying effect, capable of cooling in time and effectively removing impurities mixed in tea leaves.
Description
Technical Field
The invention relates to the technical field of tea processing, in particular to a tea drying and cooling integrated machine.
Background
The drying technology of the tea is very important, and the tea can not only preserve various nutrient components in the tea, but also improve the preservation life of the tea. The existing tea drying method comprises three forms of drying, stir-frying and sun-drying. The drying process of green tea generally comprises the steps of drying and then frying. Because the water content of the rolled tea leaves is still high, if the tea leaves are directly fried to be dry, the tea leaves can be quickly agglomerated into lumps in the pot of the frying machine, and the tea juice is easy to adhere to the wall of the pot. Therefore, the tea leaves are firstly dried, so that the water content is reduced to meet the requirement of pan frying. With the popularization and individual operation of tea, the traditional tea drying mode has lower working efficiency and poorer drying effect, and cannot well meet the requirements of the market at present; and the existing tea leaves are taken out and cooled after being dried, so that time and labor are wasted, the content of nutrient components in the tea leaves can be reduced, and a large amount of impurities are mixed in the existing tea leaves to be dried and cannot be well removed.
Disclosure of Invention
The invention aims to solve the defects in the prior art, and provides the tea drying and cooling all-in-one machine which is good in drying effect, can cool in time and can effectively remove impurities mixed in tea.
In order to achieve the purpose, the invention adopts the following technical scheme:
a tea drying and cooling integrated machine comprises a shell, wherein a feed inlet is formed in the upper end of the shell, a strip-shaped cavity is formed in the side wall of the shell, a first driving motor is fixedly connected to the side wall of the shell, the tail end of an output shaft of the first driving motor penetrates through the side wall of the shell and extends into the strip-shaped cavity, a first bevel gear is fixedly connected to the tail end of the output shaft of the first driving motor, a threaded rod is rotatably connected to the inner wall of the strip-shaped cavity, a second bevel gear is fixedly connected to the side wall of the threaded rod, the first bevel gear and the second bevel gear are meshed with each other, a nut is connected to the threaded rod in a threaded manner, the outer side wall of the nut is slidably connected with the inner wall of the strip-shaped cavity, a connecting rod is fixedly connected to the upper end of the nut, the upper end, the tail end of an output shaft of the second driving motor penetrates through the upper end of the cover plate, the lower end of the cover plate is fixedly connected with a speed reducer, the tail end of the output shaft of the second driving motor is connected with the speed reducer, the output end of the speed reducer is fixedly connected with a rotating shaft, the lower end of the rotating shaft is fixedly connected with stirring blades, the opposite side walls of the shell are respectively provided with a strip-shaped opening, a device block is inserted in the strip-shaped opening, the side wall of the device block is fixedly connected with a first screen, the first screen is positioned in the shell, one ends of the two first screens, far away from the device blocks, are abutted, the left side wall and the right side wall of the shell are respectively provided with a round cavity, a fixing device is arranged in the round cavity, the side wall of the shell is fixedly connected with a fan, an air outlet of the fan, the fan is kept away from to the casing one side is equipped with the opening, open-ended inner wall fixedly connected with second screen cloth, the interior bottom fixedly connected with discharging pipe of casing, two supporting legs of lower extreme fixedly connected with of casing.
Preferably, the reduction gear reducer.
Preferably, the diameter of the stirring fan blade is slightly smaller than the distance between the opposite inner walls of the shell.
Preferably, one end of the device block, which is positioned outside the shell, is fixedly connected with a pull handle.
Preferably, fixing device is including the L shape inserted bar that is located the round cavity, the upper end of L shape inserted bar runs through the interior top of round cavity and extends to in the bar mouth, the lower extreme of device piece be equipped with L shape inserted bar matched with slot, through spring fixed connection between the lower extreme of L shape inserted bar and the interior bottom of round cavity, the inner wall of round cavity is equipped with the bar hole, the lateral wall of L shape inserted bar runs through the bar hole.
Preferably, diverging device is including going out the tuber pipe, the end of connecting pipe links to each other with the tuber pipe, the lateral wall of going out the tuber pipe and the inner wall fixed connection of casing, the lateral wall of going out the tuber pipe is equidistant to be equipped with a plurality of nozzles.
Preferably, a baffle plate penetrates through the discharge pipe.
In the invention, tea leaves enter a shell through a feed port, a first driving motor is started to drive a first bevel gear to rotate, the first bevel gear drives a second bevel gear to rotate, the second bevel gear drives a threaded rod to rotate, the threaded rod drives a nut to move downwards, finally, a cover plate closes the feed port, a hot air blower is started to dry, a second driving motor is started to drive stirring blades to rotate, the tea leaves are dried while being turned, the drying effect is good, a small amount of impurities are discharged through the first screen, after the drying is finished, the fixing device is opened, the two first screen meshes are pulled out, the tea leaves fall into the lower part in the shell, the fan is started to spray air out through the nozzle, the tealeaves to falling cools off, blows away lighter impurity, filters out through the second screen cloth, impurity in can effectual reduction tealeaves, and the tealeaves that the cooling finishes passes through the discharging pipe and discharges. The tea leaf drying device is reasonable in structure, good in drying effect, capable of cooling in time and effectively removing impurities mixed in tea leaves.
Drawings
FIG. 1 is a schematic structural diagram of an integrated tea drying and cooling machine according to the present invention;
FIG. 2 is an enlarged schematic view of a structure at the position A of the tea drying and cooling all-in-one machine provided by the invention;
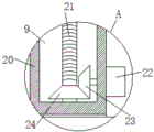
fig. 3 is an enlarged schematic view of a structure at a position B of the tea drying and cooling all-in-one machine provided by the invention.
In the figure: 1 hot air blower, 2 speed reducing device, 3 second driving motor, 4 cover plates, 5 connecting rods, 6 rotating shafts, 7 stirring fan blades, 8 nuts, 9 strip-shaped cavities, 10 air outlet pipes, 11 connecting pipes, 12 fans, 13 nozzles, 14 baffle plates, 15 discharge pipes, 16 supporting legs, 17 second screen meshes, 18 openings, 19 first screen meshes, 20 shell bodies, 21 threaded rods, 22 first driving motor, 23 first bevel gears, 24 second bevel gears, 25 device blocks, 26 springs, 27L-shaped inserted rods and 28 pull handles.
Detailed Description
The technical solutions in the embodiments of the present invention will be clearly and completely described below with reference to the drawings in the embodiments of the present invention, and it is obvious that the described embodiments are only a part of the embodiments of the present invention, and not all of the embodiments.
Referring to fig. 1-3, a tea drying and cooling all-in-one machine comprises a housing 20, a feed inlet is arranged at the upper end of the housing 20, a strip-shaped cavity 9 is arranged on the side wall of the housing 20, a first driving motor 22 is fixedly connected to the side wall of the housing 20, the tail end of an output shaft of the first driving motor 22 penetrates through the side wall of the housing 20 and extends into the strip-shaped cavity 9, a first bevel gear 23 is fixedly connected to the tail end of the output shaft of the first driving motor 22, a threaded rod 21 is rotatably connected to the inner wall of the strip-shaped cavity 9, a second bevel gear 24 is fixedly connected to the side wall of the threaded rod 21, the first bevel gear 23 is meshed with the second bevel gear 24, a nut 8 is in threaded connection with the threaded rod 21, the outer side wall of the nut 8 is in sliding connection with the inner wall of the strip-shaped, the upper end of the cover plate 4 is fixedly connected with a second driving motor 3, the tail end of an output shaft of the second driving motor 3 penetrates through the upper end of the cover plate 4, the lower end of the cover plate 4 is fixedly connected with a speed reducer 2, the tail end of an output shaft of the second driving motor 3 is connected with the speed reducer 2, the output end of the speed reducer 2 is fixedly connected with a rotating shaft 6, the lower end of the rotating shaft 6 is fixedly connected with stirring blades 7, the opposite side walls of the shell 20 are respectively provided with a strip-shaped opening, a device block 25 is inserted in the strip-shaped opening, the side wall of the device block 25 is fixedly connected with a first screen 19, the first screen 19 is positioned in the shell 20, one ends of the two first screen 19, which are far away from the device block 25, the left side wall and the right side wall of the shell 20 are respectively provided with a circular cavity, a fixing device is arranged in the circular, the end of the connecting pipe 11 is fixedly connected with a shunting device, one side of the shell 20 far away from the fan 12 is provided with an opening 18, the inner wall of the opening 18 is fixedly connected with a second screen 17, the inner bottom of the shell 20 is fixedly connected with a discharging pipe 15, the lower end of the shell 20 is fixedly connected with two supporting legs 16, firstly, tea leaves enter the shell 20 through the feeding hole, a first driving motor 22 is started to drive a first bevel gear 23 to rotate, the first bevel gear 23 drives a second bevel gear 24 to rotate, the second bevel gear 24 drives a threaded rod 21 to rotate, the threaded rod 21 drives a nut 8 to move downwards, finally, a cover plate 4 closes the feeding hole, the hot air blower 1 is started to dry, a second driving motor 3 is started to drive a stirring fan blade 7 to rotate, the tea leaves are dried while being overturned, the drying effect is good, a small amount of impurities are, pull out two first screen cloth 19, tealeaves falls into the below in the casing 20, starts fan 12, makes wind pass through nozzle 13 blowout, cools off the tealeaves that falls, blows away lighter impurity, filters out through second screen cloth 18, can effectually reduce the impurity in the tealeaves, and the tealeaves that the cooling finishes passes through discharging pipe 15 and discharges.
The invention relates to a tea drying and cooling integrated machine, which comprises a speed reducer 2, a stirring fan blade 7, a pull handle 28, a fixing device and a baffle 14, wherein the diameter of the stirring fan blade 7 is slightly smaller than the distance between the opposite inner walls of a shell 20, one end of a device block 25, which is positioned outside the shell 20, is fixedly connected with the pull handle 28, the fixing device comprises an L-shaped inserted rod 27 positioned in a circular cavity, the upper end of the L-shaped inserted rod 27 penetrates through the inner top of the circular cavity and extends into a strip-shaped opening, the lower end of the device block 25 is provided with a slot matched with the L-shaped inserted rod 27, the lower end of the L-shaped inserted rod 27 is fixedly connected with the inner bottom of the circular cavity through a spring 26, the inner wall of the circular cavity is provided with a strip-shaped hole, the side wall of the L-shaped inserted rod 27 penetrates through the strip-shaped hole, the flow dividing device comprises an air outlet pipe 10, the.
In the invention, firstly, tea leaves enter a shell 20 through a feed port, a first driving motor 22 is started to drive a first bevel gear 23 to rotate, the first bevel gear 23 drives a second bevel gear 24 to rotate, the second bevel gear 24 drives a threaded rod 21 to rotate, the threaded rod 21 drives a nut 8 to move downwards, finally, a cover plate 4 closes the feed port, a hot air blower 1 is started to dry, a second driving motor 3 is started to drive stirring blades 7 to rotate, the tea leaves are dried while being overturned, the drying effect is good, a small amount of impurities are discharged through a first screen 19, after the drying is finished, a fixing device is opened, two first screens 19 are pulled out, the tea leaves fall into the lower part in the shell 20, a fan 12 is started to spray wind through a nozzle 13, the falling tea leaves are cooled, the lighter impurities are blown away, the impurities are filtered through a second screen 18, and the impurities in the tea leaves can be effectively reduced, the cooled tea leaves are discharged through a discharge pipe 15.
The above description is only for the preferred embodiment of the present invention, but the scope of the present invention is not limited thereto, and any person skilled in the art should be considered to be within the technical scope of the present invention, and the technical solutions and the inventive concepts thereof according to the present invention should be equivalent or changed within the scope of the present invention.
Claims (7)
1. The utility model provides a tealeaves stoving cooling all-in-one, includes casing (20), its characterized in that, the upper end of casing (20) is equipped with the feed inlet, the lateral wall of casing is equipped with bar chamber (9), the lateral wall fixedly connected with first driving motor (22) of casing (20), the output shaft end of first driving motor (22) runs through the lateral wall of casing (20) and extends to in bar chamber (9), the output shaft end fixedly connected with first bevel gear (23) of first driving motor (22), the inner wall rotation of bar chamber (9) is connected with threaded rod (21), the lateral wall fixedly connected with second bevel gear (24) of threaded rod (21), first bevel gear (23) and second bevel gear (24) intermeshing, threaded connection has nut (8) on threaded rod (21), the lateral wall and the inner wall sliding connection of bar chamber (9) of nut (8), the upper end of the nut (8) is fixedly connected with a connecting rod (5), the upper end of the connecting rod (5) penetrates through the inner top of the strip-shaped cavity (9), the upper end of the connecting rod (5) is fixedly connected with a cover plate (4), the upper end of the cover plate (4) is fixedly connected with a second driving motor (3), the tail end of an output shaft of the second driving motor (3) penetrates through the upper end of the cover plate (4), the lower end of the cover plate (4) is fixedly connected with a speed reducer (2), the tail end of an output shaft of the second driving motor (3) is connected with the speed reducer (2), the output end of the speed reducer (2) is fixedly connected with a rotating shaft (6), the lower end of the rotating shaft (6) is fixedly connected with a stirring fan blade (7), the opposite side walls of the shell (20) are respectively provided with a strip-shaped opening, a device block (25) is inserted in the strip-shaped opening, first screen cloth (19) are located casing (20), the one end that device piece (25) was kept away from in two first screen cloth (19) offsets, the lateral wall all is equipped with the circle chamber about casing (20), the circle intracavity is equipped with fixing device, the lateral wall fixedly connected with fan (12) of casing (20), the air outlet fixed connection connecting pipe (11) of fan (12), the terminal lateral wall that runs through casing (20) of connecting pipe (11), the terminal fixedly connected with diverging device of connecting pipe (11), one side that fan (12) were kept away from in casing (20) is equipped with opening (18), the inner wall fixedly connected with second screen cloth (17) of opening (18), the interior bottom fixedly connected with discharging pipe (15) of casing (20), two lower extreme fixedly connected with supporting legs (16) of casing (20).
2. The tea drying and cooling all-in-one machine as claimed in claim 1, wherein the speed reducer (2) is a speed reducer.
3. An integrated tea drying and cooling machine as claimed in claim 1, wherein the diameter of the stirring blades (7) is slightly smaller than the distance between the opposite inner walls of the casing (20).
4. The tea drying and cooling all-in-one machine is characterized in that a pull handle (28) is fixedly connected to one end, located outside the shell (20), of the device block (25).
5. The tea drying and cooling integrated machine according to claim 1, wherein the fixing device comprises an L-shaped insertion rod (27) located in the round cavity, the upper end of the L-shaped insertion rod (27) penetrates through the inner top of the round cavity and extends into the strip-shaped opening, a slot matched with the L-shaped insertion rod (27) is formed in the lower end of the device block (25), the lower end of the L-shaped insertion rod (27) is fixedly connected with the inner bottom of the round cavity through a spring (26), a strip-shaped hole is formed in the inner wall of the round cavity, and the side wall of the L-shaped insertion rod (27) penetrates through the strip-shaped hole.
6. The tea drying and cooling all-in-one machine is characterized in that the shunting device comprises an air outlet pipe (10), the tail end of the connecting pipe (11) is connected with the air outlet pipe (10), the side wall of the air outlet pipe (10) is fixedly connected with the inner wall of the shell (20), and a plurality of nozzles (13) are arranged on the side wall of the air outlet pipe (10) at equal intervals.
7. The tea drying and cooling all-in-one machine is characterized in that a baffle plate (14) penetrates through the discharge pipe (15).
Priority Applications (1)
| Application Number | Priority Date | Filing Date | Title |
|---|---|---|---|
| CN201810681504.2A CN110645781A (en) | 2018-06-27 | 2018-06-27 | Tea drying and cooling integrated machine |
Applications Claiming Priority (1)
| Application Number | Priority Date | Filing Date | Title |
|---|---|---|---|
| CN201810681504.2A CN110645781A (en) | 2018-06-27 | 2018-06-27 | Tea drying and cooling integrated machine |
Publications (1)
| Publication Number | Publication Date |
|---|---|
| CN110645781A true CN110645781A (en) | 2020-01-03 |
Family
ID=69009116
Family Applications (1)
| Application Number | Title | Priority Date | Filing Date |
|---|---|---|---|
| CN201810681504.2A Withdrawn CN110645781A (en) | 2018-06-27 | 2018-06-27 | Tea drying and cooling integrated machine |
Country Status (1)
| Country | Link |
|---|---|
| CN (1) | CN110645781A (en) |
Cited By (2)
| Publication number | Priority date | Publication date | Assignee | Title |
|---|---|---|---|---|
| CN111707060A (en) * | 2020-06-15 | 2020-09-25 | 福建一创机械设备有限公司 | Ultrasonic wave and dry air combined assembly line drying equipment |
| CN112033115A (en) * | 2020-08-31 | 2020-12-04 | 耒阳市华润农副产品有限公司 | High-efficient sweet potato chip drying-machine |
Citations (7)
| Publication number | Priority date | Publication date | Assignee | Title |
|---|---|---|---|---|
| WO2007083813A1 (en) * | 2006-01-23 | 2007-07-26 | The Doshisha | Classifying apparatus for powdery substance |
| CN200993521Y (en) * | 2006-12-25 | 2007-12-19 | 田中武 | Drying-cooling combination machine |
| KR101293808B1 (en) * | 2011-08-31 | 2013-08-06 | 석원대 | Stainless dryer for green tea and fermentation tea |
| CN205373319U (en) * | 2016-01-08 | 2016-07-06 | 安徽亚环生物科技有限公司 | Organic fertilizer stoving cooling device |
| CN107642966A (en) * | 2017-11-26 | 2018-01-30 | 广西中港高科国宝金花茶产业有限公司 | A kind of drying unit of golden flower tea shoot tips tea making |
| CN107897400A (en) * | 2017-11-26 | 2018-04-13 | 四川启兴电子有限公司 | A kind of water-removing cooling integrated machine for tealeaves |
| CN207456126U (en) * | 2017-10-17 | 2018-06-05 | 江西云台山有机茶实业有限公司 | A kind of green tea production stage drying device |
-
2018
- 2018-06-27 CN CN201810681504.2A patent/CN110645781A/en not_active Withdrawn
Patent Citations (7)
| Publication number | Priority date | Publication date | Assignee | Title |
|---|---|---|---|---|
| WO2007083813A1 (en) * | 2006-01-23 | 2007-07-26 | The Doshisha | Classifying apparatus for powdery substance |
| CN200993521Y (en) * | 2006-12-25 | 2007-12-19 | 田中武 | Drying-cooling combination machine |
| KR101293808B1 (en) * | 2011-08-31 | 2013-08-06 | 석원대 | Stainless dryer for green tea and fermentation tea |
| CN205373319U (en) * | 2016-01-08 | 2016-07-06 | 安徽亚环生物科技有限公司 | Organic fertilizer stoving cooling device |
| CN207456126U (en) * | 2017-10-17 | 2018-06-05 | 江西云台山有机茶实业有限公司 | A kind of green tea production stage drying device |
| CN107642966A (en) * | 2017-11-26 | 2018-01-30 | 广西中港高科国宝金花茶产业有限公司 | A kind of drying unit of golden flower tea shoot tips tea making |
| CN107897400A (en) * | 2017-11-26 | 2018-04-13 | 四川启兴电子有限公司 | A kind of water-removing cooling integrated machine for tealeaves |
Cited By (2)
| Publication number | Priority date | Publication date | Assignee | Title |
|---|---|---|---|---|
| CN111707060A (en) * | 2020-06-15 | 2020-09-25 | 福建一创机械设备有限公司 | Ultrasonic wave and dry air combined assembly line drying equipment |
| CN112033115A (en) * | 2020-08-31 | 2020-12-04 | 耒阳市华润农副产品有限公司 | High-efficient sweet potato chip drying-machine |
Similar Documents
| Publication | Publication Date | Title |
|---|---|---|
| CN110479462A (en) | A kind of fig fruit powder production device | |
| CN113875833A (en) | Processing method of green tea | |
| CN110645781A (en) | Tea drying and cooling integrated machine | |
| CN112823919A (en) | Dust collector for rice is carried | |
| CN212396806U (en) | Rice processing that cooling efficiency is high is with cold rice device | |
| CN221092565U (en) | Belt cleaning device of belt dryer | |
| CN218223498U (en) | A high-efficiency dust removal and empty shell removal device for melon seeds production | |
| CN217179010U (en) | Quick cooling device of raw materials for sesame oil production | |
| CN218743240U (en) | High-efficient type tealeaves edulcoration equipment | |
| CN216522800U (en) | Quick drying device is used in rice processing | |
| CN113733393B (en) | Drying device is used in plastic pellet processing | |
| CN213428135U (en) | High-efficient baking equipment of mulberry leaf tea processing usefulness | |
| CN214526910U (en) | Edible oil processing material feeding unit | |
| CN216537302U (en) | Filter equipment is used in defoaming agent production | |
| CN218993758U (en) | Quick cooling equipment | |
| CN208642339U (en) | A kind of dissolution platform for facilitating ink to heat | |
| CN213288674U (en) | Gas atomization powder making furnace | |
| CN209284268U (en) | A kind of hawthorn is cleaned automatically, dries up, squeezing cake system | |
| CN109122919B (en) | A kind of pepper oil processing device | |
| CN215784667U (en) | Loading attachment is used in tealeaves production | |
| CN208403161U (en) | One cultivates peanut collection device of peeling | |
| CN208807586U (en) | A kind of agricultural product production and processing potato cleaning device | |
| CN221492631U (en) | Be applied to milling equipment of flour production | |
| CN219377992U (en) | Raw material multistage screening equipment for black tea production | |
| CN222385330U (en) | Tea leaf winnowing and crushing device |
Legal Events
| Date | Code | Title | Description |
|---|---|---|---|
| PB01 | Publication | ||
| PB01 | Publication | ||
| SE01 | Entry into force of request for substantive examination | ||
| SE01 | Entry into force of request for substantive examination | ||
| WW01 | Invention patent application withdrawn after publication |
Application publication date: 20200103 |
|
| WW01 | Invention patent application withdrawn after publication |