CN110635639A - 径向磁场复合型双功率流电机 - Google Patents

径向磁场复合型双功率流电机 Download PDF

Info

Publication number
CN110635639A
CN110635639A CN201910873642.5A CN201910873642A CN110635639A CN 110635639 A CN110635639 A CN 110635639A CN 201910873642 A CN201910873642 A CN 201910873642A CN 110635639 A CN110635639 A CN 110635639A
Authority
CN
China
Prior art keywords
rotor
stator
motor
magnetic field
radial magnetic
Prior art date
Legal status (The legal status is an assumption and is not a legal conclusion. Google has not performed a legal analysis and makes no representation as to the accuracy of the status listed.)
Granted
Application number
CN201910873642.5A
Other languages
English (en)
Other versions
CN110635639B (zh
Inventor
莫丽红
张涛
王业琴
张晨
叶小婷
鲁庆
刘保连
Current Assignee (The listed assignees may be inaccurate. Google has not performed a legal analysis and makes no representation or warranty as to the accuracy of the list.)
Xiao Liquan
Original Assignee
Huaiyin Institute of Technology
Priority date (The priority date is an assumption and is not a legal conclusion. Google has not performed a legal analysis and makes no representation as to the accuracy of the date listed.)
Filing date
Publication date
Application filed by Huaiyin Institute of Technology filed Critical Huaiyin Institute of Technology
Priority to CN201910873642.5A priority Critical patent/CN110635639B/zh
Publication of CN110635639A publication Critical patent/CN110635639A/zh
Application granted granted Critical
Publication of CN110635639B publication Critical patent/CN110635639B/zh
Active legal-status Critical Current
Anticipated expiration legal-status Critical

Links

Images

Classifications

    • HELECTRICITY
    • H02GENERATION; CONVERSION OR DISTRIBUTION OF ELECTRIC POWER
    • H02KDYNAMO-ELECTRIC MACHINES
    • H02K1/00Details of the magnetic circuit
    • H02K1/06Details of the magnetic circuit characterised by the shape, form or construction
    • H02K1/12Stationary parts of the magnetic circuit
    • H02K1/14Stator cores with salient poles
    • HELECTRICITY
    • H02GENERATION; CONVERSION OR DISTRIBUTION OF ELECTRIC POWER
    • H02KDYNAMO-ELECTRIC MACHINES
    • H02K16/00Machines with more than one rotor or stator

Landscapes

  • Engineering & Computer Science (AREA)
  • Power Engineering (AREA)
  • Permanent Magnet Type Synchronous Machine (AREA)
  • Synchronous Machinery (AREA)

Abstract

本发明涉及电机设计领域,公开了一种径向磁场复合型双功率流电机,包括转子输出轴、与其同轴转动连接的静止轴、环绕静止轴的内定子、环绕内定子的内转子、环绕内转子的隔磁环、环绕隔磁环的外转子、环绕外转子的外定子;外定子与外转子之间以及内定子与内转子之间均设置有气隙;外转子通过隔磁环与内转子固定连接,外转子、隔磁环、内转子以及转子支架构成电机转子;静止轴与内定子以及外壳固定连接,与电机转子转动连接,与外定子转动连接;转子输出轴的一端与电机转子固定连接,另一端与定子支架转动连接。本发明在提高永磁体运行可靠性、避免永磁体因弱磁调速和高温导致的不可逆退磁的前提下,满足驱动电机低速大转矩和宽调速范围运行的要求。

Description

径向磁场复合型双功率流电机
技术领域
本发明涉及电机设计领域,特别涉及一种径向磁场复合型双功率流电机。
背景技术
高转矩密度、低速大转矩和宽调速范围是驱动电机尤其是直接驱动式电机的性能需求。得到广泛应用的开关磁阻电机具有较宽调速范围,且结构简单,定转子上均无永磁体,工作可靠性高,然而其转矩密度明显低于永磁电机。近年来,定子永磁型电机由于其高转矩密度和高效率而得到广泛研究,在该电机结构中,永磁体和绕组均放置在定子上,转子结构简单,提升了电机的可靠性和动态运行性能。但是,由于永磁体的固有特性,定子永磁电机运行时的气隙磁场基本保持恒定不变,电动运行时,电机励磁控制困难、调速范围有限。学者们多采用混合励磁方式来增加定子永磁电机的调速范围,在定子上除了永磁体,还设置了励磁绕组,实现双励磁源混合励磁方式,可提高磁场调节能力,拓宽转速运行范围。然而,这种电机调速过程中的高速弱磁调速会降低永磁体工作性能,严重时导致永磁体的不可逆退磁。此外,混合励磁定子永磁电机结构中定子同时存在永磁体和两套绕组(励磁绕组和电枢绕组),一方面磁路饱和程度高,另一方面约束了电枢绕组放置空间,在一定程度上限制了转矩输出能力,且由于热源均位于定子中,易导致定子绕组和永磁体温升过高,带来绕组绝缘损坏和永磁体不可逆退磁。
发明内容
发明目的:针对现有技术中存在的问题,本发明提供一种径向磁场复合型双功率流电机,在提高永磁体运行可靠性、避免永磁体因弱磁调速导致的不可逆退磁的前提下,满足驱动电机低速高转矩和宽调速范围运行的要求。
技术方案:本发明提供了一种径向磁场复合型双功率流电机,包括转子输出轴、与所述转子输出轴同轴转动连接的静止轴、环绕所述静止轴的内定子、环绕所述内定子的内转子、环绕所述内转子的隔磁环、环绕所述隔磁环的外转子、环绕所述外转子的外定子;所述外定子与所述外转子之间以及所述内定子与所述内转子之间均设置有气隙;所述外转子通过所述隔磁环与所述内转子固定连接,所述外转子、所述隔磁环、所述内转子以及转子支架构成电机转子;所述静止轴与所述内定子以及外壳固定连接,与所述电机转子转动连接,与所述外定子转动连接;所述转子输出轴的一端与所述电机转子固定连接,另一端与所述定子支架转动连接。
进一步地,所述外定子与所述外转子的相对侧以及所述内定子与所述内转子的相对侧均设置有凸极齿和励磁装置,且所述外定子的凸极齿上设置有外侧绕组,所述内定子的凸极齿上设置有内侧绕组。
优选地,所述励磁装置的充磁方向为沿所述外定子圆周切向交替充磁。
优选地,所述励磁装置为永磁体或混合励磁装置。采用混合励磁装置时,电励磁源仅用于低速增磁时增加输出转矩能力,无高速弱磁工作模式。
优选地,所述外定子的凸极齿数为P so,所述外侧绕组由对称分布的P so个套在所述外定子的凸极齿上的线圈构成,所述外侧绕组为m相集中绕组,满足P so=2k 1 m,其中为k 1正整数;所述外转子的凸极齿的齿数为P ro,满足P ro=P so±2N1,其中N1为正整数。
优选地,所述内定子凸极齿的齿数为P si,所述内侧绕组由对称分布的P si个套在所述内定子的凸极齿上的线圈构成,所述内侧绕组为n相集中绕组,满足P si=2k 2 n,其中为k 2正整数;所述内转子的凸极齿的齿数为P ri,满足P ri=P si±2N2,其中N2为正整数。
优选地,所述外定子、所述外转子、所述内定子以及所述内转子上的凸极齿朝向均指在径向上。
优选地,所述内侧绕组和所述外侧绕组均为多相集中式电枢绕组。
优选地,所述转子输出轴的一端与所述电机转子的转子支架固定连接,另一端与所述定子支架通过第一轴承转动连接。
优选地,所述静止轴与所述外定子的定子支架通过第二轴承转动连接,与所述电机转子的转子支架通过第三轴承和第四轴承转动连接。
有益效果:本发明的径向磁场复合型双功率流电机,外定子和外转子构成外电机,内定子和内转子构成内电机。内、外电机完全独立,无电磁耦合,因此可独立控制。内电机和外电机有多种电机结构选择,如外电机可采用双凸极永磁电机和磁通反向电机。需要指出的是本发明提出的径向磁场复合电机的内电机和外电机定转子齿槽配合、相数及励磁方式等均可以依据系统性能要求灵活调整。
本发明中,内定子与静止轴及外壳固定连接,无旋转,外定子通过第二轴承与静止轴转动连接,具体运行时可以一定转速旋转。此外,外转子通过隔磁环与内转子固定连接,外转子、隔磁环、内转子和转子支架构成电机转子,转子输出轴的一端固定在电机转子上,且通过第一轴承与外定子支架转动连接,静止轴通过第三轴承和第四轴承与电机转子转动连接。
与现有技术相比,本发明具有如下优点:
1、本发明中,内电机主要实现的是根据负载转速要求完成电机的调速,使得转子输出轴以目标转速旋转;外电机的作用是根据负载需要,提供驱动转矩或制动转矩,以弥补内电机输出转矩的不足,电机运行中外定子可与外转子差速旋转,使得外电机始终工作在效率较高的额定点附近,因此具有较大的转矩输出能力。无论是低速还是高速运行时,内电机输出转矩的不足均可由外电机提供,从而实现电机低速大转矩和宽调速范围运行的需求。
2、本发明内定子和内转子上均无永磁体,因此可避免内电机不易散热导致的永磁体高温不可逆退磁;外电机设置有励磁装置以增加转矩输出能力,外电机中励磁装置仅工作于增磁模式,不参与弱磁调速。高速工况时,内电机实现调速,由于外定子上第二轴承的作用,外电机的外定子在转子高速旋转时通过差速旋转可始终工作于额定点附近,完成增加转矩输出的同时,避免了外电机弱磁调速带来的永磁体不可逆退磁风险;从上述两点来看,本发明提高了永磁体工作稳定性,提高了电机工作的可靠性。
3. 本发明中内电机和外电机可运行于单独驱动或共同驱动等不同工作模式,当一台电机出现故障时,可使另一电机短时单独运行,因此本发明中电机具有一定的容错性。
附图说明
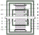
图1是一台内电机为3相定子12槽/转子8极、外电机为3相定子12槽/转子22极的径向磁场复合型双功率流电机的断面图。
图2是本发明径向磁场复合型双功率流电机的截面图。
图中:1外定子,2外转子,3内转子,4内定子,5静止轴,1-1外侧绕组,1-2励磁装置,2-3隔磁环,4-1内侧绕组,6转子输出轴,7第一轴承,8第二轴承,9第三轴承,10第四轴承,11定子支架,12转子支架,13外壳。
具体实施方式
下面结合附图对本发明进行详细的介绍。
本实施方式提供了一种径向磁场复合型双功率流电机,如图1,主要包括静止轴5、环绕静止轴5的内定子4、环绕内定子4的内转子3、环绕内转子3的隔磁环2-3、环绕隔磁环2-3的外转子2、环绕外转子2的外定子1。外定子1与外转子2之间设置有气隙,内定子4与内转子3之间设置有气隙,外转子2径向朝向外定子1的一侧和内转子3径向朝向内定子4的一侧均设置有无绕组的凸极齿,外定子1径向内侧设置有凸极齿及绕在凸极齿上的外侧绕组1-1,内定子4径向外侧设置有凸极齿及绕在凸极齿上的内侧绕组4-1,外定子1的凸极齿设置有励磁装置1-2,励磁装置1-2的充磁方向为沿外定子1圆周切向交替充磁。本实施例中的励磁装置1-2采用永磁体,当然也可以采用混合励磁装置。需要指出的是,本实施方式中定子和转子的凸极朝向均指在径向上。
如图1,本实施方式以一台内电机为3相定子12槽/转子8极、外电机为3相定子12槽/转子22极的径向磁场复合型双功率流电机为例,具体说明本发明的技术方案。
内定子4磁轭径向外侧凸出12块凸极齿,其上无永磁体,12个凸极齿上套有12个电枢绕组线圈,每4个线圈串联组成一相集中绕组,从而构成三相内电枢绕组,即内侧绕组4-1,内转子3凸极齿数量为8,内定子4、内转子3及其上的内侧绕组4-1组成三相12/8极开关磁阻内电机;外定子1沿圆周分布有12块铁心凹槽单元和12块矩形永磁体1-2交替相邻放置,形成了12个外定子磁极,每个外定子磁极由一块永磁体和其圆周两侧铁心凹槽单元的相邻两个外定子齿构成,铁心凹槽单元开口朝向外转子2,外转子2凸极齿数量为22个,外定子1的12个外定子磁极上共绕有12个绕组线圈,其中每4个绕组线圈组成一相集中绕组,从而构成外侧三相集中电枢绕组,即外侧绕组1-1。外转子2、外定子1及其上的永磁体1-2和外侧绕组1-1组成三相12/22极永磁磁通切换外电机结构。
见图2,内定子4与静止轴5及外壳13固定连接,外转子2通过隔磁环2-3与内转子3固定连接,外转子2、隔磁环2-3、内转子3、转子支架12构成电机转子,静止轴5通过第三轴承9和第四轴承10与电机转子转动连接,并通过第二轴承8与外定子1转动连接,转子输出轴6的一端固定在电机转子上,且通过第一轴承7与定子支架11转动连接。
本径向磁场复合型双功率流电机从可实现的功能上分为两部分:一部分是调速内电机,采用三相12/8极开关磁阻结构,结构简单,适于高速运行,电机易于冷却,且由于无永磁体,可允许有较高的温升;另一部分是调矩外电机,采用三相12/22极永磁磁通切换电机,转子结构简单,且具有高转矩密度和高效率。由于外转子2和内转子3均与转子输出轴6固定连接,因此内电机和外电机具有相同的转子转速,内定子4固定连接在静止轴5上,无转速,而外定子1由于第一轴承7和第二轴承8的存在可根据工况需要以一定转速旋转。本发明中,内电机主要实现的是根据负载转速要求完成电机的调速,使得转子输出轴6以目标转速旋转,同时输出一定的转矩;外电机的作用是根据负载需要,提供驱动转矩或制动转矩,以弥补内电机输出转矩的不足,具体运行中外定子1可与外转子2同向差速旋转,使得外电机始终工作在效率较高的额定点附近。内电机中无永磁体,因此在电机的调速运行中没有利用永磁体弱磁实现调速,有助于降低电机成本和提高内电机运行的可靠性。外电机采用具有聚磁效应的永磁电机结构,以实现大转矩密度和高效率,具有较大的转矩调节能力,且由于第一轴承7和第二轴承8的作用,在不同工况时外电机可始终工作在额定点附近,而且无论是低速还是高速运行时,内电机输出转矩的不足均可由外电机提供,从而实现电机低速大转矩和宽调速范围运行的需求。
此径向磁场复合型双功率流电机的内外两个电机系统之间无电磁耦合,可按照两个普通电机进行独立控制,可控参数大大多于普通磁通切换电机,十分灵活。内、外电机根据不同的工况需求可运行于单机驱动、双机共同驱动、双机发电等不同工作模式,内、外电机都做发电运行时,可以输出两组不同功率、频率、幅值和电压等级的电能;内、外电机系统也可以一个做发电运行,另一个做电动运行,以满足不同的应用场合与性能需求。
本径向磁场复合型双功率流电机在一个径向磁场电机空间内将永磁磁通切换外电机和开关磁阻内电机集成起来,提供两条功率流动路径。内电机和外电机均可采用其他的电机结构,大大提高了系统的灵活性,拓展了应用范围。
上述实施方式只为说明本发明的技术构思及特点,其目的在于让熟悉此项技术的人能够了解本发明的内容并据以实施,并不能以此限制本发明的保护范围。凡根据本发明精神实质所做的等效变换或修饰,都应涵盖在本发明的保护范围之内。

Claims (10)

1.一种径向磁场复合型双功率流电机,其特征在于,包括转子输出轴(6)、与所述转子输出轴同轴转动连接的静止轴(5)、环绕所述静止轴(5)的内定子(4)、环绕所述内定子(4)的内转子(3)、环绕所述内转子(3)的隔磁环(2-3)、环绕所述隔磁环(2-3)的外转子(2)、环绕所述外转子(2)的外定子(1);所述外定子(1)与所述外转子(2)之间以及所述内定子(4)与所述内转子(3)之间均设置有气隙;
所述外转子(2)通过所述隔磁环(2-3)与所述内转子(3)固定连接,所述外转子(2)、所述隔磁环(2-3)、所述内转子(3)以及转子支架(12)构成电机转子;所述静止轴(5)与所述内定子(4)以及外壳(13)固定连接,与所述电机转子转动连接,与所述外定子(1)转动连接;所述转子输出轴(6)的一端与所述电机转子固定连接,另一端与所述定子支架(11)转动连接。
2.根据权利要求1所述的径向磁场复合型双功率流电机,其特征在于,所述外定子(1)与所述外转子(2)的相对侧以及所述内定子(4)与所述内转子(3)的相对侧均设置有凸极齿,且所述外定子(1)的凸极齿上设置有外侧绕组(1-1)和励磁装置(1-2),所述内定子(4)的凸极齿上设置有内侧绕组(4-1)。
3.根据权利要求2所述的径向磁场复合型双功率流电机,其特征在于,所述励磁装置(1-2)的充磁方向为沿所述外定子(1)圆周切向交替充磁。
4.根据权利要求2所述的径向磁场复合型双功率流电机,其特征在于,所述励磁装置(1-2)为永磁体或混合励磁装置。
5.根据权利要求1所述的径向磁场复合型双功率流电机,其特征在于,
所述外定子(1)的凸极齿的齿数为P so,所述外侧绕组(1-1)由对称分布的P so个套在所述外定子(1)的凸极齿上的线圈构成,所述外侧绕组(1-1)为m相集中绕组,满足P so=2k 1 m,其中为k 1正整数;
所述外转子(2)的凸极齿的齿数为P ro,满足P ro=P so±2N1,其中N1为正整数。
6.根据权利要求5所述的径向磁场复合型双功率流电机,其特征在于,所述内定子(4)凸极齿数为P si,所述内侧绕组(4-1)由对称分布的P si个套在所述内定子的凸极齿上的线圈构成,所述内侧绕组(4-1)为n相集中绕组,满足P si=2k 2 n,其中为k 2正整数;
所述内转子(3)的凸极齿的齿数为P ri,满足P ri=P si±2N2,其中N2为正整数。
7.根据权利要求1至6中任一项所述的径向磁场复合型双功率流电机,其特征在于,所述外定子(1)、所述外转子(2)、所述内定子(4)以及所述内转子(3)上的凸极齿朝向均指在径向上。
8.根据权利要求1至6中任一项所述的径向磁场复合型双功率流电机,其特征在于,所述内侧绕组(4-1)和所述外侧绕组(1-1)均为多相集中式电枢绕组。
9.根据权利要求1至6中任一项所述的径向磁场复合型双功率流电机,其特征在于,所述转子输出轴(6)的一端与所述电机转子的转子支架(12)固定连接,另一端与所述定子支架(11)通过第一轴承(7)转动连接。
10.根据权利要求1至6中任一项所述的径向磁场复合型双功率流电机,其特征在于,所述静止轴(5)与所述外定子(1)的定子支架(11)通过第二轴承(8)转动连接,与所述电机转子的转子支架(12)通过第三轴承(9)和第四轴承(10)转动连接。
CN201910873642.5A 2019-09-17 2019-09-17 径向磁场复合型双功率流电机 Active CN110635639B (zh)

Priority Applications (1)

Application Number Priority Date Filing Date Title
CN201910873642.5A CN110635639B (zh) 2019-09-17 2019-09-17 径向磁场复合型双功率流电机

Applications Claiming Priority (1)

Application Number Priority Date Filing Date Title
CN201910873642.5A CN110635639B (zh) 2019-09-17 2019-09-17 径向磁场复合型双功率流电机

Publications (2)

Publication Number Publication Date
CN110635639A true CN110635639A (zh) 2019-12-31
CN110635639B CN110635639B (zh) 2025-03-21

Family

ID=68971419

Family Applications (1)

Application Number Title Priority Date Filing Date
CN201910873642.5A Active CN110635639B (zh) 2019-09-17 2019-09-17 径向磁场复合型双功率流电机

Country Status (1)

Country Link
CN (1) CN110635639B (zh)

Cited By (1)

* Cited by examiner, † Cited by third party
Publication number Priority date Publication date Assignee Title
US20210234418A1 (en) * 2020-01-27 2021-07-29 Honeywell International Inc. Two degree-of-freedom high tilt torque motor, system, and aerial vehicle incorporating the same

Citations (9)

* Cited by examiner, † Cited by third party
Publication number Priority date Publication date Assignee Title
JPH10327564A (ja) * 1997-05-26 1998-12-08 Denso Corp 車両用駆動装置
US20040140726A1 (en) * 2001-05-05 2004-07-22 Spring Gregson William Martin Downhole torque generator
JP2007166764A (ja) * 2005-12-13 2007-06-28 Oita Univ 永久磁石回転電機
CN103997171A (zh) * 2014-05-30 2014-08-20 广州市昊志机电股份有限公司 一种新型双转子电机
CN104362822A (zh) * 2014-10-24 2015-02-18 东南大学 自弱磁复合磁通切换永磁电机
CN204633551U (zh) * 2015-06-10 2015-09-09 哈尔滨理工大学 并列式混合励磁结构的磁通调制式复合电机
CN204886609U (zh) * 2015-08-12 2015-12-16 哈尔滨理工大学 外定子磁极并列式混合励磁复合电机
WO2019127097A1 (zh) * 2017-12-26 2019-07-04 南京玛格耐特智能科技有限公司 一种大功率电磁调速电机
CN210629312U (zh) * 2019-09-17 2020-05-26 淮阴工学院 径向磁场复合型双定子电机

Patent Citations (9)

* Cited by examiner, † Cited by third party
Publication number Priority date Publication date Assignee Title
JPH10327564A (ja) * 1997-05-26 1998-12-08 Denso Corp 車両用駆動装置
US20040140726A1 (en) * 2001-05-05 2004-07-22 Spring Gregson William Martin Downhole torque generator
JP2007166764A (ja) * 2005-12-13 2007-06-28 Oita Univ 永久磁石回転電機
CN103997171A (zh) * 2014-05-30 2014-08-20 广州市昊志机电股份有限公司 一种新型双转子电机
CN104362822A (zh) * 2014-10-24 2015-02-18 东南大学 自弱磁复合磁通切换永磁电机
CN204633551U (zh) * 2015-06-10 2015-09-09 哈尔滨理工大学 并列式混合励磁结构的磁通调制式复合电机
CN204886609U (zh) * 2015-08-12 2015-12-16 哈尔滨理工大学 外定子磁极并列式混合励磁复合电机
WO2019127097A1 (zh) * 2017-12-26 2019-07-04 南京玛格耐特智能科技有限公司 一种大功率电磁调速电机
CN210629312U (zh) * 2019-09-17 2020-05-26 淮阴工学院 径向磁场复合型双定子电机

Cited By (1)

* Cited by examiner, † Cited by third party
Publication number Priority date Publication date Assignee Title
US20210234418A1 (en) * 2020-01-27 2021-07-29 Honeywell International Inc. Two degree-of-freedom high tilt torque motor, system, and aerial vehicle incorporating the same

Also Published As

Publication number Publication date
CN110635639B (zh) 2025-03-21

Similar Documents

Publication Publication Date Title
Rasmussen et al. Motor integrated permanent magnet gear with a wide torque-speed range
CN105245073B (zh) 定子永磁型双凸极盘式电机
CN108011484B (zh) 一种磁齿轮复合电机
CN105305751B (zh) 双定子无轴承五相无刷直流电机
CN105207436B (zh) 一种环形轭部电枢绕组高功率密度混合励磁永磁电动机
CN113691092B (zh) 一种不对称气隙结构双定子轴向磁场混合励磁记忆电机
CN110829662A (zh) 一种并列结构混合励磁无刷电机及其发电系统
CN106992644A (zh) 一种五自由度混合励磁磁悬浮开关磁阻电机
CN111817459A (zh) 单定子双转子轴向磁通混合定子永磁对转电机
CN112910130B (zh) 一种转子磁极调制型可变磁通记忆电机
CN205265494U (zh) 双定子无轴承五相无刷直流电机
CN110838779B (zh) 一种混合励磁绕线转子及混合励磁绕线式同步电机
CN111211659B (zh) 一种定子模块化环形绕组双转子永磁电机
CN114552925A (zh) 一种定子永磁型轴径向混合磁场永磁磁通切换电机
CN113078792B (zh) 一种轴向磁场交替极无刷混合励磁电机
CN112910131B (zh) 转子磁极调制型旁路式混合励磁电机
CN110601476A (zh) 径向磁场轴向并列复合电机
CN108418375B (zh) 一种电动汽车用多段轮辐交错转子永磁同步电机及其方法
CN107508440A (zh) 一种轴向多单元定子电励磁双极性感应子电机
CN108321999A (zh) 七相盘式永磁同步电机及方法
CN210405045U (zh) 轴向并列复合电机
CN107026544A (zh) 一种混合励磁型复合式双转子电机
CN210608875U (zh) 一种径向磁场复合型磁通切换电机
CN106451965A (zh) 一种并列式双定子永磁电机
CN112398301B (zh) 一种电动汽车用混合磁路永磁同步电机及其驱动方法

Legal Events

Date Code Title Description
PB01 Publication
PB01 Publication
SE01 Entry into force of request for substantive examination
SE01 Entry into force of request for substantive examination
GR01 Patent grant
GR01 Patent grant
TR01 Transfer of patent right

Effective date of registration: 20250513

Address after: No. 33 Zhongshan West Road, Changning District, Shanghai 200000

Patentee after: Xiao Liquan

Country or region after: China

Address before: 223005 Jiangsu city in Huaian Province, while the economic and Technological Development Zone, Road No. 1

Patentee before: HUAIYIN INSTITUTE OF TECHNOLOGY

Country or region before: China

TR01 Transfer of patent right