CN110565850B - 内凹玻璃与外凸金属板组合型装配式幕墙及施工方法 - Google Patents
内凹玻璃与外凸金属板组合型装配式幕墙及施工方法 Download PDFInfo
- Publication number
- CN110565850B CN110565850B CN201910747410.5A CN201910747410A CN110565850B CN 110565850 B CN110565850 B CN 110565850B CN 201910747410 A CN201910747410 A CN 201910747410A CN 110565850 B CN110565850 B CN 110565850B
- Authority
- CN
- China
- Prior art keywords
- curtain wall
- unit
- curtain
- metal plate
- fossil fragments
- Prior art date
- Legal status (The legal status is an assumption and is not a legal conclusion. Google has not performed a legal analysis and makes no representation as to the accuracy of the status listed.)
- Active
Links
- 229910052751 metal Inorganic materials 0.000 title claims abstract description 74
- 239000002184 metal Substances 0.000 title claims abstract description 74
- 239000011521 glass Substances 0.000 title claims abstract description 44
- 238000010276 construction Methods 0.000 title claims abstract description 22
- 239000012634 fragment Substances 0.000 claims abstract description 26
- 238000000465 moulding Methods 0.000 claims abstract description 21
- 230000000694 effects Effects 0.000 claims abstract description 16
- 229910000831 Steel Inorganic materials 0.000 claims description 37
- 239000010959 steel Substances 0.000 claims description 37
- 238000005452 bending Methods 0.000 claims description 8
- 210000003414 extremity Anatomy 0.000 claims description 8
- 230000003014 reinforcing effect Effects 0.000 claims description 3
- 238000007789 sealing Methods 0.000 claims description 3
- 210000001364 upper extremity Anatomy 0.000 claims description 3
- 239000003292 glue Substances 0.000 claims description 2
- 239000000463 material Substances 0.000 description 4
- 238000000034 method Methods 0.000 description 4
- 238000009434 installation Methods 0.000 description 3
- 238000003466 welding Methods 0.000 description 3
- 229910052782 aluminium Inorganic materials 0.000 description 2
- XAGFODPZIPBFFR-UHFFFAOYSA-N aluminium Chemical compound [Al] XAGFODPZIPBFFR-UHFFFAOYSA-N 0.000 description 2
- 230000009286 beneficial effect Effects 0.000 description 2
- 230000007547 defect Effects 0.000 description 2
- 210000003141 lower extremity Anatomy 0.000 description 2
- 238000004519 manufacturing process Methods 0.000 description 2
- 238000003825 pressing Methods 0.000 description 2
- 238000004026 adhesive bonding Methods 0.000 description 1
- 230000000712 assembly Effects 0.000 description 1
- 238000000429 assembly Methods 0.000 description 1
- 238000005516 engineering process Methods 0.000 description 1
- 238000009432 framing Methods 0.000 description 1
- 238000012986 modification Methods 0.000 description 1
- 230000004048 modification Effects 0.000 description 1
- 239000000565 sealant Substances 0.000 description 1
- 238000006467 substitution reaction Methods 0.000 description 1
- 230000000007 visual effect Effects 0.000 description 1
Images
Classifications
-
- E—FIXED CONSTRUCTIONS
- E04—BUILDING
- E04B—GENERAL BUILDING CONSTRUCTIONS; WALLS, e.g. PARTITIONS; ROOFS; FLOORS; CEILINGS; INSULATION OR OTHER PROTECTION OF BUILDINGS
- E04B2/00—Walls, e.g. partitions, for buildings; Wall construction with regard to insulation; Connections specially adapted to walls
- E04B2/88—Curtain walls
-
- E—FIXED CONSTRUCTIONS
- E04—BUILDING
- E04B—GENERAL BUILDING CONSTRUCTIONS; WALLS, e.g. PARTITIONS; ROOFS; FLOORS; CEILINGS; INSULATION OR OTHER PROTECTION OF BUILDINGS
- E04B2/00—Walls, e.g. partitions, for buildings; Wall construction with regard to insulation; Connections specially adapted to walls
- E04B2/88—Curtain walls
- E04B2/96—Curtain walls comprising panels attached to the structure through mullions or transoms
-
- E—FIXED CONSTRUCTIONS
- E04—BUILDING
- E04B—GENERAL BUILDING CONSTRUCTIONS; WALLS, e.g. PARTITIONS; ROOFS; FLOORS; CEILINGS; INSULATION OR OTHER PROTECTION OF BUILDINGS
- E04B2/00—Walls, e.g. partitions, for buildings; Wall construction with regard to insulation; Connections specially adapted to walls
- E04B2/88—Curtain walls
- E04B2/96—Curtain walls comprising panels attached to the structure through mullions or transoms
- E04B2/965—Connections of mullions and transoms
Landscapes
- Engineering & Computer Science (AREA)
- Architecture (AREA)
- Physics & Mathematics (AREA)
- Electromagnetism (AREA)
- Civil Engineering (AREA)
- Structural Engineering (AREA)
- Load-Bearing And Curtain Walls (AREA)
Abstract
本发明公开了一种内凹玻璃与外凸金属板组合型装配式幕墙及施工方法。幕墙包括幕墙龙骨单元和金属板造型单元,幕墙龙骨单元与主体结构固定,水平相邻两个幕墙龙骨单元之间挂接一金属板造型单元,各金属板造型单元从各幕墙龙骨单元所形成的竖直面向室外凸出设置,其中:上、下相邻的两个幕墙龙骨单元的立柱之间通过能够使幕墙实现双曲面效果的合页式插芯组件连接。本发明幕墙结构设计合理,受力可靠,大大减少了现场施工量和施工成本,可以实现良好的双曲面效果且曲面角度可控性好。
Description
技术领域
本发明涉及一种内凹玻璃与外凸金属板组合型装配式幕墙及其施工方法,属于幕墙领域。
背景技术
目前,随着施工技术的不断提高,建筑师们对幕墙的构造与造型提出了越来越多的要求,例如近些年出现了将内凹的玻璃幕墙与外凸的金属板造型组合起来形成的新型幕墙,这种幕墙不仅外视感好,而且具有遮阳效果好,材料使用量少等优点。但是,已有的这种内凹玻璃与外凸金属板组合型幕墙存在如下缺陷:第一,需要用转接件分别将玻璃幕墙的立柱和金属板造型的龙骨固定在主体结构的埋件上,玻璃幕墙的立柱和金属板造型的龙骨分别承担各自玻璃面板、金属板传递的荷载,这种做法耗费的材料成本相对较高。第二,玻璃幕墙的立柱、横梁需要逐根现场安装,安装工作量大,劳动成本高。
在实际施工中,玻璃幕墙的立柱也可以通过转接件固定在金属板造型的龙骨上,而仅仅金属板造型的龙骨与主体结构固定,这样,金属板造型的龙骨既要承担金属板传递的正向荷载,又要承担立柱带来的侧向荷载,因此龙骨一般会制作得很大,无形加大了材料成本,也加大了施工难度,而且仍旧存在玻璃幕墙的立柱、横梁需要逐根现场安装,安装工作量大,劳动成本高的问题。
另外,上述幕墙在实现双曲面效果时,通常是借由立柱内焊接的钢插芯在两个方向上来调整上、下相邻两个立柱之间所呈的角度,这样做的缺点是,焊接难度大,角度不好控制,施工成本高。
发明内容
本发明的目的在于提供一种内凹玻璃与外凸金属板组合型装配式幕墙及施工方法,该装配式幕墙结构设计合理,受力可靠,大大减少了现场施工量和施工成本,可以实现良好的双曲面效果且曲面角度可控性好。
为了实现上述目的,本发明采用了以下技术方案:
一种内凹玻璃与外凸金属板组合型装配式幕墙,其特征在于:它包括幕墙龙骨单元和金属板造型单元,幕墙龙骨单元与主体结构固定,水平相邻两个幕墙龙骨单元之间挂接一金属板造型单元,各金属板造型单元从各幕墙龙骨单元所形成的竖直面向室外凸出设置,其中:上、下相邻的两个幕墙龙骨单元的立柱之间通过能够使幕墙实现双曲面效果的合页式插芯组件连接,合页式插芯组件能够沿平行于幕墙龙骨单元所在竖直面的水平方向调节上、下相邻两个立柱之间的弯折角度以及沿垂直于幕墙龙骨单元所在竖直面的方向调节上、下相邻两个立柱之间的弯折角度。
一种所述的内凹玻璃与外凸金属板组合型装配式幕墙的施工方法,其特征在于,它包括步骤:
1)在主体结构上间隔地安装若干所述幕墙龙骨单元的同时,调节上下相邻两个所述幕墙龙骨单元的所述立柱之间所呈角度来实现双曲面幕墙效果,其中:所述幕墙龙骨单元的所述立柱与主体结构固定连接;
2)在水平相邻两个所述幕墙龙骨单元之间挂接所述金属板造型单元,所述金属板造型单元外凸而所述幕墙龙骨单元内凹,其中:所述金属板造型单元的平面内钢桁架挂接并固定在水平相邻两个所述幕墙龙骨单元的所述立柱之间;
3)在所述幕墙龙骨单元的框架上安装玻璃面板;
4)在水平相邻两个所述幕墙龙骨单元之间朝向室内的一侧上安装室内侧装饰板;
5)室外侧打胶密封,包括:在玻璃面板与所述金属板造型单元的金属板之间设置密封胶。
本发明的优点是:
1、内凹的幕墙龙骨单元、外凸的金属板造型单元均在工厂车间内预制形成独立单元,施工现场仅为吊装作业,解决了传统做法需要现场逐根安装玻璃幕墙立柱、横梁带来的工作量大、成本高等问题。
2、本发明装配式幕墙的结构设计合理,受力可靠,装配式的结构设计利于控制工程质量,减少现场工作量,降低成本。
3、本发明通过合页式插芯组件可在两个方向(X、Y方向)上对上、下相邻的两个立柱实现角度调整,以使幕墙实现双曲面效果,具有无焊接,易施工,角度好把控等优点。
附图说明
图1是本发明内凹玻璃与外凸金属板组合型装配式幕墙的节点横剖示意图。
图2是从图1中A向看去,平面内钢桁架的结构示意图。
图3是从图2中B向看去,D部分的局部放大示意图。
图4是从图1中A’向看去,金属板造型单元的示意图。
图5是图4的俯视示意图(未示出平面内钢桁架)。
图6是上、下相邻两个立柱之间的连接示意图。
图7是图6的侧视示意图。
图8是上合页插芯的示意图。
图9是图7中C-C向剖视示意图。
图10是本发明内凹玻璃与外凸金属板组合型装配式幕墙的施工过程示意图。
具体实施方式
如图1至图9所示,本发明内凹玻璃与外凸金属板组合型装配式幕墙包括幕墙龙骨单元10和金属板造型单元20,幕墙龙骨单元10与主体结构固定,水平相邻两个幕墙龙骨单元10之间挂接一金属板造型单元20,各金属板造型单元20从各幕墙龙骨单元10所形成的竖直面向室外凸出设置,即金属板造型单元20呈外凸,幕墙龙骨单元10呈内凹,其中:上、下相邻的两个幕墙龙骨单元10的立柱11之间通过能够使幕墙实现双曲面效果的合页式插芯组件连接,合页式插芯组件能够沿平行于幕墙龙骨单元10所在竖直面的水平方向(Y方向)调节上、下相邻两个立柱11之间的弯折角度以及沿垂直于幕墙龙骨单元10所在竖直面的方向(X方向)调节上、下相邻两个立柱11之间的弯折角度。
在本发明中,幕墙龙骨单元10包括由立柱11和横梁12构成的框架,横梁12的两端通过螺钉与相应一立柱11的内侧壁固定连接,立柱11与主体结构固定连接(如挂装等,不受局限),立柱11的外侧壁设有用于固定L型连接件51的通长卡槽111。
当然,立柱11的室外侧壁上还设有用于固定压块的突出槽、用于嵌设密封胶条的嵌槽等结构,这些结构是本领域已有立柱通常具有的结构,故不在这里详述。
如图1,幕墙龙骨单元10的框架上安装玻璃面板30。
在实际应用中,若幕墙龙骨单元10在水平方向(Y方向)上分成两个或两个以上的框格,则幕墙龙骨单元10的横梁12通长设置,在两个立柱11之间设置中间立柱13,如图10,中间立柱13与上、下面的横梁12固定连接,且上、下相邻的两个幕墙龙骨单元10的中间立柱13之间不连接,即断开设置。
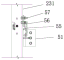
如图1,金属板造型单元20包括竖直设置的平面内钢桁架23,其中:平面内钢桁架23的室内侧顶部与立柱11顶部挂接后,平面内钢桁架23的室内侧中部、底部分别与立柱11中部、底部固定连接;平面内钢桁架23的室外侧竖向布设有若干外凸框架21,各外凸框架21上下间隔设置且不与平面内钢桁架23固定连接,各外凸框架21朝向室外的部分被金属板22(如铝板)包裹的同时,外凸框架21通过固定螺栓213与金属板22固定连接,金属板22朝室内伸出外凸框架21的部分通过紧定螺钉53与平面内钢桁架23的侧壁固定连接,以使金属板22包裹着外凸框架21而与平面内钢桁架23构成一个整体。
如图1至图3,平面内钢桁架23顶部固定有一Z型连接件55,其中:一L型连接件51的一侧板卡在立柱11外侧壁的卡槽111内后与立柱11通过螺钉59固定连接,Z型连接件55的上肢腿通过锁紧螺栓57固定于平面内钢桁架23的室内侧顶部,Z型连接件55的下肢腿挂接在L型连接件51的另一侧板上,Z型连接件55的中间连接部竖向螺接有调节螺钉56,调节螺钉56具有承重的作用外,通过调节其与L型连接件51的抵顶高度而可达到上下微调的目的,从而调节了金属板造型单元20的竖向偏差。
在实际中,如图3,L型连接件51的侧板与Z型连接件55的下肢腿之间还可安装螺钉等部件,以使平面内钢桁架23不发生倾斜摇晃。
如图1、图2,平面内钢桁架23的室内侧中部、底部均固定有一L型连接件51,其中:L型连接件51的一侧板通过定位螺栓52与平面内钢桁架23螺栓固定连接,L型连接件51的另一侧板卡在立柱11上的卡槽111内后与立柱11通过螺钉59固定连接。如图1和图2,平面内钢桁架23的室内侧中部的L型连接件51卡接并固定在立柱11外侧壁卡槽111的中部位置内,平面内钢桁架23的室内侧底部的L型连接件51卡接并固定在立柱11外侧壁卡槽111的底部位置内。
在本发明中,Z型连接件55包括中间连接部,中间连接部的两端分别连接有上、下肢腿而形成Z状。Z型连接件55具有抵抗活荷载的作用。
在本发明中,L型连接件51由两个侧板互相连接形成L状。L型连接件51的侧板上可设有锯齿,安装定位螺栓52时,可通过套于定位螺栓52上、同样具有锯齿的垫板54来在Y方向上对平面内钢桁架23进行水平调节。
如图2,平面内钢桁架23包括由竖龙骨231、横龙骨232和斜支撑龙骨233构成的矩形体框架,其中,处于室内侧的竖龙骨231上用于安装Z型连接件55、L型连接件51。在实际制作中,竖龙骨231、横龙骨232和斜支撑龙骨233可采用角钢。
在本发明中,平面内钢桁架23和立柱11的顶部设计的Z型连接件55和L型连接件51用来共同承担金属板造型单元20的恒荷载和活荷载,平面内钢桁架23和立柱11的中部、底部设计的L型连接件51用来承担金属板造型单元20的活荷载。
如图1、图5,外凸框架21包括由横杆211和斜向加强肋212构成的矩形框。在实际制作中,横杆211、斜向加强肋212可采用角钢。
如图6至图9,合页式插芯组件包括置于上面的幕墙龙骨单元10的立柱11内腔中的上插芯61和置于下面的幕墙龙骨单元10的立柱11内腔中的下插芯62,上插芯61的内腔中设有上合页插芯63,上合页插芯63置于上插芯61内腔的部分通过锁定螺栓66与上插芯61螺栓固定连接,下插芯62的内腔中设有下合页插芯64,下合页插芯64置于下插芯62内腔的部分通过锁定螺栓66与下插芯62螺栓固定连接,上合页插芯63向下伸出上插芯61内腔的部分与下合页插芯64向上伸出下插芯62内腔的部分通过销轴65连接。
在本发明中,上合页插芯63与下合页插芯64之间的合页式连接的结构设计,使得能够沿Y方向对上、下相邻两个立柱11之间的弯折角度进行调节。
在本发明中,如图9,上插芯61、下插芯62通过支脚67的设计而可稳固地卡在立柱11的内腔中。图9示出了下插芯62卡在立柱11内腔中的情形,与上插芯61卡在立柱11内腔中的情形相同,因此,上插芯61卡在立柱11内腔中的情形可参考图9来理解。
在本发明中,上合页插芯63、下合页插芯64均包括平直肢板,平直肢板的一端设有圆端头,圆端头上设有销孔,其中:平直肢板朝向室外、室内的两侧壁铣切成斜面,来使得能够沿X方向对上、下相邻两个立柱11之间的弯折角度进行调节。
图8示出了上合页插芯63的情形,上合页插芯63包括平直肢板631,平直肢板631的一端设有圆端头632,圆端头632上设有销孔633。下合页插芯64的结构与上合页插芯63的结构相同,可参考图8来理解。
在本发明中,如图1,金属板造型单元20外凸布置,金属板造型单元20与和其水平相邻的两个幕墙龙骨单元10之间形成朝向室内开口的空腔,较佳地,在水平相邻两个幕墙龙骨单元10之间朝向室内的一侧上安装室内侧装饰板40,以将上述开口封住。
在本发明中,定义在水平面内互相垂直的X方向与Y方向。如图1,X方向为垂直于幕墙龙骨单元10所在竖直面的方向,或者说X方向为室内与室外所在的方向,而Y方向为平行于幕墙龙骨单元10所在竖直面的水平方向。
如图10,本发明还提出了一种内凹玻璃与外凸金属板组合型装配式幕墙的施工方法,它包括步骤:
1)在主体结构上间隔地安装若干幕墙龙骨单元10的同时,沿X、Y方向调节上下相邻两个幕墙龙骨单元10的立柱11之间所呈角度来实现双曲面幕墙效果,其中:幕墙龙骨单元10的立柱11与主体结构固定连接,并且当实现预期的双曲面幕墙效果后,应将合页式插芯组件的销轴65进行锁定,以使上下相邻两个立柱11之间保持已调节的角度;
2)在水平相邻两个幕墙龙骨单元10之间挂接金属板造型单元20,金属板造型单元20外凸而幕墙龙骨单元10内凹,其中:金属板造型单元20的平面内钢桁架23挂接并固定在水平相邻两个幕墙龙骨单元10的立柱11之间;
3)在幕墙龙骨单元10的框架上安装(通过压块安装)玻璃面板30;
4)在水平相邻两个幕墙龙骨单元10之间朝向室内的一侧上安装室内侧装饰板40(如铝板),于是施工出本发明内凹玻璃与外凸金属板组合型装配式幕墙;
5)本发明内凹玻璃与外凸金属板组合型装配式幕墙的室外侧打胶密封,包括:在玻璃面板30与金属板造型单元20的金属板22之间设置密封胶70。
当然,在实际施工中,玻璃面板30也可在工厂车间内预先安装(粘贴)在幕墙龙骨单元10上,与幕墙龙骨单元10组成幕墙单元而运输到施工现场进行吊装作业。
在本发明中,玻璃面板30在幕墙龙骨单元10的框架上的安装过程为本领域的熟知技术。
本发明的优点是:
1、内凹的幕墙龙骨单元、外凸的金属板造型单元均在工厂车间内预制形成独立单元,施工现场仅为吊装作业,解决了传统做法需要现场逐根安装玻璃幕墙立柱、横梁带来的工作量大、成本高等问题。
2、本发明装配式幕墙的结构设计合理,受力可靠,装配式的结构设计利于控制工程质量,减少现场工作量,降低成本。
3、本发明通过合页式插芯组件可在两个方向(X、Y方向)上对上、下相邻的两个立柱实现角度调整,以使幕墙实现双曲面效果,具有无焊接,易施工,角度好把控等优点。
4、本发明不仅实现了幕墙的装配式施工,大大减少了现场工作量,而且可充分利用平面内钢桁架的平面内刚度,减小立柱的型材截面宽度d,节约了材料成本的同时,实现了纤细的建筑效果。
以上所述是本发明较佳实施例及其所运用的技术原理,对于本领域的技术人员来说,在不背离本发明的精神和范围的情况下,任何基于本发明技术方案基础上的等效变换、简单替换等显而易见的改变,均属于本发明保护范围之内。
Claims (9)
1.一种内凹玻璃与外凸金属板组合型装配式幕墙,其特征在于:它包括幕墙龙骨单元和金属板造型单元,幕墙龙骨单元与主体结构固定,水平相邻两个幕墙龙骨单元之间挂接一金属板造型单元,各金属板造型单元从各幕墙龙骨单元所形成的竖直面向室外凸出设置,其中:上、下相邻的两个幕墙龙骨单元的立柱之间通过能够使幕墙实现双曲面效果的合页式插芯组件连接,合页式插芯组件能够沿平行于幕墙龙骨单元所在竖直面的水平方向调节上、下相邻两个立柱之间的弯折角度以及沿垂直于幕墙龙骨单元所在竖直面的方向调节上、下相邻两个立柱之间的弯折角度;合页式插芯组件包括置于上面的幕墙龙骨单元的立柱内腔中的上插芯和置于下面的幕墙龙骨单元的立柱内腔中的下插芯,上插芯的内腔中设有上合页插芯,上合页插芯置于上插芯内腔的部分与上插芯螺栓固定连接,下插芯的内腔中设有下合页插芯,下合页插芯置于下插芯内腔的部分与下插芯螺栓固定连接,上合页插芯向下伸出上插芯内腔的部分与下合页插芯向上伸出下插芯内腔的部分通过销轴连接。
2.如权利要求1所述的内凹玻璃与外凸金属板组合型装配式幕墙,其特征在于:
所述幕墙龙骨单元包括由所述立柱和横梁构成的框架,所述立柱与所述主体结构固定连接,所述立柱的外侧壁设有用于固定L型连接件的通长卡槽。
3.如权利要求2所述的内凹玻璃与外凸金属板组合型装配式幕墙,其特征在于:
所述幕墙龙骨单元的所述框架上安装玻璃面板。
4.如权利要求3所述的内凹玻璃与外凸金属板组合型装配式幕墙,其特征在于:
若所述幕墙龙骨单元在水平方向上分成两个或两个以上的框格,则所述幕墙龙骨单元的所述横梁通长设置,在两个所述立柱之间设置中间立柱,中间立柱与上、下面的所述横梁固定连接,且上、下相邻的两个所述幕墙龙骨单元的中间立柱之间不连接。
5.如权利要求2所述的内凹玻璃与外凸金属板组合型装配式幕墙,其特征在于:
所述金属板造型单元包括平面内钢桁架,其中:平面内钢桁架的室内侧顶部与所述立柱顶部挂接后,平面内钢桁架的室内侧中部、底部分别与所述立柱中部、底部固定连接;平面内钢桁架的室外侧竖向布设有若干外凸框架,各外凸框架朝向室外的部分被金属板包裹的同时,外凸框架与金属板固定连接,金属板朝室内伸出外凸框架的部分与平面内钢桁架的侧壁固定连接。
6.如权利要求5所述的内凹玻璃与外凸金属板组合型装配式幕墙,其特征在于:
所述平面内钢桁架顶部固定有一Z型连接件,其中:一L型连接件的一侧板卡在所述立柱外侧壁的所述卡槽内后与所述立柱固定连接,Z型连接件的上肢腿固定于所述平面内钢桁架的室内侧顶部,Z型连接件的下肢腿挂接在L型连接件的另一侧板上,Z型连接件的中间连接部竖向螺接有调节螺钉;
所述平面内钢桁架的室内侧中部、底部均固定有一L型连接件,其中:L型连接件的一侧板与所述平面内钢桁架螺栓固定连接,L型连接件的另一侧板卡在所述立柱上的所述卡槽内后与所述立柱固定连接。
7.如权利要求5所述的内凹玻璃与外凸金属板组合型装配式幕墙,其特征在于:
所述平面内钢桁架包括由竖龙骨、横龙骨和斜支撑龙骨构成的矩形体框架;
所述外凸框架包括由横杆和斜向加强肋构成的矩形框。
8.如权利要求1所述的内凹玻璃与外凸金属板组合型装配式幕墙,其特征在于:
所述上合页插芯、所述下合页插芯均包括平直肢板,平直肢板的一端设有圆端头,圆端头上设有销孔,其中:平直肢板朝向室外、室内的两侧壁铣切成斜面。
9.一种权利要求1至8中任一项所述的内凹玻璃与外凸金属板组合型装配式幕墙的施工方法,其特征在于,它包括步骤:
1)在主体结构上间隔地安装若干所述幕墙龙骨单元的同时,调节上下相邻两个所述幕墙龙骨单元的所述立柱之间所呈角度来实现双曲面幕墙效果,其中:所述幕墙龙骨单元的所述立柱与主体结构固定连接;
2)在水平相邻两个所述幕墙龙骨单元之间挂接所述金属板造型单元,所述金属板造型单元外凸而所述幕墙龙骨单元内凹,其中:所述金属板造型单元的平面内钢桁架挂接并固定在水平相邻两个所述幕墙龙骨单元的所述立柱之间;
3)在所述幕墙龙骨单元的框架上安装玻璃面板;
4)在水平相邻两个所述幕墙龙骨单元之间朝向室内的一侧上安装室内侧装饰板;
5)室外侧打胶密封,包括:在玻璃面板与所述金属板造型单元的金属板之间设置密封胶。
Priority Applications (1)
| Application Number | Priority Date | Filing Date | Title |
|---|---|---|---|
| CN201910747410.5A CN110565850B (zh) | 2019-08-13 | 2019-08-13 | 内凹玻璃与外凸金属板组合型装配式幕墙及施工方法 |
Applications Claiming Priority (1)
| Application Number | Priority Date | Filing Date | Title |
|---|---|---|---|
| CN201910747410.5A CN110565850B (zh) | 2019-08-13 | 2019-08-13 | 内凹玻璃与外凸金属板组合型装配式幕墙及施工方法 |
Publications (2)
| Publication Number | Publication Date |
|---|---|
| CN110565850A CN110565850A (zh) | 2019-12-13 |
| CN110565850B true CN110565850B (zh) | 2020-10-23 |
Family
ID=68775341
Family Applications (1)
| Application Number | Title | Priority Date | Filing Date |
|---|---|---|---|
| CN201910747410.5A Active CN110565850B (zh) | 2019-08-13 | 2019-08-13 | 内凹玻璃与外凸金属板组合型装配式幕墙及施工方法 |
Country Status (1)
| Country | Link |
|---|---|
| CN (1) | CN110565850B (zh) |
Families Citing this family (4)
| Publication number | Priority date | Publication date | Assignee | Title |
|---|---|---|---|---|
| CN110965682A (zh) * | 2019-12-18 | 2020-04-07 | 北京凌云宏达幕墙工程有限公司 | 一种组合式三维调节幕墙系统及其施工方法 |
| CN120575655A (zh) * | 2020-06-22 | 2025-09-02 | 中筑建科(北京)技术有限公司 | 组合式隔墙轻钢龙骨 |
| CN112746698B (zh) * | 2020-12-30 | 2022-07-12 | 苏州苏明装饰股份有限公司 | 带装饰线条的幕墙单元体 |
| CN116876725B (zh) * | 2023-09-06 | 2023-12-01 | 北京市建筑设计研究院有限公司 | 一种含多角度式通风口的组合幕墙结构 |
Citations (6)
| Publication number | Priority date | Publication date | Assignee | Title |
|---|---|---|---|---|
| CN201087487Y (zh) * | 2007-09-10 | 2008-07-16 | 广东金刚幕墙工程有限公司 | 背栓式金属板干挂幕墙 |
| CN102505783A (zh) * | 2011-10-10 | 2012-06-20 | 苏州柯利达装饰股份有限公司 | 相邻面板错位单元幕墙系统 |
| CN107574958A (zh) * | 2017-08-30 | 2018-01-12 | 沈阳远大铝业工程有限公司 | 一种立体调节式单元幕墙挂接系统 |
| CN108396894A (zh) * | 2018-03-06 | 2018-08-14 | 武汉凌云建筑装饰工程有限公司 | 一种双曲面异型幕墙系统 |
| CN207919824U (zh) * | 2017-12-20 | 2018-09-28 | 沈阳远大铝业工程有限公司 | 一种多向调节的双曲铝板幕墙 |
| CN209053296U (zh) * | 2018-10-25 | 2019-07-02 | 宁波建工建乐工程有限公司 | 一种利用平板玻璃和弧形胶条适应整体曲面造型的结构 |
-
2019
- 2019-08-13 CN CN201910747410.5A patent/CN110565850B/zh active Active
Patent Citations (6)
| Publication number | Priority date | Publication date | Assignee | Title |
|---|---|---|---|---|
| CN201087487Y (zh) * | 2007-09-10 | 2008-07-16 | 广东金刚幕墙工程有限公司 | 背栓式金属板干挂幕墙 |
| CN102505783A (zh) * | 2011-10-10 | 2012-06-20 | 苏州柯利达装饰股份有限公司 | 相邻面板错位单元幕墙系统 |
| CN107574958A (zh) * | 2017-08-30 | 2018-01-12 | 沈阳远大铝业工程有限公司 | 一种立体调节式单元幕墙挂接系统 |
| CN207919824U (zh) * | 2017-12-20 | 2018-09-28 | 沈阳远大铝业工程有限公司 | 一种多向调节的双曲铝板幕墙 |
| CN108396894A (zh) * | 2018-03-06 | 2018-08-14 | 武汉凌云建筑装饰工程有限公司 | 一种双曲面异型幕墙系统 |
| CN209053296U (zh) * | 2018-10-25 | 2019-07-02 | 宁波建工建乐工程有限公司 | 一种利用平板玻璃和弧形胶条适应整体曲面造型的结构 |
Also Published As
| Publication number | Publication date |
|---|---|
| CN110565850A (zh) | 2019-12-13 |
Similar Documents
| Publication | Publication Date | Title |
|---|---|---|
| CN110565850B (zh) | 内凹玻璃与外凸金属板组合型装配式幕墙及施工方法 | |
| CN215106409U (zh) | 单元体板块用安装支座 | |
| CN214195149U (zh) | 易于安装调节的嵌入式单元幕墙窗 | |
| CN209975808U (zh) | 一种单元式复合墙体及连接结构 | |
| CN115573498B (zh) | 一种装配式倾斜三角折叠异型铝板造型系统 | |
| CN215213013U (zh) | 挂钩式幕墙窗 | |
| CN216380168U (zh) | 一种一体式双层铝板隔热单元幕墙 | |
| CN212200921U (zh) | 幕墙立柱上下端隐蔽式插芯转接装置 | |
| CN119754422B (zh) | 一种三角形整体式装配房屋及其施工方法 | |
| CN223135428U (zh) | 一种装配式三角形幕墙的一体化安装结构 | |
| CN222782252U (zh) | 一种集成装配式钢结构建筑 | |
| CN220035839U (zh) | 便于安装的t型铝合金构件式幕墙 | |
| CN220504273U (zh) | 一种装配式外遮阳装饰结构 | |
| CN215889782U (zh) | 基于铝合金门窗组合一体化的金属板线条 | |
| CN219710740U (zh) | 建筑墙体和装配式建筑 | |
| CN222810282U (zh) | 一种建筑玻璃砖墙承重结构 | |
| CN217105745U (zh) | 单元体幕墙挂件转角侧挂结构 | |
| CN222759180U (zh) | 一种装配式防流挂金属板装饰线条幕墙系统 | |
| CN216713494U (zh) | 一种折线错位单元幕墙 | |
| CN214498015U (zh) | 开放式石材幕墙 | |
| CN218028378U (zh) | 一种与幕墙结合的阳光房 | |
| CN220908827U (zh) | 一种凹廊处幕墙安装系统 | |
| CN222701298U (zh) | 幕墙底部节能保温收口构造 | |
| CN219386791U (zh) | 一种幕墙的支撑结构 | |
| CN115897875B (zh) | 一种非预应力拉杆玻璃幕墙系统 |
Legal Events
| Date | Code | Title | Description |
|---|---|---|---|
| PB01 | Publication | ||
| PB01 | Publication | ||
| SE01 | Entry into force of request for substantive examination | ||
| SE01 | Entry into force of request for substantive examination | ||
| GR01 | Patent grant | ||
| GR01 | Patent grant |