CN110323602B - Installation structure and installation method of bent contacts - Google Patents

Installation structure and installation method of bent contacts Download PDF

Info

Publication number
CN110323602B
CN110323602B CN201810286527.3A CN201810286527A CN110323602B CN 110323602 B CN110323602 B CN 110323602B CN 201810286527 A CN201810286527 A CN 201810286527A CN 110323602 B CN110323602 B CN 110323602B
Authority
CN
China
Prior art keywords
vertical
installation cavity
horizontal
conductor
section conductor
Prior art date
Legal status (The legal status is an assumption and is not a legal conclusion. Google has not performed a legal analysis and makes no representation as to the accuracy of the status listed.)
Active
Application number
CN201810286527.3A
Other languages
Chinese (zh)
Other versions
CN110323602A (en
Inventor
苏雯
Current Assignee (The listed assignees may be inaccurate. Google has not performed a legal analysis and makes no representation or warranty as to the accuracy of the list.)
China Aviation Optical Electrical Technology Co Ltd
Original Assignee
China Aviation Optical Electrical Technology Co Ltd
Priority date (The priority date is an assumption and is not a legal conclusion. Google has not performed a legal analysis and makes no representation as to the accuracy of the date listed.)
Filing date
Publication date
Application filed by China Aviation Optical Electrical Technology Co Ltd filed Critical China Aviation Optical Electrical Technology Co Ltd
Priority to CN201810286527.3A priority Critical patent/CN110323602B/en
Publication of CN110323602A publication Critical patent/CN110323602A/en
Application granted granted Critical
Publication of CN110323602B publication Critical patent/CN110323602B/en
Active legal-status Critical Current
Anticipated expiration legal-status Critical

Links

Images

Classifications

    • HELECTRICITY
    • H01ELECTRIC ELEMENTS
    • H01RELECTRICALLY-CONDUCTIVE CONNECTIONS; STRUCTURAL ASSOCIATIONS OF A PLURALITY OF MUTUALLY-INSULATED ELECTRICAL CONNECTING ELEMENTS; COUPLING DEVICES; CURRENT COLLECTORS
    • H01R13/00Details of coupling devices of the kinds covered by groups H01R12/70 or H01R24/00 - H01R33/00
    • H01R13/02Contact members
    • HELECTRICITY
    • H01ELECTRIC ELEMENTS
    • H01RELECTRICALLY-CONDUCTIVE CONNECTIONS; STRUCTURAL ASSOCIATIONS OF A PLURALITY OF MUTUALLY-INSULATED ELECTRICAL CONNECTING ELEMENTS; COUPLING DEVICES; CURRENT COLLECTORS
    • H01R13/00Details of coupling devices of the kinds covered by groups H01R12/70 or H01R24/00 - H01R33/00
    • H01R13/40Securing contact members in or to a base or case; Insulating of contact members
    • H01R13/42Securing in a demountable manner
    • H01R13/436Securing a plurality of contact members by one locking piece or operation
    • HELECTRICITY
    • H01ELECTRIC ELEMENTS
    • H01RELECTRICALLY-CONDUCTIVE CONNECTIONS; STRUCTURAL ASSOCIATIONS OF A PLURALITY OF MUTUALLY-INSULATED ELECTRICAL CONNECTING ELEMENTS; COUPLING DEVICES; CURRENT COLLECTORS
    • H01R13/00Details of coupling devices of the kinds covered by groups H01R12/70 or H01R24/00 - H01R33/00
    • H01R13/46Bases; Cases
    • H01R13/502Bases; Cases composed of different pieces
    • HELECTRICITY
    • H01ELECTRIC ELEMENTS
    • H01RELECTRICALLY-CONDUCTIVE CONNECTIONS; STRUCTURAL ASSOCIATIONS OF A PLURALITY OF MUTUALLY-INSULATED ELECTRICAL CONNECTING ELEMENTS; COUPLING DEVICES; CURRENT COLLECTORS
    • H01R43/00Apparatus or processes specially adapted for manufacturing, assembling, maintaining, or repairing of line connectors or current collectors or for joining electric conductors
    • H01R43/20Apparatus or processes specially adapted for manufacturing, assembling, maintaining, or repairing of line connectors or current collectors or for joining electric conductors for assembling or disassembling contact members with insulating base, case or sleeve

Landscapes

  • Engineering & Computer Science (AREA)
  • Manufacturing & Machinery (AREA)
  • Connector Housings Or Holding Contact Members (AREA)
  • Coupling Device And Connection With Printed Circuit (AREA)

Abstract

本发明涉及电连接器技术领域,具体涉及一种弯式接触件的安装结构及安装方法。弯式接触件的安装结构包括弯式接触件和用于容纳弯式接触件的连接器壳体,所述弯式接触件包括沿水平方向布置的水平段导体,还包括与水平段导体呈L型设置的竖直段导体,连接器壳体内设有与水平段导体对应的水平安装腔和与竖直段导体对应的竖直安装腔,水平段导体与竖直段导体为一体式结构;水平安装腔靠近竖直安装腔的一端设有供水平段导体沿水平安装腔轴向插入的第一开口,竖直安装腔靠近水平安装腔的一端设有供竖直段导体以翻转和/或平移的运动方式进入到竖直安装腔内的第二开口,水平安装腔和竖直安装腔通过第一开口与第二开口对接固定形成所述连接器壳体。

Figure 201810286527

The invention relates to the technical field of electrical connectors, in particular to an installation structure and an installation method of a bent contact piece. The installation structure of the bent contact includes a bent contact and a connector housing for accommodating the bent contact. The bent contact includes a horizontal segment conductor arranged in a horizontal direction, and also includes an L-shaped contact with the horizontal segment conductor. The vertical section conductors are arranged in a vertical section, the connector housing is provided with a horizontal installation cavity corresponding to the horizontal section conductor and a vertical installation cavity corresponding to the vertical section conductor, and the horizontal section conductor and the vertical section conductor are integrated structure; One end of the installation cavity close to the vertical installation cavity is provided with a first opening for the horizontal section conductor to be inserted axially along the horizontal installation cavity, and one end of the vertical installation cavity close to the horizontal installation cavity is provided with a vertical section conductor for turning and/or translation. into the second opening in the vertical installation cavity in a moving manner, the horizontal installation cavity and the vertical installation cavity are butted and fixed through the first opening and the second opening to form the connector housing.

Figure 201810286527

Description

Mounting structure and mounting method of bent contact
Technical Field
The invention relates to the technical field of electric connectors, in particular to a mounting structure and a mounting method of a bent contact element.
Background
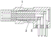
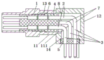
The contact is often used for transmitting signals, taking a bent contact for transmitting differential signals as an example, as shown in fig. 1 to 2, the differential connector includes an outer conductor 1 and a central conductor disposed in the outer conductor 1, the central conductor is a bent contact formed by welding conductors arranged in a transverse direction and a longitudinal direction perpendicular to each other, and includes a horizontal section conductor 2 and a vertical section conductor 3 respectively, and a mounting cavity for accommodating the corresponding horizontal section conductor 2 and the vertical section conductor 3 is disposed in the outer conductor 1. Fig. 1 and fig. 2 are different in that the lap joint modes of the horizontal conductor 2 and the vertical conductor 3 are different, in fig. 1, the horizontal conductor 2 is provided with a slot for inserting the vertical conductor 3, and in fig. 2, the vertical conductor 3 is provided with a slot for inserting the horizontal conductor 2, and in any lap joint mode, technicians are all welded at the lap joint to weld the horizontal conductor 2 and the vertical conductor 3 into a whole.
However, there are problems that the assembly size of the outer conductor 1, the horizontal section conductor 2 and the vertical section conductor 3 is compact, and when a technician welds the center conductor in the outer conductor 1, the operation space is small, the welding time is long and the efficiency is low; in addition, when the process of using the soldering tin wire is used for welding the printed circuit board, if the welding time is too long or the welding temperature is too high, the parts adopting the soldering tin process in the horizontal section conductor 2 and the vertical section conductor 3 can be melted and even separated, and the transmission of differential signals and the normal use of the differential connector are influenced.
Disclosure of Invention
The invention aims to provide a mounting structure of a bent contact element, which can solve the problem of difficult assembly of the bent contact element in the prior art, thereby improving the assembly efficiency; it is another object of the present invention to provide a method of mounting a bent contact.
In order to achieve the purpose, the mounting structure of the bent contact element adopts the following technical scheme:
the installation structure of the bent contact element comprises the bent contact element and a connector shell for accommodating the bent contact element, wherein the bent contact element comprises a horizontal section conductor arranged along the horizontal direction and a vertical section conductor arranged in an L shape with the horizontal section conductor; the one end that the horizontal installation cavity is close to vertical installation cavity is equipped with the first opening that supplies horizontal section conductor to follow horizontal installation cavity axial male, the one end that vertical installation cavity is close to the horizontal installation cavity is equipped with the second opening that supplies vertical section conductor to enter into vertical installation cavity with the motion mode of upset and/or translation, horizontal installation cavity and vertical installation cavity form through first opening and second opening butt joint are fixed the connector housing.
The beneficial effects are that: the assembly type bent contact piece in the prior art is replaced by the integrated bent contact piece, the operation difficulty of technical personnel is reduced, the assembly efficiency of a differential connector is improved, the connector shell is designed to be of a split structure, the corresponding part of the bent contact piece can be inserted into the corresponding installation cavity through the first opening or the second opening, and the bending part for connecting a horizontal section conductor and a vertical section conductor is arranged in the vertical section installation cavity and comprises an avoiding cavity capable of avoiding the bending part, the steering movement of the bending part in the vertical installation cavity cannot be interfered, the integrated bent contact piece can be assembled into the connector shell by the technical personnel conveniently, the bent contact piece can be assembled into the connector shell completely, other processing tools are not needed in the whole assembly process, and the assembly efficiency is high.
Furthermore, insulators used for supporting the bent contact elements are arranged in the horizontal installation cavity and/or the vertical installation cavity.
The beneficial effects are that: the insulator is arranged in the connector shell, so that the insulator can not only ensure the insulation effect of the bent contact element and the connector shell, but also support the bent contact element arranged in the connector shell, the stability of the bent contact element is ensured, and the insulation effect can be further improved.
Furthermore, a horizontal section insulator used for supporting and fixing a horizontal section conductor is arranged in the horizontal installation cavity, a stepped stopping structure back to the vertical installation cavity is arranged on the outer peripheral surface of the horizontal section insulator, and a stopping step facing one end of the vertical installation cavity is arranged on the inner wall of the horizontal installation cavity.
The beneficial effects are that: the horizontal insulator is provided with the stop structure matched with the connector shell in a stop mode, the horizontal insulator cannot move along the axis of the horizontal insulator in the horizontal installation cavity, the stability of the horizontal conductor is guaranteed, the stepped surface and the stop step form the stop structure, the form is simple, the matching relation is stable, and technicians can conveniently achieve the stop structure in the horizontal insulator and the horizontal installation cavity.
Furthermore, a vertical section insulator used for supporting and fixing a vertical section conductor is arranged in the vertical installation cavity, the vertical section insulator is arranged at one end, far away from the horizontal installation cavity, in the vertical installation cavity, a boss is arranged on the inner wall of the vertical installation cavity and faces away from one end of the horizontal installation cavity, and the end face of the vertical section insulator is matched with the boss in a blocking mode.
The beneficial effects are that: keep away from one of horizontal installation cavity in vertical installation cavity and serve and set up vertical section insulator, can enough guarantee the inside and external insulation of connector housing, can support fixedly again vertical section conductor, guaranteed the stability of whole curved contact in the connector housing to use the terminal surface cooperation of boss and vertical section insulator, simple structure can guarantee the installation stability of vertical section insulator.
Further, the vertical section insulator is arranged in parallel and level with the end of the vertical installation cavity.
The beneficial effects are that: the end parts of the vertical section insulator and the vertical section installation cavity are arranged in parallel and level mode, and a reference surface is provided for assembling the vertical section insulator.
Further, the vertical conductor is shorter than the horizontal conductor in the bent contact.
The beneficial effects are that: the length of the vertical conductor is less than that of the horizontal conductor, so that technicians can conveniently install the vertical conductor into the vertical installation cavity.
Further, the end of the vertical conductor extends out of the vertical installation cavity.
The beneficial effects are that: the end of the vertical segment conductor is extended out of the vertical mounting cavity to facilitate electrical connection with other connectors.
Further, the cross sections of the horizontal installation cavity and the vertical installation cavity are circular.
The beneficial effects are that: the cross section of the mounting cavity is set to be circular, so that the utilization rate of space can be improved.
Furthermore, the bent contact piece is an integrally formed piece.
The beneficial effects are that: the bent contact piece is integrally formed, so that the processing of horizontal section conductors and vertical section conductors in the bent contact piece is reduced, and the assembly efficiency is improved.
Further, the horizontal installation cavity and the vertical installation cavity are formed by performing interference fit on the first opening and the second opening to form the connector shell.
The beneficial effects are that: the horizontal installation cavity and the vertical installation cavity which form the connector shell are assembled in an interference fit mode, the operation is simple, and the assembling efficiency is high.
In order to achieve the purpose, the mounting method of the bent contact element adopts the following technical scheme:
a method of mounting a bent contact, the method comprising the steps of: the method comprises the following steps that firstly, a vertical section conductor in the bent contact piece with the integrated structure is installed in a vertical installation cavity in an overturning and/or translating mode through an opening formed in the vertical installation cavity, and the vertical section conductor is adjusted to be in the vertical direction in the vertical installation cavity; secondly, a horizontal installation cavity in the connector shell is butted with an opening formed in a vertical installation cavity so that a horizontal section conductor in the bent contact piece with the integrated structure is installed in the horizontal installation cavity in a translation mode; and step three, fixedly butting the vertical installation cavity and the horizontal installation cavity to form a connector shell.
The beneficial effects are that: the vertical section of the conductor in the bent contact piece is assembled in the vertical installation cavity through overturning, translation or a movement mode combining overturning and translation, so that the assembly problem of the bent contact piece can be solved, and the bent contact piece can be integrally processed and then assembled in a shell of the connector.
Furthermore, in the process of installing the vertical section conductor, the horizontal section conductor is moved along the horizontal direction to enable the vertical section conductor to be integrally translated into the vertical installation cavity through the opening formed in the vertical installation cavity, and the vertical section conductor is translated downwards to the installation position in the vertical installation cavity.
The beneficial effects are that: the vertical section conductor enters the vertical installation cavity through the opening in an integral translation mode, the operation is simple, and the assembly efficiency is high.
Furthermore, in the process of installing the vertical section conductor, the horizontal section conductor is moved along the inclined direction to enable the vertical section conductor to enter the vertical installation cavity through the opening arranged in the vertical installation cavity along the inclined direction, and the vertical section conductor is overturned in the vertical installation cavity to be arranged along the vertical direction.
The beneficial effects are that: the vertical section conductor is inserted into the vertical installation cavity through the opening in a mode of integral oblique movement, the operation is simple, and the assembly efficiency is high.
Furthermore, in the process of installing the vertical section conductor, the end part of the vertical section conductor is inserted into the opening of the vertical installation cavity, then the bent contact element is rotated to enable the vertical section conductor to turn over and enter the vertical installation cavity, and finally the vertical section conductor is adjusted in the vertical installation cavity to be arranged along the vertical direction.
The beneficial effects are that: the vertical section conductor is assembled in the vertical installation cavity in a motion mode of combining overturning and translation, so that the direct interference between the vertical section conductor and the inner wall of the vertical installation cavity can be avoided, the assembly mode is flexible, and the operation of technicians is facilitated.
Further, the vertical section conductor and/or the horizontal section conductor are fixed in the connector shell through insulators.
The beneficial effects are that: the insulator is arranged in the connector shell, so that the insulator can not only ensure the insulation effect of the bent contact element and the connector shell, but also support the bent contact element arranged in the connector shell, the stability of the bent contact element is ensured, and the insulation effect can be further improved.
Furthermore, the vertical installation cavity and the horizontal installation cavity are in butt joint fixation through interference fit.
The beneficial effects are that: the horizontal installation cavity and the vertical installation cavity which form the connector shell are assembled in an interference fit mode, the operation is simple, and the assembling efficiency is high.
Drawings
FIG. 1 is a schematic view of an assembly structure of an inner center conductor of an outer conductor in the prior art;
FIG. 2 is a schematic view of another assembly structure of the outer conductor and the inner center conductor in the prior art;
FIG. 3 is a cross-sectional view of a differential connector of the present invention;
FIG. 4 is a side view of the differential connector of the present invention;
FIG. 5 is a top view of the differential connector of the present invention;
FIG. 6 is a schematic view of a first mating relationship of the center conductor and the outer conductor of the differential connector of the present invention;
FIG. 7 is a second mating relationship of the center and outer conductors of the differential connector of the present invention;
FIG. 8 is a third mating relationship of the center and outer conductors of the differential connector of the present invention;
FIG. 9 is a first method of installing the center conductor of the present invention;
FIG. 10 is a second method of mounting the center conductor of the present invention;
fig. 11 shows a third method of mounting the center conductor in accordance with the present invention.
In the figure: 1. an outer conductor; 11. a horizontal segment outer conductor; 111. an outer conductor flange; 12. a vertical section outer conductor; 13. stopping the step; 14. a boss; 2. a horizontal segment conductor; 3. a vertical segment conductor; 4. a horizontal segment insulator; 5. a vertical section insulator; 6. a step; 7. a bending part; 8. a first opening.
Detailed Description
As shown in fig. 3 to 11, a mounting structure of a bending contact according to an embodiment of the present invention: taking as an example a differential connector as one of the bent contacts, the differential connector comprises two parts, respectively an outer conductor 1 and a center conductor arranged inside the outer conductor 1, the outer conductor 1 being a connector housing accommodating the bent contacts, and the center conductor being the bent contact. Wherein, the center conductor is L shape, includes respectively along the horizontal segment conductor 2 that the horizontal direction set up and along vertical direction and with the vertical section conductor 3 of the perpendicular setting of horizontal segment conductor 2 to horizontal segment conductor 2 and vertical section conductor 3 formula structure as an organic whole, and the length of horizontal segment conductor 2 will be greater than the length of vertical section conductor, is provided with between horizontal segment conductor 2 and vertical section conductor 3 and realizes the buckling part 7 of both perpendicular department circular arcs transition.
The outer conductor 1 is a split structure and comprises a horizontal section outer conductor 11 used for accommodating the horizontal section conductor 2 and a vertical section outer conductor 12 used for accommodating part of the vertical section conductor 3, and part of the vertical section conductor 3 is exposed out of the outer conductor 1 and is electrically connected with an external circuit. Horizontal segment outer conductor 11 is for extending the cylinder of arranging along the horizontal direction, and extends the square stand of arranging for following vertical direction with the vertical segment outer conductor 12 that the butt joint of horizontal segment outer conductor set up, is equipped with the horizontal installation cavity that is used for holding horizontal segment conductor 2 in horizontal segment outer conductor 11, is equipped with the vertical installation cavity that is used for holding vertical segment conductor 3 in vertical segment outer conductor 12, and horizontal installation cavity and vertical installation cavity all are the cylinder inner chamber.
And be provided with the first opening 8 that supplies horizontal section conductor 2 to insert along the horizontal installation cavity axial at the one end that the horizontal installation cavity is close to vertical installation cavity, and the one end that is close to the horizontal installation cavity in vertical installation cavity is equipped with the second opening that supplies vertical section conductor 3 and bending part 7 to enter into vertical installation cavity, vertical section conductor 3 and bending part 7 can enter into vertical installation cavity through the mode of upset or translation, come to adjust vertical section conductor 3 and bending part 7 through vertical installation cavity, make vertical section conductor 3 arrange along vertical direction, vertical section conductor 3 can stretch out from the opposite side opening of vertical section outer conductor 12 smoothly, and can make bending part 7 enter into vertical installation cavity completely.
The horizontal section outer conductor 11 and the vertical section outer conductor 12 are fixed in a butt joint mode through the first opening 8 and the second opening, an outer conductor flange 111 extending outwards is arranged at the first opening 8, an inner cavity matched with the outer conductor flange 111 in a blocking mode is correspondingly arranged at the second opening arranged on the vertical section outer conductor 12, and the first opening 8 and the second opening are in butt joint through the outer conductor flange 111.
As a preferred embodiment, between the central conductor composed of the horizontal segment conductor 2 and the vertical segment conductor 3 and the outer conductor 1, an insulator is provided, which can realize the insulation arrangement of the central conductor and the outer conductor 1, and the central conductor can be inserted on the insulator to realize the fixation in the outer conductor 1.
As a further optimization of the above embodiment, the insulator includes a horizontal insulator 4 disposed in the horizontal outer conductor 11, the horizontal insulator 4 is sleeved in an inner cavity of the horizontal outer conductor 11, a fixing hole for the horizontal conductor 2 to penetrate through is disposed in the horizontal insulator 4, a stopping step capable of being matched with the horizontal conductor 2 is further disposed in the fixing hole, and a stepped stopping structure capable of realizing a stopping of the horizontal insulator is disposed between the horizontal insulator 4 and the horizontal outer conductor 11, so that not only can the fixing of the horizontal insulator 4 be realized, but also a technician can install the horizontal conductor 2 in the outer conductor 1 conveniently.
The stepped stop structure comprises a step 6 axially arranged on the outer surface of the horizontal insulator 4, correspondingly, a stop step 13 capable of being matched with the step 6 in a stop manner is arranged on the horizontal outer conductor 11, and a stop surface capable of realizing single-side stop of the horizontal insulator 4 in the horizontal outer conductor 11 is formed on a contact surface between the step 6 and the stop step 13.
As a further optimization of the above embodiment, the insulator further includes a vertical insulator 5 disposed in the vertical outer conductor 12, the vertical insulator 5 is also provided with a fixing hole for the vertical conductor 3 to penetrate through, and the vertical insulator 5 is disposed at an end of the vertical outer conductor 12 far away from the horizontal outer conductor 11 and becomes an end cover of the vertical outer conductor 12, and the boss 14 disposed at the end of the vertical installation cavity can form a stop fit with an end face of the vertical insulator 5. The vertical section conductor 3 is exposed out of the vertical section insulator 5 and is electrically connected with other connecting pieces, and the vertical section insulator 5 has a supporting function on the vertical section conductor 3, so that the installation stability of the central conductor in the outer conductor 1 is ensured.
As a preferred embodiment, the vertical insulator 5 is flush with the end of the vertical cavity in the vertical outer conductor 12, providing a reference surface for the technician to assemble, and facilitating the technician to assemble the vertical conductor 3.
In a preferred embodiment, the horizontal installation cavity and the vertical installation cavity are circular in cross section, so that more space for accommodating the central conductor can be provided in a limited volume.
In a preferred embodiment, the central conductor is manufactured by integral molding before assembly.
As a preferred embodiment, the horizontal segment outer conductor 11 and the vertical segment outer conductor 12 are connected by feeding the first opening 8 into the second opening at the first opening 8, the outer conductor flange 111 provided on the first opening 8 realizes the butt joint of the horizontal segment outer conductor 11 and the vertical segment outer conductor 12, and the interference fit is performed on the butt joint surface of the horizontal segment outer conductor 11 and the vertical segment outer conductor 12 to form a complete outer conductor by the horizontal segment outer conductor 11 and the vertical segment outer conductor 12.
In a preferred embodiment, the horizontal segment outer conductor 11 and the vertical segment outer conductor 12 are connected by feeding the first opening 8 into the second opening at the first opening 8, the outer conductor flange 111 provided on the first opening 8 realizes the butt joint of the horizontal segment outer conductor 11 and the vertical segment outer conductor 12, and the butt joint surface of the horizontal segment outer conductor 11 and the vertical segment outer conductor 12 is riveted to form a complete outer conductor by the horizontal segment outer conductor 11 and the vertical segment outer conductor 12.
The above preferred embodiments may be used alone or in any combination.
When the differential connector is mounted by using the mounting method of the bent contact member in the present invention, it is first determined whether the positional relationship between the bent contact member and the connector housing meets the mounting requirements, as shown in fig. 6, which is a schematic diagram of a first matching relationship between the central conductor and the outer conductor of the differential connector, an opening through which the vertical conductor 3 passes is provided on the vertical outer conductor 12 in the outer conductor, at this time, the outer peripheral surface of the end of the vertical conductor 3 abuts against the side of the opening on the side away from the second opening, the outer peripheral surface of the top of the vertical conductor 3 abuts against the upper side of the second opening, the bent portion 7 and the horizontal conductor 2 are disposed outside the vertical outer conductor 12, in the structure shown in fig. 3, a technician can pull the bottom of the vertical conductor 3 downward to make the bent portion 7 and a part of the horizontal conductor 2 enter the second opening, and the bent portion 7 and a portion of the horizontal segment conductor 2 are turned over so that the bent portion 7 and a portion of the horizontal segment conductor 2 enter the vertical installation cavity in the vertical segment outer conductor 12, in which case the vertical segment conductor 3 can be assembled into the vertical segment outer conductor 12.
As shown in fig. 7, a schematic diagram of a second mating relationship between a central conductor and an outer conductor of a differential connector is shown, and the difference from the mating condition shown in fig. 6 lies in that the bottom of the vertical conductor 3 penetrates out of a vertical mounting cavity of the vertical outer conductor 12, the vertical conductor 3 abuts against a lower side edge of the second opening, if the vertical conductor 3 is to be mounted in the vertical mounting cavity, the side edge below the vertical conductor 3 is rotated as a fulcrum to drive the bent portion 7 and a part of the horizontal conductor 2 to enter the vertical mounting cavity, and in this case, the vertical conductor 3 can be assembled in the vertical outer conductor 12.
As shown in fig. 8, a schematic diagram of a third matching relationship between a central conductor and an outer conductor of a differential connector is shown, which is different from the situation shown in fig. 6 or fig. 7, where the outer peripheral surface of the top of a vertical conductor is respectively clamped on two side edges of a second opening, and at this time, if a movable margin is left between the bottom of the vertical conductor 3 and the side wall of a vertical mounting cavity, the vertical conductor 3 may continue to move under the pressing of the side edge of the second opening until the bent portion 7 on the vertical conductor 3 can enter the vertical mounting cavity, and the vertical conductor 3 may be mounted in the vertical mounting cavity, but in the situation shown in fig. 8, the bottom of the vertical conductor 3 directly abuts against the side wall of the vertical mounting cavity, and cannot move continuously, and in this situation, the size relationship between the central conductor and the outer conductor cannot meet the requirement of assembly.
When the matching relationship between the central conductor and the outer conductor in the differential connector meets the assembly requirement, a technician can install the vertical conductor 3 into the vertical outer conductor 12 by different methods, as shown in fig. 9, as a first installation method of the central conductor, if the caliber of the second opening formed in the vertical outer conductor 12 is large, the vertical conductor 3 moves along the arrow direction in the figure, and the vertical conductor 3 enters along the inclined direction, the inclined vertical conductor 3 can be moved close to the second opening, so that the vertical conductor 3 integrally enters the vertical installation cavity in an inclined manner, and then the inclined vertical conductor 3 is arranged along the vertical direction by moving the horizontal conductor 2.
As shown in fig. 10, in the second installation method of the center conductor, if the caliber of the second opening is smaller, the whole vertical conductor 3 cannot enter the second opening horizontally or obliquely, and the technician can only assemble the vertical conductor 3 into the vertical installation cavity by turning and translating. The vertical section conductor 3 moves in the direction of an arrow marked in the figure, the bottom of the vertical section conductor 3 is obliquely inserted into the second opening, then the vertical section conductor 3 is rotated downwards, the vertical section conductor 3 and the bending part 7 enter the vertical installation cavity, and finally the vertical section conductor 3 is arranged along the vertical direction by moving the horizontal section conductor 2.
As shown in fig. 11, for a third installation method of the center conductor, if the caliber of the second opening is large, the vertical conductor 3 can be wholly translated into the second opening, and then the technician moves the vertical conductor 3 to move in the direction of the arrow marked in the drawing, and only needs to translate the horizontal conductor 2 to the second opening, so that the vertical conductor 3 and the bent portion 7 enter the vertical installation cavity, and then moves the vertical conductor 3 downward to be arranged along the vertical direction.
After the plurality of vertical conductors 3 are installed in the vertical installation cavity, vertical insulators are arranged at the end parts of the vertical outer conductors 12, so that the vertical conductors 3 are arranged in the vertical insulators 5 in a penetrating mode, and the vertical conductors 3 are fixed through the vertical insulators 5. Then, the horizontal insulator 4 is assembled into the horizontal outer conductor 11, and the horizontal conductor 2 is inserted into the horizontal insulator 4 from the first opening 8, thereby fixing the horizontal conductor 2. After the horizontal conductor 2 and the vertical conductor 3 are installed and fixed, the first opening 8 and the second opening are in interference fit, so that the differential connector is assembled.
In other embodiments, the outer conductor may be replaced by other forms, such as a shape of the vertical and horizontal outer conductors forming the outer conductor is set to be a rectangular parallelepiped or a cylinder, so that the outer conductor is a combination of rectangular parallelepipeds, a combination of cylinders, or a combination of rectangular parallelepiped and cylinders.
In other embodiments, only the horizontal insulator or the vertical insulator may be disposed in the outer conductor, and the horizontal insulator and the vertical insulator may not be disposed at the same time
In other embodiments, the structure of the central conductor may also have other forms, such as setting the included angle between the vertical conductor and the horizontal conductor in the central conductor to be an acute angle slightly smaller than 90 ° or an obtuse angle slightly larger than 90 °, and although the vertical conductor and the horizontal conductor are not perpendicular to each other, the whole body still has an L shape, and only the included angle slightly changes.
In other embodiments, the stop structure may be replaced by other forms, such as a stop pin between the outer conductor and the insulator to achieve stop engagement of the insulator and the outer conductor.
In other embodiments, the vertical section insulator may be replaced by other means, such as disposing the vertical section insulator completely inside the vertical mounting cavity without the outer end face of the vertical section insulator protruding from the vertical mounting cavity, or without disposing the outer end face of the vertical section insulator flush with the end of the vertical mounting cavity.
In other embodiments, the assembly mode of the central conductor can be replaced by other modes, and the horizontal section conductor and the vertical section conductor of the central conductor are directly welded between the horizontal section conductor and the vertical section conductor which are assembled into the outer conductor.
In other embodiments, the horizontal segment outer conductor and the vertical segment outer conductor can be bonded to realize butt joint fixation.
In other embodiments, the horizontal segment outer conductor and the vertical segment outer conductor can be riveted to realize butt joint fixation.
In other embodiments, a technician may first individually insert the integrated center conductor into the vertical outer conductor, and after all the center conductors are inserted into the outer conductor, then set an insulator in the outer conductor and mate the insulator with the center conductor to assemble the differential connector.
In other embodiments, the technician may now install the vertical segment insulators within the vertical installation cavity and then secure the vertical segment conductors to the vertical segment insulators directly during installation of the vertical segment conductors.
The mounting method of the present invention can also be used to mount other configurations of the bent contact, the bent contact being equivalent to the center conductor in the above-described embodiment, and the connector housing for accommodating the bent contact being equivalent to the outer conductor in the above-described embodiment.
The above-mentioned embodiments, the objects, technical solutions and advantages of the present invention are further described in detail, it should be understood that the above-mentioned embodiments are only exemplary embodiments of the present invention, and are not intended to limit the scope of the present invention, and any modifications, equivalent substitutions, improvements and the like made within the spirit and principle of the present invention should be included in the scope of the present invention.

Claims (12)

1. Mounting structure of curved contact, including curved contact and the connector housing who is used for holding curved contact, curved contact includes the horizontal segment conductor that arranges along the horizontal direction, still includes the vertical segment conductor that is the setting of L type with the horizontal segment conductor, be equipped with the horizontal installation chamber that corresponds with the horizontal segment conductor and the vertical installation chamber that corresponds with the vertical segment conductor in the connector housing, its characterized in that: the horizontal section conductor and the vertical section conductor are of an integrated structure; a first opening for inserting a horizontal section conductor along the axial direction of the horizontal installation cavity is formed in one end, close to the vertical installation cavity, of the horizontal installation cavity, a second opening for enabling a vertical section conductor to enter the vertical installation cavity in a turnover and/or translation movement mode is formed in one end, close to the horizontal installation cavity, of the vertical installation cavity, and the horizontal installation cavity and the vertical installation cavity are fixedly butted with the second opening through the first opening to form the connector shell;
a horizontal section insulator used for supporting and fixing a horizontal section conductor is arranged in the horizontal installation cavity, a stepped blocking structure back to the vertical installation cavity is arranged on the outer peripheral surface of the horizontal section insulator, and a blocking step facing one end of the vertical installation cavity is arranged on the inner wall of the horizontal installation cavity; a fixing hole for the horizontal section conductor to penetrate through is formed in the horizontal section insulator, a stopping step capable of being matched with the horizontal section conductor is further arranged in the fixing hole, and the stopping step matched with the horizontal section conductor is arranged towards the vertical installation cavity;
a vertical section insulator used for supporting and fixing a vertical section conductor is arranged in the vertical installation cavity, the vertical section insulator is arranged at one end, far away from the horizontal installation cavity, in the vertical installation cavity, a boss back to one end of the horizontal installation cavity is arranged on the inner wall of the vertical installation cavity, and the end face of the vertical section insulator is in stop fit with the boss;
during installation, after installing vertical section conductor in vertical installation cavity, set up vertical section insulator at the tip of vertical installation cavity, make vertical section conductor wear to establish in vertical section insulator, realize fixing of vertical section conductor through vertical section insulator, then assemble horizontal section insulator to horizontal installation cavity in, insert the horizontal section conductor in the horizontal section insulator from first opening, thereby realize the fixed of horizontal section conductor, accomplish the installation fixed back at horizontal section conductor and vertical section conductor, with vertical installation cavity and the fixed connector casing that forms of horizontal installation cavity butt joint.
2. The mounting structure of the bent contact according to claim 1, wherein: the vertical section insulator is arranged parallel and level to the end of the vertical installation cavity.
3. The mounting structure of the bent contact according to claim 1 or 2, wherein: the vertical section conductor in the bent contact piece is shorter than the horizontal section conductor.
4. The mounting structure of the bent contact according to claim 1 or 2, wherein: the end of the vertical section conductor extends out of the vertical mounting cavity.
5. The mounting structure of the bent contact according to claim 1 or 2, wherein: the sections of the horizontal installation cavity and the vertical installation cavity are circular.
6. The mounting structure of the bent contact according to claim 1, wherein: the bent contact is an integrally formed part.
7. The mounting structure of the bent contact according to claim 1, wherein: the horizontal installation cavity and the vertical installation cavity are formed by performing interference fit on the first opening and the second opening, and the connector shell is formed by the interference fit of the first opening and the second opening.
8. The mounting method of the bent contact piece is characterized in that: the method comprises the following steps: the method comprises the following steps that firstly, a vertical section conductor in the bent contact piece with the integrated structure is installed in a vertical installation cavity in an overturning and/or translating mode through an opening formed in the vertical installation cavity, and the vertical section conductor is adjusted to be in the vertical direction in the vertical installation cavity; secondly, a horizontal installation cavity in the connector shell is butted with an opening formed in a vertical installation cavity so that a horizontal section conductor in the bent contact piece with the integrated structure is installed in the horizontal installation cavity in a translation mode; step three, fixedly butting the vertical installation cavity and the horizontal installation cavity to form a connector shell;
the vertical section conductor and the horizontal section conductor are fixed in the connector shell through insulators;
a horizontal section insulator used for supporting and fixing a horizontal section conductor is arranged in the horizontal installation cavity, a stepped blocking structure back to the vertical installation cavity is arranged on the outer peripheral surface of the horizontal section insulator, and a blocking step facing one end of the vertical installation cavity is arranged on the inner wall of the horizontal installation cavity; a fixing hole for the horizontal section conductor to penetrate through is formed in the horizontal section insulator, a stopping step capable of being matched with the horizontal section conductor is further arranged in the fixing hole, and the stopping step matched with the horizontal section conductor is arranged towards the vertical installation cavity;
a vertical section insulator used for supporting and fixing a vertical section conductor is arranged in the vertical installation cavity, the vertical section insulator is arranged at one end, far away from the horizontal installation cavity, in the vertical installation cavity, a boss back to one end of the horizontal installation cavity is arranged on the inner wall of the vertical installation cavity, and the end face of the vertical section insulator is in stop fit with the boss;
after installing vertical section conductor in vertical installation cavity, set up vertical section insulator at the tip of vertical installation cavity, make vertical section conductor wear to establish in vertical section insulator, realize the fixed of vertical section conductor through vertical section insulator, then assemble horizontal section insulator to horizontal installation cavity in, insert the horizontal section conductor in the horizontal section insulator from first opening, thereby realize the fixed of horizontal section conductor, accomplish the installation fixed back at horizontal section conductor and vertical section conductor, with vertical installation cavity and horizontal installation cavity butt joint fixed formation connector housing.
9. The method of installation according to claim 8, wherein: in the process of installing the vertical section conductor, the horizontal section conductor is moved along the horizontal direction, so that the vertical section conductor is integrally translated into the vertical installation cavity through the opening arranged on the vertical installation cavity, and the vertical section conductor is downwardly translated to the installation position in the vertical installation cavity.
10. The method of installation according to claim 8, wherein: in the process of installing the vertical section conductor, the horizontal section conductor is moved along the inclined direction, so that the vertical section conductor is integrally and obliquely arranged in the vertical installation cavity through the opening arranged in the vertical installation cavity, and the vertical section conductor is overturned in the vertical installation cavity and is arranged along the vertical direction.
11. The method of installation according to claim 8, wherein: in the process of installing the vertical section conductor, the end part of the vertical section conductor is inserted into the opening of the vertical installation cavity, then the bending contact element is rotated to enable the vertical section conductor to overturn and enter the vertical installation cavity, and finally the vertical section conductor is adjusted in the vertical installation cavity to be arranged along the vertical direction.
12. The mounting method according to any one of claims 8 to 11, wherein: and the vertical installation cavity and the horizontal installation cavity are in butt joint fixation through interference fit.
CN201810286527.3A 2018-03-30 2018-03-30 Installation structure and installation method of bent contacts Active CN110323602B (en)

Priority Applications (1)

Application Number Priority Date Filing Date Title
CN201810286527.3A CN110323602B (en) 2018-03-30 2018-03-30 Installation structure and installation method of bent contacts

Applications Claiming Priority (1)

Application Number Priority Date Filing Date Title
CN201810286527.3A CN110323602B (en) 2018-03-30 2018-03-30 Installation structure and installation method of bent contacts

Publications (2)

Publication Number Publication Date
CN110323602A CN110323602A (en) 2019-10-11
CN110323602B true CN110323602B (en) 2021-01-29

Family

ID=68112098

Family Applications (1)

Application Number Title Priority Date Filing Date
CN201810286527.3A Active CN110323602B (en) 2018-03-30 2018-03-30 Installation structure and installation method of bent contacts

Country Status (1)

Country Link
CN (1) CN110323602B (en)

Families Citing this family (1)

* Cited by examiner, † Cited by third party
Publication number Priority date Publication date Assignee Title
CN111969354A (en) * 2020-09-18 2020-11-20 中航光电科技股份有限公司 Bent socket connector with shielding function and assembling method thereof

Citations (4)

* Cited by examiner, † Cited by third party
Publication number Priority date Publication date Assignee Title
CN201570733U (en) * 2009-12-25 2010-09-01 合肥佰特微波技术有限公司 Radio frequency coaxial connector in right-angle bent type structure
CN202050139U (en) * 2011-04-15 2011-11-23 江苏正恺电子科技有限公司 N type coaxial connector
CN202930582U (en) * 2012-11-21 2013-05-08 扬州市精诚电子有限公司 Bent type printed board socket
CN204809509U (en) * 2015-05-20 2015-11-25 宁波高新区新峰科技有限公司 High performance angle connector

Patent Citations (4)

* Cited by examiner, † Cited by third party
Publication number Priority date Publication date Assignee Title
CN201570733U (en) * 2009-12-25 2010-09-01 合肥佰特微波技术有限公司 Radio frequency coaxial connector in right-angle bent type structure
CN202050139U (en) * 2011-04-15 2011-11-23 江苏正恺电子科技有限公司 N type coaxial connector
CN202930582U (en) * 2012-11-21 2013-05-08 扬州市精诚电子有限公司 Bent type printed board socket
CN204809509U (en) * 2015-05-20 2015-11-25 宁波高新区新峰科技有限公司 High performance angle connector

Also Published As

Publication number Publication date
CN110323602A (en) 2019-10-11

Similar Documents

Publication Publication Date Title
CN108258484B (en) Electric connector and combination thereof
JP7277644B2 (en) Floating connectors and their assemblies
JP6500771B2 (en) connector
US20150295361A1 (en) Connector
EP2551968A1 (en) Coaxial electrical connector and coaxial electrical connector assembly
CN102365793A (en) Female connector assembly
TWI701866B (en) Connector and connection structure
EP4336662A1 (en) Electrical connector and electrical connector assembly
US10276962B2 (en) Terminal with a case, a coil spring compressed in the case, a conductive member sandwiched between the case and an end of the coil spring and a wire connected to the conductive member
JP6847016B2 (en) Coaxial cable connector
CN202196895U (en) Electric connector and electric connector assembly
CN110323602B (en) Installation structure and installation method of bent contacts
US12266890B2 (en) Connector fitting structure
JP2005209423A (en) Board shield connector
CN101227042A (en) Electrical connector and manufacturing method thereof
CN111106478A (en) Electric connector
CN110212345B (en) Differential connector and mounting structure of bent contact
JP2005317357A (en) Board connector and board connector with case
CN217956092U (en) Filter
CN211456076U (en) Electrical connector
JP5577125B2 (en) Electrical connector
CN2932727Y (en) electrical connector
TWM634609U (en) Electrical connector and electrical connector assembly
CN105098435A (en) Electric connector with a terminal interface
CN110212362A (en) The mounting structure of curved formula contact and the differential connector for using the structure

Legal Events

Date Code Title Description
PB01 Publication
PB01 Publication
SE01 Entry into force of request for substantive examination
SE01 Entry into force of request for substantive examination
GR01 Patent grant
GR01 Patent grant