CN109655741B - Fast wiring and line selection device based on mechanical characteristic test - Google Patents

Fast wiring and line selection device based on mechanical characteristic test Download PDF

Info

Publication number
CN109655741B
CN109655741B CN201811393296.2A CN201811393296A CN109655741B CN 109655741 B CN109655741 B CN 109655741B CN 201811393296 A CN201811393296 A CN 201811393296A CN 109655741 B CN109655741 B CN 109655741B
Authority
CN
China
Prior art keywords
terminal
wiring
test
closing
electrically connected
Prior art date
Legal status (The legal status is an assumption and is not a legal conclusion. Google has not performed a legal analysis and makes no representation as to the accuracy of the status listed.)
Active
Application number
CN201811393296.2A
Other languages
Chinese (zh)
Other versions
CN109655741A (en
Inventor
高宇
王军杰
王康伟
杨利民
陈书豪
苏明旭
鲁荣鹏
于雷
Current Assignee (The listed assignees may be inaccurate. Google has not performed a legal analysis and makes no representation or warranty as to the accuracy of the list.)
Maintenance Co of State Grid Xinjiang Electric Power Co Ltd
State Grid Corp of China SGCC
Original Assignee
Maintenance Co of State Grid Xinjiang Electric Power Co Ltd
State Grid Corp of China SGCC
Priority date (The priority date is an assumption and is not a legal conclusion. Google has not performed a legal analysis and makes no representation as to the accuracy of the date listed.)
Filing date
Publication date
Application filed by Maintenance Co of State Grid Xinjiang Electric Power Co Ltd, State Grid Corp of China SGCC filed Critical Maintenance Co of State Grid Xinjiang Electric Power Co Ltd
Priority to CN201811393296.2A priority Critical patent/CN109655741B/en
Publication of CN109655741A publication Critical patent/CN109655741A/en
Application granted granted Critical
Publication of CN109655741B publication Critical patent/CN109655741B/en
Active legal-status Critical Current
Anticipated expiration legal-status Critical

Links

Images

Classifications

    • GPHYSICS
    • G01MEASURING; TESTING
    • G01RMEASURING ELECTRIC VARIABLES; MEASURING MAGNETIC VARIABLES
    • G01R31/00Arrangements for testing electric properties; Arrangements for locating electric faults; Arrangements for electrical testing characterised by what is being tested not provided for elsewhere
    • G01R31/327Testing of circuit interrupters, switches or circuit-breakers
    • GPHYSICS
    • G01MEASURING; TESTING
    • G01RMEASURING ELECTRIC VARIABLES; MEASURING MAGNETIC VARIABLES
    • G01R1/00Details of instruments or arrangements of the types included in groups G01R5/00 - G01R13/00 and G01R31/00
    • G01R1/02General constructional details
    • G01R1/04Housings; Supporting members; Arrangements of terminals
    • G01R1/0408Test fixtures or contact fields; Connectors or connecting adaptors; Test clips; Test sockets
    • GPHYSICS
    • G01MEASURING; TESTING
    • G01RMEASURING ELECTRIC VARIABLES; MEASURING MAGNETIC VARIABLES
    • G01R1/00Details of instruments or arrangements of the types included in groups G01R5/00 - G01R13/00 and G01R31/00
    • G01R1/30Structural combination of electric measuring instruments with basic electronic circuits, e.g. with amplifier

Landscapes

  • Physics & Mathematics (AREA)
  • General Physics & Mathematics (AREA)
  • Testing Of Short-Circuits, Discontinuities, Leakage, Or Incorrect Line Connections (AREA)
  • Breakers (AREA)

Abstract

本发明涉及断路器机械特性测试技术领域,是一种基于机械特性测试的快速接线及线路选择装置,包括测试线路选择装置,测试线路选择装置包括绝缘外壳,在绝缘外壳上设置有三工位六脚开关、单刀双掷开关、三个合闸端子选择开关、三个第一分闸端子选择开关和三个第二分闸端子选择开关,三工位六脚开关的合闸输出端分别与三个合闸端子选择开关的输入端电连接,三工位六脚开关的第一分闸输出端分别与三个第一分闸端子选择开关的输入端电连接,三工位六脚开关的第二分闸输出端分别与三个第二分闸端子选择开关的输入端电连接。本发明无需在变换测试线路时重新接线,简化了测试线路连接及选择过程,降低了误接的可能性,提高了工作效率。

Figure 201811393296

The invention relates to the technical field of mechanical characteristic testing of circuit breakers, and is a quick wiring and circuit selection device based on mechanical characteristic testing, including a test circuit selection device, the test circuit selection device comprising an insulating casing, and a three-position six-pin is arranged on the insulating casing. switch, SPDT switch, three closing terminal selection switches, three first opening terminal selection switches and three second opening terminal selection switches, the closing output terminals of the three-position six-pin switch are respectively connected with the three The input ends of the closing terminal selection switches are electrically connected, the first opening output ends of the three-position six-pin switch are respectively electrically connected with the input ends of the three first opening terminal selection switches, and the second opening of the three-position six-pin switch is electrically connected. The opening output ends are respectively electrically connected with the input ends of the three second opening terminal selection switches. The invention does not need to rewire when changing the test line, simplifies the connection and selection process of the test line, reduces the possibility of misconnection, and improves the work efficiency.

Figure 201811393296

Description

Quick wiring and line selection device based on mechanical characteristic test
Technical Field
The invention relates to the technical field of mechanical characteristic testing of circuit breakers, in particular to a quick wiring and line selection device based on mechanical characteristic testing.
Background
At present, when the mechanical characteristic of the circuit breaker is tested, two modes of manual wiring and terminal wiring disassembly are adopted between the mechanical characteristic tester of the circuit breaker and the control cubicle. The manual wiring mode is that a mechanical characteristic tester of the circuit breaker is manually connected with a test line according to a wiring drawing, and a male end of the test line is touched with a female end of a terminal row of a control cubicle for testing, so that virtual connection is easily caused, and test data are unreliable; the terminal wiring mode of disassembling is for the manual work according to the wiring drawing, find out the terminal on the collection accuse cabinet terminal row that will work a telephone switchboard, then demolish the screw on the terminal, still need demolish the original wiring on the part binding post simultaneously, then insert the test wire joint, reuse screwdriver fastening screw, accomplish the characteristic test, when changing the test circuit, need demolish all current interconnecting link, reselect the terminal according to new test circuit again and work a telephone switchboard, this method wiring process is loaded down with trivial details, and efficiency is not high, easily cause the mistake to tear open, the mistake bumps, the misconnection, easily leak after the experiment is accomplished and tear the test wire open, the mixed scheduling problem of one or two way operating power, thereby cause the incident, and influence the normal implementation of test.
Disclosure of Invention
The invention provides a quick wiring and line selection device based on mechanical characteristic test, overcomes the defects of the prior art, and can effectively solve the problems of complicated test line connection and selection process, easy misconnection and potential safety hazard in the conventional circuit breaker mechanical characteristic test wiring.
The technical scheme of the invention is realized by the following measures: the utility model provides a quick wiring and circuit selection device based on mechanical properties test, includes test circuit selection device, test circuit selection device includes insulating casing, is provided with three station six-pin switches, single-pole double-throw switch, three combined floodgate terminal selector switch, three first break-off terminal selector switch and three second break-off terminal selector switch on insulating casing, and the combined floodgate output of three station six-pin switches is connected with three combined floodgate terminal selector switch's input electricity respectively, and the first break-off output of three station six-pin switches is connected with three first break-off terminal selector switch's input electricity respectively, and the second break-off output of three station six-pin switches is connected with three second break-off terminal selector switch's input electricity respectively.
The following is further optimization or/and improvement of the technical scheme of the invention:
a switching-on terminal wiring unit, a first switching-off terminal wiring unit, a second switching-off terminal wiring unit and a tester wiring unit are arranged on the outer side of the insulating shell; the switching-on terminal wiring unit, the first switching-off terminal wiring unit and the second switching-off terminal wiring unit respectively comprise three live wire wiring terminals and a zero line wiring terminal, the output ends of three switching-on terminal selection switches are respectively and electrically connected with the three live wire wiring terminals of the switching-on terminal wiring unit, the output ends of three first switching-off terminal selection switches are respectively and electrically connected with the three live wire wiring terminals of the first switching-off terminal wiring unit, and the output ends of three second switching-off terminal selection switches are respectively and electrically connected with the three live wire wiring terminals of the second switching-off terminal wiring unit; a first fixed end of the single-pole double-throw switch is electrically connected with a zero line wiring terminal of the closing terminal wiring unit and a zero line wiring terminal of the first opening terminal wiring unit respectively, and a second fixed end of the single-pole double-throw switch is electrically connected with a zero line wiring terminal of the second opening terminal wiring unit; the tester wiring unit comprises a closing test wiring terminal, a first opening test wiring terminal, a second opening test wiring terminal and a public end test wiring terminal, wherein the closing test wiring terminal is electrically connected with a closing input end of the three-station six-pin switch, the first opening test wiring terminal is electrically connected with a first opening input end of the three-station six-pin switch, the second opening test wiring terminal is electrically connected with a second opening input end of the three-station six-pin switch, and the public end test wiring terminal is electrically connected with a moving end of the single-pole double-throw switch.
The testing device also comprises a plurality of testing connecting lines, and each wiring terminal on the outer side of the insulating shell is respectively connected with one end of one testing connecting line.
Each test connecting line can comprise a lead, a test line connector and a short connecting piece, the test line connector and the short connecting piece are fixedly connected to two ends of the lead respectively, and each wiring terminal on the outer side of the insulating shell is connected with the short connecting piece of one test connecting line respectively.
The test wire joint of each test connecting wire can be a metal plug.
The circuit breaker mechanical characteristic testing device is simple in structure and convenient to use, and when the mechanical characteristic of the circuit breaker is tested, the circuit breaker mechanical characteristic testing device is connected with the closing terminals and the opening terminals in the control cubicle in a one-to-one correspondence mode, circuit connection does not need to be carried out according to a testing circuit wiring diagram, different testing circuits can be selected only by controlling the three-station six-pin switch, the single-pole double-throw switch, the three closing terminal selection switches, the three first opening terminal selection switches and the three second opening terminal selection switches, and wiring is not needed to be carried out again when the testing circuits are changed.
Drawings
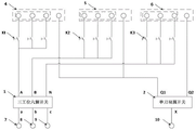
FIG. 1 is a schematic structural diagram of a preferred embodiment of the present invention.
Fig. 2 is a schematic front view of the preferred embodiment of the present invention.
Fig. 3 is a rear view of the preferred embodiment of the present invention.
Fig. 4 is a schematic diagram of the use of the preferred embodiment of the present invention.
FIG. 5 is a schematic diagram of a test connection structure according to the present invention.
The codes in the figures are respectively: 1 is a three-position six-pin switch, 2 is a single-pole double-throw switch, 3 is an insulating shell, 4 is a closing terminal wiring unit, 5 is a first opening terminal wiring unit, 6 is a second opening terminal wiring unit, 7 is a closing test wiring terminal, 8 is a first opening test wiring terminal, 9 is a second opening test wiring terminal, 10 is a common terminal test wiring terminal, 11 is a test wiring line, 12 is a conducting wire, 13 is a test wire connector, 14 is a short connecting sheet, 15 is a mechanical characteristic tester, 16 is a control cabinet terminal row, A is a closing output end of the three-position six-pin switch, B is a first opening output end of the three-position six-pin switch, C is a second opening output end of the three-position six-pin switch, a is a closing input end of the three-position six-pin switch, B is a first opening input end of the three-position six-pin switch, and C is a second opening input end of the three-position six-pin switch, x is the moving end of the single-pole double-throw switch, Q1 is the first fixed end of the single-pole double-throw switch, Q2 is the second fixed end of the single-pole double-throw switch, K1 is a switch-on terminal selection switch, K2 is a first switch-off terminal selection switch, and K3 is a second switch-off terminal selection switch.
Detailed Description
The present invention is not limited by the following examples, and specific embodiments may be determined according to the technical solutions and practical situations of the present invention.
In the present invention, for convenience of description, the description of the relative positional relationship of the components is described according to the layout pattern of fig. 2 in the specification, such as: the positional relationship of front, rear, upper, lower, left, right, etc. is determined in accordance with the layout direction of fig. 2 of the specification.
The invention is further described with reference to the following examples and figures:
as shown in fig. 1 and 4, the fast wiring and line selecting device based on mechanical characteristic testing includes a testing line selecting device, the testing line selecting device includes an insulating housing 3, a three-position six-pin switch 1, a single-pole double-throw switch 2, three closing terminal selecting switches K1, three first opening terminal selecting switches K2 and three second opening terminal selecting switches K3 are disposed on the insulating housing 3, closing output terminals a of the three-position six-pin switch are electrically connected to input terminals of the three closing terminal selecting switches K1, first opening output terminals B of the three-position six-pin switch are electrically connected to input terminals of the three first opening terminal selecting switches K2, and second opening output terminals C of the three-position six-pin switch are electrically connected to input terminals of the three second opening terminal selecting switches K3.
The three-station six-pin switch 1 and the single-pole double-throw switch 2 are both in the prior known technology and are used for selecting a circuit for testing the mechanical characteristics of the circuit breaker, and because two separating brake loops are required to be mutually independent when the mechanical characteristics of the circuit breaker are tested, the three-station six-pin switch 1 and the single-pole double-throw switch 2 are selected for selecting the testing circuit. The single-pole double-throw switch 2 comprises two immovable ends and a movable end, namely a first immovable end Q1, a second immovable end Q2 and a movable end X, wherein the first immovable end Q1 and the second immovable end Q2 are used for connecting the terminal strip 16 of the control cubicle, and the movable end X is used for connecting a mechanical property tester.
As shown in fig. 4, the specific process in operation is as follows:
1. connecting a closing port of a mechanical characteristic tester 15 with a closing input end a of a three-station six-pin switch, respectively connecting a separating port of the mechanical characteristic tester 15 with a first separating input end b of the three-station six-pin switch and a second separating input end c of the three-station six-pin switch, and connecting a public port of the mechanical characteristic tester 15 with a moving end X of the single-pole double-throw switch; a first immobile end Q1 of the single-pole double-throw switch is connected with a closing zero line terminal and a first separating zero line terminal in the control cubicle terminal row 16, and a second immobile end Q2 of the single-pole double-throw switch is connected with a second separating zero line terminal in the control cubicle terminal row 16; the output ends of three closing terminal selection switches K1 are respectively connected with closing live wires in the control cubicle terminal row 16, the output ends of three first opening terminal selection switches K2 are respectively connected with first opening live wires in the control cubicle terminal row 16, and the output ends of three second opening terminal selection switches K3 are respectively connected with second opening live wires in the control cubicle terminal row 16;
2. after the circuit connection is finished, a tester only needs to control the three-station six-pin switch 1, the single-pole double-throw switch 2, the three closing terminal selection switches K1, the three first opening terminal selection switches K2 and the three second opening terminal selection switches K3 to be closed, and then the circuit for testing the mechanical characteristics of the circuit breaker can be selected.
The invention has simple structure and convenient use, only needs to be correspondingly connected with the mechanical characteristic tester 15 and the closing terminals and the opening terminals in the control cubicle one by one when the mechanical characteristic of the circuit breaker is tested, does not need to select the terminals according to a test line wiring diagram for circuit connection, meanwhile, different test circuits can be selected only by controlling the three-station six-pin switch 1, the single-pole double-throw switch 2, the three closing terminal selection switches K1, the three first switching terminal selection switches K2 and the three second switching terminal selection switches K3 without dismantling the original circuits for wiring again when the test circuits are changed, therefore, the invention simplifies the complicated test line connection and selection process, can realize quick wiring, effectively reduces the possibility of misconnection, ensures the normal operation of the test, avoids the occurrence of safety accidents and improves the working efficiency.
The quick wiring and line selection device based on the mechanical characteristic test can be further optimized or/and improved according to actual needs:
as shown in fig. 1, 2, 3 and 4, a switching-on terminal wiring unit 4, a first switching-off terminal wiring unit 5, a second switching-off terminal wiring unit 6 and a tester wiring unit are arranged outside an insulating shell; the switching-on terminal wiring unit 4, the first switching-off terminal wiring unit 5 and the second switching-off terminal wiring unit 6 respectively comprise three live wire wiring terminals and a zero wire wiring terminal, the output ends of three switching-on terminal selection switches K1 are respectively and electrically connected with the three live wire wiring terminals of the switching-on terminal wiring unit 4, the output ends of three first switching-off terminal selection switches K2 are respectively and electrically connected with the three live wire wiring terminals of the first switching-off terminal wiring unit 5, and the output ends of three second switching-off terminal selection switches K3 are respectively and electrically connected with the three live wire wiring terminals of the second switching-off terminal wiring unit 6; a first immobile end Q1 of the single-pole double-throw switch is respectively and electrically connected with a zero line wiring terminal of the closing terminal wiring unit 4 and a zero line wiring terminal of the first opening terminal wiring unit 5, and a second immobile end Q2 of the single-pole double-throw switch is electrically connected with a zero line wiring terminal of the second opening terminal wiring unit 6; the tester wiring unit comprises a closing test wiring terminal 7, a first separating brake test wiring terminal 8, a second separating brake test wiring terminal 9 and a public end test wiring terminal 10, wherein the closing test wiring terminal 7 is electrically connected with a closing input end a of the three-station six-pin switch, the first separating brake test wiring terminal 8 is electrically connected with a first separating brake input end b of the three-station six-pin switch, the second separating brake test wiring terminal 9 is electrically connected with a second separating brake input end c of the three-station six-pin switch, and the public end test wiring terminal 10 is electrically connected with a moving end X of the single-pole double-throw switch.
The switching-on terminal wiring unit 4, the first switching-off terminal wiring unit 5, the second switching-off terminal wiring unit 6 and the tester wiring unit are arranged on the outer side of the insulating shell 3, so that wiring of workers during testing is facilitated, and meanwhile, the insulating shell 3 is arranged, so that water and dust can be prevented from entering the testing machine, the service life of each circuit gas piece is guaranteed, and normal testing is guaranteed. The wiring mode is shown in figure 4 when the device is used.
The three live wire connecting terminals are respectively an A-phase connecting terminal, a B-phase connecting terminal and a C-phase connecting terminal.
As shown in fig. 5, the testing device further comprises a plurality of testing connecting lines 11, and each connecting terminal on the outer side of the insulating housing 3 is connected with one end of one testing connecting line 11.
Each of the connection terminals (all of the connection terminal of the closing terminal connection unit 4, the first opening terminal connection unit 5, the second opening terminal connection unit 6, and the tester connection unit) outside the insulating housing 3 is connected to one end of a test connection line 11; when in use, the other ends of all the test connecting wires 11 are correspondingly connected to the mechanical property tester 15 and the terminal block 16 of the control cubicle.
As shown in fig. 5, each test connection line 11 includes a lead 12, a test line connector 13 and a short tab 14, the test line connector 13 and the short tab 14 are respectively and fixedly connected to two ends of the lead 12, and each connection terminal outside the insulating housing 3 is respectively connected to the short tab 14 of one test connection line 11.
The type of the above-mentioned shorting tab 14 can be selected according to the type of the terminal on the outside of the insulating housing 3. The test wire connector 13 and the shorting tab 14 may be welded to both ends of the test connection wire 11, respectively.
The test wire connector 13 of each test connection wire 11 is a metal plug, as required.
The above technical features constitute the best embodiment of the present invention, which has strong adaptability and best implementation effect, and unnecessary technical features can be increased or decreased according to actual needs to meet the requirements of different situations.

Claims (4)

1. A quick wiring and line selection device based on mechanical characteristic testing is characterized by comprising a testing line selection device, wherein the testing line selection device comprises an insulating shell, a three-station six-pin switch, a single-pole double-throw switch, three closing terminal selection switches, three first closing terminal selection switches and three second closing terminal selection switches are arranged on the insulating shell, closing output ends of the three-station six-pin switch are respectively and electrically connected with input ends of the three closing terminal selection switches, first closing output ends of the three-station six-pin switch are respectively and electrically connected with input ends of the three first closing terminal selection switches, and second closing output ends of the three-station six-pin switch are respectively and electrically connected with input ends of the three second closing terminal selection switches; wherein: a switching-on terminal wiring unit, a first switching-off terminal wiring unit, a second switching-off terminal wiring unit and a tester wiring unit are arranged on the outer side of the insulating shell; the switching-on terminal wiring unit, the first switching-off terminal wiring unit and the second switching-off terminal wiring unit respectively comprise three live wire wiring terminals and a zero line wiring terminal, the output ends of three switching-on terminal selection switches are respectively and electrically connected with the three live wire wiring terminals of the switching-on terminal wiring unit, the output ends of three first switching-off terminal selection switches are respectively and electrically connected with the three live wire wiring terminals of the first switching-off terminal wiring unit, and the output ends of three second switching-off terminal selection switches are respectively and electrically connected with the three live wire wiring terminals of the second switching-off terminal wiring unit; a first fixed end of the single-pole double-throw switch is electrically connected with a zero line wiring terminal of the closing terminal wiring unit and a zero line wiring terminal of the first opening terminal wiring unit respectively, and a second fixed end of the single-pole double-throw switch is electrically connected with a zero line wiring terminal of the second opening terminal wiring unit; the tester wiring unit comprises a closing test wiring terminal, a first opening test wiring terminal, a second opening test wiring terminal and a public end test wiring terminal, wherein the closing test wiring terminal is electrically connected with a closing input end of the three-station six-pin switch, the first opening test wiring terminal is electrically connected with a first opening input end of the three-station six-pin switch, the second opening test wiring terminal is electrically connected with a second opening input end of the three-station six-pin switch, and the public end test wiring terminal is electrically connected with a moving end of the single-pole double-throw switch.
2. The mechanical characteristic test-based quick connection and line selection device as claimed in claim 1, further comprising a plurality of test connection lines, each of the connection terminals outside the insulative housing being connected to one end of one of the test connection lines.
3. The fast connecting and line selecting device based on mechanical property test of claim 2, wherein each test connecting line comprises a conducting line, a test line connector and a shorting tab, the test line connector and the shorting tab are respectively and fixedly connected to two ends of the conducting line, and each connecting terminal outside the insulating housing is respectively connected to the shorting tab of one test connecting line.
4. The mechanical property test based quick connection and line selection device as claimed in claim 3, wherein the test wire connector of each test connection line is a metal plug.
CN201811393296.2A 2018-11-21 2018-11-21 Fast wiring and line selection device based on mechanical characteristic test Active CN109655741B (en)

Priority Applications (1)

Application Number Priority Date Filing Date Title
CN201811393296.2A CN109655741B (en) 2018-11-21 2018-11-21 Fast wiring and line selection device based on mechanical characteristic test

Applications Claiming Priority (1)

Application Number Priority Date Filing Date Title
CN201811393296.2A CN109655741B (en) 2018-11-21 2018-11-21 Fast wiring and line selection device based on mechanical characteristic test

Publications (2)

Publication Number Publication Date
CN109655741A CN109655741A (en) 2019-04-19
CN109655741B true CN109655741B (en) 2021-04-06

Family

ID=66112388

Family Applications (1)

Application Number Title Priority Date Filing Date
CN201811393296.2A Active CN109655741B (en) 2018-11-21 2018-11-21 Fast wiring and line selection device based on mechanical characteristic test

Country Status (1)

Country Link
CN (1) CN109655741B (en)

Families Citing this family (2)

* Cited by examiner, † Cited by third party
Publication number Priority date Publication date Assignee Title
CN110261650A (en) * 2019-07-25 2019-09-20 国网青海省电力公司检修公司 Circuit breaker mechanical characteristic test secondary wiring conversion device
CN111403969B (en) * 2020-04-17 2024-07-16 宁波奥克斯电气股份有限公司 Socket and automatic socket opening and closing control method

Citations (5)

* Cited by examiner, † Cited by third party
Publication number Priority date Publication date Assignee Title
JP2004184348A (en) * 2002-12-06 2004-07-02 Seikoh Giken Co Ltd Testing machine for mechanical characteristics of transmission line with optical component
CN102087171A (en) * 2009-12-04 2011-06-08 江苏省电力公司南京供电公司 Junction box for switch mechanical characteristic tester
CN104020326A (en) * 2014-06-23 2014-09-03 国网河北省电力公司衡水供电分公司 Switching device for testing mechanical characteristics of switch
CN106370418A (en) * 2016-11-11 2017-02-01 郭云花 Circuit breaker mechanical characteristic test assisting instrument
CN207164213U (en) * 2017-08-11 2018-03-30 中国南方电网有限责任公司调峰调频发电公司 A kind of GIS switchs testing mechanical characteristic servicing unit

Patent Citations (5)

* Cited by examiner, † Cited by third party
Publication number Priority date Publication date Assignee Title
JP2004184348A (en) * 2002-12-06 2004-07-02 Seikoh Giken Co Ltd Testing machine for mechanical characteristics of transmission line with optical component
CN102087171A (en) * 2009-12-04 2011-06-08 江苏省电力公司南京供电公司 Junction box for switch mechanical characteristic tester
CN104020326A (en) * 2014-06-23 2014-09-03 国网河北省电力公司衡水供电分公司 Switching device for testing mechanical characteristics of switch
CN106370418A (en) * 2016-11-11 2017-02-01 郭云花 Circuit breaker mechanical characteristic test assisting instrument
CN207164213U (en) * 2017-08-11 2018-03-30 中国南方电网有限责任公司调峰调频发电公司 A kind of GIS switchs testing mechanical characteristic servicing unit

Also Published As

Publication number Publication date
CN109655741A (en) 2019-04-19

Similar Documents

Publication Publication Date Title
CN112285447B (en) A switch drawer test circuit and test equipment
CN110299041A (en) A kind of Intelligent power distribution terminal and communication O&M integration practical training system and method
CN201113291Y (en) Outdoor co-box type sulfur hexafluoride multi-circuit ring network cabinet
CN102023271A (en) Spare power automatic switching logic test method for verifying automatic switching modes of high voltage side buscouple switch
CN109581216B (en) VD4 medium voltage switch comprehensive test platform and its related structures
CN109655741B (en) Fast wiring and line selection device based on mechanical characteristic test
CA2657285A1 (en) Apparatus for testing an arc fault circuit interrupter
CN205427089U (en) Cable switches on insulation test device
CN106569108A (en) Switch withstand voltage detection system and detection method
CN110988524B (en) Automatic function test device of full-automatic recloser formula feeder
CN207780133U (en) Straight control type motor-operating mechanism testing inspection case
CN213181871U (en) Quick switching device for withstand voltage test of three-phase alternating-current motor
CN203927005U (en) Electric valve control circuit and the electric operated valve instrument that comprises this circuit
CN105353238A (en) Analog switch for 10kV boundary-type automatic terminal, and implementation method
CN216698247U (en) Strong and weak electricity disconnect-type upper and lower structure circuit breaker
CN104569802B (en) A kind of intelligent substation debugging system and a disconnecting switch analog machine
CN213423406U (en) On-load voltage regulation tapping switch test cabinet
CN114188193A (en) Strong and weak electricity disconnect-type upper and lower structure circuit breaker
CN219418927U (en) High-current circuit breaker
CN213397603U (en) Multi-path mechanical operation test device
CN214279360U (en) Portable analog circuit breaker
CN104766762A (en) Mechanical grinding-in device for vacuum circuit breaker
CN220163683U (en) Charging and discharging switching device
CN219392220U (en) On-off capability test circuit and on-off capability test equipment
CN214314222U (en) Switching drawer device for debugging high-temperature gas cooled reactor nuclear island low-voltage switch cabinet

Legal Events

Date Code Title Description
PB01 Publication
PB01 Publication
SE01 Entry into force of request for substantive examination
SE01 Entry into force of request for substantive examination
GR01 Patent grant
GR01 Patent grant