CN108340766B - Hybrid power system, vehicle and control method thereof - Google Patents

Hybrid power system, vehicle and control method thereof Download PDF

Info

Publication number
CN108340766B
CN108340766B CN201810004389.5A CN201810004389A CN108340766B CN 108340766 B CN108340766 B CN 108340766B CN 201810004389 A CN201810004389 A CN 201810004389A CN 108340766 B CN108340766 B CN 108340766B
Authority
CN
China
Prior art keywords
transmission
gear mechanism
vehicle
engine
outer rotor
Prior art date
Legal status (The legal status is an assumption and is not a legal conclusion. Google has not performed a legal analysis and makes no representation as to the accuracy of the status listed.)
Active
Application number
CN201810004389.5A
Other languages
Chinese (zh)
Other versions
CN108340766A (en
Inventor
席军强
李麟
Current Assignee (The listed assignees may be inaccurate. Google has not performed a legal analysis and makes no representation or warranty as to the accuracy of the list.)
Beijing Institute of Technology BIT
Original Assignee
Beijing Institute of Technology BIT
Priority date (The priority date is an assumption and is not a legal conclusion. Google has not performed a legal analysis and makes no representation as to the accuracy of the date listed.)
Filing date
Publication date
Application filed by Beijing Institute of Technology BIT filed Critical Beijing Institute of Technology BIT
Priority to CN201810004389.5A priority Critical patent/CN108340766B/en
Publication of CN108340766A publication Critical patent/CN108340766A/en
Application granted granted Critical
Publication of CN108340766B publication Critical patent/CN108340766B/en
Active legal-status Critical Current
Anticipated expiration legal-status Critical

Links

Images

Classifications

    • BPERFORMING OPERATIONS; TRANSPORTING
    • B60VEHICLES IN GENERAL
    • B60KARRANGEMENT OR MOUNTING OF PROPULSION UNITS OR OF TRANSMISSIONS IN VEHICLES; ARRANGEMENT OR MOUNTING OF PLURAL DIVERSE PRIME-MOVERS IN VEHICLES; AUXILIARY DRIVES FOR VEHICLES; INSTRUMENTATION OR DASHBOARDS FOR VEHICLES; ARRANGEMENTS IN CONNECTION WITH COOLING, AIR INTAKE, GAS EXHAUST OR FUEL SUPPLY OF PROPULSION UNITS IN VEHICLES
    • B60K6/00Arrangement or mounting of plural diverse prime-movers for mutual or common propulsion, e.g. hybrid propulsion systems comprising electric motors and internal combustion engines
    • B60K6/20Arrangement or mounting of plural diverse prime-movers for mutual or common propulsion, e.g. hybrid propulsion systems comprising electric motors and internal combustion engines the prime-movers consisting of electric motors and internal combustion engines, e.g. HEVs
    • B60K6/42Arrangement or mounting of plural diverse prime-movers for mutual or common propulsion, e.g. hybrid propulsion systems comprising electric motors and internal combustion engines the prime-movers consisting of electric motors and internal combustion engines, e.g. HEVs characterised by the architecture of the hybrid electric vehicle
    • B60K6/48Parallel type
    • BPERFORMING OPERATIONS; TRANSPORTING
    • B60VEHICLES IN GENERAL
    • B60KARRANGEMENT OR MOUNTING OF PROPULSION UNITS OR OF TRANSMISSIONS IN VEHICLES; ARRANGEMENT OR MOUNTING OF PLURAL DIVERSE PRIME-MOVERS IN VEHICLES; AUXILIARY DRIVES FOR VEHICLES; INSTRUMENTATION OR DASHBOARDS FOR VEHICLES; ARRANGEMENTS IN CONNECTION WITH COOLING, AIR INTAKE, GAS EXHAUST OR FUEL SUPPLY OF PROPULSION UNITS IN VEHICLES
    • B60K6/00Arrangement or mounting of plural diverse prime-movers for mutual or common propulsion, e.g. hybrid propulsion systems comprising electric motors and internal combustion engines
    • B60K6/20Arrangement or mounting of plural diverse prime-movers for mutual or common propulsion, e.g. hybrid propulsion systems comprising electric motors and internal combustion engines the prime-movers consisting of electric motors and internal combustion engines, e.g. HEVs
    • B60K6/50Architecture of the driveline characterised by arrangement or kind of transmission units
    • B60K6/54Transmission for changing ratio
    • B60K6/547Transmission for changing ratio the transmission being a stepped gearing
    • BPERFORMING OPERATIONS; TRANSPORTING
    • B60VEHICLES IN GENERAL
    • B60WCONJOINT CONTROL OF VEHICLE SUB-UNITS OF DIFFERENT TYPE OR DIFFERENT FUNCTION; CONTROL SYSTEMS SPECIALLY ADAPTED FOR HYBRID VEHICLES; ROAD VEHICLE DRIVE CONTROL SYSTEMS FOR PURPOSES NOT RELATED TO THE CONTROL OF A PARTICULAR SUB-UNIT
    • B60W10/00Conjoint control of vehicle sub-units of different type or different function
    • B60W10/04Conjoint control of vehicle sub-units of different type or different function including control of propulsion units
    • B60W10/06Conjoint control of vehicle sub-units of different type or different function including control of propulsion units including control of combustion engines
    • BPERFORMING OPERATIONS; TRANSPORTING
    • B60VEHICLES IN GENERAL
    • B60WCONJOINT CONTROL OF VEHICLE SUB-UNITS OF DIFFERENT TYPE OR DIFFERENT FUNCTION; CONTROL SYSTEMS SPECIALLY ADAPTED FOR HYBRID VEHICLES; ROAD VEHICLE DRIVE CONTROL SYSTEMS FOR PURPOSES NOT RELATED TO THE CONTROL OF A PARTICULAR SUB-UNIT
    • B60W10/00Conjoint control of vehicle sub-units of different type or different function
    • B60W10/04Conjoint control of vehicle sub-units of different type or different function including control of propulsion units
    • B60W10/08Conjoint control of vehicle sub-units of different type or different function including control of propulsion units including control of electric propulsion units, e.g. motors or generators
    • BPERFORMING OPERATIONS; TRANSPORTING
    • B60VEHICLES IN GENERAL
    • B60WCONJOINT CONTROL OF VEHICLE SUB-UNITS OF DIFFERENT TYPE OR DIFFERENT FUNCTION; CONTROL SYSTEMS SPECIALLY ADAPTED FOR HYBRID VEHICLES; ROAD VEHICLE DRIVE CONTROL SYSTEMS FOR PURPOSES NOT RELATED TO THE CONTROL OF A PARTICULAR SUB-UNIT
    • B60W20/00Control systems specially adapted for hybrid vehicles
    • B60W20/10Controlling the power contribution of each of the prime movers to meet required power demand
    • B60W20/13Controlling the power contribution of each of the prime movers to meet required power demand in order to stay within battery power input or output limits; in order to prevent overcharging or battery depletion
    • B60W20/14Controlling the power contribution of each of the prime movers to meet required power demand in order to stay within battery power input or output limits; in order to prevent overcharging or battery depletion in conjunction with braking regeneration
    • BPERFORMING OPERATIONS; TRANSPORTING
    • B60VEHICLES IN GENERAL
    • B60WCONJOINT CONTROL OF VEHICLE SUB-UNITS OF DIFFERENT TYPE OR DIFFERENT FUNCTION; CONTROL SYSTEMS SPECIALLY ADAPTED FOR HYBRID VEHICLES; ROAD VEHICLE DRIVE CONTROL SYSTEMS FOR PURPOSES NOT RELATED TO THE CONTROL OF A PARTICULAR SUB-UNIT
    • B60W20/00Control systems specially adapted for hybrid vehicles
    • B60W20/40Controlling the engagement or disengagement of prime movers, e.g. for transition between prime movers
    • BPERFORMING OPERATIONS; TRANSPORTING
    • B60VEHICLES IN GENERAL
    • B60WCONJOINT CONTROL OF VEHICLE SUB-UNITS OF DIFFERENT TYPE OR DIFFERENT FUNCTION; CONTROL SYSTEMS SPECIALLY ADAPTED FOR HYBRID VEHICLES; ROAD VEHICLE DRIVE CONTROL SYSTEMS FOR PURPOSES NOT RELATED TO THE CONTROL OF A PARTICULAR SUB-UNIT
    • B60W30/00Purposes of road vehicle drive control systems not related to the control of a particular sub-unit, e.g. of systems using conjoint control of vehicle sub-units
    • B60W30/18Propelling the vehicle
    • B60W30/18009Propelling the vehicle related to particular drive situations
    • B60W30/18109Braking
    • B60W30/18127Regenerative braking
    • BPERFORMING OPERATIONS; TRANSPORTING
    • B60VEHICLES IN GENERAL
    • B60WCONJOINT CONTROL OF VEHICLE SUB-UNITS OF DIFFERENT TYPE OR DIFFERENT FUNCTION; CONTROL SYSTEMS SPECIALLY ADAPTED FOR HYBRID VEHICLES; ROAD VEHICLE DRIVE CONTROL SYSTEMS FOR PURPOSES NOT RELATED TO THE CONTROL OF A PARTICULAR SUB-UNIT
    • B60W2710/00Output or target parameters relating to a particular sub-units
    • B60W2710/06Combustion engines, Gas turbines
    • B60W2710/0644Engine speed
    • BPERFORMING OPERATIONS; TRANSPORTING
    • B60VEHICLES IN GENERAL
    • B60WCONJOINT CONTROL OF VEHICLE SUB-UNITS OF DIFFERENT TYPE OR DIFFERENT FUNCTION; CONTROL SYSTEMS SPECIALLY ADAPTED FOR HYBRID VEHICLES; ROAD VEHICLE DRIVE CONTROL SYSTEMS FOR PURPOSES NOT RELATED TO THE CONTROL OF A PARTICULAR SUB-UNIT
    • B60W2710/00Output or target parameters relating to a particular sub-units
    • B60W2710/08Electric propulsion units
    • B60W2710/081Speed
    • YGENERAL TAGGING OF NEW TECHNOLOGICAL DEVELOPMENTS; GENERAL TAGGING OF CROSS-SECTIONAL TECHNOLOGIES SPANNING OVER SEVERAL SECTIONS OF THE IPC; TECHNICAL SUBJECTS COVERED BY FORMER USPC CROSS-REFERENCE ART COLLECTIONS [XRACs] AND DIGESTS
    • Y02TECHNOLOGIES OR APPLICATIONS FOR MITIGATION OR ADAPTATION AGAINST CLIMATE CHANGE
    • Y02TCLIMATE CHANGE MITIGATION TECHNOLOGIES RELATED TO TRANSPORTATION
    • Y02T10/00Road transport of goods or passengers
    • Y02T10/60Other road transportation technologies with climate change mitigation effect
    • Y02T10/62Hybrid vehicles

Landscapes

  • Engineering & Computer Science (AREA)
  • Transportation (AREA)
  • Mechanical Engineering (AREA)
  • Chemical & Material Sciences (AREA)
  • Combustion & Propulsion (AREA)
  • Automation & Control Theory (AREA)
  • Electric Propulsion And Braking For Vehicles (AREA)
  • Hybrid Electric Vehicles (AREA)

Abstract

本发明涉及一种混合动力系统、车辆及其控制方法。混合动力系统包括发动机、双机械端口电机、电池组、第一变速器和第二变速器。双机械端口电机包括内转子、外转子和定子;发动机的输出轴通过内转子转轴与第一变速器的输入轴相连接;外转子的输出轴与第二变速器的输入轴相连接;定子与电池组电连接;第一变速器和第二变速器的输出轴均用于与车轮相连接。由于发动机和双机械端口电机的外转子是完全独立的两个动力源,彼此互不约束,所以本发明实现了发动机在一般工况所需功率和储备功率的解耦控制,减小了发动机和之后的传动机构的体积和重量,本发明通过对储备功率的解耦,实现了传动系统在体积、重量和储备功率工况覆盖率三个维度上的优化。

Figure 201810004389

The present invention relates to a hybrid power system, a vehicle and a control method thereof. The hybrid system includes an engine, a dual mechanical port electric machine, a battery pack, a first transmission, and a second transmission. The dual mechanical port motor includes an inner rotor, an outer rotor and a stator; the output shaft of the engine is connected with the input shaft of the first transmission through the inner rotor shaft; the output shaft of the outer rotor is connected with the input shaft of the second transmission; the stator is connected to the battery pack Electrical connection; the output shafts of the first transmission and the second transmission are both used for connection with the wheels. Since the engine and the outer rotor of the dual-mechanical-port motor are two completely independent power sources, which are not constrained to each other, the present invention realizes the decoupling control of the power required by the engine and the reserve power under normal working conditions, and reduces the power consumption of the engine and the power reserve. After the volume and weight of the transmission mechanism, the present invention realizes the optimization of the transmission system in the three dimensions of volume, weight and the coverage rate of the reserve power through the decoupling of the reserve power.

Figure 201810004389

Description

Hybrid power system, vehicle and control method thereof
Technical Field
The invention relates to the technical field of vehicles, in particular to a hybrid power system, a vehicle and a control method thereof.
Background
In order to meet the requirements of high maneuverability and wider working condition adaptability of heavy-duty wheeled vehicles, the main method is to improve the reserve power of an engine at present. However, the increased reserve power is not efficient in practical use, and causes a series of problems of the power transmission system, such as large volume, increased weight, and heat dissipation. In addition, in order to improve the power density and specific power of a power transmission system of a heavy-duty vehicle, the currently common method is to improve the rotating speed of an engine as much as possible, so that the torque requirement of the power transmission system can be reduced, and the volume of the power transmission system can be reduced.
Disclosure of Invention
In view of the above analysis, the present invention aims to provide a hybrid system, a vehicle and a control method thereof, so as to solve the problem that the volume of a transmission system is increased in order to increase the reserve power of the existing vehicle.
The purpose of the invention is mainly realized by the following technical scheme:
in one aspect, the present disclosure provides a hybrid system, comprising: the system comprises an engine, a double-mechanical-port motor, a battery pack, a first transmission and a second transmission; the double mechanical port motor comprises an inner rotor, an outer rotor and a stator; an output shaft of the engine is connected with a first end of the inner rotor rotating shaft, and a second end of the inner rotor rotating shaft is connected with an input shaft of the first transmission; an output shaft of the outer rotor is connected with an input shaft of the second transmission; the stator is electrically connected with the battery pack; the output shafts of the first transmission and the second transmission are connected with wheels.
Further, the hybrid system further includes: a normally closed clutch; and the second end of the rotating shaft of the inner rotor is connected with the input shaft of the first transmission through a normally closed clutch.
Further, in the above hybrid system, the first transmission includes: the first input shaft, the first output shaft, the first gear mechanism, the third gear mechanism, the fifth gear mechanism and the reverse gear mechanism; the driving gears of the first gear mechanism, the third gear mechanism, the fifth gear mechanism and the reverse gear mechanism are all connected with the first input shaft; the driven gears of the first gear mechanism, the third gear mechanism, the fifth gear mechanism and the reverse gear mechanism are all arranged with the second input shaft and are selectively connected with the first output shaft through corresponding joint sleeves.
Further, in the above hybrid system, the second transmission includes: the second input shaft, the second output shaft, the second gear mechanism and the fourth gear mechanism; the driving gears of the second gear mechanism and the fourth gear mechanism are connected with the second input shaft; the driven gears of the two-gear mechanism and the four-gear mechanism are coaxially arranged with the second output shaft and selectively connected with the second output shaft through corresponding joint sleeves.
In another aspect, the present invention further provides a control method of a hybrid system, including the steps of; judging the working condition of the vehicle provided with the hybrid power system; when the vehicle is in an accelerating or climbing working condition, the engine is controlled to drive the inner rotor to operate, and the battery pack drives the outer rotor to operate simultaneously.
Further, in the control method of the hybrid system, when a first transmission of the vehicle is in a gear shifting working condition, the battery pack is controlled to drive the outer rotor to operate; and when a second transmission of the vehicle is in a gear shifting working condition, controlling the engine to drive the inner rotor to operate.
Further, in the control method of the hybrid power system, when the vehicle is in a parking power generation working condition, all gear engaging sleeves of the first transmission and the second transmission are controlled to be disconnected, the inner rotor and the outer rotor work in a generator mode simultaneously, and the inner rotor and the outer rotor are controlled to work simultaneously to generate power; or when the vehicle is in a working condition of charging the battery pack in the running process, all gear engaging sleeves of the second transmission are controlled to be disconnected, the first transmission is controlled to be engaged, the inner rotor and the outer rotor work in a generator mode simultaneously, and the inner rotor and the outer rotor are controlled to operate simultaneously to generate power; or when the vehicle is in a braking and decelerating working condition, all gear engaging sleeves of the first transmission are controlled to be disconnected, the second transmission is controlled to be engaged, the outer rotor works in a generator mode, and kinetic energy of the vehicle is utilized to drive the outer rotor to generate power and recover energy.
Further, in the control method of the hybrid system, when the vehicle is in an engine starting working condition, all gear engaging sleeves of the first transmission are controlled to be disconnected, and the inner rotor is controlled to operate to start the engine.
Further, in the control method of the hybrid system, when the vehicle is in a hill start condition of more than 30 degrees, the normally closed clutch is sequentially controlled to be disconnected, the inner rotor is sequentially controlled to rotate to start the engine, the corresponding gear in the first transmission is engaged, the normally closed clutch is engaged, and the inner rotor and the outer rotor are simultaneously operated.
Because the engine and the battery pack are two completely independent power sources and are not mutually constrained, the invention realizes the decoupling control of the power required by the engine under the common working condition and the reserve power, reduces the volume and the weight of the engine and a subsequent transmission mechanism, can realize the optimization of a vehicle power transmission system on three dimensions of the volume, the weight and the reserve power working condition coverage rate, namely the reserve power utilization rate, and can design the decoupling rate of the reserve power according to the use of the vehicle, thereby being convenient and flexible and having wide application range. The system has simple structure and low cost.
In another aspect, the invention also provides a vehicle provided with any one of the hybrid power systems described above.
Due to the effects described above in the hybrid system, the vehicle having the hybrid system also has corresponding technical effects.
In the invention, the technical schemes can be combined with each other to realize more preferable combination schemes. Additional features and advantages of the invention will be set forth in the description which follows, and in part will be obvious from the description, or may be learned by practice of the invention. The objectives and other advantages of the invention will be realized and attained by the structure particularly pointed out in the written description and claims hereof as well as the appended drawings.
Drawings
The drawings are only for purposes of illustrating particular embodiments and are not to be construed as limiting the invention, wherein like reference numerals are used to designate like parts throughout.
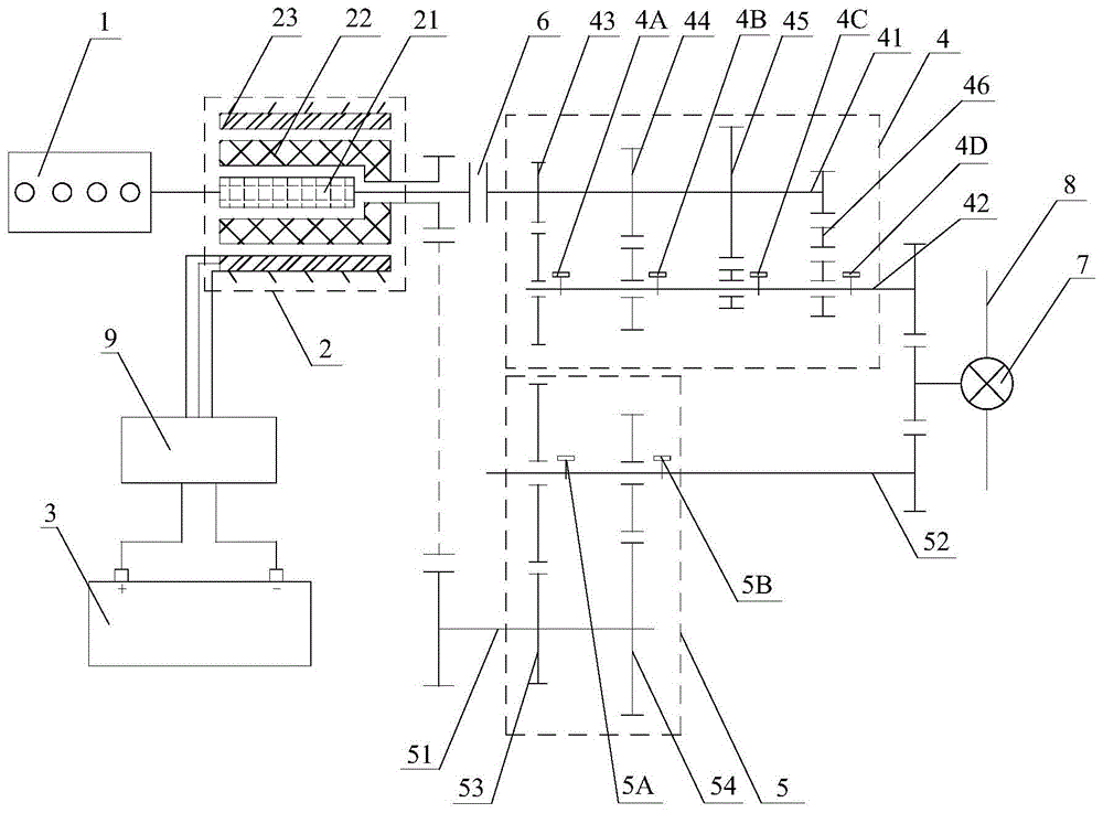
Fig. 1 is a schematic structural diagram of a hybrid power system according to an embodiment of the present invention.
Detailed Description
The accompanying drawings, which are incorporated in and constitute a part of this application, illustrate preferred embodiments of the invention and together with the description, serve to explain the principles of the invention and not to limit the scope of the invention.
The embodiment of the power system comprises:
referring to fig. 1, a preferred structure of a hybrid system provided by an embodiment of the present invention is shown. As shown, the system includes: the hybrid power system comprises an engine 1, a double mechanical port motor 2, a battery pack 3, a first transmission 4 and a second transmission 5.
The double mechanical port motor 2 comprises an inner rotor 21, an outer rotor 22 and a stator 23, wherein the inner rotor 21 and the outer rotor 22 can independently operate. The output shaft of the engine 1 is connected to a first end (left end in fig. 1) of the rotating shaft of the inner rotor 21, and a second end (right end in fig. 1) of the rotating shaft of the inner rotor 21 is coaxially connected to the input shaft of the first transmission 4. The engine 1 drives the inner rotor 21 to rotate, the inner rotor 21 drives the input shaft of the first transmission 4 to rotate, and the engine 1 provides power for the first transmission 4. An output shaft of the outer rotor 22 can be connected with an input shaft of the second transmission 5 through gear transmission, the outer rotor 22 drives the input shaft of the second transmission 5 to rotate, the battery pack 3 is electrically connected with the stator 23 through the inverter 9, and the outer rotor 22 provides power for the second transmission 5. The battery pack 3 supplies power to the double mechanical port motors 2 through the inverter 9, and the inner rotor 21 and the outer rotor 22 of the double mechanical port motors need to be supplied with power respectively. In addition, the outer rotor 22 may also charge the battery pack 3.
The output shafts of the first transmission 4 and the second transmission 5 may be connected to the input shaft of a differential 7 through a gear mechanism, two output ends of the differential 7 are connected to two half shafts 8, respectively, and output ends of the two half shafts 8 are connected to wheels to drive the wheels.
In specific implementation, the output shaft of the outer rotor 22 and the second transmission 5, and the output shafts of the first transmission 4 and the second transmission 5 and the input shaft of the differential 7 may be connected through a gear mechanism, or may be connected through other transmission mechanisms known to those skilled in the art.
The present embodiment has two independent power sources, one is an engine 1 and one is a dual mechanical port motor 2. The engine 1 drives the first transmission 4 to operate through the inner rotor 21, and the first transmission 4 transmits power to the half shaft 8 through the differential 7 to drive wheels. The battery pack 3 supplies power to the stator 23, the stator 23 drives the outer rotor 22 to rotate, the outer rotor 22 drives the second transmission 5 to operate, and the second transmission 5 also transmits power to the half shaft 8 through the differential 7 so as to drive wheels.
In specific implementation, one of the outer rotors of the engine 1 and the two mechanical port motors 2 can be used as a conventional power source, and the other can be used as a reserve power source to provide reserve power.
This embodiment is provided with three fender mechanism and a reverse gear mechanism that advances in first derailleur 4, is provided with two fender mechanisms that advance in second derailleur 5, specifically is:
the first transmission 4 includes: a first input shaft 41, a first output shaft 42, a first gear mechanism 43, a third gear mechanism 44, a fifth gear mechanism 45, and a reverse gear mechanism 46. The driving gears of the first gear mechanism 43, the third gear mechanism 44, the fifth gear mechanism 45 and the reverse gear mechanism 46 are all connected with the first input shaft 41, and the driven gears of the first gear mechanism 43, the third gear mechanism 44, the fifth gear mechanism 45 and the reverse gear mechanism 46 are all coaxially arranged with the first output shaft 42 but not connected with the same. In a specific embodiment, the first engaging sleeve 4A, the third engaging sleeve 4B, the fifth engaging sleeve 4C and the reverse engaging sleeve 4D can control the first gear mechanism 43, the third gear mechanism 44, the fifth gear mechanism 45 and the reverse gear mechanism 46 to operate, respectively, to transmit power to the first output shaft 42.
The second transmission 5 includes: a second input shaft 51, a second output shaft 52, a second gear mechanism 53, and a fourth gear mechanism 54. The driving gears of the second gear mechanism 53 and the fourth gear mechanism 54 are both connected to the second input shaft 51, and the driven gears of the second gear mechanism 53 and the fourth gear mechanism 54 are both coaxially disposed with the second output shaft 52 but not connected thereto, but those skilled in the art will understand that each gear mechanism should be provided with a joint sleeve, and the joint sleeve of each gear mechanism is alternatively in meshed connection with the second output shaft 52, so as to connect the driven gear of the corresponding gear mechanism with the second output shaft 52. In practice, it will be understood by those skilled in the art that the second and fourth engaging sleeves 5A and 5B can control the second and fourth gears 53 and 54 to transmit power to the second output shaft 52.
It should be noted that the gear setting conditions of the first transmission 4 and the second transmission 5 are only schematically presented in this embodiment, and in a specific implementation, the specific gear setting of the first transmission 4 and the second transmission 5 may be determined according to actual conditions, and this embodiment does not limit this.
Because the engine 1 and the double mechanical port motor 2 are two completely independent power sources, one provides conventional power and the other provides reserve power, and are not mutually constrained, the decoupling control of the power required by the engine under a common working condition and the reserve power is realized, the volume and the weight of the engine and a subsequent transmission mechanism are reduced, the vehicle power transmission system can be optimized in three dimensions of volume, weight and reserve power working condition coverage rate, namely reserve power utilization rate, by decoupling the reserve power, and the decoupling rate of the reserve power can be designed according to the use of the vehicle, so that the vehicle power transmission system is convenient and flexible and has a wide application range. The system has simple structure, low cost, high transmission efficiency and high power density.
In addition, because the two power sources in the embodiment can work independently and also can work together, the output power and the speed of the two power sources can be controlled respectively, the dynamic property and the fuel economy of the vehicle are improved, and the device is particularly suitable for heavy vehicles and has more remarkable effect. Through experiments, the power of the power-driven vehicle can be improved by 60% under the condition that the volume and the weight of the transmission system are equivalent to those of the conventional vehicle. And when one path of power source breaks down, the other path of power source can ensure the normal operation of the vehicle, thereby improving the fault-tolerant rate of the vehicle and ensuring the driving safety.
In this embodiment, when the first transmission 4 is shifted, the power required for vehicle operation may be continuously provided by the outer rotor 22 of the dual mechanical port motor 2; the power required for vehicle operation may be continuously provided by the engine 1 when the second transmission 5 is shifted. It can be seen that the power system in the embodiment has no problem of power interruption when shifting gears, and ensures the smooth running of the vehicle.
In the above embodiment, the method may further include: the clutch 6 is normally closed. Wherein, the second end of the rotating shaft of the inner rotor 21 can be connected with the input shaft of the first speed changer 4 through the normally closed clutch 6.
When the vehicle works in a large-angle slope starting condition, for example, a slope starting condition of more than 30 degrees, the vehicle cannot be started only by the outer rotor 22 of the double-mechanical-port motor 2, at this time, the normally-closed clutch 6 needs to be disconnected, the engine 1 is started by the inner rotor 21, then the first transmission 4 is connected, finally the normally-closed clutch 6 is connected, and the engine 1 and the outer rotor 23 drive the vehicle together.
In the embodiment, only one normally-closed clutch is arranged between the inner rotor 21 and the first transmission 4, so that the vehicle can be started under a large-angle slope starting working condition, the structure and the size of the transmission are simplified, and the cost is reduced.
The embodiment of the control method comprises the following steps:
the embodiment of the invention provides a control method of a hybrid power system, which is used for controlling the hybrid power system to operate under different working conditions, and the specific operation process of each working condition is explained below.
The operation of the hybrid system is controlled according to the working condition of the vehicle, and the following detailed description is respectively provided for different working conditions.
When the vehicle is in an accelerating or climbing condition, the engine 1 and the outer rotor 22 are controlled to run simultaneously. The method specifically comprises the following steps: when the vehicle is in a transient acceleration or climbing working condition, the engine 1 can drive the inner rotor 21 to operate, and meanwhile, the battery pack 3 can drive the outer rotor 22 to operate, so that the inner rotor 21 and the outer rotor 22 simultaneously work at the maximum power, and the inner rotor 21 and the outer rotor 22 jointly output power to the differential 7 to jointly provide power for the vehicle.
When the vehicle is in a gear shifting condition, two conditions are divided: in the first case, when the first transmission 4 is shifted, the power required by the vehicle can be provided by the battery pack 3 driving the outer rotor 22 of the dual mechanical port motor 2, and the engine 1 adjusts its rotation speed, so that the rotation speeds of the input shaft and the output shaft of the first transmission 4 are matched, and the first engaging sleeve 4A, the third engaging sleeve 4B, the fifth engaging sleeve 4C and the reverse engaging sleeve 4D of the first transmission 4 can be engaged smoothly to complete the shifting. The second situation is that the second transmission 5 shifts gears, and similarly, at this time, the power required by the vehicle can be completely provided by the engine 1, and the rotation speed of the outer rotor 22 of the dual mechanical port motor 2 is adjusted, so that the rotation speeds of the input shaft and the output shaft of the second transmission 5 are matched, and the second engaging sleeve 5A and the fourth engaging sleeve 5B of the second transmission 5 can be smoothly engaged to complete the shifting.
When the vehicle stops to generate power, all the engaging sleeves in the first transmission 4 and the second transmission 5 are disconnected, and the inner rotor 21 of the double-mechanical-port motor 2 and the output shaft of the engine 1 are fixedly connected to the input shaft of the first transmission 4. At this time, the engine 1 rotates the inner rotor 21 relative to the outer rotor 22, and generates electric power. Meanwhile, the outer rotor 22 is acted by the electromagnetic force of the inner rotor 21, and also rotates relative to the stator 23 of the dual mechanical port motor 2, so as to generate electric energy again to charge the battery pack 3. In this case, the inner and outer rotors of the dual mechanical port motor 2 can be regarded as two generators operating.
When the vehicle needs to charge the battery pack 3 during running, both the second and fourth clutches 5A, 5B of the second transmission 5 are disconnected. The double mechanical port motor 2 is the same as a parking power generation mode, an inner rotor 21 and an outer rotor 22 of the double mechanical port motor work in a power generator mode at the same time, an engine 1 drives the inner rotor 21 and the outer rotor 22 to operate at the same time, and power is transmitted in two ways: one path of the power is transmitted to wheels through an inner rotor 21, a first transmission 4 and a differential mechanism 7 in sequence for the vehicle to run; the other path generates power through the inner rotor and the outer rotor of the double mechanical port motor 2 to charge the battery pack 3.
When the vehicle needs to start the engine 1, the four gear engaging sleeves of the first transmission 4 are all disconnected, the inner rotor 21 of the double mechanical port motor 2 is started, and the engine 1 is driven to start. After the engine 1 is started, the rotation speed of the engine is adjusted to enable the clutch sleeve of the gear needing to be connected in the first transmission 4 to be smoothly engaged.
When the vehicle is in a braking and decelerating working condition, all gear engaging sleeves of the first transmission 4 are controlled to be disconnected, the second transmission 5 is controlled to be engaged, the outer rotor 22 works in a generator mode, and the kinetic energy of the vehicle is utilized to drive the outer rotor 22 to generate electricity and recover energy. When the vehicle is driven forward, the external rotor 22 and the second transmission 2 are mechanically connected to output power to wheels. Similarly, when the vehicle is braked, the outer rotor 22 works in a generator mode, and at this time, the kinetic energy of the vehicle, through the torque generated by the friction force between the ground and the tire, is transmitted by the second transmission 2 to drive the outer rotor 22 to rotate, so that the generation resistance torque is overcome, electric energy is generated, and the battery pack 3 and the super capacitor are charged.
When the vehicle works in a slope starting condition of more than 30 degrees, the outer rotor 22 of the double-mechanical-port motor 2 is only used for starting the vehicle, and then the normally-closed clutch 6 is disconnected, the inner rotor 21 is used for starting the engine 1, then the first transmission 4 is connected, and finally the normally-closed clutch 6 is connected, and the engine 1 and the outer rotor 23 jointly drive the vehicle.
Because the two power sources in the embodiment can work independently or together, the output power and the speed of the two power sources can be controlled respectively, the dynamic property and the fuel economy of the vehicle are improved, and the two power sources are particularly suitable for heavy vehicles and have more remarkable effects. Through experiments, the power of the power-driven vehicle can be improved by 60% under the condition that the volume and the weight of the transmission system are equivalent to those of the conventional vehicle. And when one path of power source breaks down, the other path of power source can ensure the normal operation of the vehicle, thereby improving the fault-tolerant rate of the vehicle and ensuring the driving safety.
In the embodiment, when the first transmission 4 is shifted, the power required by the running of the vehicle is continuously provided by the outer rotor 22 of the double-mechanical-port motor 2; the power required for vehicle operation is continuously provided by the engine 1 when the second transmission 5 is shifted. It can be seen that the power system in the embodiment has no problem of power interruption when shifting gears, and ensures the smooth running of the vehicle.
The embodiment of the vehicle is as follows:
the embodiment of the invention also provides a vehicle which is provided with any one of the hybrid power systems. The specific implementation process of the hybrid power system may refer to the above description, and the detailed description of the embodiment is omitted here.
Due to the effects described above in the hybrid system, the vehicle having the hybrid system also has corresponding technical effects.
The above description is only for the preferred embodiment of the present invention, but the scope of the present invention is not limited thereto, and any changes or substitutions that can be easily conceived by those skilled in the art within the technical scope of the present invention are included in the scope of the present invention.

Claims (2)

1.一种混合动力系统,应用于重载轮式车辆,其特征在于,包括:发动机(1)、双机械端口电机(2)、电池组(3)、第一变速器(4)和第二变速器(5)和一个逆变器(9);其中,所述双机械端口电机(2)包括由内至外依次设置的内转子(21)、外转子(22)和定子(23);所述逆变器(9)用于连接所述电池组(3)和所述定子(23);1. A hybrid power system, applied to a heavy-duty wheeled vehicle, characterized in that it comprises: an engine (1), a dual mechanical port motor (2), a battery pack (3), a first transmission (4) and a second a transmission (5) and an inverter (9); wherein the dual mechanical port motor (2) comprises an inner rotor (21), an outer rotor (22) and a stator (23) which are sequentially arranged from the inside to the outside; The inverter (9) is used for connecting the battery pack (3) and the stator (23); 所述发动机(1)的输出轴与所述内转子(21)转轴的第一端相连接,所述内转子(21)转轴的第二端与所述第一变速器(4)的输入轴相连接;The output shaft of the engine (1) is connected with the first end of the rotating shaft of the inner rotor (21), and the second end of the rotating shaft of the inner rotor (21) is connected with the input shaft of the first transmission (4). connect; 所述外转子(22)的输出轴与所述第二变速器(5)的输入轴相连接;The output shaft of the outer rotor (22) is connected with the input shaft of the second transmission (5); 所述定子(23)与所述电池组(3)电连接;The stator (23) is electrically connected to the battery pack (3); 所述第一变速器(4)和所述第二变速器(5)的输出轴均用于驱动车轮;The output shafts of the first transmission (4) and the second transmission (5) are both used for driving wheels; 还包括:常闭离合器(6);其中,所述内转子(21)转轴的第二端通过所述常闭离合器(6)与所述第一变速器(4)的输入轴相连接;Also includes: a normally closed clutch (6); wherein, the second end of the rotating shaft of the inner rotor (21) is connected with the input shaft of the first transmission (4) through the normally closed clutch (6); 所述第一变速器(4)包括:第一输入轴(41)、第一输出轴(42)、一挡机构(43)、三挡机构(44)、五档机构(45)和倒挡机构(46);其中,The first transmission (4) comprises: a first input shaft (41), a first output shaft (42), a first gear mechanism (43), a third gear mechanism (44), a fifth gear mechanism (45) and a reverse gear mechanism (46); wherein, 所述一挡机构(43)、所述三挡机构(44)、所述五档机构(45)和所述倒挡机构(46)的主动齿轮均与所述第一输入轴(41)相连接;The driving gears of the first gear mechanism (43), the third gear mechanism (44), the fifth gear mechanism (45) and the reverse gear mechanism (46) are all in phase with the first input shaft (41). connect; 所述一挡机构(43)、所述三挡机构(44)、所述五档机构(45)和所述倒挡机构(46)的从动齿轮均与所述第一输出轴(42)同轴设置,且通过相应接合套可选择地与所述第一输出轴(42)相连接;The driven gears of the first gear mechanism (43), the third gear mechanism (44), the fifth gear mechanism (45) and the reverse gear mechanism (46) are all connected to the first output shaft (42) Coaxially arranged, and selectively connected with the first output shaft (42) through a corresponding engagement sleeve; 所述第二变速器(5)包括:第二输入轴(51)、第二输出轴(52)、二挡机构(53)和四挡机构(54);其中,The second transmission (5) comprises: a second input shaft (51), a second output shaft (52), a second gear mechanism (53) and a fourth gear mechanism (54); wherein, 所述二挡机构(53)和所述四挡机构(54)的主动齿轮均与所述第二输入轴(51)相连接;The driving gears of the second gear mechanism (53) and the fourth gear mechanism (54) are both connected with the second input shaft (51); 所述二挡机构(53)和所述四挡机构(54)的从动齿轮均与所述第二输出轴(52)同轴设置,且通过相应接合套可选择地与所述第二输出轴(52)相连接;The driven gears of the second gear mechanism (53) and the fourth gear mechanism (54) are coaxially arranged with the second output shaft (52), and can be selectively connected with the second output shaft through corresponding engagement sleeves The shaft (52) is connected; 发动机(1)与双机械端口电机(2)是完全独立的两个动力源;The engine (1) and the dual mechanical port motor (2) are two completely independent power sources; 在所述车辆处于加速或爬坡工况时,控制所述发动机驱动所述内转子运转,所述电池组驱动所述外转子同时运转;When the vehicle is in an acceleration or climbing condition, controlling the engine to drive the inner rotor to run, and the battery pack to drive the outer rotor to run simultaneously; 在所述车辆的第一变速器处于换挡工况时,控制所述电池组驱动外转子运转;在所述车辆的第二变速器处于换挡工况时,控制所述发动机驱动内转子运转;When the first transmission of the vehicle is in a shifting condition, controlling the battery pack to drive the outer rotor to operate; when the second transmission of the vehicle is in a shifting condition, controlling the engine to drive the inner rotor to operate; 在所述车辆处于停车发电工况时,控制所述第一变速器和所述第二变速器的各挡位接合套全部断开,内转子和外转子同时工作在发电机模式,以及控制内转子和外转子同时运转发电;或者,在所述车辆处于行驶过程中给电池组充电工况时,控制第二变速器的各挡位接合套全部断开,控制第一变速器接合,内转子和外转子同时工作在发电机模式,以及控制所述内转子和所述外转子同时运转发电;或者,在所述车辆处于制动减速工况时,控制第一变速器各档位接合套全部断开,控制第二变速器接合,外转子工作在发电机模式,利用车辆的动能带动外转子发电回收能量;When the vehicle is in the parking power generation condition, all the gear engagement sleeves of the first transmission and the second transmission are controlled to be disconnected, the inner rotor and the outer rotor work in the generator mode at the same time, and the inner rotor and the outer rotor are controlled to work in the generator mode at the same time. The outer rotor runs at the same time to generate electricity; or, when the vehicle is in the state of charging the battery pack during driving, all the gear engagement sleeves of the second transmission are controlled to be disconnected, the first transmission is controlled to be engaged, and the inner rotor and the outer rotor are simultaneously Work in the generator mode, and control the inner rotor and the outer rotor to run and generate electricity at the same time; or, when the vehicle is in the braking and deceleration condition, control all the gear engagement sleeves of the first transmission to be disconnected, and control the first transmission. The second transmission is engaged, the outer rotor works in generator mode, and the kinetic energy of the vehicle is used to drive the outer rotor to generate electricity and recover energy; 在所述车辆为启动发动机工况时,控制所述第一变速器的各挡位接合套全部断开,以及控制所述内转子运转启动发动机;When the vehicle is in an engine-starting condition, controlling all gear engagement sleeves of the first transmission to be disconnected, and controlling the inner rotor to operate to start the engine; 在所述车辆处于大于30度的斜坡起步工况时,依次控制所述常闭离合器断开、所述内转子转动以启动所述发动机、所述第一变速器内的相应挡位接合、所述常闭离合器接合以及所述内转子和所述外转子同时运转。When the vehicle is in a slope starting condition greater than 30 degrees, the normally closed clutch is controlled to be disconnected, the inner rotor is rotated to start the engine, the corresponding gear in the first transmission is engaged, the The normally closed clutch is engaged and the inner rotor and the outer rotor operate simultaneously. 2.一种车辆,其特征在于,设置有如权利要求1所述的混合动力系统。2. A vehicle equipped with the hybrid system according to claim 1.
CN201810004389.5A 2018-01-03 2018-01-03 Hybrid power system, vehicle and control method thereof Active CN108340766B (en)

Priority Applications (1)

Application Number Priority Date Filing Date Title
CN201810004389.5A CN108340766B (en) 2018-01-03 2018-01-03 Hybrid power system, vehicle and control method thereof

Applications Claiming Priority (1)

Application Number Priority Date Filing Date Title
CN201810004389.5A CN108340766B (en) 2018-01-03 2018-01-03 Hybrid power system, vehicle and control method thereof

Publications (2)

Publication Number Publication Date
CN108340766A CN108340766A (en) 2018-07-31
CN108340766B true CN108340766B (en) 2021-06-04

Family

ID=62961167

Family Applications (1)

Application Number Title Priority Date Filing Date
CN201810004389.5A Active CN108340766B (en) 2018-01-03 2018-01-03 Hybrid power system, vehicle and control method thereof

Country Status (1)

Country Link
CN (1) CN108340766B (en)

Families Citing this family (4)

* Cited by examiner, † Cited by third party
Publication number Priority date Publication date Assignee Title
CN109624684B (en) * 2018-10-31 2022-03-01 韶关市广控机械传动技术有限公司 Hybrid power four-gear speed change system based on dual-rotor motor
CN113212149B (en) * 2020-02-06 2024-09-10 德尔福科技工业生产有限公司 Hybrid powertrain system
DE102020119984A1 (en) * 2020-07-29 2022-02-03 Deere & Company transmission system
CN118494162B (en) * 2024-07-18 2024-09-27 中联重科股份有限公司 Oil-electricity hybrid driving method suitable for new energy vehicle and new energy vehicle

Citations (3)

* Cited by examiner, † Cited by third party
Publication number Priority date Publication date Assignee Title
CN101090221A (en) * 2006-06-14 2007-12-19 中国汽车技术研究中心 Brushless Dual Rotor Motor
CN102152734A (en) * 2011-03-10 2011-08-17 北京理工大学 Three-mode power transmission device for hybrid vehicle
CN103587403A (en) * 2013-11-19 2014-02-19 北京理工大学 Multi-axle multi-wheel vehicle hybrid electric driving system

Family Cites Families (7)

* Cited by examiner, † Cited by third party
Publication number Priority date Publication date Assignee Title
DE4031570C2 (en) * 1990-10-05 1995-10-12 Daimler Benz Ag Arrangement for automatic switching by means of auxiliary pressure medium of a multi-way gear change transmission
JP4872880B2 (en) * 2007-10-05 2012-02-08 トヨタ自動車株式会社 Power output device
JP2009120065A (en) * 2007-11-15 2009-06-04 Toyota Motor Corp Hybrid vehicle drive device
JP5589567B2 (en) * 2009-06-03 2014-09-17 株式会社豊田中央研究所 Power transmission device
DE102010063092A1 (en) * 2010-12-15 2011-06-30 Bayerische Motoren Werke Aktiengesellschaft, 80809 Hybrid drive for motor vehicle i.e. passenger car, has transmission devices coupled with torque output on driven side, where each transmission device includes alternatively selectable transmission stages
JP2013166409A (en) * 2012-02-14 2013-08-29 Toyota Motor Corp Vehicular drive device
CN104742716B (en) * 2013-12-30 2018-03-20 联合汽车电子有限公司 A kind of hybrid power system and its implementation using double-rotor machine

Patent Citations (3)

* Cited by examiner, † Cited by third party
Publication number Priority date Publication date Assignee Title
CN101090221A (en) * 2006-06-14 2007-12-19 中国汽车技术研究中心 Brushless Dual Rotor Motor
CN102152734A (en) * 2011-03-10 2011-08-17 北京理工大学 Three-mode power transmission device for hybrid vehicle
CN103587403A (en) * 2013-11-19 2014-02-19 北京理工大学 Multi-axle multi-wheel vehicle hybrid electric driving system

Also Published As

Publication number Publication date
CN108340766A (en) 2018-07-31

Similar Documents

Publication Publication Date Title
CN109130830B (en) Transmissions and power systems for hybrid vehicles
JP7053951B2 (en) Power system for hybrid vehicles
CN101913323B (en) Powertrain with dual rotor motor/generator
CN102009590B (en) Electric stepless speed changer with three-gear speed change function and power drive mode thereof
CN103770625B (en) A kind of hybrid power vehicle double row planetary gear row's formula power coupling mechanism
US20170282702A1 (en) Hybrid transmission having fixed gear shift stage
CN108909433B (en) Powertrain for hybrid vehicle
CN107599823B (en) Differential multimode hybrid vehicle drive system
CN102310756B (en) Hybrid power automobile and power assembly for hybrid power automobile
JP2019050706A (en) Drive unit for electric vehicle
CN108340766B (en) Hybrid power system, vehicle and control method thereof
CN102310758B (en) Single clutch, two planetary hybrid architecture
CN105667295A (en) Integrated two-gear hybrid electric vehicle driving system with double-rotor motor
CN109986949B (en) Hybrid power driving system and vehicle
JP2015024793A (en) Hybrid vehicle drive device
CN204895102U (en) Torque coupling and rotational speed coupling driving system
WO2013140542A1 (en) Drive control device for hybrid vehicle
CN202782641U (en) Hybrid power driving device
CN207809039U (en) Hybrid electric drive system and vehicle
CN207670178U (en) Differential multimodal fusion power car drive system
CN115519995A (en) Gearbox, hybrid power system and automobile
KR102578581B1 (en) Power train for plug-in hybrid vehicle using multi-functional starter-generator and control method thereof
EP4474189A1 (en) Hybrid power assembly and vehicle
CN114987190B (en) Hybrid power system and hybrid power vehicle with same
CN116872712A (en) Hybrid power system, driving control method and vehicle

Legal Events

Date Code Title Description
PB01 Publication
PB01 Publication
SE01 Entry into force of request for substantive examination
SE01 Entry into force of request for substantive examination
GR01 Patent grant
GR01 Patent grant