CN107340408B - 一种消弧线圈调试用电容电流发生器 - Google Patents

一种消弧线圈调试用电容电流发生器 Download PDF

Info

Publication number
CN107340408B
CN107340408B CN201710615269.4A CN201710615269A CN107340408B CN 107340408 B CN107340408 B CN 107340408B CN 201710615269 A CN201710615269 A CN 201710615269A CN 107340408 B CN107340408 B CN 107340408B
Authority
CN
China
Prior art keywords
output
control panel
capacitor
power supply
current generator
Prior art date
Legal status (The legal status is an assumption and is not a legal conclusion. Google has not performed a legal analysis and makes no representation as to the accuracy of the status listed.)
Active
Application number
CN201710615269.4A
Other languages
English (en)
Other versions
CN107340408A (zh
Inventor
宗克辉
郑芳芳
张龙飞
王磊
祖文超
赵西鹏
顾妍
张喻喆
陈兰芝
寇鹏
佘彦杰
钱晔
刘海东
钟代宁
卢淼
任幼逢
Current Assignee (The listed assignees may be inaccurate. Google has not performed a legal analysis and makes no representation or warranty as to the accuracy of the list.)
Luoyang Power Supply Co of State Grid Henan Electric Power Co Ltd
State Grid Corp of China SGCC
Original Assignee
Luoyang Power Supply Co of State Grid Henan Electric Power Co Ltd
State Grid Corp of China SGCC
Priority date (The priority date is an assumption and is not a legal conclusion. Google has not performed a legal analysis and makes no representation as to the accuracy of the date listed.)
Filing date
Publication date
Application filed by Luoyang Power Supply Co of State Grid Henan Electric Power Co Ltd, State Grid Corp of China SGCC filed Critical Luoyang Power Supply Co of State Grid Henan Electric Power Co Ltd
Priority to CN201710615269.4A priority Critical patent/CN107340408B/zh
Publication of CN107340408A publication Critical patent/CN107340408A/zh
Application granted granted Critical
Publication of CN107340408B publication Critical patent/CN107340408B/zh
Active legal-status Critical Current
Anticipated expiration legal-status Critical

Links

Images

Classifications

    • GPHYSICS
    • G01MEASURING; TESTING
    • G01RMEASURING ELECTRIC VARIABLES; MEASURING MAGNETIC VARIABLES
    • G01R1/00Details of instruments or arrangements of the types included in groups G01R5/00 - G01R13/00 and G01R31/00
    • G01R1/02General constructional details
    • GPHYSICS
    • G01MEASURING; TESTING
    • G01RMEASURING ELECTRIC VARIABLES; MEASURING MAGNETIC VARIABLES
    • G01R31/00Arrangements for testing electric properties; Arrangements for locating electric faults; Arrangements for electrical testing characterised by what is being tested not provided for elsewhere
    • YGENERAL TAGGING OF NEW TECHNOLOGICAL DEVELOPMENTS; GENERAL TAGGING OF CROSS-SECTIONAL TECHNOLOGIES SPANNING OVER SEVERAL SECTIONS OF THE IPC; TECHNICAL SUBJECTS COVERED BY FORMER USPC CROSS-REFERENCE ART COLLECTIONS [XRACs] AND DIGESTS
    • Y02TECHNOLOGIES OR APPLICATIONS FOR MITIGATION OR ADAPTATION AGAINST CLIMATE CHANGE
    • Y02EREDUCTION OF GREENHOUSE GAS [GHG] EMISSIONS, RELATED TO ENERGY GENERATION, TRANSMISSION OR DISTRIBUTION
    • Y02E40/00Technologies for an efficient electrical power generation, transmission or distribution
    • Y02E40/30Reactive power compensation

Landscapes

  • Physics & Mathematics (AREA)
  • General Physics & Mathematics (AREA)
  • Testing Electric Properties And Detecting Electric Faults (AREA)

Abstract

一种消弧线圈调试用电容电流发生器,涉及消弧线圈测试辅助设备领域,本发明通过在箱体(10)腔体的上部设有控制面板(1),在箱体腔体的下部设有安装板(16),在所述安装板上分别设有输出模块和控制模块,对其一次运行情况和二次控制情况全部进行测试,弥补了现阶段消弧线圈补偿效果无法测试这一空白,大幅提高消弧线圈运维检修效率,具有极高的推广价值,本发明具有结构简单,操作方便等特点,适合大范围的推广和应用。

Description

一种消弧线圈调试用电容电流发生器
技术领域
本发明涉及消弧线圈测试辅助设备领域,具体涉及一种消弧线圈调试用电容电流发生器。
背景技术
已知的,随着城乡电网的扩大及电缆出线的增多,系统对地电容电流急剧增加,单相接地后流经故障电流较大,电弧不易熄灭,容易产生间隙性弧光接地过电压,导致事故跳闸率明显上升。
为了解决上述问题,全国电网普遍采用了谐振接地方式,即在中性点装设消弧线圈。当发生单相接地时,由于消弧线圈产生的感性电流补偿了故障点的电容电流,因而使故障点的残流变小,从而达到自然熄弧,防止事故扩大甚至消除事故的目的。
以河南省为例,仅2016年一年全省新增消弧线圈201台。目前,河南省供电公司维护消弧线圈数已经多达1274台,今后数量将不断增多。发明人进一步对洛阳市供电公司2016年消弧线圈缺陷进行了统计,发现跟踪补偿不到位缺陷共发生10余起。这种缺陷影响大,一旦发生,将会加大电网故障风险。
由于检修人员对消弧线圈跟踪补偿能力缺乏测试手段。目前,我们通常的试验方法是在消弧线圈控制器端子排处加入电流和电压,进行模拟测试,仅能观察出消弧线圈自动补偿装置电压、电流显示和运行指示信号是否正常,不能反映消弧线圈的跟踪补偿能力,对其运行状态不能完全把控,也为跟踪补偿不到位缺陷的发生埋下隐患。
经过调查发现,市场上没有符合要求的仪器可供购买。同时,厂家现场调试时,仅利用几个电容器串联在消弧线圈上测试,调试设备简陋,试验结果不可靠,而且费用较高等。
发明内容
为克服背景技术中存在的不足,本发明提供了一种消弧线圈调试用电容电流发生器, 本发明对其一次运行情况和二次控制情况全部进行测试,弥补了现阶段消弧线圈补偿效果无法测试这一空白,大幅提高消弧线圈运维检修效率,具有极高的推广价值。
为实现如上所述的发明目的,本发明采用如下所述的技术方案:
一种消弧线圈调试用电容电流发生器,包括控制面板、箱体、输出模块和控制模块,在所述箱体腔体的上部设有控制面板,在箱体腔体的下部设有安装板,在所述安装板上分别设有输出模块和控制模块,所述控制模块中的调档旋钮设置在控制面板的中部,在调档旋钮右侧的控制面板上分别设有插头A、插头B和输出空开,在调档旋钮左侧的控制面板上分别设有电源插座、电源指示灯和输入空开,所述电源插座通过电缆线外接电源,电源插座通过线路分别连接直流电源和输出电源的输入端,所述调档旋钮通过线路连接控制板的输入端子,控制模块中的直流电源的输出端与抗干扰部件并联后通过线路连接控制板的输入端子,控制板的输出端子连接继电器组的线圈端,在控制板的输出端子上通过线路并联保护部件,所述输出模块中输出电源的输出端通过线路依次并联电源指示灯、输入空开、输出电容组、输出空开、插头A和插头B,所述输出电容组中每个电容器分别与继电器组中的每个继电器辅助接点串联后,然后再并联在输出回路中,通过辅助接点的通断来控制电容器的投切,从而实现对输出电容器电流大小的控制。
所述的消弧线圈调试用电容电流发生器,所述控制面板上设有接地插头。
所述的消弧线圈调试用电容电流发生器,所述箱体为塑料箱或铝合金箱或铁箱中的任意一种。
所述的消弧线圈调试用电容电流发生器,所述输出电容组中的输出电容为CBB65型电容器或直插铝电解电容器或CD60型电容器。
所述的消弧线圈调试用电容电流发生器,所述CBB65型电容器设置为五个,电容大小分别为5μF、10μF、20μF、40μF、80μF。
所述的消弧线圈调试用电容电流发生器,所述调档旋钮为DCRS-01J数字式编码开关或LA38-11DNZS自锁式按钮开关或USR-R16-T手机APP。
所述的消弧线圈调试用电容电流发生器,所述控制板为ULN2003驱动芯片。
所述的消弧线圈调试用电容电流发生器,所述输出电源为R320变压器或单相调压器或JMB-500VA控制变压器。
采用如上所述的技术方案,本发明具有如下所述的优越性:
本发明通过在箱体腔体的上部设有控制面板,在箱体腔体的下部设有安装板,在所述安装板上分别设有输出模块和控制模块,对其一次运行情况和二次控制情况全部进行测试,弥补了现阶段消弧线圈补偿效果无法测试这一空白,大幅提高消弧线圈运维检修效率,具有极高的推广价值,本发明具有结构简单,操作方便等特点,适合大范围的推广和应用。
附图说明
图1是本发明的立体结构示意图;
图2是本发明中安装板的结构示意图;
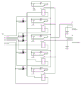
图3是本发明中继电器部件的电气原理图
图4是本发明的模拟测试图;
在图中:1、控制面板;2、接地插头;3、电源插座;4、电源指示灯;5、输入空开;6、调档旋钮;7、插头A;8、插头B;9、输出空开;10、箱体;11、输出电容组;12、直流电源;13、继电器组;14、输出电源;15、控制板;16、安装板。
具体实施方式
通过下面的实施例可以更详细的解释本发明,本发明并不局限于下面的实施例;
结合附图1~4所述的一种消弧线圈调试用电容电流发生器,包括控制面板1、箱体10、输出模块和控制模块,在所述箱体10腔体的上部设有控制面板1,在箱体10腔体的下部设有安装板16,在所述安装板16上分别设有输出模块和控制模块,所述控制面板1上设有接地插头2,其作用是防止仪器因故障突然带电时,对工作人员造成伤害,所述箱体10为塑料箱或铝合金箱或铁箱中的任意一种,在具体实施过程中优选铝合金箱;
进一步,所述控制模块中的调档旋钮6设置在控制面板1的中部,在调档旋钮6右侧的控制面板1上分别设有插头A7、插头B8和输出空开9,在调档旋钮6左侧的控制面板1上分别设有电源插座3、电源指示灯4和输入空开5,所述电源插座3通过电缆线外接电源,电源插座3通过线路分别连接控制模块中直流电源12和输出模块中输出电源14的输入端;
进一步,所述调档旋钮6通过线路连接控制板15的输入端子,控制模块中的直流电源12的输出端与抗干扰部件并联后通过线路连接控制板15的输入端子,控制板15的输出端子连接继电器组13的线圈端,在控制板15的输出端子上通过线路并联保护部件;
进一步,所述输出模块中输出电源14的输出端通过线路依次并联电源指示灯4、输入空开5、输出电容组11、输出空开9、插头A7和插头B8,所述输出电容组11中每个电容器分别与继电器组13中的每个继电器辅助接点串联后,然后再并联在输出回路中,通过辅助接点的通断来控制电容器的投切,从而实现对输出电容器电流大小的控制,同时,通过调档旋钮6控制继电器组13,从而实现对辅助接点通断的控制。
其中所述输出电容组11中的输出电容为CBB65型电容器或直插铝电解电容器或CD60型电容器,其中优选CBB65型电容器,在具体实施过程中,所述CBB65型电容器设置为五个,电容大小分别为5μF、10μF、20μF、40μF、80μF,所述调档旋钮6为DCRS-01J数字式编码开关或LA38-11DNZS自锁式按钮开关或USR-R16-T手机APP,其中优选DCRS-01J数字式编码开关,所述控制板15为ULN2003驱动芯片,所述输出电源14为R320变压器或单相调压器或JMB-500VA控制变压器。
本发明中插头A7和插头B8的作用是连接一次设备;电源指示灯4的作用是可实时显示装置带电情况;输入空开5佩带漏电保护器,防止内部故障时损坏仪器;调档旋钮6的作用是通过档位调节,实现对消弧线圈自动补偿功能的测试;输出空开9的作用是为保证人身和设备安全,对输出电压加以控制。
本发明未详述部分为现有技术。
为了公开本发明的目的而在本文中选用的实施例,当前认为是适宜的,但是,应了解的是,本发明旨在包括一切属于本构思和发明范围内的实施例的所有变化和改进。

Claims (6)

1.一种消弧线圈调试用电容电流发生器,包括控制面板(1)、箱体(10)、输出模块和控制模块,其特征是:在所述箱体(10)腔体的上部设有控制面板(1),在箱体(10)腔体的下部设有安装板(16),在所述安装板(16)上分别设有输出模块和控制模块,所述控制模块中的调档旋钮(6)设置在控制面板(1)的中部,所述控制面板(1)上设有接地插头(2),在调档旋钮(6)右侧的控制面板(1)上分别设有插头A(7)、插头B(8)和输出空开(9),在调档旋钮(6)左侧的控制面板(1)上分别设有电源插座(3)、电源指示灯(4)和输入空开(5),所述电源插座(3)通过电缆线外接电源,电源插座(3)通过线路分别连接直流电源(12)和输出电源(14)的输入端,所述调档旋钮(6)通过线路连接控制板(15)的输入端子,控制模块中的直流电源(12)的输出端与抗干扰部件并联后通过线路连接控制板(15)的输入端子,控制板(15)的输出端子连接继电器组(13)的线圈端,在控制板(15)的输出端子上通过线路并联保护部件,所述输出模块中输出电源(14)的输出端通过线路依次并联电源指示灯(4)、输入空开(5)、输出电容组(11)、输出空开(9)、插头A(7)和插头B(8),所述输出电容组(11)中每个电容器分别与继电器组(13)中的每个继电器辅助接点串联后,然后再并联在输出回路中,通过辅助接点的通断来控制电容器的投切,从而实现对输出电容器电流大小的控制,所述输出电容组(11)中的输出电容为CBB65型电容器或直插铝电解电容器或CD60型电容器。
2.根据权利要求1所述的消弧线圈调试用电容电流发生器,其特征是:所述箱体(10)为塑料箱或铝合金箱或铁箱中的任意一种。
3.根据权利要求1所述的消弧线圈调试用电容电流发生器,其特征是:所述CBB65型电容器设置为五个,电容大小分别为5μF、10μF、20μF、40μF、80μF。
4.根据权利要求1所述的消弧线圈调试用电容电流发生器,其特征是:所述调档旋钮(6)为DCRS-01J数字式编码开关或LA38-11DNZS自锁式按钮开关或USR-R16-T手机APP。
5.根据权利要求1所述的消弧线圈调试用电容电流发生器,其特征是:所述控制板(15)为ULN2003驱动芯片。
6.根据权利要求1所述的消弧线圈调试用电容电流发生器,其特征是:所述输出电源(14)为R320变压器或单相调压器或JMB-500VA控制变压器。
CN201710615269.4A 2017-07-26 2017-07-26 一种消弧线圈调试用电容电流发生器 Active CN107340408B (zh)

Priority Applications (1)

Application Number Priority Date Filing Date Title
CN201710615269.4A CN107340408B (zh) 2017-07-26 2017-07-26 一种消弧线圈调试用电容电流发生器

Applications Claiming Priority (1)

Application Number Priority Date Filing Date Title
CN201710615269.4A CN107340408B (zh) 2017-07-26 2017-07-26 一种消弧线圈调试用电容电流发生器

Publications (2)

Publication Number Publication Date
CN107340408A CN107340408A (zh) 2017-11-10
CN107340408B true CN107340408B (zh) 2023-06-09

Family

ID=60217498

Family Applications (1)

Application Number Title Priority Date Filing Date
CN201710615269.4A Active CN107340408B (zh) 2017-07-26 2017-07-26 一种消弧线圈调试用电容电流发生器

Country Status (1)

Country Link
CN (1) CN107340408B (zh)

Families Citing this family (1)

* Cited by examiner, † Cited by third party
Publication number Priority date Publication date Assignee Title
CN113341245B (zh) * 2021-05-24 2022-05-17 国网陕西省电力公司西安供电公司 远程控制的消弧线圈测试系统及测试方法

Citations (5)

* Cited by examiner, † Cited by third party
Publication number Priority date Publication date Assignee Title
EP0083306A1 (de) * 1981-12-22 1983-07-06 Elektrizitätswerke des Kantons Zürich Verfahren und Vorrichtung zur Regulierung wenigstens einer Löschspule in einem mehrphasigen Netz
CN201237626Y (zh) * 2008-08-07 2009-05-13 思源电气股份有限公司 消弧线圈调试装置
CN102087323A (zh) * 2010-11-29 2011-06-08 山东电力集团公司威海供电公司 一种消弧线圈调试装置
CN106199300A (zh) * 2016-06-21 2016-12-07 国网河南省电力公司漯河供电公司 一种小电流接地系统故障选线装置的测试方法
CN206990632U (zh) * 2017-07-26 2018-02-09 国网河南省电力公司洛阳供电公司 一种消弧线圈调试用电容电流发生器

Patent Citations (5)

* Cited by examiner, † Cited by third party
Publication number Priority date Publication date Assignee Title
EP0083306A1 (de) * 1981-12-22 1983-07-06 Elektrizitätswerke des Kantons Zürich Verfahren und Vorrichtung zur Regulierung wenigstens einer Löschspule in einem mehrphasigen Netz
CN201237626Y (zh) * 2008-08-07 2009-05-13 思源电气股份有限公司 消弧线圈调试装置
CN102087323A (zh) * 2010-11-29 2011-06-08 山东电力集团公司威海供电公司 一种消弧线圈调试装置
CN106199300A (zh) * 2016-06-21 2016-12-07 国网河南省电力公司漯河供电公司 一种小电流接地系统故障选线装置的测试方法
CN206990632U (zh) * 2017-07-26 2018-02-09 国网河南省电力公司洛阳供电公司 一种消弧线圈调试用电容电流发生器

Non-Patent Citations (1)

* Cited by examiner, † Cited by third party
Title
裴善鹏 ; 连鸿波 ; 李万彬 ; 王璐 ; .快速调匝式消弧线圈及接地选线一体化装置研究.现代电力.2006,(01),全文. *

Also Published As

Publication number Publication date
CN107340408A (zh) 2017-11-10

Similar Documents

Publication Publication Date Title
CN102967826B (zh) 一种特高压工程用投切电容器组断路器电寿命试验方法
CN201955459U (zh) 10kV配电网线路故障模拟试验平台
CN109001591A (zh) 一种10kV配电网一次设备智能运检技术试验平台
CN104900118A (zh) 一种10kV配网故障体感实训设备
CN102087323A (zh) 一种消弧线圈调试装置
CN201364372Y (zh) 接线装置以及包括其的极性试验系统和变比试验系统
CN201886097U (zh) 一种消弧线圈调试装置
CN107340408B (zh) 一种消弧线圈调试用电容电流发生器
CN2619355Y (zh) 继电保护带电校验仪
CN206990632U (zh) 一种消弧线圈调试用电容电流发生器
CN209028866U (zh) 一种用于实操培训的10kV线路保护模拟系统
CN205720536U (zh) 交流滤波器用断路器交直流混合耐压接线回路
CN205195110U (zh) 一种可遥控、遥测和遥信的光伏电站箱式变电站
CN201307152Y (zh) 移动式真空断路器老练试验装置
CN206932168U (zh) 一种消弧线圈调试用电容电流发生器控制模块
CN204229714U (zh) 一种小型电力系统的实验设备
CN203337754U (zh) 消谐器检测装置
CN203761134U (zh) 风电场用基于ats的双电源站用电进线屏
CN206960520U (zh) 一种消弧线圈调试用电容电流发生器面板
CN204615232U (zh) 一种箱式变电站
CN201682259U (zh) 带漏电保护、无功补偿的智能一体化电路
CN207114591U (zh) 一种消弧线圈调试用电容电流发生器箱体
CN107332439A (zh) 一种消弧线圈调试用电容电流发生器控制模块
CN111751607A (zh) 电力消弧线圈控制器测试装置
CN112505458B (zh) 一种电容电感板件低压测试工装的使用方法

Legal Events

Date Code Title Description
PB01 Publication
PB01 Publication
SE01 Entry into force of request for substantive examination
SE01 Entry into force of request for substantive examination
GR01 Patent grant
GR01 Patent grant