CN107131922B - 喷油嘴流量测试系统 - Google Patents
喷油嘴流量测试系统 Download PDFInfo
- Publication number
- CN107131922B CN107131922B CN201610104961.6A CN201610104961A CN107131922B CN 107131922 B CN107131922 B CN 107131922B CN 201610104961 A CN201610104961 A CN 201610104961A CN 107131922 B CN107131922 B CN 107131922B
- Authority
- CN
- China
- Prior art keywords
- test
- flow
- pipeline
- oil nozzle
- meter
- Prior art date
- Legal status (The legal status is an assumption and is not a legal conclusion. Google has not performed a legal analysis and makes no representation as to the accuracy of the status listed.)
- Active
Links
- 238000012360 testing method Methods 0.000 title claims abstract description 62
- 239000000446 fuel Substances 0.000 title claims description 14
- 239000007921 spray Substances 0.000 title claims description 5
- 238000006073 displacement reaction Methods 0.000 claims abstract description 24
- 238000001514 detection method Methods 0.000 claims abstract description 17
- 230000001105 regulatory effect Effects 0.000 claims abstract description 14
- 238000000034 method Methods 0.000 claims description 5
- 238000010586 diagram Methods 0.000 description 1
- 238000012544 monitoring process Methods 0.000 description 1
- 238000006467 substitution reaction Methods 0.000 description 1
Images
Classifications
-
- G—PHYSICS
- G01—MEASURING; TESTING
- G01F—MEASURING VOLUME, VOLUME FLOW, MASS FLOW OR LIQUID LEVEL; METERING BY VOLUME
- G01F3/00—Measuring the volume flow of fluids or fluent solid material wherein the fluid passes through the meter in successive and more or less isolated quantities, the meter being driven by the flow
-
- F—MECHANICAL ENGINEERING; LIGHTING; HEATING; WEAPONS; BLASTING
- F02—COMBUSTION ENGINES; HOT-GAS OR COMBUSTION-PRODUCT ENGINE PLANTS
- F02M—SUPPLYING COMBUSTION ENGINES IN GENERAL WITH COMBUSTIBLE MIXTURES OR CONSTITUENTS THEREOF
- F02M65/00—Testing fuel-injection apparatus, e.g. testing injection timing ; Cleaning of fuel-injection apparatus
Landscapes
- Engineering & Computer Science (AREA)
- Chemical & Material Sciences (AREA)
- Combustion & Propulsion (AREA)
- Mechanical Engineering (AREA)
- General Engineering & Computer Science (AREA)
- Physics & Mathematics (AREA)
- Fluid Mechanics (AREA)
- General Physics & Mathematics (AREA)
- Measuring Volume Flow (AREA)
- Testing Of Devices, Machine Parts, Or Other Structures Thereof (AREA)
Abstract
本发明公开了一种喷油嘴流量测试系统,包括测试夹具和传感检测装置。其中,所述测试夹具包括夹具座、工件夹具、测试轴和位移指针表;所述传感检测装置包括气源管路、测试管路和气压调节阀和流量显示计。本发明结构简单、易于制备。能够在一定压力状态下、模拟油嘴顶针从全关到一定位移量下的空气流量,同时实时监控空气流量值,有效判定产品质量。
Description
技术领域
本发明属于汽车零配件检测技术。涉及喷油嘴的测试设备,具体来说:涉及一种喷油嘴流量测试系统。
背景技术
随着时代的进步,我国已经进入了全民汽车时代。喷油嘴作为一个非常重要的汽车零部件,其产品质量的好坏直接关系到开车人的生命和财产安全。如何研发出一种在一定压力状态下、模拟油嘴顶针从全关到一定位移量下的空气流量,并监控流量的实时值,以判定产品质量是本领域技术人员需要研究的课题。
发明内容
为解决上述问题,本发明提供了一种喷油嘴流量测试系统。
其采用的方案如下:
一种喷油嘴流量测试系统,包括测试夹具和传感检测装置。其中,所述测试夹具包括夹具座、工件夹具、测试轴和位移指针表;所述传感检测装置包括气源管路、测试管路和气压调节阀和流量显示计。
所述工件夹具固定于夹具支座下端面、用于夹持喷油嘴;所述测试轴的头部穿过夹具支座上的通孔、伸入工件固定夹具中、顶于喷油嘴顶部;所述测试轴的尾部位于夹具支座中、该尾部上设有外螺纹;所述夹具支座的通孔中设有与之对应的内螺纹;所述位移指针表包括顶杆和指针表本体;所述顶杆一端伸入指针表本体内、另一端顶紧于测试轴的尾部端面,所述指针表本体用于显示顶杆在指针表本体内的运动进程;所述工件夹具上设有导通至喷油嘴出口的流量出口接头及导通至喷油嘴入口的气源入口接头;所述气源管路连接气源入口接头、用于对喷油嘴入口射出检测气流;所述测试管路连接流量出口接头、用于检测喷油嘴出口射出的气体流量;所述气压调节阀用于调节气源管路的输出气压;所述流量显示计用于显示测试管路的检测结果。
通过采用这种技术方案:调整测试轴,使测试轴堵死喷油嘴顶部入口令喷油嘴处于全关状态或者令测试轴相对喷油嘴顶部入口运动一定位移量令喷油嘴处于导通状态。通过与测试轴连接的位移指针表读取测试轴的实际运动行程。然后,在喷油嘴处于各状态时分别以气压调节阀控制由气源管路输入喷油嘴入口的气压值,通过测试管路分别测得喷油嘴在测试轴处于各位移量的状态下其空气流量值。对照行业标准测评该产品的产品质量情况。
优选的是,上述喷油嘴流量测试系统中:所述流量显示计为数字式流量显示计;所述位移指针表为位移百分表。
与现有技术相比,本发明结构简单、易于制备。能够在一定压力状态下、模拟油嘴顶针从全关到一定位移量下的空气流量,同时实时监控空气流量值,有效判定产品质量。
附图说明
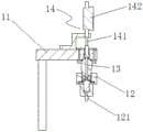
图1为本发明实施例1的结构示意图。
图2为图1中的局部放大图;
图3为图2沿C-C的剖面视图,本图省略了位移指针表的内部零件结构。
附图标记和具体部件名称对应关系如下:
1、测试夹具;2、传感检测装置;11、夹具座;12、工件夹具;13、测试轴;14、位移指针表;21、气源管路;22、测试管路;23、气压调节阀;24、流量显示计;121、流量出口接头;122、气源入口接头;141、顶杆;142、指针表本体。
具体实施方式
如图1-3所示本发明的实施例1:
一种喷油嘴流量测试系统,包括测试夹具1和传感检测装置2。所述测试夹具1包括夹具座11、工件夹具12、测试轴13和位移指针表14;所述传感检测装置2包括气源管路21、测试管路22和气压调节阀23和流量显示计24。
其中,所述工件夹具12固定于夹具支座11下端面、用于夹持喷油嘴;所述测试轴13的头部穿过夹具支座11上的通孔、伸入工件固定夹具12中、顶于喷油嘴上;所述测试轴13的尾部位于夹具支座11中、该尾部上设有外螺纹;所述夹具支座11的通孔中设有与之对应的内螺纹;所述位移指针表14包括顶杆141和指针表本体142;所述顶杆141一端伸入指针表本体142内、另一端顶紧于测试轴13的尾部端面,所述指针表本体142用于显示顶杆141在指针表本体142内的运动进程;所述工件夹具12上设有导通至喷油嘴出口的流量出口接头121及导通至喷油嘴入口的气源入口接头122。所述气源管路21连接气源入口接头122、用于对喷油嘴入口射出检测气流;所述测试管路22连接流量出口接头121、用于检测喷油嘴出口射出的气体流量;所述气压调节阀23用于调节气源管路21的输出气压;所述流量显示计24用于显示测试管路22的检测结果。其中,所述流量显示计24为数字式流量显示计;所述位移指针表14为位移百分表。
实践中,其检测过程如下:
首先调整测试轴13向下运动,使测试轴13的头部堵死喷油嘴顶部入口,令喷油嘴处于全关状态。此时,与测试轴13连接的位移指针表14其运动行程为0。调节气压调节阀23,控制气源管路21由气源入口接头122输入喷油嘴的气压值。同时通过测试管路22检测喷油嘴从流量出口接头121流出的空气流量值。随后,调整调整测试轴13向上运动,令测试轴13相对喷油嘴顶部入口运动一定位移量,令喷油嘴处于导通状态。此时,通过与测试轴13连接的位移指针表14读取测试轴的实际运动行程。调节气压调节阀23,控制气源管路21由气源入口接头122输入喷油嘴的气压值。同时通过测试管路22检测喷油嘴从流量出口接头121流出的空气流量值。对照行业标准测评该产品的产品质量情况。
以上所述,仅为本发明的具体实施例,但本发明的保护范围并不局限于此,任何熟悉本领域技术的技术人员在本发明公开的技术范围内,可轻易想到的变化或替换,都应涵盖在本发明的保护范围之内。本发明的保护范围以权利要求书的保护范围为准。
Claims (3)
1.一种喷油嘴流量测试系统,其特征在于:包括测试夹具(1)和传感检测装置(2);
所述测试夹具(1)包括夹具座(11)、工件夹具(12)、测试轴(13)和位移指针表(14);所述工件夹具(12)固定于夹具支座(11)下端面、用于夹持喷油嘴;所述测试轴(13)的头部穿过夹具支座(11)上的通孔、伸入工件固定夹具(12)中、顶于喷油嘴顶部;所述测试轴(13)的尾部位于夹具支座(11)中、该尾部上设有外螺纹;所述夹具支座(11)的通孔中设有与之对应的内螺纹;所述位移指针表(14)包括顶杆(141)和指针表本体(142);所述顶杆(141)一端伸入指针表本体(142)内、另一端顶紧于测试轴(13)的尾部端面,所述指针表本体(142)用于显示顶杆(141)在指针表本体(142)内的运动进程;所述工件夹具(12)上设有导通至喷油嘴出口的流量出口接头(121)及导通至喷油嘴入口的气源入口接头(122);
所述传感检测装置(2)包括气源管路(21)、测试管路(22)和气压调节阀(23)和流量显示计(24);所述气源管路(21)连接气源入口接头(122)、用于对喷油嘴入口射出检测气流;所述测试管路(22)连接流量出口接头(121)、用于检测喷油嘴出口射出的气体流量;所述气压调节阀(23)用于调节气源管路(21)的输出气压;所述流量显示计(24)用于显示测试管路(22)的检测结果。
2.如权利要求1所述一种喷油嘴流量测试系统,其特征在于:所述流量显示计(24)为数字式流量显示计。
3.如权利要求1或2所述一种喷油嘴流量测试系统,其特征在于:所述位移指针表(14)为位移百分表。
Priority Applications (1)
| Application Number | Priority Date | Filing Date | Title |
|---|---|---|---|
| CN201610104961.6A CN107131922B (zh) | 2016-02-26 | 2016-02-26 | 喷油嘴流量测试系统 |
Applications Claiming Priority (1)
| Application Number | Priority Date | Filing Date | Title |
|---|---|---|---|
| CN201610104961.6A CN107131922B (zh) | 2016-02-26 | 2016-02-26 | 喷油嘴流量测试系统 |
Publications (2)
| Publication Number | Publication Date |
|---|---|
| CN107131922A CN107131922A (zh) | 2017-09-05 |
| CN107131922B true CN107131922B (zh) | 2020-06-26 |
Family
ID=59721240
Family Applications (1)
| Application Number | Title | Priority Date | Filing Date |
|---|---|---|---|
| CN201610104961.6A Active CN107131922B (zh) | 2016-02-26 | 2016-02-26 | 喷油嘴流量测试系统 |
Country Status (1)
| Country | Link |
|---|---|
| CN (1) | CN107131922B (zh) |
Families Citing this family (1)
| Publication number | Priority date | Publication date | Assignee | Title |
|---|---|---|---|---|
| CN112146860A (zh) * | 2020-09-14 | 2020-12-29 | 大连船用柴油机有限公司 | 气缸油注油器喷射试验方法 |
Citations (6)
| Publication number | Priority date | Publication date | Assignee | Title |
|---|---|---|---|---|
| JP3032876B2 (ja) * | 1993-03-11 | 2000-04-17 | 株式会社タツノ・メカトロニクス | 給油装置 |
| CN2443349Y (zh) * | 2000-10-10 | 2001-08-15 | 张云奎 | 一种检测汽车喷油嘴用的量筒筒垫 |
| CN2483694Y (zh) * | 2001-01-11 | 2002-03-27 | 洛阳工学院 | 柴油机用多孔喷油嘴各喷孔流量检测试验台 |
| CN201173798Y (zh) * | 2007-11-30 | 2008-12-31 | 张志明 | 电喷汽车油耗测量装置及电喷汽车 |
| CN203908611U (zh) * | 2014-02-25 | 2014-10-29 | 浙江吉利控股集团有限公司 | 一种汽车燃油油耗监测装置 |
| CN204881725U (zh) * | 2015-07-24 | 2015-12-16 | 天津海泰科科技有限公司 | 间喷式柴油发动机喷油嘴空气流量测量装置 |
-
2016
- 2016-02-26 CN CN201610104961.6A patent/CN107131922B/zh active Active
Patent Citations (6)
| Publication number | Priority date | Publication date | Assignee | Title |
|---|---|---|---|---|
| JP3032876B2 (ja) * | 1993-03-11 | 2000-04-17 | 株式会社タツノ・メカトロニクス | 給油装置 |
| CN2443349Y (zh) * | 2000-10-10 | 2001-08-15 | 张云奎 | 一种检测汽车喷油嘴用的量筒筒垫 |
| CN2483694Y (zh) * | 2001-01-11 | 2002-03-27 | 洛阳工学院 | 柴油机用多孔喷油嘴各喷孔流量检测试验台 |
| CN201173798Y (zh) * | 2007-11-30 | 2008-12-31 | 张志明 | 电喷汽车油耗测量装置及电喷汽车 |
| CN203908611U (zh) * | 2014-02-25 | 2014-10-29 | 浙江吉利控股集团有限公司 | 一种汽车燃油油耗监测装置 |
| CN204881725U (zh) * | 2015-07-24 | 2015-12-16 | 天津海泰科科技有限公司 | 间喷式柴油发动机喷油嘴空气流量测量装置 |
Also Published As
| Publication number | Publication date |
|---|---|
| CN107131922A (zh) | 2017-09-05 |
Similar Documents
| Publication | Publication Date | Title |
|---|---|---|
| CN102400827B (zh) | 一种摩托车喷油器流量特性试验台 | |
| CN205655969U (zh) | 模拟气体阀门内漏的装置 | |
| CN109000859B (zh) | 一种气密性测试系统及方法 | |
| CN102411044A (zh) | 成岩作用模拟实验装置及方法 | |
| CN107655637B (zh) | 一种碘吸附器泄漏检测的脉冲式卤素气体检测方法及设备 | |
| CN203551050U (zh) | 气体流量仪表耐压安全与压力测试全自动检测装置 | |
| CN104375529B (zh) | 一种发动机喷嘴试验的压力控制系统 | |
| CN101201287A (zh) | 一种测试产品漏气量的装置 | |
| CN105444969A (zh) | 燃气电磁阀自动动作性能及泄漏测试机 | |
| CN107131922B (zh) | 喷油嘴流量测试系统 | |
| CN114486068A (zh) | 一种压力传感器性能参数校验测试装置 | |
| CN104034396B (zh) | 大量程活塞气体流量标准装置 | |
| CN105841642A (zh) | 一种拉瓦尔喷管喉径尺寸流体测量系统 | |
| CN100480665C (zh) | 流量比例阀特性曲线的测试方法 | |
| CN107869492A (zh) | 一种比例阀性能测试台 | |
| CN203519255U (zh) | 压力传感器调试用高精度气源装置 | |
| CN206847944U (zh) | 一种用于检测燃油喷嘴流量特性的工装 | |
| CN205262697U (zh) | 燃气电磁阀自动动作性能及泄漏测试机 | |
| CN205426484U (zh) | 先导式安全阀在线校验加压装置 | |
| CN205937307U (zh) | 一种伺服阀测试液压系统 | |
| CN205562162U (zh) | 一种半自动碳罐控制阀流量测试装置 | |
| CN108955839B (zh) | 电子皂膜流量自动检定装置 | |
| CN209102368U (zh) | 一种液力缓速器控制阀检测系统 | |
| CN203572617U (zh) | 用于对测量液体压力的传感器进行检验的测试装置 | |
| CN203148660U (zh) | 一种气动阀响应时间的检测系统 |
Legal Events
| Date | Code | Title | Description |
|---|---|---|---|
| PB01 | Publication | ||
| PB01 | Publication | ||
| SE01 | Entry into force of request for substantive examination | ||
| SE01 | Entry into force of request for substantive examination | ||
| GR01 | Patent grant | ||
| GR01 | Patent grant |