CN106332340B - 一种电磁加热装置及其加热方法 - Google Patents
一种电磁加热装置及其加热方法 Download PDFInfo
- Publication number
- CN106332340B CN106332340B CN201510385966.6A CN201510385966A CN106332340B CN 106332340 B CN106332340 B CN 106332340B CN 201510385966 A CN201510385966 A CN 201510385966A CN 106332340 B CN106332340 B CN 106332340B
- Authority
- CN
- China
- Prior art keywords
- unit
- power
- microprocessor
- energy storage
- electromagnetic
- Prior art date
- Legal status (The legal status is an assumption and is not a legal conclusion. Google has not performed a legal analysis and makes no representation as to the accuracy of the status listed.)
- Active
Links
- 238000010438 heat treatment Methods 0.000 title claims abstract description 81
- 238000000034 method Methods 0.000 title claims abstract description 16
- 238000006243 chemical reaction Methods 0.000 claims abstract description 110
- 238000004146 energy storage Methods 0.000 claims abstract description 73
- XLYOFNOQVPJJNP-UHFFFAOYSA-N water Substances O XLYOFNOQVPJJNP-UHFFFAOYSA-N 0.000 claims description 69
- 238000001914 filtration Methods 0.000 claims description 26
- 238000005070 sampling Methods 0.000 claims description 16
- 239000003990 capacitor Substances 0.000 claims description 15
- 238000012546 transfer Methods 0.000 claims description 4
- 230000011664 signaling Effects 0.000 claims 1
- 238000010586 diagram Methods 0.000 description 15
- 239000002699 waste material Substances 0.000 description 4
- 238000007599 discharging Methods 0.000 description 3
- 230000008569 process Effects 0.000 description 3
- CURLTUGMZLYLDI-UHFFFAOYSA-N Carbon dioxide Chemical compound O=C=O CURLTUGMZLYLDI-UHFFFAOYSA-N 0.000 description 2
- 238000012986 modification Methods 0.000 description 2
- 230000004048 modification Effects 0.000 description 2
- 238000006467 substitution reaction Methods 0.000 description 2
- 230000001131 transforming effect Effects 0.000 description 2
- HBBGRARXTFLTSG-UHFFFAOYSA-N Lithium ion Chemical compound [Li+] HBBGRARXTFLTSG-UHFFFAOYSA-N 0.000 description 1
- 230000009286 beneficial effect Effects 0.000 description 1
- 230000033228 biological regulation Effects 0.000 description 1
- 229910002092 carbon dioxide Inorganic materials 0.000 description 1
- 239000001569 carbon dioxide Substances 0.000 description 1
- 238000002485 combustion reaction Methods 0.000 description 1
- 238000004891 communication Methods 0.000 description 1
- 238000013461 design Methods 0.000 description 1
- 238000011161 development Methods 0.000 description 1
- 230000000694 effects Effects 0.000 description 1
- 230000005611 electricity Effects 0.000 description 1
- 238000005516 engineering process Methods 0.000 description 1
- 230000007613 environmental effect Effects 0.000 description 1
- 230000020169 heat generation Effects 0.000 description 1
- 230000006872 improvement Effects 0.000 description 1
- 230000006698 induction Effects 0.000 description 1
- 239000012212 insulator Substances 0.000 description 1
- 229910001416 lithium ion Inorganic materials 0.000 description 1
- 238000012545 processing Methods 0.000 description 1
- 230000009466 transformation Effects 0.000 description 1
Images
Classifications
-
- Y—GENERAL TAGGING OF NEW TECHNOLOGICAL DEVELOPMENTS; GENERAL TAGGING OF CROSS-SECTIONAL TECHNOLOGIES SPANNING OVER SEVERAL SECTIONS OF THE IPC; TECHNICAL SUBJECTS COVERED BY FORMER USPC CROSS-REFERENCE ART COLLECTIONS [XRACs] AND DIGESTS
- Y02—TECHNOLOGIES OR APPLICATIONS FOR MITIGATION OR ADAPTATION AGAINST CLIMATE CHANGE
- Y02B—CLIMATE CHANGE MITIGATION TECHNOLOGIES RELATED TO BUILDINGS, e.g. HOUSING, HOUSE APPLIANCES OR RELATED END-USER APPLICATIONS
- Y02B40/00—Technologies aiming at improving the efficiency of home appliances, e.g. induction cooking or efficient technologies for refrigerators, freezers or dish washers
Landscapes
- Charge And Discharge Circuits For Batteries Or The Like (AREA)
- General Induction Heating (AREA)
Abstract
本发明涉及电磁学领域,尤其涉及一种电磁加热装置。其包括电磁转换模块和发热模块;所述电磁转换模块包括驱动变换单元、微处理器、储能单元和负载线圈,所述负载线圈用于通过所述驱动变换单元与电源连接,所述微处理器与所述储能单元、驱动变换单元连接;所述微处理器用于接收所述电磁转换模块开启工作的信号,并在所述电磁转换模块开启工作时控制所述储能单元向所述负载线圈释放电能,同时控制所述电源为所述负载线圈供电。此外,本发明还提供了一种电磁加热装置的加热方法。
Description
技术领域
本发明涉及电磁学领域,尤其涉及一种电磁加热装置及其加热方法。
背景技术
能源问题和环境问题一直是社会关注的重大课题。随着科技的发展和城镇居民生活水平的提高,对清洁能源的需求日益迫切。然而,目前的燃气热水器燃烧会大量排放二氧化碳,且存在很多安全隐患。
常见的电热水器有储水式热水器和普通电热水器,储水式热水器其体积大、加热效率低。普通电热水器通常是通过电阻丝来给水加热,由于给水加热需要一定的时间,在打开水龙头的一瞬间,不可避免的会有一定量的冷水流出,使用者一般是待水温升高后才会用水,这种现象在气候比较寒冷的区域尤为严重。冷水的流出不仅给使用者带来不便,还会造成水资源的大量浪费。
发明内容
有鉴于此,本发明提供一种有利于避免水资源浪费、能够实现快速加热的电磁加热装置及其加热方法。
本发明提供的所述电磁加热装置包括电磁转换模块和发热模块;所述电磁转换模块包括驱动变换单元、微处理器、储能单元和负载线圈,所述负载线圈用于通过所述驱动变换单元与电源连接,所述微处理器与所述储能单元、驱动变换单元连接;所述微处理器用于接收所述电磁转换模块开启工作的信号,并在所述电磁转换模块开启工作时控制所述储能单元向所述负载线圈释放电能,同时控制所述电源为所述负载线圈供电。
本发明提供的所述电磁加热装置中,所述微处理器在接收到所述电磁加热装置开启工作的信号的一预定时间段内,控制所述储能单元向所述负载线圈释放电能,同时控制所述电源为所述负载线圈供电;经过所述预定时间段后,所述微处理器控制所述电源继续为所述负载线圈供电,并停止所述储能单元为所述负载线圈释放电能。
所述电磁转换模块还包括一电压调整单元和输入采样单元,所述驱动变换单元包括一整流滤波单元和功率驱动变换单元,所述输入采样单元与所述整流滤波单元和电压调整单元连接,所述电压调整单元还与所述储能单元、所述微处理器以及功率驱动变换单元连接;所述输入采样单元实时采集所述电源经过所述整流滤波单元处理后的第一电压并将所述第一电压发送给所述电压调整单元,所述电压调整单元实时调整所述储能单元经过所述电压调整单元输出的第二电压,使所述第二电压与所述第一电压相等,相位相同,在所述电磁加热装置开启工作时所述第一电压和第二电压同时为所述功率驱动变换单元供电。
本发明提供的所述电磁加热装置中,所述电磁转换模块还包括一充电管理单元,所述充电管理单元分别与所述整流滤波单元、储能单元和微处理器相连,所述微处理器控制所述充电管理单元在关闭所述电磁转换模块后实时调整所述电源为所述储能单元充电的充电电流和充电时间。
本发明提供的所述电磁加热装置中,所述储能单元具有一充电阈值电压,所述微处理器在所述电磁转换模块关闭,且所述储能单元两端的电压小于所述充电阈值电压时,控制所述电源为所述储能单元充电,当所述储能单元两端电压等于所述充电阈值后,所述微处理器控制所述电源停止为所述储能单元充电。
本发明提供的所述电磁加热装置中,所述功率驱动变换单元还包括功率变换单元和功率驱动单元,所述功率驱动单元与所述微处理器连接,所述功率变换单元分别与所述整流滤波单元和功率驱动单元连接,所述微处理器输出变频信号至所述功率驱动单元,控制所述功率驱动单元和功率变换单元的输出功率,以调整所述负载线圈的输出功率。
本发明提供的所述电磁加热装置中,所述电磁转换模块还包括一单向导通单元,其包括一第一输入端、第二输入端和输出端,所述第一输入端连接所述整流滤波单元的输出端,所述第二输入端连接所述电压调整单元的输出端,所述输出端连接至所述功率变换单元。
本发明提供的所述电磁加热装置中,所述电磁转换模块还包括分别与所述微处理器连接的水开关和温度采样单元,所述发热模块包括导磁单元和水流通道,所述水开关位于水流通道处,所述温度采样单元用于采集水流通道中水流的第一温度值,并将所述第一温度值发送到所述微处理器,所述微处理器还用于存储用于预设的第二温度值以及接收所述第一温度值,并根据所述第一温度值和第二温度值的差值,控制所述驱动变换单元输出功率。
本发明提供的所述电磁加热装置中,所述电磁转换模块还包括显示单元和触摸单元,所述显示单元和所述触摸单元分别连接至所述微处理器,所述显示单元实时显示水流的温度、水流开启的时间,所述触摸单元用于接收用户开启或者关闭所述电源的信号以及对水流温度的预设或者存储信号;所述电磁转换模块还包括一第一电容,所述第一电容的第一端连接所述驱动变换单元的输出端,所述第一电容的第二端连接所述负载线圈。
本发明还公开了上述电磁加热装置的加热方法,其至少包括以下步骤:
其至少包括以下步骤:接收所述电磁加热装置开启工作的信号;控制所述储能单元向所述负载线圈释放电能,同时控制所述电源为所述负载线圈供电;所述负载线圈产生交变磁场,并激发所述发热模块产生涡流,所述涡流通过热传递使水流发热。
本发明提供的所述电磁加热装置中,由于设置了一储能单元,在所述电磁转换模块开启工作的一瞬间开始,所述微处理器控制所述储能单元向所述负载线圈释放电能,同时控制所述电源为所述负载线圈供电,从而加大了输出功率,使得负载线圈产生的交变磁场加大,因而发热模块中的导磁单元的涡流加热效果加强,进而使得水流能够在电磁加热装置打开的一瞬间就能急速升温,从而减小了在打开所述电磁加热装置时水资源的浪费。本发明从另一种角度解决了现有技术中居民电热水器不能无限制加大功率容量从而达到快速加热目的的问题。
附图说明
下面将结合附图及实施例对本发明作进一步说明,附图中:
图1为本发明提供的一较佳实施方式的电磁加热装置100的结构示意图;
图2为本发明提供的一较佳实施方式的所述电磁转换模块110的结构示意图;
图3为本发明提供的一较佳实施方式的整流滤波单元1110的结构示意图;
图4为本发明提供的所述功率变换单元1111a的电路示意图;
图5为本发明提供的另一较佳实施方式的电磁转换模块110的结构示意图;
图6其为一单向导通单元10的连接示意图;
图7为所述第一电容的连接示意图;
图8为本发明提供的一较佳实施方式的电磁加热装置的加热方法的流程示意图;
图9为本发明提供的所述电磁加热装置在水流关闭时的工作流程示意图。
具体实施方式
为说明本发明提供的电磁加热装置,以下结合说明书附图及文字说明进行详细阐述。
在本发明的描述中,需要说明的是,除非另有明确的规定和限定,术语“相连”、“连接”应做广义理解,可以是两个元件内部的电连通;可以是直接相连,也可以通过中间媒介间接相连,对于本领域的普通技术人员而言,可以根据具体情况理解上述术语的具体含义。此外,术语“第一”、“第二”仅用于描述目的,而不能理解为指示或暗示相对重要性或者隐含指明所指示的技术特征的数量。由此,限定有“第一”、“第二”的特征可以明示或者隐含地包括一个或者更多个该特征。
本发明提供的所述电磁加热装置的工作原理为:交变电流通过负载线圈产生磁场,磁力线通过导磁体并在导磁体中产生涡电流,此涡电流发热使流过它的水通过热传递温度升高,从而达到加热的目的。所述电磁加热装置在水流开启的一瞬间,不仅由所述电源为所述负载线圈供电,同时所述储能单元还将存储的能量释放给放电负载线圈,使所述负载线圈的开启功率大增,从而使水流迅速的加热,达到即热的目的。
如图1所示,其为本发明提供的一较佳实施方式的电磁加热装置100的结构示意图,所述电磁加热装置100包括电磁转换模块110和发热模块120,所述电磁转换模块110与发热模块120通过绝缘体(图中未示出)绝缘设置。所述发热模块120在所述电磁转换模块120工作时产生涡流并发热。
如图2所示,其为本发明提供的一较佳实施方式的所述电磁转换模块110的结构示意图。所述电磁转换模块110包括驱动变换单元111、微处理器112和储能单元113和负载线圈115,所述负载线圈115用于通过所述驱动变换单元111与电源连接,所述微处理器112还与所述储能单元113、驱动变换单元111连接。所述微处理器112用于接收所述电磁转换模块110开始工作的信号,并在所述电磁转换模块110开启工作(例如水流打开)时控制所述储能单元113向所述负载线圈115释放电能,同时控制所述电源为所述负载线圈115供电。本实施方式中,所述储能单元113的能量由所述电磁转换模块110未工作时所述微处理器112控制所述电源为其充电所得。
在一种优选的实施方式中,所述微处理器112在接收到所述电磁转换模块100开启工作的信号的一预定时间段内,控制所述储能单元113向所述负载线圈115释放电能,同时控制所述电源为所述负载线圈115供电;经过所述预定时间段后,所述微处理器112控制所述电源继续为所述负载线圈115供电,并停止所述储能单元113为所述负载线圈115释放电能。所述预定时间段为从所述信号出现时开始计时。所述预定时间段的时间长短可以根据实际情况设置,同时根据所述储能单元储能容量来设置,例如0-120秒。
所述驱动变换单元111用于根据微处理器112的指令,控制输出高频功率,并驱动负载线圈115工作。具体的,所述驱动变换单元111包括一整流滤波单元1110和功率驱动变换单元1111,所述整流滤波单元1110用于将所述电源转化为直流,所述电源可提供220V或110V的交流电压。所述功率驱动变换单元1111用于根据微处理器112的指令,将所述整流滤波单元1110输出的直流转化为高频交流并输出。具体的,所述功率驱动变换单元1110包括功率变换单元1111a和功率驱动单元1111b,所述功率驱动单元1111b与所述微处理器112连接,所述功率变换单元1111a分别与所述整流滤波单元1110和功率驱动单元1111b连接,所述微处理器112输出变频信号至所述功率驱动单元1111b,控制所述功率驱动单元1111b和功率变换单元1111a的输出功率,以调整所述负载线圈115的输出功率。
如图3所示,其为本发明提供的一较佳实施方式的整流滤波单元1110的结构示意图,其至少包括由二极管D1、D2、D3和D4组成的单相桥式整流电路和滤波电容C,所述单相桥式整流电路起到将交流(电源)转换为直流的作用,所述滤波电容C起到滤去交流杂波的作用。所述整流滤波单元还可以采用其他电路图来代替。
所述功率驱动单元1110b可采用MOS管、三极管来完成,其驱动信号采用PWM或者变频方式,例如UC3846型。所述功率变换单元1111a可采用全桥高频逆变电路(IGBT或者MOSFET),例如图4所示,其为本发明提供的一较实施方式的所述功率变换单元1111a的电路示意图。其包括4个开关管IGBT1、IGBT2、IGBT3和IGBT4,所示全桥高频逆变电路在所述功率驱动单元1110b的驱动下,将所述整流滤波单元1110输出的直流电进行高频转换。在其他实施方式中,所述功率变换单元还可以采用半桥高频逆变电路(IGBT或者MOSFET)。
所述微处理器112为所述电磁转换模块110的中央处理器,其用于处理各种信号,并控制相应的功能单元工作。例如所示微处理器112通过一控制开关(图中未示出)连接至所述电源,并控制所述电源接通或关闭。所述控制开关可为交流接触器。所述微处理器112可为4位、8位或者16位等更高级单片机。
所述储能单元113用于根据所述微处理器112的控制指令,为所述负载线圈115释放电能。所述储能单元113可以为锂离子电池、超级电容(法拉电容)、蓄电池等。所述储能单元113具有一充电阈值电压,所述微处理器112在所述电磁转换模块停止工作(例如水流关闭时),且所述储能单元113两端的电压小于所述充电阈值电压时,所述微处理器112控制所述电源为所述处储能单元113充电,当所述储能单元113的电压达到所述充电阈值电压后,所述微处理器112控制所述电源停止为所述储能单元充电。即在所述水流关闭以后,所述电源为所述储能单元113充电,以备下次水流开启时,所述储能单元113有足够的能量可释放。
一般情况下,由于普通居民供电容量大概为60A、220V,即约12kw,除去其他家电例如空调2部,电磁炉等,剩余可用容量大概为6kw,通过本发明的储能的方式设计,即主线路供电6kw,如果储能6kw,在预定时间段内,可用释放12kw的功率,而不会产生由于居民用电超载而导致的用电安全问题。同时在开启所述电磁转换模块时,由于短时间提供的双倍功率使得发热模块达到即热,也即使得水能够在电磁加热装置打开的一瞬间就能急速升温,从而解决了现有居民供电容量不能无限制增加的问题。
所述电磁转换模块110还包括一输入采样单元116和电压调整单元117,所述输入采样单元116与所述整流滤波单元1110和电压调整单元117连接,所述电压调整单元117还与所述储能单元11、所述微处理器112以及功率变换单元1111连接。所述输入采样单元116实时采集所述电源经过所述整流滤波单元1110处理后的第一电压并将所述第一电压发送给所述电压调整单元117,所述储能单元113经过所述电压调整单元117输出第二电压,所述电压调整单元117实时调整所述第二电压使所述第二电压与所述第一电压相等,相位相同,所述电磁转换模块110开启工作时所述第一电压和第二电压同时为所述功率驱动变换单元1111供电。此时,所述储能单元113输出的电压与所述电源输出的电压相等,即两个相等的电压同时向所述负载线圈115供电,也就是说,所述储能单元输出的功率可以与所述电源输出的功率相等,也可以不等于所述电源输出的功率。
如图5所示,其为本发明提供的一较佳实施方式的电磁转换模块110的结构示意图。所述电磁转换模块120还包括一充放电管理单元118,所述充放电管理单元118分别与所述整流滤波单元1110、储能单元113和微处理器112相连,所述充电管理单元118在关闭所述电磁转换模块110后实时调整所述电源为所述储能单元113充电的充电电流和充电时间。
所述电磁转换模块120还包括分别与所述微处理器112连接的水开关114和温度采样单元119,所述发热模块102包括导磁单元和水流通道,所述水开关114位于水流通道处,所述水开关114用于检测水流通道的第一温度值,所述温度采集单元119采集所述第一温度值以及用户预设或存储的第二温度值,并将所述第一温度值和第二温度值发送到所述微处理器112,所述微处理器112根据所述第一温度值和第二温度值的差值,控制所述驱动变换单元111输出功率。
所述电磁转换模块120还包括显示单元12a和触摸单元12b,所述显示单元12a和所述触摸单元12b分别连接至所述微处理器112,所述显示单元12a实时显示水流的温度、水流开启的时间,所述触摸单元12b用于接收用户开启或者关闭所述电源的信号以及对水流温度的设置信号,并将该信号传递给所述微处理器112。
如图6所示,其为一单向导通单元10的结构示意图。所述电磁转换模块120还包括所述单向导通单元10,其包括一第一输入端、第二输入端和输出端,所述第一输入端连接所述整流滤波单元1110的输出端,所述第二输入端连接所述电压调整单元117的输出端,所述输出端连接至所述功率变换单元1111a。优选的,所述单向导通单元10包括两个并联的二极管。本实施方式的单相导通单元10的单相导通作用用于保证所述整流滤波单元1110输出的第一电压和所述电压调整单元输出的第二电压相等,即相等的两路电压并联向所述功能变换单元供电,以避免所述第一电压和第二电压不相等时所述储能单元或者电源的能量无法释放给所述功率变换单元。
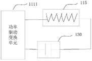
优选的,所述电磁转换模块还包括一第一电容130,如图7所示,其为所话说第一电容130的连接示意图。所述第一电容130的第一端连接所述驱动变换单元111的输出端,所述第一电容130的第二端连接所述负载线圈115。
所述发热模块120包括导磁单元以及水流通道(图中未示出),所述水开关位于所述水流通道处;优选的,所述水开关位于所述进水口处。所述水流通道包括进水口和出水口,所述导磁单元至少包括一导磁体,所述水流通道位于所述导磁体中。所述导磁体产生涡流后通过热传导使水流通道内的水流发热。
如图8所示,其为本发明提供的一较佳实施方式的电磁加热装置的加热方法的流程示意图。所述加热方法至少包括以下步骤:
步骤S01:接收所述电磁转换模块开启工作的信号。
所述电磁转换模块开启工作的信号包括水流开启的信号,所述微处理器接收该信号。
步骤S02:分为以下两个步骤同时进行:
步骤S021:微处理器控制所述电源为所述负载线圈输出功率,具体的,所述微处理器打开电源和驱动功率变换单元,并控制将所述电源的功率传递给所述驱动功率变换单元;
步骤S022:微处理器打开储能单元,并控制将所述储能单元向所述负载线圈释放电能。具体的,在一种实施方式中,在将所述储能单元的功率传递给所述驱动功率变换单元之前,所述微处理器打开电压调整单元,通过输入电压采样单元,使第二电压等于第一电压。
所述步骤S021、S022中的微处理器控制所述电源和所述储能单元同时输出给所述驱动功率变换单元,所述驱动功率变换单元为所述负载线圈供电。
步骤S03:所述负载线圈产生交变磁场,并激发所述发热模块产生涡流,所述涡流通过热传递使水流发热。
步骤S04:经过预定时间段后,所述微处理器控制所述电源继续为所述负载线圈供电,并停止所述储能单元为所述负载线圈释放电能,直到所述电磁加热装置结束工作。
如图8所示,其为本发明提供的所述电磁加热装置在停止工作时的工作流程示意图,其至少包括以下步骤:
步骤S11:接收所述电磁转换模块停止工作的信号。
步骤S12:判断所述储能单元的电压是否小于所述储能单元的充电阈值电压,如果是,进行步骤S13;否,转至步骤S15。
步骤S13:所述微处理器关闭所述驱动变换单元,并控制所述电源为所述储能单元充电。当所述驱动变换单元停止工作后,所述负载线圈停止发射磁场。
步骤S14:判断所述储能单元的电压是否达到所述充电阈值电压时,如果是,进行下一步;如果不是,返回步骤S13。
步骤S15:所述微处理器控制所述电源关断,停止所述电源向所述储能单元充电。
本发明提供的电磁加热装置及其加热方法中,由于设置了一储能单元,在所述电磁转换模块开启工作的一瞬间,所述微处理器控制控制所述储能单元向所述负载线圈释放电能,同时控制所述电源为所述负载线圈供电,在不增加主电源供给容量的前提下加大了输出功率,使得负载线圈产生的磁场加大,因而发热模块中达到速热,进而使得水能够在电磁加热装置开启的一瞬间就能急速升温,从而减小了在打开所述电磁加热装置时水资源的浪费。
以上为本发明提供的电磁加热装置及其加热方法的较佳实施方式,并不能理解为对本发明权利保护范围的限制,本领域的技术人员应该知晓,在不脱离本发明构思的前提下,还可做多种改进或替换,所有的该等改进或替换都应该在本发明的权利保护范围内,即本发明的权利保护范围应以权利要求为准。
Claims (9)
1.一种电磁加热装置,其包括电磁转换模块和发热模块;
所述电磁转换模块包括驱动变换单元、微处理器、储能单元和负载线圈,所述负载线圈用于通过所述驱动变换单元与电源连接,所述微处理器与所述储能单元、驱动变换单元连接;所述微处理器用于接收所述电磁转换模块开启工作的信号,并在开启所述信号的一预定时间段内,且在所述电磁转换模块开启工作时控制所述储能单元向所述负载线圈释放电能,同时控制所述电源为所述负载线圈供电;所述驱动变换单元包括一整流滤波单元和功率驱动变换单元,所述功率驱动变换单元还包括功率变换单元和功率驱动单元,所述功率驱动单元与所述微处理器连接,所述功率变换单元分别与所述整流滤波单元和功率驱动单元连接,所述微处理器输出变频信号至所述功率驱动单元,控制所述功率驱动单元和功率变换单元的输出功率,以调整所述负载线圈的输出功率。
2.如权利要求1所述的电磁加热装置,其特征在于:所述微处理器还用于经过所述预定时间段后,控制所述电源继续为所述负载线圈供电,并停止所述储能单元为所述负载线圈释放电能。
3.如权利要求1所述的电磁加热装置,其特征在于:所述电磁转换模块还包括一电压调整单元和输入采样单元,所述输入采样单元与所述整流滤波单元和电压调整单元连接,所述电压调整单元还与所述储能单元、所述微处理器以及功率驱动变换单元连接;所述输入采样单元实时采集所述电源经过所述整流滤波单元处理后的第一电压并将所述第一电压发送给所述电压调整单元,所述电压调整单元实时调整所述储能单元经过所述电压调整单元输出的第二电压,使所述第二电压与所述第一电压相等,相位相同,在所述电磁转换模块开启工作时所述第一电压和第二电压同时为所述功率驱动变换单元供电。
4.如权利要求3所述的电磁加热装置,其特征在于:所述电磁转换模块还包括一充电管理单元,所述充电管理单元分别与所述整流滤波单元、储能单元和微处理器相连,所述微处理器控制所述充电管理单元在关闭所述电磁转换模块后实时调整所述电源为所述储能单元充电的充电电流和充电时间。
5.如权利要求1所述的电磁加热装置,其特征在于:所述储能单元具有一充电阈值电压,所述微处理器在所述电磁转换模块关闭,且所述储能单元两端的电压小于所述充电阈值电压时,控制所述电源为所述储能单元充电,当所述储能单元两端电压等于所述充电阈值后,所述微处理器控制所述电源停止为所述储能单元充电。
6.如权利要求3所述的电磁加热装置,其特征在于:所述电磁转换模块还包括一单向导通单元,其包括一第一输入端、第二输入端和输出端,所述第一输入端连接所述整流滤波单元的输出端,所述第二输入端连接所述电压调整单元的输出端,所述输出端连接至所述功率变换单元。
7.如权利要求1所述的电磁加热装置,其特征在于:所述电磁转换模块还包括分别与所述微处理器连接的水开关和温度采样单元,所述发热模块包括导磁单元和水流通道,所述水开关位于水流通道处,所述温度采样单元用于采集水流通道中水流的第一温度值,并将所述第一温度值发送到所述微处理器,所述微处理器还用于存储用于预设的第二温度值以及接收所述第一温度值,并根据所述第一温度值和第二温度值的差值,控制所述驱动变换单元输出功率。
8.如权利要求7所述的电磁加热装置,其特征在于:所述电磁转换模块还包括显示单元和触摸单元,所述显示单元和所述触摸单元分别连接至所述微处理器,所述显示单元实时显示水流的温度、水流开启的时间,所述触摸单元用于接收用户开启、关闭所述电源的信号或者对水流温度的设置信号;所述电磁转换模块还包括一第一电容,所述第一电容的第一端连接所述驱动变换单元的输出端,所述第一电容的第二端连接所述负载线圈。
9.一种如权利要求1-8任一项所述电磁加热装置的加热方法,其至少包括以下步骤:接收所述电磁转换模块开启工作的信号;控制所述储能单元向所述负载线圈释放电能,同时控制所述电源为所述负载线圈供电;所述负载线圈产生交变磁场,并激发所述发热模块产生涡流,所述涡流通过热传递使水发热。
Priority Applications (1)
| Application Number | Priority Date | Filing Date | Title |
|---|---|---|---|
| CN201510385966.6A CN106332340B (zh) | 2015-06-30 | 2015-06-30 | 一种电磁加热装置及其加热方法 |
Applications Claiming Priority (1)
| Application Number | Priority Date | Filing Date | Title |
|---|---|---|---|
| CN201510385966.6A CN106332340B (zh) | 2015-06-30 | 2015-06-30 | 一种电磁加热装置及其加热方法 |
Publications (2)
| Publication Number | Publication Date |
|---|---|
| CN106332340A CN106332340A (zh) | 2017-01-11 |
| CN106332340B true CN106332340B (zh) | 2022-08-19 |
Family
ID=57727213
Family Applications (1)
| Application Number | Title | Priority Date | Filing Date |
|---|---|---|---|
| CN201510385966.6A Active CN106332340B (zh) | 2015-06-30 | 2015-06-30 | 一种电磁加热装置及其加热方法 |
Country Status (1)
| Country | Link |
|---|---|
| CN (1) | CN106332340B (zh) |
Families Citing this family (2)
| Publication number | Priority date | Publication date | Assignee | Title |
|---|---|---|---|---|
| CN109431293A (zh) * | 2018-12-07 | 2019-03-08 | 苏州工业职业技术学院 | 一种液体加热装置 |
| CN111473647A (zh) * | 2020-04-16 | 2020-07-31 | 佛山市南海创利有色金属制品有限公司 | 一种铝合金熔炼加工温度智能控制方法及其智能控制系统 |
Citations (7)
| Publication number | Priority date | Publication date | Assignee | Title |
|---|---|---|---|---|
| CN85104518A (zh) * | 1985-06-13 | 1987-02-04 | 三洋电机株式会社 | 感应加热设备 |
| JP2000215971A (ja) * | 1999-01-22 | 2000-08-04 | Canon Inc | 誘導加熱装置及び画像形成装置 |
| CN101409959A (zh) * | 2008-11-14 | 2009-04-15 | 张军才 | 准谐振电磁热水器智能控制电路 |
| CN101551157A (zh) * | 2008-04-02 | 2009-10-07 | 刘金根 | 电磁感应储水式热水器 |
| CN204214553U (zh) * | 2014-11-10 | 2015-03-18 | 青岛万力科技有限公司 | 一种电动机无线监测装置 |
| CN204244499U (zh) * | 2014-12-19 | 2015-04-01 | 邢台竹源电子科技有限公司 | 恒功率变频电磁加热器 |
| CN204993919U (zh) * | 2015-06-30 | 2016-01-20 | 深圳市泰金田科技有限公司 | 一种电磁加热装置 |
-
2015
- 2015-06-30 CN CN201510385966.6A patent/CN106332340B/zh active Active
Patent Citations (7)
| Publication number | Priority date | Publication date | Assignee | Title |
|---|---|---|---|---|
| CN85104518A (zh) * | 1985-06-13 | 1987-02-04 | 三洋电机株式会社 | 感应加热设备 |
| JP2000215971A (ja) * | 1999-01-22 | 2000-08-04 | Canon Inc | 誘導加熱装置及び画像形成装置 |
| CN101551157A (zh) * | 2008-04-02 | 2009-10-07 | 刘金根 | 电磁感应储水式热水器 |
| CN101409959A (zh) * | 2008-11-14 | 2009-04-15 | 张军才 | 准谐振电磁热水器智能控制电路 |
| CN204214553U (zh) * | 2014-11-10 | 2015-03-18 | 青岛万力科技有限公司 | 一种电动机无线监测装置 |
| CN204244499U (zh) * | 2014-12-19 | 2015-04-01 | 邢台竹源电子科技有限公司 | 恒功率变频电磁加热器 |
| CN204993919U (zh) * | 2015-06-30 | 2016-01-20 | 深圳市泰金田科技有限公司 | 一种电磁加热装置 |
Also Published As
| Publication number | Publication date |
|---|---|
| CN106332340A (zh) | 2017-01-11 |
Similar Documents
| Publication | Publication Date | Title |
|---|---|---|
| US10230298B2 (en) | Resistorless precharging | |
| CN101997324B (zh) | 具有电隔离的双向能量输送的系统和方法 | |
| AU2011323988B2 (en) | System and method for bidirectional DC-AC power conversion | |
| CN108973703B (zh) | 车载充电系统 | |
| CN101997323B (zh) | 具有电隔离和多个工作模式的充电系统 | |
| US9654015B2 (en) | Bidirectional DC/DC converter, and bidirectional power converter | |
| CN103972995B (zh) | 能量和信息双向无线传输的方法 | |
| CN102484424A (zh) | 电力变换装置 | |
| KR101116498B1 (ko) | 에너지 저장 시스템 | |
| TW201230601A (en) | Charging apparatus with alternating current- and direct current- charging functions for mobile vehicle | |
| CN102751793A (zh) | 基于双边功率流控制的无线电能传输系统及其控制方法 | |
| CN112997396B (zh) | 用于双向运行的适配器设备 | |
| CN213734669U (zh) | 一种能量转换装置及车辆 | |
| CN106332340B (zh) | 一种电磁加热装置及其加热方法 | |
| CN109004850B (zh) | 一种半桥有源功率因数校正电路及一种变频控制器及一种电源电路 | |
| CN204887506U (zh) | 一种电磁加热装置 | |
| CN105656391A (zh) | 电动机驱动装置、其启动方法和包括驱动装置的电机单元 | |
| CN103904768A (zh) | 供电控制方法和供电控制装置 | |
| CN204993919U (zh) | 一种电磁加热装置 | |
| CN206865351U (zh) | 一种上电预充电路 | |
| CN104753354A (zh) | 车辆用功率转换装置以及控制其的方法 | |
| CN103972996A (zh) | 能量和信息双向无线传输的方法 | |
| JP2014002840A (ja) | 誘導加熱調理器 | |
| CN207827607U (zh) | 交流直流双向转换电路和电梯自动救援操作装置 | |
| CN118523450A (zh) | 充放电电路、均衡控制方法及装置、电子设备、存储介质 |
Legal Events
| Date | Code | Title | Description |
|---|---|---|---|
| PB01 | Publication | ||
| PB01 | Publication | ||
| C10 | Entry into substantive examination | ||
| SE01 | Entry into force of request for substantive examination | ||
| GR01 | Patent grant | ||
| GR01 | Patent grant |