CN103603165A - Fabric expanding device - Google Patents
Fabric expanding device Download PDFInfo
- Publication number
- CN103603165A CN103603165A CN201310617385.1A CN201310617385A CN103603165A CN 103603165 A CN103603165 A CN 103603165A CN 201310617385 A CN201310617385 A CN 201310617385A CN 103603165 A CN103603165 A CN 103603165A
- Authority
- CN
- China
- Prior art keywords
- spreading roll
- bracket
- expanding device
- right support
- bothridium
- Prior art date
- Legal status (The legal status is an assumption and is not a legal conclusion. Google has not performed a legal analysis and makes no representation as to the accuracy of the status listed.)
- Pending
Links
- 239000004744 fabric Substances 0.000 title abstract description 12
- 241001323427 Bothridium Species 0.000 claims description 13
- 230000000694 effects Effects 0.000 abstract description 4
- 230000001105 regulatory effect Effects 0.000 abstract description 3
- 239000004753 textile Substances 0.000 abstract 1
- 238000009432 framing Methods 0.000 description 2
- 238000007493 shaping process Methods 0.000 description 2
- 230000001276 controlling effect Effects 0.000 description 1
- 230000007812 deficiency Effects 0.000 description 1
- 238000010586 diagram Methods 0.000 description 1
- 238000005516 engineering process Methods 0.000 description 1
- 238000009941 weaving Methods 0.000 description 1
Images
Landscapes
- Treatment Of Fiber Materials (AREA)
- Folding Of Thin Sheet-Like Materials, Special Discharging Devices, And Others (AREA)
Abstract
The invention discloses a fabric expanding device and belongs to textile equipment devices. The fabric expanding device is technically characterized by comprising a left bracket, a right bracket and a lifting device, wherein an upper fabric expanding roller and a lower fabric expanding roller are arranged between the left bracket and the right bracket; a protruding disc is arranged on the left bracket and is connected with a rotating shaft of a regulating motor; a groove is formed in the right bracket and is connected with a shaft disc, so that the right bracket can rotate on the shaft disc; the lifting device is arranged between the upper fabric expanding roller and the lower fabric expanding roller; the lifting device is fixed on the left bracket and the right bracket and comprises a cylinder and a bent bracket; and a top roller is arranged at the tail end of the bent bracket. The invention aims to provide a fabric expanding device which is wide in adjustable range and good in fabric expanding effect.
Description
Technical field
The present invention relates to a kind of Weaving device device, more particularly, relate in particular to the amplitude-expanding device on a kind of framing shaping machine.
Background technology
Tenter device is for framing shaping machine, for controlling the fabric width of cloth cover; At present most these tenter devices are all manual expandings, but manual operation is easily because personnel's difference produces different-effect, is difficult to ensure card cloth expanding effect, and carrys out expanding with spreading roll adjusting angle, and its adjusting angle is limited, also affects expanding effect.
Summary of the invention
The object of the invention is to for above-mentioned the deficiencies in the prior art, provide a kind of adjustable range large, the amplitude-expanding device that expanding is effective.
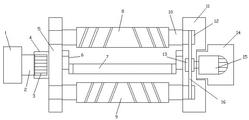
Technical scheme of the present invention is achieved in that a kind of amplitude-expanding device, comprise left socle, right support and lowering or hoisting gear, described left socle is provided with bothridium, establishes teeth in bothridium, and this bothridium outside is provided with adjusting motor, regulate the adjusting rotating shaft of motor to be provided with the gear matching with teeth in bothridium, described right support is provided with groove, is provided with reel in groove, and right support can rotate around reel, in reel, be provided with driving motor, between described left socle and right support, be provided with lowering or hoisting gear.
In above-mentioned a kind of amplitude-expanding device, described left socle and right support are provided with spreading roll and lower spreading roll.
In above-mentioned a kind of amplitude-expanding device, described lowering or hoisting gear is arranged between spreading roll and lower spreading roll, and this lowering or hoisting gear comprises cylinder, cylinder axis on cylinder is connected with curved support, this curved support is provided with fixing point, and curved support can rotate around fixing point, and curved support end is connected with top roller.
In above-mentioned a kind of amplitude-expanding device, it is characterized in that, described upper spreading roll and lower spreading roll one end are equipped with follower, and driving motor is provided with driving wheel, and two followers are connected with driving wheel by belt.
The present invention can make top roller move up and down adjusting by cylinder by regulating motor to make left socle and right support rotation regulate the angle of upper spreading roll and lower spreading roll in the course of the work, makes adjustable range larger.
Accompanying drawing explanation
Below in conjunction with the embodiment in accompanying drawing, the present invention is described in further detail, but do not form any limitation of the invention.
Fig. 1 is structural representation of the present invention.
Fig. 2 is lifting device structure schematic diagram of the present invention.
In figure: regulate motor 1, regulate rotating shaft 2, gear 3, bothridium 4, left socle 5, lowering or hoisting gear 6, top roller 7, upper spreading roll 8, lower spreading roll 9, roll shaft 10, right support 11, follower 12, driving wheel 13, reel 14, driving motor 15, belt 16, cylinder 17, cylinder axis 18, fixing point 19, curved support 20.
The specific embodiment
Consult shown in Fig. 1 and Fig. 2, a kind of amplitude-expanding device of the present invention, comprise left socle 5, right support 11 and lowering or hoisting gear 6, described left socle 5 is provided with bothridium 4, in bothridium 4, establish teeth, these bothridium 4 outsides are provided with and regulate motor 1, regulate the adjusting rotating shaft 2 of motor 1 to be provided with the gear 3 matching with teeth in bothridium 4, described right support 11 is provided with groove, in groove, be provided with reel 14, right support 11 can be around reel 14 rotations, in reel 14, be provided with driving motor 15, driving motor 15 is provided with driving wheel 13, between described left socle 5 and right support 11, be provided with lowering or hoisting gear 6, described left socle 5 and right support 11 are provided with spreading roll 8 and lower spreading roll 9, on this, roll shaft 10 one end of spreading roll 8 and lower spreading roll 9 are fixedly installed on left socle 5, the other end is provided with follower 12 and is fixedly mounted on right support 11, and two followers are connected with driving wheel 13 by belt 16, described lowering or hoisting gear 6 is arranged between spreading roll 8 and lower spreading roll 9, this lowering or hoisting gear 6 comprises cylinder 17, and the cylinder axis 18 on cylinder 17 is connected with curved support 20, and this curved support 20 is provided with fixing point 19, curved support 20 can be around fixing point 19 rotations, and curved support 20 ends are connected with top roller 7.
This amplitude-expanding device can be first by regulating motor 1 to make left socle 5 and right support 11 rotations, the angle of adjustable so upper spreading roll 8 and lower spreading roll 9, then can regulate curved support 20 angles by cylinder 17 again, and this curved support 20 is used lever principle, can expand adjusting angle, make expanding better effects if.
Claims (4)
1. an amplitude-expanding device, comprise left socle (5), right support (11) and lowering or hoisting gear (6), it is characterized in that, described left socle (5) is provided with bothridium (4), bothridium is established teeth in (4), this bothridium (4) outside is provided with and regulates motor (1), regulate the adjusting rotating shaft (2) of motor (1) to be provided with the gear (3) that the teeth interior with bothridium (4) match, described right support (11) is provided with groove, in groove, be provided with reel (14), right support (11) can rotate around reel (14), in reel (14), be provided with driving motor (15), between described left socle (5) and right support (11), be provided with lowering or hoisting gear (6).
2. a kind of amplitude-expanding device according to claim 1, is characterized in that, described left socle (5) and right support (11) are provided with spreading roll (8) and lower spreading roll (9).
3. a kind of amplitude-expanding device according to claim 1, it is characterized in that, described lowering or hoisting gear (6) is arranged between spreading roll (8) and lower spreading roll (9), this lowering or hoisting gear (6) comprises cylinder (17), cylinder axis (18) on cylinder (17) is connected with curved support (20), this curved support (20) is provided with fixing point (19), and curved support (20) can be around fixing point (19) rotation, and curved support (20) end is connected with top roller (7).
4. a kind of amplitude-expanding device according to claim 1, it is characterized in that, described upper spreading roll (8) and lower spreading roll (9) one end are equipped with follower (12), and driving motor (15) is provided with driving wheel (13), and two followers are connected with driving wheel (13) by belt (16).
Priority Applications (1)
| Application Number | Priority Date | Filing Date | Title |
|---|---|---|---|
| CN201310617385.1A CN103603165A (en) | 2013-11-29 | 2013-11-29 | Fabric expanding device |
Applications Claiming Priority (1)
| Application Number | Priority Date | Filing Date | Title |
|---|---|---|---|
| CN201310617385.1A CN103603165A (en) | 2013-11-29 | 2013-11-29 | Fabric expanding device |
Publications (1)
| Publication Number | Publication Date |
|---|---|
| CN103603165A true CN103603165A (en) | 2014-02-26 |
Family
ID=50121420
Family Applications (1)
| Application Number | Title | Priority Date | Filing Date |
|---|---|---|---|
| CN201310617385.1A Pending CN103603165A (en) | 2013-11-29 | 2013-11-29 | Fabric expanding device |
Country Status (1)
| Country | Link |
|---|---|
| CN (1) | CN103603165A (en) |
Cited By (4)
| Publication number | Priority date | Publication date | Assignee | Title |
|---|---|---|---|---|
| CN104213359A (en) * | 2014-08-19 | 2014-12-17 | 安徽鼎恒皮件制品有限公司 | Large-leather-strip setting machine |
| CN104711807A (en) * | 2015-04-10 | 2015-06-17 | 苏州华策纺织科技有限公司 | Fabric leveling device on spinning equipment |
| CN107601120A (en) * | 2017-09-29 | 2018-01-19 | 浙江联科机械有限公司 | One kind automatically adjusts amplitude-expanding device |
| CN109518394A (en) * | 2019-01-23 | 2019-03-26 | 山东日发纺织机械有限公司 | A kind of web amplitude-expanding device |
-
2013
- 2013-11-29 CN CN201310617385.1A patent/CN103603165A/en active Pending
Cited By (6)
| Publication number | Priority date | Publication date | Assignee | Title |
|---|---|---|---|---|
| CN104213359A (en) * | 2014-08-19 | 2014-12-17 | 安徽鼎恒皮件制品有限公司 | Large-leather-strip setting machine |
| CN104213359B (en) * | 2014-08-19 | 2016-04-20 | 安徽鼎恒皮件制品有限公司 | A kind of large leather strap setting machine |
| CN104711807A (en) * | 2015-04-10 | 2015-06-17 | 苏州华策纺织科技有限公司 | Fabric leveling device on spinning equipment |
| CN104711807B (en) * | 2015-04-10 | 2016-08-31 | 苏州华策纺织科技有限公司 | A kind of cloth apparatus for leveling on Weaving device |
| CN107601120A (en) * | 2017-09-29 | 2018-01-19 | 浙江联科机械有限公司 | One kind automatically adjusts amplitude-expanding device |
| CN109518394A (en) * | 2019-01-23 | 2019-03-26 | 山东日发纺织机械有限公司 | A kind of web amplitude-expanding device |
Similar Documents
| Publication | Publication Date | Title |
|---|---|---|
| CN103603165A (en) | Fabric expanding device | |
| CN104128392B (en) | A kind of commutator copper bar straightener | |
| CN105129484A (en) | Cloth guiding device | |
| CN102168363A (en) | Automatically temperature controlled ironing machine | |
| CN204523871U (en) | Adjustable conical cylinder rotary machine | |
| CN203639696U (en) | Fabric expanding device | |
| CN203991764U (en) | A kind of commutator copper bar straightener | |
| CN106757938A (en) | One kind self-regulation cloth expanding smoothing wrinkle equipment | |
| CN104150285A (en) | Spinning driver cloth rolling device | |
| CN204777816U (en) | Weaving cloth reel | |
| CN204125651U (en) | A kind of cam opening device of hand-operated leveling-heddle | |
| CN204382774U (en) | A kind of carton press roll-in guiding mechanism | |
| CN203764674U (en) | Iron sheet unwinding device | |
| CN203994862U (en) | A kind of side organ governor motion being applied on Bag Making Machine | |
| CN203345860U (en) | Binding wire manufacturing device | |
| CN205998725U (en) | Batcher swings pusher | |
| CN103981629B (en) | A kind of adjustable draw-off mechanism of warp knitting machine | |
| CN203890627U (en) | Adjustable traction mechanism of warp knitting machine | |
| CN204183648U (en) | A kind of separation machine for the production of paper tube | |
| CN205225928U (en) | An Electric Adjustment Structure for Squeegee Gap | |
| CN205099853U (en) | A tension adjusting device for warper | |
| CN202481808U (en) | Anti-creasing roller | |
| CN204258184U (en) | Cable installing mechanism | |
| CN219238783U (en) | Cloth guiding mechanism of cylinder expanding machine | |
| CN205005890U (en) | Beef jerked flattens equipment |
Legal Events
| Date | Code | Title | Description |
|---|---|---|---|
| C06 | Publication | ||
| PB01 | Publication | ||
| WD01 | Invention patent application deemed withdrawn after publication |
Application publication date: 20140226 |