CN103567046A - 碳纤维粉碎设备 - Google Patents
碳纤维粉碎设备 Download PDFInfo
- Publication number
- CN103567046A CN103567046A CN201310527781.5A CN201310527781A CN103567046A CN 103567046 A CN103567046 A CN 103567046A CN 201310527781 A CN201310527781 A CN 201310527781A CN 103567046 A CN103567046 A CN 103567046A
- Authority
- CN
- China
- Prior art keywords
- fine grinding
- wind
- carbon fiber
- machine
- send
- Prior art date
- Legal status (The legal status is an assumption and is not a legal conclusion. Google has not performed a legal analysis and makes no representation as to the accuracy of the status listed.)
- Granted
Links
- 229920000049 Carbon (fiber) Polymers 0.000 title claims abstract description 74
- 239000004917 carbon fiber Substances 0.000 title claims abstract description 74
- VNWKTOKETHGBQD-UHFFFAOYSA-N methane Chemical compound C VNWKTOKETHGBQD-UHFFFAOYSA-N 0.000 title claims abstract description 74
- 239000000463 material Substances 0.000 claims abstract description 73
- 239000000843 powder Substances 0.000 claims abstract description 13
- 230000005611 electricity Effects 0.000 claims abstract 6
- 238000000227 grinding Methods 0.000 claims description 106
- 238000005520 cutting process Methods 0.000 claims description 78
- 230000005540 biological transmission Effects 0.000 claims description 21
- 238000010298 pulverizing process Methods 0.000 claims description 19
- 239000000835 fiber Substances 0.000 claims description 16
- 230000007246 mechanism Effects 0.000 claims description 15
- 238000007599 discharging Methods 0.000 claims description 12
- 230000015572 biosynthetic process Effects 0.000 claims description 5
- 230000001105 regulatory effect Effects 0.000 claims description 5
- 210000001367 artery Anatomy 0.000 claims 2
- 238000005755 formation reaction Methods 0.000 claims 2
- 238000004080 punching Methods 0.000 claims 2
- 210000003462 vein Anatomy 0.000 claims 2
- 239000000428 dust Substances 0.000 abstract description 31
- 238000012216 screening Methods 0.000 abstract description 14
- 238000012545 processing Methods 0.000 abstract description 10
- 238000007380 fibre production Methods 0.000 abstract description 3
- 230000000694 effects Effects 0.000 description 11
- 238000004519 manufacturing process Methods 0.000 description 10
- 238000000034 method Methods 0.000 description 9
- 238000003825 pressing Methods 0.000 description 8
- 238000007664 blowing Methods 0.000 description 7
- 230000008569 process Effects 0.000 description 7
- 238000000926 separation method Methods 0.000 description 7
- OKTJSMMVPCPJKN-UHFFFAOYSA-N Carbon Chemical compound [C] OKTJSMMVPCPJKN-UHFFFAOYSA-N 0.000 description 6
- 229910052799 carbon Inorganic materials 0.000 description 6
- 239000002994 raw material Substances 0.000 description 6
- 239000004744 fabric Substances 0.000 description 5
- 239000002245 particle Substances 0.000 description 5
- 235000012054 meals Nutrition 0.000 description 4
- 244000309464 bull Species 0.000 description 3
- 238000005516 engineering process Methods 0.000 description 3
- 239000003595 mist Substances 0.000 description 3
- 238000005299 abrasion Methods 0.000 description 2
- 230000008859 change Effects 0.000 description 2
- 230000007613 environmental effect Effects 0.000 description 2
- 230000008676 import Effects 0.000 description 2
- 230000008901 benefit Effects 0.000 description 1
- 238000004140 cleaning Methods 0.000 description 1
- 239000002131 composite material Substances 0.000 description 1
- 230000007812 deficiency Effects 0.000 description 1
- 238000013461 design Methods 0.000 description 1
- 238000009826 distribution Methods 0.000 description 1
- 238000005265 energy consumption Methods 0.000 description 1
- 239000002657 fibrous material Substances 0.000 description 1
- 239000002184 metal Substances 0.000 description 1
- 238000012856 packing Methods 0.000 description 1
- -1 pottery Polymers 0.000 description 1
- 238000010926 purge Methods 0.000 description 1
- 239000011347 resin Substances 0.000 description 1
- 229920005989 resin Polymers 0.000 description 1
- 230000000630 rising effect Effects 0.000 description 1
- 239000000126 substance Substances 0.000 description 1
- 238000005406 washing Methods 0.000 description 1
Images
Landscapes
- Disintegrating Or Milling (AREA)
Abstract
一种碳纤维粉碎设备,主要是由来料输送机、切断机、粗粉碎机、细磨机、筛分机和成品输送机以及旋风分离器和脉冲除尘器,通过相应的风送输送管道相连接而构成。该设备可生产出多种长度和细度的碳纤维产品,且最高细度可达300目,年产量达1000吨,能完全达到碳纤维生产加工行业所需要的不同规格的碳纤维段和细粉的要求。该设备具有性能良好、效率高、且结构紧凑、占地面积小、产量高、操作方便、粉碎细度可调、耐磨易维护、省工、省电、环境达标的特点。它能代替进口设备,是一种理想的碳纤维粉碎设备。
Description
技术领域
本发明涉及一种粉碎设备,特别是碳纤维粉碎设备。它适用于碳纤维物料的粉碎加工,是碳纤维生产工艺中最后一道研磨工序必不可少的设备。
背景技术
碳纤维属于高科技产品,是一种多能和一材多用的功能材料及结构材料。而碳纤维又是非常难以粉碎加工的一种物料,碳纤维本身看似柔软,实为非常坚硬,想获取一定细度的碳纤维其难度非常大。但是碳纤维需在粉碎加工后,才可以与树脂、金属、陶瓷、橡胶等基体复合成性能优异的复合材料,在航空、航天、汽车、环境工程、化工、能源、交通、建筑、电子、运动器材等众多领域得到应用。
目前,在研磨深加工生产碳纤维时,所采用的设备均为进口设备。如在粉碎碳纤维物料时,曾采用一种筛片式粉碎机,由于采用筛网底来调整物料的粉碎细度,对于太密的筛网加工困难,故物料的粉碎细度最高只能达到60目,另外,筛网底易损坏,需要及时更换,会给生产带来麻烦,并影响生产进度。还曾采用一种雷蒙磨,由于磨辊的外表面为平滑面,不易破碎纤维物料,而连接支撑臂和磨辊的轴承长期处在粉碎室内,易造成轴承损坏,甚至工作不足24小时就需要停机更换轴承,从而直接影响生产效率的提高及产量。在除尘时,多数选用的是喷吹脉冲除尘,且喷吹除尘器放置在同一收尘室,并采用在线清灰,这种清灰方式吹下的粉尘有部分被邻近的布袋再次捕集。如果用于捕集含尘浓度较大的气体这种现象更为严重,因此,喷吹脉冲清灰布袋除尘的应用受到一定的限制。同时,采用上述设备均为单机生产而不是生产线,且价格昂贵,很难普及应用,形不成生产规模,并且难以保证产品质量。
发明内容
本发明的目的在于提供一种碳纤维粉碎设备,它能够克服己有技术的不足,可形成碳纤维的输送、切断、粗粉碎、细磨、分级加工连续生产线,能生产出不同长度和细度的碳纤维产品,并且具有良好的环保除尘性能,除尘效率可达99.9%以上。
其解决方案是:来料输送机与切断机可拆卸式连接。切断机又通过带1#气动阀门的第一风送输送管道分别与同引风机连接的粗粉碎机和第一旋风分离器连通。第一旋风分离器又经带2#气动阀门的第一分离风送输送管道与带3#气动阀门的第二分离风送输送管道连通,而第二分离风送输送管道既与第二旋风分离器连通又与第一脉冲除尘器连通,第二旋风分离器还通过第二风送输送管道与粗粉碎机连接,又通过闭风下料风送输送管道与闭风下料器连通。与细磨机连通的第三旋风分离器经带4#气动阀门的第三分离风送输送管道与第四风送输送管道连通,又经第三风送输送管道与筛分机连接,该筛分机还与成品输送机连接,而第四风送输送管道既与第二脉冲除尘器连通,又与第四旋风分离器连通,第四旋风分离器还经第四风送输送管道与细磨机连通。
所述的来料输送机由来料输送机架及其上连接的接斗和导流板,以及设置在来料输送机架两端上且与来料输送电机传动连接的来料主、被动输送辊,与该来料主、被动输送辊连接的来料输送带,以及连接在来料输送机架上并与来料输送带相接触连接的来料输送压辊构成。
所述的切断机由切断机机架及其上连接的且与切断机输送带减速电机传动连接的切断机输送带,与切断机输送带相接触连接并连接在切断机机架上的切断机纤维压辊和切断机纤维喂料辊,而切断机纤维压辊通过与其传动连接的切断机纤维喂料辊同切断机主轴传动连接,与切断机纤维喂料辊相邻的切断机机架上设置有截切装置而构成。该截切装置由连接在切断机机架上的切断机主轴,它与切断机主电机传动连接,又与切断机纤维喂料辊传动连接,在该切断机主轴上连接有刀盘,该刀盘上连接有切断动刀和切断定刀而构成。
所述的粗粉碎机由粉碎机架及其上设置的且与粉碎电机传动连接的粉碎器构成。该粉碎器由粉碎器机壳及位于其内并与其连接的粉碎器主轴,该粉碎器主轴上连接有出料风叶、塞挡盘、粉碎刀片,于塞挡盘相对应的粉碎器机壳内腔设置有固定粉碎圈,该固定粉碎圈内壁上滑动连接有带调节手柄的细度控制环,而在与粉碎刀片相对应的粉碎器机壳内腔壁上连接有齿板而构成。
所述的细磨机由细磨机架及其上连接的供料装置,与该供料装置相连通又与风机相连通的细磨装置构成。供料装置由供料支架及与其连接的料仓,位于料仓内并与供料支架连接的绞龙,该绞龙与绞龙电机传动连接而构成。细磨装置包括分级机构和细磨机构两部分,细磨机构由连接在细磨机架上的细磨机壳,与细磨机壳连接并与细磨主电机传动连接的细磨主轴,在位于细磨机壳内的细磨主轴上连接有细磨主动盘,该细磨主动盘上连接有细磨摇臂轴,细磨摇臂轴通过与其活动连接的摇臂支撑同研磨甩盘连接,在研磨甩盘上分布有与其转动连接的研磨轮轴,每个研磨轮轴上连接有带螺旋齿的研磨轮,在与研磨轮相对应的细磨机壳上连接有磨环而构成,并且细磨主动盘将细磨装置分隔成细磨部分工作区和传动部分工作区两部分。分级机构由位于细磨机壳外部的分级调速电机,及与分级调速电机连接并位于细磨机壳内的细度控制叶轮,以及设置在分级调速电机下方的出料口构成。
本发明主要是将输送机、切断机、粗粉碎机、细磨机、筛分机、分离器和脉冲除尘器等经过风送输送管道连接成为一套碳纤维粉碎加工设备。能连续完成碳纤维的输送、切断、粗粉碎、细磨、分级等加工工序。该套设备采用引风机,在吸料输送的同时也吸进大量的冷风,在粉碎过程中,能有效地降低粉碎物料在粉碎过程中的温度。可延长传动部件的工作寿命,减少传动部件的更换次数。能有效地提高生产效率,并保证产品质量,增加产品的产量。又由于采用粗粉碎机,可有效的粉碎碳纤维物料,它具有粉碎力强,分离效果好,可一次成粉的特点,既省工省电又成粉率高,还能提高生产效率和产品产量,并能将碳纤维物料粉碎到0.6—0.8mm的粗度;又由于采用细磨机,能有效地对碳纤维物料进行研磨粉碎,在细磨粉碎的过程中,因粉碎部分工作区与传动部分工作区是分隔开的,故传动部件不会受到下落粉尘的冲刷和腐蚀,不易被磨损,并且能将纤维物料有效地切割粉碎磨细成30-300目的产品。在细磨粉碎的过程中,不仅能有效地降低粉碎物料的温度,延长传动部件的工作寿命,并减少传动部件的更换次数。既能提高生产效率,又能提高产品质量及产量;还由于采用脉冲除尘器,以分室轮流进行所谓的离线清灰,从而可避免喷吹清灰产生的粉尘二次飞扬,能捕集含尘浓度高达1000g/m3的气体,可降低喷吹气源压力和设备运行能耗,延长使用寿命,除尘效率在99.9%以上,具有良好的环保除尘性能。并且,被研磨后的物料由风送管道送入分离器进行分离,分离出的物料直接下落至筛分机进行筛选,对于不合格产品再次经过风送管道的风送作用,返回到细磨机内进行再次研磨,直至达到合格产品。而整个风送管道是负压工作,在碳纤维的风送过程中没有粉尘外漏,工作现场无粉尘污染,有利于环境保护。
总之,该套粉碎加工设备性能优良高效,可生产出多种长度和细度规格的碳纤维产品,且最高细度可达300目,年产量达1000吨,能完全达到碳纤维生产加工行业需要的不同规格的纤维和细粉的要求。并且该套设备具有设计先进,性能优良、结构紧凑、占地面积小、产量高、操作方便、粉碎细度可调、耐磨易维护、省工省电、环境达标等优点,它能代替进口设备,可填补国内粉碎碳纤维理想设备的空白。
附图说明
图1为碳纤维粉碎设备的结构示意主视图。
图2为图1的俯视图。
图3为图1中来料输送机的结构示意主视图。
图4为图3的俯视图。
图5为图1中切断机的结构示意主视图。
图6为图5的俯视图。
图7为图1中粗粉碎机的结构示意主视图。
图8为图7的俯视图。
图9为图1中细磨机的结构示意主视图。
图10为图9的俯视图。
图11为图9中的A-A剖视图。
具体实施方式
下面结合附图详细描述本发明的具体实施方式。
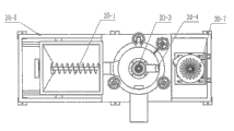
图1、图2中,来料输送机1与切断机2可拆卸式插接。切断机2又通过带1#气动阀门3的第一风送输送管道4分别与粗粉碎机23和第一旋风式分离器5连通。第一旋风分离器5经带有2#气动阀门25的第一分离风送输送管道6与带3#气动阀门24的第二分离风送输送管道10连通,而第二分离风送输送管道10与第二旋风式分离器8连通又与第一气箱式脉冲除尘器9连通,第二旋风分离器8还通过第二风送输送管道7与粗粉碎机23连通,又通过闭风下料风送输送管道22与闭风下料器21连通。与细磨机20连通的第三旋风分离器11经第三分离风送输送管道12与第四分离风送输送管道16连通,又经第三风送输送管道13与方振筛分机19连接。而第四旋风分离器17经第四风送输送管道14与细磨机20连通,又经第四分离风送输送管道16与第二气箱式脉冲除尘器15连通,还与同成品输送机18相邻接的方振筛分机19连接。所述的方振筛分机19是由振动筛框及与其连接的筛网以及与振动筛框连接的振动电机组成。通过方振筛分机19将细磨粉按实际需要的细度要求筛分成不同等级的细粉。所述的成品输送机18由减速电机18-1及与其传动连接的螺旋输送器18-2,以及与螺旋输送器18-2相连的成品收集箱18-3组成。经成品输送机18将筛分后的合格碳纤维粉自动送入成品收集箱18-3内,进行包装。
图3、图4中,来料输送机1由连接有接斗1—1和导流板1—3的来料输送机架1—7,在该来料输送机架1—7的一端上连接有与来料输送电机1—6链传动连接的来料主动输送辊1—5,另一端上连接有来料被动输送辊1—8,而来料主动输送辊1—5和来料被动输送辊1—8通过来料输送带1—4相连接,与来料输送带1—4相接触的来料输送压辊1—2连接在来料输送机架1—7上而构成。
当将碳纤维丝碳毡原料通过接斗1—1送到来料输送带1—4上时,碳纤维丝碳毡原料在导流板1—3和来料输送压辊1—2的作用下,会沿转动的来料输送带1—4平稳前进,被输送到切断机2内。
图5、图6中,切断机2由切断机机架2—10及其上连接的且与切断机输送减速电机2—8皮带传动连接的切断机输送带2—1,与切断机输送带2—1相接触连接并固定连接在切断机机架2—10上的切断机纤锥压辊2—2和切断机纤锥喂料辊2—3,而切断机纤锥压辊2—2通过与其链传动连接的切断机纤锥喂料辊2—3同切断机主轴2—13链传动连接,与切断机纤锥喂料辊2—3相邻的切断机机架2—10上连接的截切装置构成。截切装置由连接在切断机机架2—10上且与切断机调速主电机2—11皮带传动连接的切断机主轴2—13,在该切断机主轴2—13上连接有刀盘2—6,与该刀盘2—6连接的切断动刀2—5和切断定刀2—4,于切断机主轴2—13的一端上连接有配重轮2—14和与切断机纤锥喂料辊2—3链传动连接的切断机链轮2—12构成。当切断机主轴2—13在切断机调速主电机2—11的作用下转动,并带动切断动刀2—5转动,该转动的切断动刀2—5与切断定刀2—4之间做相截切运动,可将被送进的碳纤维长丝切断,被截切断的碳纤维丝的长短由切断机调速主电机2—11的转速调整确定。
图7、图8中,粗粉碎机23由粉碎机架23—8及其上设置的且与粗粉碎电机23—1皮带传动连接的粉碎器构成。该粉碎器由粉碎器机壳23—2,其上带有与吸风机相连通的出料口23—7,在粉碎器机壳23—2内腔的粉碎器主轴23—10上连接有出料风叶23—11、塞挡盘23—5、粉碎刀片23—6。于塞挡盘23—5相对应的粉碎器机壳23—2内腔设置有固定粉碎圈23—4,该固定粉碎圈23—4内壁上滑动连接有带有调节手柄23—3的细度控制环23—13,而在与粉碎刀片23—6相对应的粉碎器机壳23—2内腔壁上连接有齿板23—12构成。当进入粉碎器内的被粉碎碳纤维物料,经高速旋转的粉碎刀片23—6切割并与齿板23—12相碰撞成粗粉,该粗粉在出料风叶23—11的作用下,并通过沿粉碎器主轴23—10往返移动的塞挡盘23—5进行大幅度的调节粉碎物料的细度,又通过人工操作调节手柄23—3,使细度控制环23—13沿固定粉碎圈23—4往返滑动小幅度的微调粉碎物料的细度,细度为0.6—0.8mm的为合格粉,合格粉由出粉口23—7排出,进入下道工序。
图9、图10、图11中,细磨机20由细磨机架20—8及其上连接的供料装置,与供料装置相连通且又与细磨风机20—16相连通的细磨装置构成。供料装置由连接在细磨机架20—8上的供料支架20—18,与供料支架20—18连接的料仓20—19,连接在供料支架20—18上并穿过料仓20—19又与细磨装置连通的绞龙20—1,绞龙20—1又通过皮带传动与绞龙电机20—17连接而构成。而细磨装置包括分级机构和细磨机构两部分。细磨机构由细磨机壳20—13,与细磨机壳20—13连接又与细磨主电机20—7皮带传动连接的细磨主轴20—11,位于细磨机壳20—13内的细磨主轴20—11上连接有细磨主动盘20—9,在细磨主动盘20—9上连接有细磨摇臂轴20—14,该细磨摇臂轴20—14通过与其活动连接的摇臂支撑20—10同研磨甩盘20—6转动连接,在研磨甩盘20—6上分布有四个与其转动连接的研磨轮轴20—12,四个研磨轮轴20—12上均连接有带螺旋齿的研磨轮20—5,在与研磨轮20—5相对应的细磨机壳20—13上连接有磨环20—15构成。而细磨主动盘20—9将细磨机构分隔成细磨部分工作区及传动部分工作区两部分,可有效地防止被粉碎物料下落到传动部分工作区,以保证传动部分能处于正常完好的工作状态。所述分级机构由位于细磨机壳20—13外部的分级调整电机20—3,及与分级调速电机20—3连接并位于细磨机壳20—13内的细度控制叶轮20—2,以及设置在分级调速电机20—3下方的出料口20—4构成。
当进入料仓20—19的粗粉碎后的碳纤维物料通过碳纤维供料装置的绞龙20—1输送进细磨装置的细磨机壳20—13内的研磨部分工作区,细磨主轴20—11在细磨主电机20—7的作用下旋转并带动细磨主动盘20—9旋转,细磨主动盘20—9通过细磨摇臂轴20—14及摇臂支撑20—10带动研磨甩盘20—6、研磨轮轴20—12和研磨轮20—5一起高速旋转。此时,带有螺旋齿的研磨轮20—5处于公转和自转的工作状态,进入研磨轮20—5和磨环20—15之间的碳纤维物料,在研磨轮20—5的压力和公转自转形成的摩擦力、剪切刀的共同作用下被迅速粉碎研磨细,由风机从下部吹入的气流夹带下上升,通过细磨机壳20—13内腔上方的分级机构进行分选,可根据对碳纤维物料粗细度要求,随时调整分级机构的转速及粗细程度。分选后的粗粉会下落至研磨部分工作区再次进行研磨粉碎,而细粉则在风机吹入的气流的吹送下经出料口20—4排出进入下道工序。
工作时,来料输送机1的来料主、被动输送辊1—5和1—8在来料输送电机1—6的作用下旋转,并带动来料输送带1—4转动。当将碳纤维丝碳毡原料通过输送接斗1—1送至来料输送带1—4上时,在导流板1—3和来料输送压辊1—2的作用下,碳纤维丝碳毡原料沿来料输送带1—4平稳前进,被输送到处于工作状态的切断机2内。
被输送到切断机2内的切断机输送带2—1上的碳纤维丝碳毡原料,随着被切断机输送减速电机2—8带动转动的切断机输送带2—1前进,通过切断机纤维压辊2—2和切断机纤维喂料辊2—3进入切断机动刀2—5和切断机定刀2—4之间,该切断机动刀2—5在由切断机调速主电机2—11带动下转动的切断机主轴2—13的作用下旋转,并与切断机定刀2—4之间做相截切运动,可将被送进的碳纤维丝碳毡原料截切成碳纤维丝段。而被截切的碳纤维丝段的具体长短是根据用户的需要并通过调节切断机调速主电机2—11的转速来确定,现以截切成3—10mm的碳纤维丝段为例,当将1#气动阀门3与第一旋风分离器5相连通的一侧打开,与粗粉碎机23相连通的一侧关闭,并同时将连接在第一分离风送输送管6上的2#气动阀门25打开,将连接在第二分离风送输送管10上的3#气动阀门24关闭,并启动第一旋风分离器5的1#关风机及第一气箱式脉冲除尘器19的1#关风机。被切断机2切成的3—10mm的碳纤维丝段在引风机的作用下进入第一旋风分离器5内进行旋风分离,3—10mm合格的碳纤维丝段经第一旋风分离器5下方的闭风下料器下沉,由其出料口排出,生产出3—10mm规格第一种碳纤维产品。而分离的微粉尘及余风进入第一气箱式脉冲除尘器9内,在该除尘器9中将微粉尘经过标准除尘袋过滤成达标气体排出。
当将1#气动阀门3与粗粉碎机23相连通的一侧打开,与第一旋风分离器5相连通的一侧关闭,并关闭第一旋风分离器5的1#关风机和2#气动阀门,启动粗粉碎机23和第二旋风分离器8的2#关风机和3#气动阀门25。第一种碳纤维产品停止生产。而被切断机2切成的3—10mm的碳纤维丝段在粗粉碎机和引风机的吸力作用下进入粗粉碎机23内进行粗粉碎,被粉碎成细度为0.6—0.8mm的颗粒。被粉碎成0.6—0.8mm的碳纤维颗粒在引风机的作用下进入第二旋风分离器8内进行旋风分离,分离后的0.6—0.8mm的合格碳纤维颗粒经第二旋风分离器8下方的闭风下料器21下沉,由其出料口排出,生产出0.6—0.8mm规格的第二种碳纤维产品。而被第二旋风分离器8分离出的粉尘及余风进入第一气箱式脉冲除尘器9内,在该除尘器9中将粉尘经过标准除尘袋过滤出达标气体排出。
当启动第二气箱式脉冲除尘器15及其6#关风机,启动细磨机20,并关闭4#气动阀门26,第二种碳纤维产品停止生产,而由粗粉碎机23加工粉碎的0.6—0.8mm的规格碳纤维物料经风送输送管道进入细磨机20内进行细磨碎,细磨碎成100—300目细度颗粒,被细磨碎成100—300目细度的碳纤维颗粒经风送输送管道进入第四旋风分离器17进行分离,分离后100—300目的碳纤维物料从第四旋风分离器17下方的出料口排出,生产出第三种合格产品。或者是启动筛分机19及成品输送机18以及第三旋风分离器11的3#关风机,停止生产第三种碳纤维产品,将由细磨机20细磨碎的碳纤维物料经风送输送管道进入第四旋风分离器17内进行分离后,进入筛分机19内进行筛分,在筛分机19下方被筛分成40目的第四种碳纤维产品,经成品输送机18的螺旋输送器18-2输送到成品收集箱18-3内,包装即可。而在筛分机19上方的碳纤维物料经风送输送管道进入第三旋风分离器11内进行分离后,位于第三旋风分离器11下方的碳纤维物料重新进入细磨机20中被细磨粉碎,再重复细磨碎后的工序,而第三、四旋风分离器11和17上方的微粉尘及余风均进入第二气箱式脉冲除尘器15内,在该除尘器中将粉尘经过标准除尘袋过滤出达标的气体排放掉。
需要说明的是:本设备所生产的四种产品,是根据用户的实际需要而生产的,只要开启生产所需产品的相应设备,其他设备处于待机状态即可。同时还可以根据用户的实际需要而生产出各种不同规格的碳纤维产品。
Claims (5)
1.一种碳纤维粉碎设备,其特征在于来料输送机﹙1﹚与切断机﹙2﹚拆卸式连接,切断机﹙2﹚又通过带1#气动阀门﹙3﹚的第一风送输送管道﹙4﹚分别与同引风机连接的粗粉碎机﹙23﹚和第一旋风分离器﹙5﹚连通,第一旋风分离器﹙5﹚又经带2#气动阀门﹙25﹚的第一分离风送输送管道﹙6﹚与带3#气动阀门﹙24﹚的第二分离风送输送管道﹙10﹚连通,而第二分离风送输送管道﹙10﹚既与第二旋风分离器﹙8﹚连通又与第一脉冲除尘器﹙9﹚连通,第二旋风分离器﹙8﹚还通过第二风送输送管道﹙7﹚与同引风机相连的粗粉碎机﹙23﹚连接,又通过闭风下料风送输送管道﹙22﹚与闭风下料器﹙21﹚连通,与细磨机﹙20﹚连通的第三旋风分离器﹙11﹚经带4#气动阀门﹙26﹚的第三分离风送输送管道﹙12﹚与第四风送输送管道﹙16﹚连通,又经第三风送输送管道﹙13﹚与筛分机﹙19﹚连接,筛分机﹙19﹚还与成品输送机﹙18﹚连接,而第四风送输送管道﹙16﹚既与第二脉冲除尘器﹙15﹚连通又与第四旋风分离器﹙17﹚连通,第四旋风分离器﹙17﹚还经第四风送输送管道﹙14﹚与细磨机﹙20﹚连通。
2.如权利要求1所述的碳纤维粉碎设备,其特征在于所述的来料输送机﹙1﹚由来料输送机架﹙1—7﹚及其上连接的接斗﹙1—1﹚和导流板﹙1—3﹚,以及设置在来料输送机架﹙1—7﹚上且与来料输送电机﹙1—6﹚传动连接的来料主动输送辊﹙1—5﹚和来料被动输送辊﹙1—8﹚,与来料主动输送辊﹙1—5﹚及来料被动输送辊﹙1—8﹚连接的来料输送带﹙1—4﹚,以及连接在来料输送机架﹙1—7﹚上并与来料输送带﹙1—4﹚相接触连接的来料输送压辊﹙1—2﹚构成。
3.如权利要求1所述的碳纤维粉碎设备,其特征在于所述的切断机﹙2﹚由切断机机架﹙2—10﹚及其上连接的且与切断机输送带减速电机﹙2—8﹚传动连接的切断机输送带﹙2—1﹚,连接在切断机机架﹙2—10﹚上并与切断机输送带﹙2—1﹚相接触连接的切断机纤维压辊﹙2—2﹚和切断机纤维喂料辊﹙2—3﹚,而切断机纤维压辊﹙2—2﹚通过与其传动连接的切断机纤维喂料辊﹙2—3﹚同切断机主轴﹙2—13﹚传动连接,与切断机纤维喂料辊﹙2—3﹚相邻的切断机机架﹙2—10﹚上设置有截切装置而构成,该截切装置由连接在切断机机架﹙2—10﹚上的切断机主轴﹙2—13﹚,该切断机主轴﹙2—13﹚与切断机主电机﹙2—11﹚传动连接,又与切断机纤维喂料辊﹙2—3﹚连接,在该切断机主轴﹙2—13﹚上连接有刀盘﹙2—6﹚,于刀盘﹙2—6﹚上连接有切断动刀﹙2—5﹚和切断定刀﹙2—4﹚而构成。
4.如权利要求1所述的碳纤维粉碎设备,其特征在于所述的粗粉碎机﹙23﹚由粉碎机架﹙23—8﹚及其上设置的且与粉碎机电机﹙23—1﹚传动连接的粉碎器构成;该粉碎器由粉碎器机壳﹙23—2﹚及与其连接的粉碎器主轴﹙23—10﹚,位于粉碎器机壳﹙23—2﹚内腔的粉碎器主轴﹙23—10﹚上连接有出料风叶﹙23—11﹚、塞挡盘﹙23—5﹚、粉碎刀片﹙23—6﹚,于塞挡盘﹙23—5﹚相对应的粉碎器机壳﹙23—2﹚内腔设置有固定粉碎圈﹙23—4﹚,该固定粉碎圈﹙23—4﹚内壁上滑动连接有带有调节手柄﹙23—3﹚的细度控制环﹙23—13﹚,而在与粉碎刀片﹙23—6﹚相对应的粉碎器机壳﹙23—2﹚内腔壁上连接有齿板﹙23—12﹚构成。
5.如权利要求1所述的碳纤维粉碎设备,其特征在于所述的细磨机﹙20﹚由细磨机架﹙20—8﹚及其上连接的供料装置,与该供料装置相连通又与风机﹙20—16﹚相连通的细磨装置构成;该供料装置由供料支架﹙20—18﹚及与其连接的料仓﹙20—19﹚,位于料仓﹙20—19﹚内并与供料支架﹙20—18﹚连接的绞龙﹙20—1﹚,该绞龙﹙20—1﹚与绞龙电机﹙20—17﹚传动连接而构成;而细磨装置包括分级机构和细磨机构两部分,细磨机构由连接在细磨机架﹙20—8﹚上的细磨机壳﹙20—13﹚,与细磨机壳﹙20—13﹚连接并与细磨主电机﹙20—7﹚传动连接的细磨主轴﹙20—11﹚,位于细磨机壳﹙20—13﹚内的细磨主轴﹙20—11﹚上连接有细磨主动盘﹙20—9﹚,该细磨主动盘﹙20—9﹚上连接有细磨摇臂轴﹙20—14﹚,细磨摇臂轴﹙20—14﹚通过与其活动连接的摇臂支撑﹙20—10﹚同研磨甩盘﹙20—6﹚连接,在研磨甩盘﹙20—6﹚上分布有与其转动连接的研磨轮轴﹙20—12﹚,每个研磨轮轴﹙20—12﹚上连接有带螺旋齿的研磨轮﹙20—5﹚,在与研磨轮﹙20—5﹚相对应的细磨机壳﹙20—13﹚上连接有磨环﹙20—15﹚而构成,并且细磨主动盘﹙20—9﹚将细磨装置分隔成细磨部分工作区和传动部分工作区两部分;分级机构由位于细磨机壳﹙20—13﹚外部的分级调速电机﹙20—3﹚,及与分级调速电机﹙20—3﹚连接并位于细磨机壳﹙20—13﹚内的细度控制叶轮﹙20—2﹚构成。
Priority Applications (1)
| Application Number | Priority Date | Filing Date | Title |
|---|---|---|---|
| CN201310527781.5A CN103567046B (zh) | 2013-10-31 | 2013-10-31 | 碳纤维粉碎设备 |
Applications Claiming Priority (1)
| Application Number | Priority Date | Filing Date | Title |
|---|---|---|---|
| CN201310527781.5A CN103567046B (zh) | 2013-10-31 | 2013-10-31 | 碳纤维粉碎设备 |
Publications (2)
| Publication Number | Publication Date |
|---|---|
| CN103567046A true CN103567046A (zh) | 2014-02-12 |
| CN103567046B CN103567046B (zh) | 2015-07-29 |
Family
ID=50040263
Family Applications (1)
| Application Number | Title | Priority Date | Filing Date |
|---|---|---|---|
| CN201310527781.5A Expired - Fee Related CN103567046B (zh) | 2013-10-31 | 2013-10-31 | 碳纤维粉碎设备 |
Country Status (1)
| Country | Link |
|---|---|
| CN (1) | CN103567046B (zh) |
Cited By (12)
| Publication number | Priority date | Publication date | Assignee | Title |
|---|---|---|---|---|
| CN105289797A (zh) * | 2015-11-06 | 2016-02-03 | 嘉兴市高正高分子材料有限公司 | 一种用于碳纤维材料生产的磨粉机 |
| CN107895773A (zh) * | 2017-12-16 | 2018-04-10 | 江西正拓新能源科技股份有限公司 | 一种锂离子材料二次提取硅碳复合物用系统 |
| WO2018102347A1 (en) * | 2016-11-30 | 2018-06-07 | Continental Structural Plastics, Inc. | Dispersed fiber mat formation |
| CN108325715A (zh) * | 2018-04-19 | 2018-07-27 | 郑州博大浓缩干燥设备有限公司 | 饲料生产用物料粉碎分级风送冷却系统 |
| CN109571813A (zh) * | 2019-01-18 | 2019-04-05 | 江苏春林风能科技有限公司 | 玻璃钢边角料再生系统 |
| CN109647600A (zh) * | 2017-10-12 | 2019-04-19 | 常州三全干燥设备有限公司 | 用于生产卡拉胶干品及细粉的工艺方法 |
| CN109985713A (zh) * | 2019-04-04 | 2019-07-09 | 广州市联冠机械有限公司 | 一种用于筛选废旧电池中黑粉的装置及其工艺 |
| CN110548587A (zh) * | 2019-08-08 | 2019-12-10 | 聊城鲁西聚碳酸酯有限公司 | 一种聚碳酸酯薄片研磨系统及其研磨工艺 |
| CN111744635A (zh) * | 2020-06-23 | 2020-10-09 | 扬州利宏碳纤维材料有限公司 | 碳纤维粉的生产装置 |
| CN112222414A (zh) * | 2020-09-27 | 2021-01-15 | 广东先导稀材股份有限公司 | 稀散金属细粉生产设备及生产方法 |
| CN112429996A (zh) * | 2020-11-23 | 2021-03-02 | 丁小巧 | 一种节能保温混凝土制备方法 |
| CN114768976A (zh) * | 2022-05-22 | 2022-07-22 | 山东太岳建筑装饰材料有限公司 | 环保墙衣综合生产线及工艺 |
Citations (12)
| Publication number | Priority date | Publication date | Assignee | Title |
|---|---|---|---|---|
| CN2492307Y (zh) * | 2001-07-20 | 2002-05-22 | 安绍录 | 风离式高细度纤维性物料粉碎机 |
| CN1572371A (zh) * | 2003-05-28 | 2005-02-02 | 宇部兴产机械株式会社 | 粉碎方法和粉碎装置 |
| CN201579098U (zh) * | 2009-12-30 | 2010-09-15 | 安绍录 | 纤维物料磨粉机 |
| CN101862699A (zh) * | 2010-06-03 | 2010-10-20 | 南京旋立重型机械有限公司 | 半终预粉磨立磨和球磨联合粉磨装置 |
| CN201644189U (zh) * | 2010-02-09 | 2010-11-24 | 武汉宝特龙信息科技有限公司 | 干燥风再利用的墨粉粉碎分级系统 |
| CN102319609A (zh) * | 2011-06-13 | 2012-01-18 | 辽宁艾海滑石有限公司 | 全负压粉体加工系统 |
| CN102380449A (zh) * | 2011-11-11 | 2012-03-21 | 冀智良 | 天然彩砂生产线 |
| CN102500455A (zh) * | 2011-12-21 | 2012-06-20 | 湖北工业大学 | 一种尾矿高效回收处理的方法 |
| CN102580833A (zh) * | 2011-12-20 | 2012-07-18 | 宁夏华辉活性炭股份有限公司 | 一种破碎活性炭的装置 |
| CN202398404U (zh) * | 2011-12-21 | 2012-08-29 | 珠海思美亚碳粉有限公司 | 一种用于打印机碳粉加工的环保型生产系统 |
| CN102950056A (zh) * | 2012-11-13 | 2013-03-06 | 阿克苏天山多浪水泥有限责任公司 | 水泥联合粉磨系统 |
| CN103008084A (zh) * | 2012-12-20 | 2013-04-03 | 江苏海建股份有限公司 | 水泥粉磨系统 |
-
2013
- 2013-10-31 CN CN201310527781.5A patent/CN103567046B/zh not_active Expired - Fee Related
Patent Citations (12)
| Publication number | Priority date | Publication date | Assignee | Title |
|---|---|---|---|---|
| CN2492307Y (zh) * | 2001-07-20 | 2002-05-22 | 安绍录 | 风离式高细度纤维性物料粉碎机 |
| CN1572371A (zh) * | 2003-05-28 | 2005-02-02 | 宇部兴产机械株式会社 | 粉碎方法和粉碎装置 |
| CN201579098U (zh) * | 2009-12-30 | 2010-09-15 | 安绍录 | 纤维物料磨粉机 |
| CN201644189U (zh) * | 2010-02-09 | 2010-11-24 | 武汉宝特龙信息科技有限公司 | 干燥风再利用的墨粉粉碎分级系统 |
| CN101862699A (zh) * | 2010-06-03 | 2010-10-20 | 南京旋立重型机械有限公司 | 半终预粉磨立磨和球磨联合粉磨装置 |
| CN102319609A (zh) * | 2011-06-13 | 2012-01-18 | 辽宁艾海滑石有限公司 | 全负压粉体加工系统 |
| CN102380449A (zh) * | 2011-11-11 | 2012-03-21 | 冀智良 | 天然彩砂生产线 |
| CN102580833A (zh) * | 2011-12-20 | 2012-07-18 | 宁夏华辉活性炭股份有限公司 | 一种破碎活性炭的装置 |
| CN102500455A (zh) * | 2011-12-21 | 2012-06-20 | 湖北工业大学 | 一种尾矿高效回收处理的方法 |
| CN202398404U (zh) * | 2011-12-21 | 2012-08-29 | 珠海思美亚碳粉有限公司 | 一种用于打印机碳粉加工的环保型生产系统 |
| CN102950056A (zh) * | 2012-11-13 | 2013-03-06 | 阿克苏天山多浪水泥有限责任公司 | 水泥联合粉磨系统 |
| CN103008084A (zh) * | 2012-12-20 | 2013-04-03 | 江苏海建股份有限公司 | 水泥粉磨系统 |
Cited By (15)
| Publication number | Priority date | Publication date | Assignee | Title |
|---|---|---|---|---|
| CN105289797A (zh) * | 2015-11-06 | 2016-02-03 | 嘉兴市高正高分子材料有限公司 | 一种用于碳纤维材料生产的磨粉机 |
| WO2018102347A1 (en) * | 2016-11-30 | 2018-06-07 | Continental Structural Plastics, Inc. | Dispersed fiber mat formation |
| US11904502B2 (en) | 2016-11-30 | 2024-02-20 | Teijin Automotive Technologies, Inc. | Dispersed fiber mat formation |
| CN109647600A (zh) * | 2017-10-12 | 2019-04-19 | 常州三全干燥设备有限公司 | 用于生产卡拉胶干品及细粉的工艺方法 |
| CN107895773A (zh) * | 2017-12-16 | 2018-04-10 | 江西正拓新能源科技股份有限公司 | 一种锂离子材料二次提取硅碳复合物用系统 |
| CN108325715B (zh) * | 2018-04-19 | 2024-01-02 | 郑州博大浓缩干燥设备有限公司 | 饲料生产用物料粉碎分级风送冷却系统 |
| CN108325715A (zh) * | 2018-04-19 | 2018-07-27 | 郑州博大浓缩干燥设备有限公司 | 饲料生产用物料粉碎分级风送冷却系统 |
| CN109571813A (zh) * | 2019-01-18 | 2019-04-05 | 江苏春林风能科技有限公司 | 玻璃钢边角料再生系统 |
| CN109985713A (zh) * | 2019-04-04 | 2019-07-09 | 广州市联冠机械有限公司 | 一种用于筛选废旧电池中黑粉的装置及其工艺 |
| CN110548587A (zh) * | 2019-08-08 | 2019-12-10 | 聊城鲁西聚碳酸酯有限公司 | 一种聚碳酸酯薄片研磨系统及其研磨工艺 |
| CN111744635A (zh) * | 2020-06-23 | 2020-10-09 | 扬州利宏碳纤维材料有限公司 | 碳纤维粉的生产装置 |
| CN112222414A (zh) * | 2020-09-27 | 2021-01-15 | 广东先导稀材股份有限公司 | 稀散金属细粉生产设备及生产方法 |
| CN112429996A (zh) * | 2020-11-23 | 2021-03-02 | 丁小巧 | 一种节能保温混凝土制备方法 |
| CN114768976A (zh) * | 2022-05-22 | 2022-07-22 | 山东太岳建筑装饰材料有限公司 | 环保墙衣综合生产线及工艺 |
| CN114768976B (zh) * | 2022-05-22 | 2023-07-25 | 山东太岳建筑装饰材料有限公司 | 环保墙衣综合生产线及工艺 |
Also Published As
| Publication number | Publication date |
|---|---|
| CN103567046B (zh) | 2015-07-29 |
Similar Documents
| Publication | Publication Date | Title |
|---|---|---|
| CN103567046B (zh) | 碳纤维粉碎设备 | |
| CN203316215U (zh) | 超微粉碎机 | |
| CN103263955B (zh) | 一种用于从棉粕中提取棉蛋白的生产设备 | |
| CN208032721U (zh) | 一种循环式物料粉碎研磨装置 | |
| KR101842233B1 (ko) | 처리 능력이 큰 분쇄기 및 미세 지분 제조 방법 | |
| CN102161221A (zh) | 橡胶粉生产系统及其生产方法 | |
| CN101838019A (zh) | 电池级低铁四氧化三钴粉料制备方法及装置 | |
| KR101247309B1 (ko) | 곡물 분쇄 장치 및 이를 적용한 곡물 분말 제조 장치 | |
| CN102513199A (zh) | 一种微粉碎系统及其粉碎方法 | |
| CN101999742B (zh) | 一种粉碎加工系统 | |
| CN103028473A (zh) | 粒度均匀的微粉制备系统 | |
| CN1715023A (zh) | 常温粉碎生产精细橡胶粉的方法 | |
| CN204159418U (zh) | 粉碎装置 | |
| CN103028474A (zh) | 微粉制备装置 | |
| CN202336373U (zh) | 微粉制备系统 | |
| CN213133416U (zh) | 一种细粉立磨粉砂一体化设备 | |
| WO2003047758A1 (fr) | Procede et equipement de broyage mettant en oeuvre un cyclone | |
| CN204974021U (zh) | 一种带有粉尘回收功能的粉碎机 | |
| CN203678465U (zh) | 石灰制粉机 | |
| CN202336372U (zh) | 粒度均匀的微粉制备系统 | |
| CN202336368U (zh) | 一种带除渣装置的超细粉碎机 | |
| CN205199673U (zh) | 一种纳米碳酸钙粉碎成套生产线 | |
| CN204429393U (zh) | 一种虾苗开口饵料超微粉碎机 | |
| CN204710523U (zh) | 一种应用于研磨粉碎加工的超细木粉机 | |
| CN215353903U (zh) | 一种新型磁粉气流磨装置 |
Legal Events
| Date | Code | Title | Description |
|---|---|---|---|
| C06 | Publication | ||
| PB01 | Publication | ||
| SE01 | Entry into force of request for substantive examination | ||
| SE01 | Entry into force of request for substantive examination | ||
| C14 | Grant of patent or utility model | ||
| GR01 | Patent grant | ||
| CF01 | Termination of patent right due to non-payment of annual fee |
Granted publication date: 20150729 Termination date: 20171031 |
|
| CF01 | Termination of patent right due to non-payment of annual fee |