CN103495927A - Device for spiral superfinishing of raceway of bearing inner race - Google Patents
Device for spiral superfinishing of raceway of bearing inner race Download PDFInfo
- Publication number
- CN103495927A CN103495927A CN201310454957.9A CN201310454957A CN103495927A CN 103495927 A CN103495927 A CN 103495927A CN 201310454957 A CN201310454957 A CN 201310454957A CN 103495927 A CN103495927 A CN 103495927A
- Authority
- CN
- China
- Prior art keywords
- speed
- push rod
- shaft
- swing
- connecting rod
- Prior art date
- Legal status (The legal status is an assumption and is not a legal conclusion. Google has not performed a legal analysis and makes no representation as to the accuracy of the status listed.)
- Granted
Links
Images
Classifications
-
- B—PERFORMING OPERATIONS; TRANSPORTING
- B24—GRINDING; POLISHING
- B24B—MACHINES, DEVICES, OR PROCESSES FOR GRINDING OR POLISHING; DRESSING OR CONDITIONING OF ABRADING SURFACES; FEEDING OF GRINDING, POLISHING, OR LAPPING AGENTS
- B24B35/00—Machines or devices designed for superfinishing surfaces on work, i.e. by means of abrading blocks reciprocating with high frequency
Landscapes
- Engineering & Computer Science (AREA)
- Mechanical Engineering (AREA)
- Transmission Devices (AREA)
Abstract
本发明涉及一种轴承内圈滚道螺旋超精加工装置,空间连杆振荡摆动器的摆动轴输出端固定连接花键套,花键套内滑动连接与花键套相配的花键轴,花键轴前端固定连接油石摆动头,油石摆动头与花键套之间通过拉簧连接,摆动轴内穿有推杆,推杆前端穿出摆动轴前端与花键轴接触连接,推杆后端穿出摆动轴后端与可调行程和速度的推动装置连接。通过调节摆动轴的摆动角度和偏心凸轮的偏心量或电动推杆的移动量,就可以改变螺旋运动的螺旋升角和螺距。通过调节空间连杆振荡摆动器的调速电机和可调行程和速度的推动装置的调速电机驱动装置的转速或电动推杆的推动速度,就可以改变螺旋运动的速度和振荡频率,提高不同轴承内圈滚道超精加工表面粗糙度,减少波纹度。
The invention relates to a spiral ultra-finishing device for bearing inner ring raceways. The output end of the swing shaft of the space connecting rod oscillating oscillator is fixedly connected to a spline sleeve, and the inside of the spline sleeve is slidably connected to a spline shaft matched with the spline sleeve. The front end of the key shaft is fixedly connected to the oil stone swing head, and the oil stone swing head and the spline sleeve are connected by a tension spring. There is a push rod inside the swing shaft, and the front end of the push rod passes through the swing shaft. The rear end of the penetrating shaft is connected with a propelling device with adjustable stroke and speed. By adjusting the swing angle of the swing shaft and the eccentricity of the eccentric cam or the movement of the electric push rod, the helix angle and pitch of the helical motion can be changed. By adjusting the speed of the speed-regulating motor of the space link oscillating oscillator and the speed-regulating motor driving device of the push device with adjustable stroke and speed or the driving speed of the electric push rod, the speed and oscillation frequency of the spiral motion can be changed, and the difference can be improved. The surface roughness of the raceway of the inner ring of the bearing is super-finished to reduce waviness.
Description
技术领域technical field
本发明涉及一种轴承内圈滚道超精加工装置,尤其是一种采用螺旋方式进行超精加工的装置。The invention relates to a superfinishing device for raceway of a bearing inner ring, in particular to a device for superfinishing in a spiral manner.
背景技术Background technique
螺旋超精加工的方式,如图1所示,轴承内圈固定在螺旋超精机的主轴上,并随主轴一起旋转,在轴承内圈直径方向两端的沟道位置用二块不同特性的油石进行超精加工。其中,一块油石进行螺旋运动(摆动角速度ω,直线运动速度ν合成),油石压力Ρ,另一块油石进行摆动运动(摆动角速度ω)。The way of spiral superfinishing, as shown in Figure 1, the inner ring of the bearing is fixed on the main shaft of the spiral superfinishing machine, and rotates together with the main shaft. Perform ultra-finishing. Among them, one whetstone performs spiral motion (oscillating angular velocity ω, linear motion velocity ν synthesis), the whetstone pressure Ρ, and the other whetstone performs oscillating motion (oscillating angular velocity ω).
现有的螺旋超精加工装置是采用定比传动方式,粗超油石和精超油石的运动机构由同一台电机和三角皮带传动装置驱动偏心轮机构和螺旋槽机构,使粗超油石对轴承内圈滚道进行螺旋运动式粗超精加工和驱动端面凸轮带动精超油石对轴承内圈滚道进行摆动精超精加工。这种定比传动螺旋机构结构简单,适用于大批量单一型号规格的轴承内圈滚道超精加工。但不适用于许要经常调节螺旋运动的螺距和摆幅的小批量多品种规格的轴承内圈滚道超精加工。因此,需要一种可根据不同轴承内圈滚道超精加工要求,调整粗超油石螺旋运动的螺距、摆幅和振荡频率的轴承内圈滚道螺旋超精加工装置。The existing spiral superfinishing device adopts a fixed-ratio transmission mode. The movement mechanisms of the coarse and fine super-polishing stones are driven by the same motor and V-belt transmission device. The ring raceway is subjected to spiral motion type rough and super-finishing, and the driving end face cam drives the fine super-finishing oilstone to perform swing fine and super-finishing on the inner ring raceway of the bearing. The fixed-ratio transmission screw mechanism has a simple structure and is suitable for ultra-finishing of raceways of inner rings of bearings with a single model and specification in large quantities. However, it is not suitable for the ultra-finishing of raceways of inner rings of bearings in small batches and with multiple specifications where the pitch and swing of the spiral motion need to be adjusted frequently. Therefore, there is a need for a bearing inner ring raceway spiral superfinishing device that can adjust the pitch, swing amplitude and oscillation frequency of the coarse super oil stone spiral motion according to the superfinishing requirements of the bearing inner ring raceway.
发明内容Contents of the invention
本发明是要提供一种轴承内圈滚道螺旋超精研加工装置,该装置可根据不同轴承内圈滚道超精加工要求,可方便调整粗超油石螺旋运动的螺距、摆幅和振荡频率,能提高不同轴承内圈滚道超精加工表面粗糙度,减少波纹度。The present invention is to provide a bearing inner ring raceway spiral superfinishing processing device, which can conveniently adjust the pitch, swing amplitude and oscillation frequency of the coarse super oil stone spiral movement according to the superfinishing requirements of different bearing inner raceway superfinishing , can improve the super-finishing surface roughness of different bearing inner raceways and reduce waviness.
为实现上述目的,本发明的技术方案是:一种轴承内圈滚道螺旋超精研加工装置,包括空间连杆振荡摆动器、油石摆动头,空间连杆振荡摆动器的摆动轴输出端固定连接花键套,花键套内滑动连接与花键套相配的花键轴,花键轴前端固定连接油石摆动头,油石摆动头与花键套之间通过拉簧连接,摆动轴内穿有推杆,推杆前端穿出摆动轴前端与花键轴接触连接,推杆后端穿出摆动轴后端与可调行程和速度的推动装置连接。In order to achieve the above object, the technical solution of the present invention is: a bearing inner ring raceway spiral superfinishing processing device, including a space connecting rod oscillating oscillator, an oilstone oscillating head, and the output end of the oscillating shaft of the spatial connecting rod oscillating oscillator is fixed Connect the spline sleeve, the spline sleeve is slidingly connected with the spline shaft matching the spline sleeve, the front end of the spline shaft is fixedly connected to the oil stone swing head, the oil stone swing head and the spline sleeve are connected by a tension spring, and the swing shaft is worn with A push rod, the front end of the push rod passes through the front end of the swing shaft and is in contact with the spline shaft, and the rear end of the push rod passes through the rear end of the swing shaft and is connected with a push device with adjustable stroke and speed.
可调行程和速度的推动装置为电动推杆,电动推杆与推杆固定连接。The pushing device with adjustable stroke and speed is an electric push rod, and the electric push rod is fixedly connected with the push rod.
可调行程和速度的推动装置由偏心凸轮、调速电机驱动装置组成,偏心凸轮上开有长腰槽,偏心凸轮通过其上的长腰槽与调速电机驱动装置输出轴可调偏心量连接,偏心凸轮外周面与推杆接触连接。The driving device with adjustable stroke and speed is composed of an eccentric cam and a speed-regulating motor driving device. There is a long waist groove on the eccentric cam, and the eccentric cam is connected with the output shaft of the speed-regulating motor driving device through the long waist groove. , the outer peripheral surface of the eccentric cam is in contact with the push rod.
摆动轴与推杆间隙配合连接。The swing shaft is connected with the push rod in clearance fit.
空间连杆振荡摆动器包括调速电机、输入轴、第一连杆、第二连杆、摆动轴,调速电机连接输入轴,输入轴与第一连杆活动连接,第一连杆通过球头关节轴承连接第二连杆,第二连杆活动连接摆动轴。The space link oscillating oscillator includes a speed-regulating motor, an input shaft, a first connecting rod, a second connecting rod, and a swing shaft. The speed-regulating motor is connected to the input shaft, and the input shaft is movably connected to the first connecting rod. The head joint bearing is connected with the second connecting rod, and the second connecting rod is movably connected with the swing shaft.
本发明的有益效果是:通过调节空间连杆振荡摆动器的摆动轴的摆动角度和偏心凸轮的偏心量或电动推杆的移动量,就可以改变螺旋运动的螺旋升角和螺距。通过调节空间连杆振荡摆动器的调速电机和可调行程和速度的推动装置的调速电机驱动装置的转速或电动推杆的推动速度,就可以改变螺旋运动的速度和振荡频率,提高不同轴承内圈滚道超精加工表面粗糙度,减少波纹度。The beneficial effects of the present invention are: by adjusting the swing angle of the swing shaft of the space link oscillating oscillator and the eccentricity of the eccentric cam or the movement of the electric push rod, the helix angle and pitch of the helical motion can be changed. By adjusting the speed of the speed-regulating motor of the space link oscillating oscillator and the speed-regulating motor driving device of the push device with adjustable stroke and speed or the driving speed of the electric push rod, the speed and oscillation frequency of the spiral motion can be changed, and the difference can be improved. The surface roughness of the raceway of the inner ring of the bearing is super-finished to reduce waviness.
附图说明Description of drawings
图1是螺旋超精加工的方式示意图;Fig. 1 is the schematic diagram of the mode of spiral superfinishing;
图2是本发明的实施例一结构示意图;Fig. 2 is a schematic structural view of Embodiment 1 of the present invention;
图3是本发明的实施例二结构示意图;Fig. 3 is a schematic structural diagram of Embodiment 2 of the present invention;
图4是空间连杆振荡摆动器结构原理图。Fig. 4 is a schematic diagram of the structure of the space link oscillating oscillator.
具体实施方式Detailed ways
下面结合附图与实施例对本发明作进一步说明。The present invention will be further described below in conjunction with the accompanying drawings and embodiments.
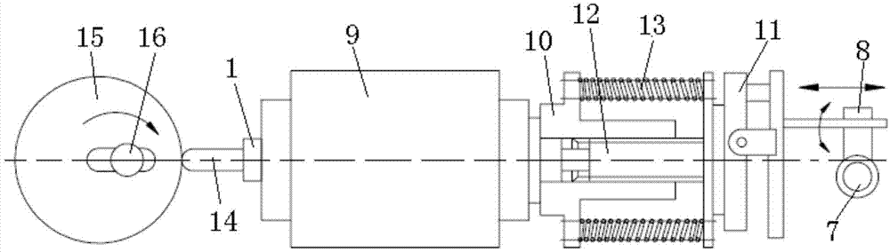
如图2,3所示,本发明的轴承内圈滚道螺旋超精研加工装置,包括空间连杆振荡摆动器9、花键套10、油石摆动头11、花键轴12、拉簧13、推杆14、可调行程和速度的推动装置。As shown in Figures 2 and 3, the bearing inner ring raceway spiral superfinishing processing device of the present invention includes a space connecting
空间连杆振荡摆动器9的摆动轴1输出端固定连接花键套10,花键套10内滑动连接与花键套10相配的花键轴12,花键轴12前端固定连接油石摆动头11,油石摆动头11与花键套19之间通过拉簧13连接,摆动轴1内穿有推杆14,推杆14前端穿出摆动轴1前端与花键轴12接触连接,摆动轴1与推杆14间隙配合连接,推杆14后端穿出摆动轴1后端与可调行程和速度的推动装置连接。The output end of the swing shaft 1 of the space connecting
如图2所示,可调行程和速度的推动装置由偏心凸轮15、调速电机驱动装置组成,偏心凸轮15上开有长腰槽,偏心凸轮15通过其上的长腰槽与调速电机驱动装置输出轴16可调偏心量连接,偏心凸轮15外周面与推杆14接触连接。As shown in Figure 2, the driving device with adjustable stroke and speed is composed of an
如图3所示,可调行程和速度的推动装置为电动推杆17,电动推杆17与推杆14固定连接。As shown in FIG. 3 , the pushing device with adjustable stroke and speed is an
如图4所示,空间连杆振荡摆动器包括调速电机5、输入轴4、第一连杆2、第二连杆3、摆动轴1,调速电机5通过皮带6连接输入轴4,输入轴4与第一连杆2活动连接,第一连杆2通过球头关节轴承连接第二连杆3组成空间连杆机构,第二连杆3活动连接摆动轴1。As shown in Figure 4, the space link oscillating oscillator includes a speed regulating motor 5, an input shaft 4, a first connecting rod 2, a second connecting rod 3, and a swing shaft 1, and the speed regulating motor 5 is connected to the input shaft 4 through a
调速电机5通过皮带6驱动输入轴4,输入轴4带动第一连杆2空间旋转,并通球面关节轴承驱动第二连杆3带动摆动轴1作摇摆振荡运动。摆动轴1摆动的角度大小通过调节输入轴4的前、后位置来实现。由于空间连杆机构的二个连杆由球头关节轴承连接运动轨迹近似于二个对合的空间锥体,可以大大改善由于加速度突变而引起的惯量突变。因此,可以提高振荡频率。空间连杆振荡摆动器与常规的偏心连杆振荡摆动机构相比:振荡频率可达300-1000次/分,振动小,噪音低,寿命长,机械效率高,并可在动态情况下任意调节振幅和频率。The speed-regulating motor 5 drives the input shaft 4 through the
空间连杆振荡摆动器9产生摇摆振荡运动,花键套10带动花键轴12和油石摆动头11一起摆动,电动推杆17或偏心凸轮15驱动推杆`4推动花键轴12在花键套10中移动,摆动加移动形成螺旋运动,使油石8以螺旋轨迹对轴承内圈7滚道进行超精加工。调节空间连杆振荡摆动器9的摆动轴1的摆动角度和偏心凸轮15的偏心量或电动推杆17的移动量,就可以改变螺旋运动的螺旋升角和螺距。调节空间连杆振荡摆动器9的调速电机5和可调行程和速度的推动装置的调速电机驱动装置的转速或电动推杆17的推动速度,就可以改变螺旋运动的速度和振荡频率。The space connecting
Claims (5)
Priority Applications (1)
| Application Number | Priority Date | Filing Date | Title |
|---|---|---|---|
| CN201310454957.9A CN103495927B (en) | 2013-09-29 | 2013-09-29 | Device for spiral superfinishing of raceway of bearing inner race |
Applications Claiming Priority (1)
| Application Number | Priority Date | Filing Date | Title |
|---|---|---|---|
| CN201310454957.9A CN103495927B (en) | 2013-09-29 | 2013-09-29 | Device for spiral superfinishing of raceway of bearing inner race |
Publications (2)
| Publication Number | Publication Date |
|---|---|
| CN103495927A true CN103495927A (en) | 2014-01-08 |
| CN103495927B CN103495927B (en) | 2017-01-18 |
Family
ID=49861235
Family Applications (1)
| Application Number | Title | Priority Date | Filing Date |
|---|---|---|---|
| CN201310454957.9A Active CN103495927B (en) | 2013-09-29 | 2013-09-29 | Device for spiral superfinishing of raceway of bearing inner race |
Country Status (1)
| Country | Link |
|---|---|
| CN (1) | CN103495927B (en) |
Cited By (2)
| Publication number | Priority date | Publication date | Assignee | Title |
|---|---|---|---|---|
| CN105196160A (en) * | 2015-10-16 | 2015-12-30 | 无锡市索菲机械电子有限公司 | Multifunctional superfinishing oilstone frame |
| CN114833647A (en) * | 2022-05-25 | 2022-08-02 | 安徽安步轴承有限公司 | Grinding equipment and method for high-precision processing of bearing surface |
Citations (6)
| Publication number | Priority date | Publication date | Assignee | Title |
|---|---|---|---|---|
| JP2002233940A (en) * | 2001-02-02 | 2002-08-20 | Koyo Seiko Co Ltd | Superfinishing apparatus |
| CN200948554Y (en) * | 2006-09-15 | 2007-09-19 | 上海联合滚动轴承有限公司 | Ball Bearing Outer Raceway Superfinishing Machine |
| CN200951519Y (en) * | 2006-07-18 | 2007-09-26 | 洛阳轴研科技股份有限公司 | Novel oscillating superprecision grinding apparatus |
| CN202317956U (en) * | 2011-10-26 | 2012-07-11 | 贵州汇强科技有限公司 | Superfine grinding device for inner roller path of connecting shaft bearing |
| CN202540121U (en) * | 2012-03-14 | 2012-11-21 | 慈溪大旗机械科技有限公司 | Grinding and swinging device of ultra-precise grinder of bearing races |
| CN202701993U (en) * | 2012-06-08 | 2013-01-30 | 江苏兴利达齿轮有限公司 | Novel shaft neck oilstone superfinishing machine |
-
2013
- 2013-09-29 CN CN201310454957.9A patent/CN103495927B/en active Active
Patent Citations (6)
| Publication number | Priority date | Publication date | Assignee | Title |
|---|---|---|---|---|
| JP2002233940A (en) * | 2001-02-02 | 2002-08-20 | Koyo Seiko Co Ltd | Superfinishing apparatus |
| CN200951519Y (en) * | 2006-07-18 | 2007-09-26 | 洛阳轴研科技股份有限公司 | Novel oscillating superprecision grinding apparatus |
| CN200948554Y (en) * | 2006-09-15 | 2007-09-19 | 上海联合滚动轴承有限公司 | Ball Bearing Outer Raceway Superfinishing Machine |
| CN202317956U (en) * | 2011-10-26 | 2012-07-11 | 贵州汇强科技有限公司 | Superfine grinding device for inner roller path of connecting shaft bearing |
| CN202540121U (en) * | 2012-03-14 | 2012-11-21 | 慈溪大旗机械科技有限公司 | Grinding and swinging device of ultra-precise grinder of bearing races |
| CN202701993U (en) * | 2012-06-08 | 2013-01-30 | 江苏兴利达齿轮有限公司 | Novel shaft neck oilstone superfinishing machine |
Cited By (3)
| Publication number | Priority date | Publication date | Assignee | Title |
|---|---|---|---|---|
| CN105196160A (en) * | 2015-10-16 | 2015-12-30 | 无锡市索菲机械电子有限公司 | Multifunctional superfinishing oilstone frame |
| CN114833647A (en) * | 2022-05-25 | 2022-08-02 | 安徽安步轴承有限公司 | Grinding equipment and method for high-precision processing of bearing surface |
| CN114833647B (en) * | 2022-05-25 | 2023-05-16 | 安徽安步轴承有限公司 | Bearing surface high-precision processing and polishing equipment and method thereof |
Also Published As
| Publication number | Publication date |
|---|---|
| CN103495927B (en) | 2017-01-18 |
Similar Documents
| Publication | Publication Date | Title |
|---|---|---|
| CN105114586A (en) | Movable tooth cam mechanism for achieving output through swing disc | |
| CN103481180B (en) | Bearing inner race raceway Lapping Boll machine | |
| CN103495927B (en) | Device for spiral superfinishing of raceway of bearing inner race | |
| CN105626816A (en) | Single-row speed reducing and changing integration cylinder sine oscillating tooth mechanism | |
| CN203431114U (en) | Flywheel guide groove reciprocating piston type transmission device | |
| CN205685171U (en) | A kind of polishing structure in grinder | |
| CN103752365A (en) | Extruding and kneading mechanism | |
| CN107457574B (en) | A kind of pulley type amplitude stepless adjusting shake table | |
| CN105757179B (en) | A kind of screw rod roller bearing dynamic transfer system | |
| CN104315088A (en) | Novel cycloid needle roller damping speed reducer | |
| CN101865266A (en) | A reciprocating mechanism and method for converting rotary motion into reciprocating motion | |
| AU2011325773B2 (en) | Swing barrel type positive displacement pump using cross shaft joint bearing | |
| CN205111479U (en) | Grind crankshaft installation plane and use device | |
| US952383A (en) | Mechanical movement. | |
| CN206123416U (en) | Oilstone oscillation mechanism of super smart machine | |
| CN204772086U (en) | High -speed polish grinding head device of pottery brick | |
| CN104511828A (en) | Use and adjustment method for bearing inner ring raceway spiral super-finishing machine | |
| WO2015176666A1 (en) | Bidirectional swashplate compressor | |
| CN203611104U (en) | Active reversion polisher | |
| CN203579402U (en) | Grinding spindle | |
| CN204746848U (en) | Oval vibration exciter of triaxial | |
| CN104061297B (en) | Rotation based on frictional drive and axial vibration composite-motion mechanism | |
| CN204327894U (en) | One makes to obtain reciprocating mechanism at a slow speed in emery wheel high speed rotary motion | |
| US9051049B2 (en) | Ornithopter aircraft transmission | |
| CN206937025U (en) | Metal tube polishes unit wheel construction |
Legal Events
| Date | Code | Title | Description |
|---|---|---|---|
| C06 | Publication | ||
| PB01 | Publication | ||
| C10 | Entry into substantive examination | ||
| SE01 | Entry into force of request for substantive examination | ||
| C14 | Grant of patent or utility model | ||
| GR01 | Patent grant | ||
| TR01 | Transfer of patent right | ||
| TR01 | Transfer of patent right |
Effective date of registration: 20170705 Address after: The 53 group of Tongzhou District Shi Gang Zhen Ma Dao Cun 226000 Jiangsu city of Nantong Province Patentee after: NANTONG HONGFENG NEW ENERGY MACHINERY Co.,Ltd. Address before: 200237 No. 1776, Lane 59, Hongmei South Road, Shanghai, Minhang District Patentee before: Huang Bin |
|
| TR01 | Transfer of patent right | ||
| TR01 | Transfer of patent right |
Effective date of registration: 20251009 Address after: 226300 Jiangsu Province Nantong City High-tech Industrial Development Zone Jianghai Zhihui Park C1 Building 9th Floor Patentee after: Nantong Gaoxin Intellectual Property Service Co.,Ltd. Country or region after: China Address before: The 53 group of Tongzhou District Shi Gang Zhen Ma Dao Cun 226000 Jiangsu city of Nantong Province Patentee before: NANTONG HONGFENG NEW ENERGY MACHINERY Co.,Ltd. Country or region before: China |
