CN103457255A - 一种电源防反接电路及灯具 - Google Patents

一种电源防反接电路及灯具 Download PDF

Info

Publication number
CN103457255A
CN103457255A CN2012101759975A CN201210175997A CN103457255A CN 103457255 A CN103457255 A CN 103457255A CN 2012101759975 A CN2012101759975 A CN 2012101759975A CN 201210175997 A CN201210175997 A CN 201210175997A CN 103457255 A CN103457255 A CN 103457255A
Authority
CN
China
Prior art keywords
semiconductor
oxide
type metal
switch pipe
resistance
Prior art date
Legal status (The legal status is an assumption and is not a legal conclusion. Google has not performed a legal analysis and makes no representation as to the accuracy of the status listed.)
Granted
Application number
CN2012101759975A
Other languages
English (en)
Other versions
CN103457255B (zh
Inventor
周明杰
管伟芳
Current Assignee (The listed assignees may be inaccurate. Google has not performed a legal analysis and makes no representation or warranty as to the accuracy of the list.)
Oceans King Lighting Science and Technology Co Ltd
Oceans King Dongguan Lighting Technology Co Ltd
Shenzhen Oceans King Lighting Engineering Co Ltd
Original Assignee
Oceans King Lighting Science and Technology Co Ltd
Oceans King Dongguan Lighting Technology Co Ltd
Shenzhen Oceans King Lighting Engineering Co Ltd
Priority date (The priority date is an assumption and is not a legal conclusion. Google has not performed a legal analysis and makes no representation as to the accuracy of the date listed.)
Filing date
Publication date
Application filed by Oceans King Lighting Science and Technology Co Ltd, Oceans King Dongguan Lighting Technology Co Ltd, Shenzhen Oceans King Lighting Engineering Co Ltd filed Critical Oceans King Lighting Science and Technology Co Ltd
Priority to CN201210175997.5A priority Critical patent/CN103457255B/zh
Publication of CN103457255A publication Critical patent/CN103457255A/zh
Application granted granted Critical
Publication of CN103457255B publication Critical patent/CN103457255B/zh
Active legal-status Critical Current
Anticipated expiration legal-status Critical

Links

Images

Landscapes

  • Circuit Arrangement For Electric Light Sources In General (AREA)

Abstract

本发明涉及照明灯具领域,本发明提供的电源防反接电路,简单可靠,通过设置第一开关管和第二开关管使得当电源反接时,提供给第一开关管和第二开关管的栅源极的偏执电压与第一开关管和第二开关管导通时所需的偏执电压的极性相反致使第一开关管和第二开关管处于截止状态,则连接至第二开关管的源极的负载无电流通过,则电源无电压输出,达到防反接目的。本发明提供的电路结构简单,稳定性高,功耗较小。

Description

一种电源防反接电路及灯具
技术领域
本发明属于灯具领域,尤其涉及一种电源防反接电路及灯具。
背景技术
在使用外接电源的电子设备中,如果电子设备的电源接反,会造成电子设备永久性的损坏。
现在的电源防反接电路采用二极管,利用二极管的单向导通特性达到防止电源反接损坏电子设备的目的。但是,由于二极管的压降固定,造成其消耗的功率过大,产生热量,造成电路稳定性降低。
发明内容
本发明的目的在于提供一种电源防反接电路及灯具,解决了现有问题的电子电路中电源防反接的问题,以及二极管功耗过大的问题。
针对上述现有技术存在的问题,本发明提供一种电源防反接电路,包括电阻R1、第一开关管、第二开关管以及电阻R2,其中,所述电阻R1的两端分别与电源正极和电源负极相连接,第一开关管的输入端连接至电源正极,第一开关管的控制端连接至所述电源负极,以获得电阻R1提供的偏执电压;该第一开关管的输出端与所述第二开关管的控制端相连接,该第二开关管的输出端连接至所述电源负极,所述电阻R2连接于第一开关管的输出端和第二开关管的输入端之间,以给所述第二开关管提供偏执电压。 
优选地,还包括连接于所述电源正极与所述第二开关管的输入端之间的指示单元。
其中,所述第一开关管为第一P型MOS管,其源极为输入端,其栅极为控制端,其漏极为输出端,所述第一P型MOS管的源极连接至所述电源正极,该第一P型MOS管的栅极连接至所述电源负极,该第一P型MOS管的漏极与所述第二N型MOS管的栅极相连接。
其中,所述第二开关管为第二N型MOS管,其源极为输入端,其栅极为控制端,其漏极为输出端,该第二N型MOS管的栅极与所述第一P型MOS管的漏极相连接,该第二N型MOS管的的漏极连接至所述电源负极,所述电阻R2连接于第一P型MOS管的栅极和第二N型MOS管的源极之间。
其中,所述指示单元包括电阻R3和发光二级管LED1,其中,所述电阻R3的一端连接至所述电源正极,另一端与所述发光二级管LED1的正极连接,所述发光二级管LED1的负极连接至第二N型MOS管的源极。
本发明还提供了一种灯具,包括电源防反接电路及灯具负载,所述电源防反接电路包括电阻R1、第一开关管、第二开关管以及电阻R2,第一P型MOS管、第二N型MOS管其中,所述电阻R1的两端分别与电源正极和电源负极相连接,第一开关管的输入端连接至电源正极,第一开关管的控制端连接至所述电源负极,以获得电阻R1提供的偏执电压;该第一开关管的输出端与所述第二开关管的控制端相连接,该第二开关管的输出端连接至所述电源负极,所述电阻R2连接于第一开关管的输出端和第二开关管的输入端之间,以给所述第二开关管提供偏执电压,所述灯具负载连接于电源正极与第二开关管的输入端之间。
优选地,还包括连接于所述电源正极与所述第二开关管的输入端之间的指示单元。
其中,所述第一开关管为第一P型MOS管,其源极为输入端,其栅极为控制端,其漏极为输出端,所述第一P型MOS管的源极连接至所述电源正极,该第一P型MOS管的栅极连接至所述电源负极,该第一P型MOS管的漏极与所述第二N型MOS管的栅极相连接。
其中,所述第二开关管为第二N型MOS管,其源极为输入端,其栅极为控制端,其漏极为输出端,该第二N型MOS管的栅极与所述第一P型MOS管的漏极相连接,该第二N型MOS管的的漏极连接至所述电源负极,所述电阻R2连接于第一P型MOS管的栅极和第二N型MOS管的源极之间。
其中,所述指示单元包括电阻R3和发光二级管LED1,其中,所述电阻R3的一端连接至所述电源正极,另一端与所述发光二级管LED1的正极连接,所述发光二级管LED1的负极连接至第二N型MOS管的源极。
本发明提供的电源防反接电路,简单可靠,通过设置第一开关管和第二开关管使得当电源反接时,提供给第一开关管和第二开关管的栅源极的偏执电压与第一开关管和第二开关管导通时所需的偏执电压的极性相反致使第一开关管和第二开关管处于截止状态,则连接至第二开关管的源极的负载无电流通过,则电源无电压输出,达到防反接目的。本发明提供的电路结构简单,稳定性高,功耗较小。
附图说明
为了更清楚地说明本发明的技术方案,下面将对实施例中所需要使用的附图作简单地介绍,显而易见地,下面描述中的附图仅仅是本发明的一些实施例,对于本领域普通技术人员来讲,在不付出创造性劳动的前提下,还可以根据这些附图获得其他的附图。
图1是本发明实施例提供的防反接电路应用在LED领域中的电路框图。
图2是本发明实施例提供的防反接电路应用MOS管的电路图。
具体实施方式
下面将结合本发明实施例中的附图,对本发明实施例中的技术方案进行清楚、完整地描述。
参见图1和图2,如图1所示,本实施例提供的灯具包括电源防反接电路100,包括电阻R1、第一开关管110、第二开关管120、电阻R2、电阻R3、发光二级管LED1。其中,电源防反接电路的各模块的连接关系如下:
电阻R1的两端分别与电源正极和电源负极相连接,第一开关管110的输入端连接至电源正极,第一开关管110的控制端连接至所述电源负极,以获得电阻R1提供的偏执电压;第一开关管110的输出端与第二开关管120的控制端相连接,第二开关管120的输出端连接至所述电源负极,电阻R2连接于第一开关管110的输出端和第二开关管120的输入端之间,以给所述第二开关管120提供偏执电压。
以及,电阻R3连接至电源正极和发光二级管LED1的正极之间,发光二级管LED1的负极连接至第二开关管120的输入端。
其中,负载负极连接至第二开关管120的输入端,负载正极连接至电源正极,当电源反接时,电阻R1和电阻R2提供的偏执电压极性与电源正常接入时相比相反,使第一开关管110和第二开关管120处于开路状态,致使电源无电压输出,则负载的负极与第二开关管120的输入端的连接关系处于断路。
当电源反接时,电源无电压输出,则发光二级管LED1处于灭灯状态,以提示电源接反。
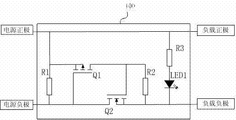
如图2所示,本实施例提供的灯具中的所述电源防反接电路100包括电阻R1、第一P型MOS管Q1、第二N型MOS管Q2、电阻R2、电阻R3、发光二级管LED1。
其中,电阻R1,连接至电源正极和电源负极之间,第一P型MOS管Q1的源极连接至电源正极,第一P型MOS管Q1的栅极连接至电源负极,第一P型MOS管Q1的漏极连接至第二N型MOS管Q2的栅极,电阻R2连接至第二N型MOS管Q2的栅极和第二N型MOS管Q2的源极之间,第二N型MOS管Q2的漏极连接至电源负极;灯具的负载正极连接至电源正极,灯具的负载负极连接至所述第二N型MOS管Q2的源极。以及,电阻R3连接至电源正极和发光二级管LED1的正极之间,发光二级管LED1的负极连接至第二N型MOS管Q2的源极。
当电源正常接入时,第一P型MOS管Q1的栅源极电压为负,第一P型MOS管Q2导通,同理,第二N型MOS管Q2的栅源极电压为正,第二N型MOS管Q2导通,则连接至第二N型MOS管Q2源极的发光二级管LED1有电流通过,则发光二级管LED1亮灯提示电源正常接入。
当电源反接时,第一P型MOS管Q1的栅源极电压为正,第一P型MOS管Q1截止,同理,第二N型MOS管Q2的栅源极电压为负,第二N型MOS管Q2截止,则连接至第二N型MOS管Q2源极的发光二级管LED1无电流通过,则发光二级管LED1不发光,提示电源反接。
本发明提供的电源防反接电路,简单可靠,通过设置第一P型MOS管Q1和第二N型MOS管Q2使得当电源反接时,提供给第一P型MOS管Q1和第二N型MOS管Q2的栅源极的偏执电压与第一P型MOS管Q1和第二N型MOS管Q2导通时所需的偏执电压的极性相反,致使第一P型MOS管Q1和第二N型MOS管Q2处于截止状态,则连接至第二N型MOS管Q2的源极的负载无电流通过,则电源无电压输出,达到防反接目的。本发明提供的电路结构简单,稳定性高,功耗较小。
以上所述是本发明的优选实施方式,应当指出,对于本技术领域的普通技术人员来说,在不脱离本发明原理的前提下,还可以做出若干改进和润饰,这些改进和润饰也视为本发明的保护范围。

Claims (10)

1.一种电源防反接电路,其特征在于,包括电阻R1、第一开关管、第二开关管以及电阻R2,其中,所述电阻R1的两端分别与电源正极和电源负极相连接,第一开关管的输入端连接至电源正极,第一开关管的控制端连接至所述电源负极,以获得电阻R1提供的偏执电压;该第一开关管的输出端与所述第二开关管的控制端相连接,该第二开关管的输出端连接至所述电源负极,所述电阻R2连接于第一开关管的输出端和第二开关管的输入端之间,以给所述第二开关管提供偏执电压。 
2.如权利要求1所述的电源防反接电路,其特征在于,还包括连接于所述电源正极与所述第二开关管的输入端之间的指示单元。
3.如权利要求2所述的电源防反接电路,其特征在于,所述第一开关管为第一P型MOS管,其源极为输入端,其栅极为控制端,其漏极为输出端,所述第一P型MOS管的源极连接至所述电源正极,该第一P型MOS管的栅极连接至所述电源负极,该第一P型MOS管的漏极与所述第二N型MOS管的栅极相连接。
4.如权利要求3所述的电源防反接电路,其特征在于,所述第二开关管为第二N型MOS管,其源极为输入端,其栅极为控制端,其漏极为输出端,该第二N型MOS管的栅极与所述第一P型MOS管的漏极相连接,该第二N型MOS管的的漏极连接至所述电源负极,所述电阻R2连接于第一P型MOS管的栅极和第二N型MOS管的源极之间。
5.如权利要求1至4其中任一所述的电源防反接电路,其特征在于,所述指示单元包括电阻R3和发光二级管LED1,其中,所述电阻R3的一端连接至所述电源正极,另一端与所述发光二级管LED1的正极连接,所述发光二级管LED1的负极连接至第二N型MOS管的源极。
6.一种灯具,包括电源防反接电路及灯具负载,其特征在于,所述电源防反接电路包括电阻R1、第一开关管、第二开关管以及电阻R2,其中,所述电阻R1的两端分别与电源正极和电源负极相连接,第一开关管的输入端连接至电源正极,第一开关管的控制端连接至所述电源负极,以获得电阻R1提供的偏执电压;该第一开关管的输出端与所述第二开关管的控制端相连接,该第二开关管的输出端连接至所述电源负极,所述电阻R2连接于第一开关管的输出端和第二开关管的输入端之间,以给所述第二开关管提供偏执电压,所述灯具负载连接于电源正极与第二开关管的输入端之间。
7.如权利要求4所述的灯具,其特征在于,还包括连接于所述电源正极与所述第二开关管的输入端之间的指示单元。
8.如权利要求7所述的灯具,其特征在于,所述第一开关管为第一P型MOS管,其源极为输入端,其栅极为控制端,其漏极为输出端,所述第一P型MOS管的源极连接至所述电源正极,该第一P型MOS管的栅极连接至所述电源负极,该第一P型MOS管的漏极与所述第二N型MOS管的栅极相连接。
9.如权利要求8所述的灯具,其特征在于,所述第二开关管为第二N型MOS管,其源极为输入端,其栅极为控制端,其漏极为输出端,该第二N型MOS管的栅极与所述第一P型MOS管的漏极相连接,该第二N型MOS管的的漏极连接至所述电源负极,所述电阻R2连接于第一P型MOS管的栅极和第二N型MOS管的源极之间。
10.如权利要求6-9其中任一所述的灯具,其特征在于,所述指示单元包括电阻R3和发光二级管LED1,其中,所述电阻R3的一端连接至所述电源正极,另一端与所述发光二级管LED1的正极连接,所述发光二级管LED1的负极连接至第二N型MOS管的源极。
CN201210175997.5A 2012-05-31 2012-05-31 一种电源防反接电路及灯具 Active CN103457255B (zh)

Priority Applications (1)

Application Number Priority Date Filing Date Title
CN201210175997.5A CN103457255B (zh) 2012-05-31 2012-05-31 一种电源防反接电路及灯具

Applications Claiming Priority (1)

Application Number Priority Date Filing Date Title
CN201210175997.5A CN103457255B (zh) 2012-05-31 2012-05-31 一种电源防反接电路及灯具

Publications (2)

Publication Number Publication Date
CN103457255A true CN103457255A (zh) 2013-12-18
CN103457255B CN103457255B (zh) 2018-01-23

Family

ID=49739347

Family Applications (1)

Application Number Title Priority Date Filing Date
CN201210175997.5A Active CN103457255B (zh) 2012-05-31 2012-05-31 一种电源防反接电路及灯具

Country Status (1)

Country Link
CN (1) CN103457255B (zh)

Cited By (2)

* Cited by examiner, † Cited by third party
Publication number Priority date Publication date Assignee Title
CN105486968A (zh) * 2015-10-26 2016-04-13 常州大学 一种直流输入电源防反接装置
CN112653351A (zh) * 2021-01-08 2021-04-13 深圳市金三科电子有限公司 一种高转换效率的光伏离网逆变器及其控制方法

Citations (6)

* Cited by examiner, † Cited by third party
Publication number Priority date Publication date Assignee Title
JP2005224088A (ja) * 2004-02-09 2005-08-18 Shimada Phys & Chem Ind Co Ltd 負荷保護回路
CN201515218U (zh) * 2009-09-04 2010-06-23 孙耀 一种车辆蓄电池的保护电路
CN101826724A (zh) * 2010-03-09 2010-09-08 海洋王照明科技股份有限公司 一种直流电源防反接电路
CN201898330U (zh) * 2010-11-12 2011-07-13 无锡新茂科技有限责任公司 一种防反接电路
CN202050235U (zh) * 2011-04-27 2011-11-23 海洋王照明科技股份有限公司 一种电池反接保护电路及灯具
CN202218012U (zh) * 2011-07-29 2012-05-09 洛阳隆盛科技发展公司 一种带反接保护功能的电源

Patent Citations (6)

* Cited by examiner, † Cited by third party
Publication number Priority date Publication date Assignee Title
JP2005224088A (ja) * 2004-02-09 2005-08-18 Shimada Phys & Chem Ind Co Ltd 負荷保護回路
CN201515218U (zh) * 2009-09-04 2010-06-23 孙耀 一种车辆蓄电池的保护电路
CN101826724A (zh) * 2010-03-09 2010-09-08 海洋王照明科技股份有限公司 一种直流电源防反接电路
CN201898330U (zh) * 2010-11-12 2011-07-13 无锡新茂科技有限责任公司 一种防反接电路
CN202050235U (zh) * 2011-04-27 2011-11-23 海洋王照明科技股份有限公司 一种电池反接保护电路及灯具
CN202218012U (zh) * 2011-07-29 2012-05-09 洛阳隆盛科技发展公司 一种带反接保护功能的电源

Cited By (2)

* Cited by examiner, † Cited by third party
Publication number Priority date Publication date Assignee Title
CN105486968A (zh) * 2015-10-26 2016-04-13 常州大学 一种直流输入电源防反接装置
CN112653351A (zh) * 2021-01-08 2021-04-13 深圳市金三科电子有限公司 一种高转换效率的光伏离网逆变器及其控制方法

Also Published As

Publication number Publication date
CN103457255B (zh) 2018-01-23

Similar Documents

Publication Publication Date Title
CN103683263A (zh) 一种直流电源防反接电路及灯具
CN102801138B (zh) 一种led过电流保护电路及灯具
CN103327696B (zh) 一种led背光驱动电路及其驱动方法、液晶显示装置
CN103024973A (zh) 一种led灯具及其过流保护电路
CN103683264B (zh) 一种直流电源防反接电路及灯具
CN103457255A (zh) 一种电源防反接电路及灯具
CN101860999A (zh) 一种电源防反接电路、led灯具电路及led灯具
CN103200735B (zh) 一种防止led闪烁的led驱动器
CN104427686A (zh) 灯具及其控制电路
CN203934064U (zh) 一种多通道式led驱动电源
CN105578671A (zh) 一种led灯具
CN102892221A (zh) 一种led灯具及其开路保护电路
CN203167355U (zh) 一种防止led闪烁的led驱动器
CN203708595U (zh) 一种新型led调光电路
CN204518185U (zh) 两线应急球泡灯控制电路
CN203167370U (zh) 一种夜间定时照明电路及灯具
CN203423486U (zh) 电源防反接电路
CN204119631U (zh) 可不间断供电的照明灯电路及其照明灯
CN202488823U (zh) 一种调光led控制器
CN202617467U (zh) 一种led调光开关
CN203814018U (zh) 一种光控开关电路
CN103052212A (zh) 一种过流保护led灯
CN206077741U (zh) 一种用于mr16的大功率led驱动电路
CN204836644U (zh) 夜光照明两用led
CN203691683U (zh) 可调三色带小夜灯led灯

Legal Events

Date Code Title Description
C06 Publication
PB01 Publication
C10 Entry into substantive examination
SE01 Entry into force of request for substantive examination
GR01 Patent grant
GR01 Patent grant