CN103304103A - System for treating wastewater containing heavy oil - Google Patents
System for treating wastewater containing heavy oil Download PDFInfo
- Publication number
- CN103304103A CN103304103A CN2013102717298A CN201310271729A CN103304103A CN 103304103 A CN103304103 A CN 103304103A CN 2013102717298 A CN2013102717298 A CN 2013102717298A CN 201310271729 A CN201310271729 A CN 201310271729A CN 103304103 A CN103304103 A CN 103304103A
- Authority
- CN
- China
- Prior art keywords
- pool
- heavy oil
- waste water
- containing heavy
- air flotation
- Prior art date
- Legal status (The legal status is an assumption and is not a legal conclusion. Google has not performed a legal analysis and makes no representation as to the accuracy of the status listed.)
- Pending
Links
Images
Landscapes
- Separation Of Suspended Particles By Flocculating Agents (AREA)
Abstract
本发明涉及一种对含重油废水进行处理的系统,包括相互联通的预处理单元、混凝气浮单元、氧化及生化处理过滤单元,预处理单元包括依次连接的隔油池、调节池及清水池,所述的清水池侧部连接有渣池,混凝气浮处理单元包括加药装置、气浮池、出水池以及与气浮池、出水池连接的控制装置,该控制装置连接有溶气罐及药剂罐,氧化及生化处理过滤单元内有强氧化剂,出水连接原有的再生废水池即生化池或活性炭过滤系统。与现有技术相比,本发明利用现有现场油污水处理设备进行改造并进行现场处理试验,使用方便且成本较低,能够很好的处理含有重油的废水,既解决了废水出水达标难的问题,又达到了回收利用的目的。
The invention relates to a system for treating heavy oil-containing wastewater, which includes a pretreatment unit connected to each other, a coagulation air flotation unit, an oxidation and biochemical treatment filtration unit, and the pretreatment unit includes a grease separation tank, a regulating tank and clean water connected in sequence pool, the side of the clear water pool is connected to a slag pool, and the coagulation air flotation treatment unit includes a dosing device, an air flotation pool, a water outlet pool, and a control device connected to the air flotation pool and the water outlet pool, and the control device is connected to a dissolved air tank And the chemical tank, there is a strong oxidant in the oxidation and biochemical treatment filter unit, and the outlet water is connected to the original regeneration wastewater pool, that is, the biochemical pool or the activated carbon filter system. Compared with the prior art, the present invention utilizes the existing on-site oily sewage treatment equipment to transform and conduct on-site treatment tests. It is convenient to use and low in cost, and can well treat waste water containing heavy oil, which not only solves the problem that the waste water effluent is difficult to reach the standard problem, and reached the purpose of recycling.
Description
技术领域technical field
本发明涉及一种废水处理系统,尤其是涉及一种对含重油废水进行处理的系统。The invention relates to a wastewater treatment system, in particular to a system for treating heavy oil-containing wastewater.
背景技术Background technique
燃机重油产生的废水具有高CODcr、高含油、高毒性、低B/C比特点,属于高难度工业废水。目前,国内此类废水的处理方法主要采用A/O和AA/O工艺,这些工艺针对油类物质主要采用重力分离法、吸附法,油类物质去除率仅为20-30%,处理效果不甚理想,为后续生化处理带来了极大的困难。由于生化系统自身抗冲击负荷能力较脆弱、传统脱氮反应机理的局限性,再加上预处理阶段带来的压力,使得系统出水CODcr降解不完全、氨氮转化不彻底,处理后出水达不到GB8978-1996《污水综合排放标准》二级标准,即主要指标为石油类≤10mg/L,CODcr≤150mg/L,氨氮≤25mg/L。Wastewater produced by heavy oil from gas turbines has the characteristics of high CODcr, high oil content, high toxicity, and low B/C ratio, and belongs to difficult industrial wastewater. At present, the treatment methods of this kind of wastewater in China mainly adopt A/O and AA/O processes. These processes mainly use gravity separation and adsorption methods for oily substances. The removal rate of oily substances is only 20-30%, and the treatment effect is not good. It is very ideal, but it brings great difficulties to the subsequent biochemical treatment. Due to the fragile anti-shock load capacity of the biochemical system itself, the limitations of the traditional denitrification reaction mechanism, and the pressure brought by the pretreatment stage, the CODcr degradation of the system effluent is not complete, the conversion of ammonia nitrogen is not complete, and the effluent after treatment cannot reach GB8978-1996 "Comprehensive Wastewater Discharge Standard" secondary standard, that is, the main indicators are petroleum ≤ 10mg/L, CODcr ≤ 150mg/L, ammonia nitrogen ≤ 25mg/L.
有些企业采用加大稀释重油废水的方法,使得系统污染物浓度大幅下降,出水达到一级排放标准,即主要指标为石油类≤10mg/L,CODcr≤100mg/L,氨氮≤15mg/L。但是大量的稀释废水增加了生化站的处理负荷,无形中增加了污水处理的能耗和费用,使企业承受了巨大的经济负担,违背了清洁生产的原则。Some enterprises adopt the method of increasing the dilution of heavy oil wastewater, so that the concentration of pollutants in the system is greatly reduced, and the effluent reaches the first-level discharge standard, that is, the main indicators are petroleum ≤ 10mg/L, CODcr ≤ 100mg/L, and ammonia nitrogen ≤ 15mg/L. However, a large amount of diluted wastewater increases the processing load of the biochemical station, virtually increases the energy consumption and cost of sewage treatment, makes the enterprise bear a huge economic burden, and violates the principle of clean production.
发明内容Contents of the invention
本发明的目的就是为了克服上述现有技术存在的缺陷而提供一种使用方便、成本较低的对含重油废水进行处理的系统。The object of the present invention is to provide an easy-to-use and low-cost system for treating heavy oil-containing wastewater in order to overcome the above-mentioned defects in the prior art.
本发明的目的可以通过以下技术方案来实现:The purpose of the present invention can be achieved through the following technical solutions:
一种对含重油废水进行处理的系统,包括相互联通的预处理单元、混凝气浮单元、氧化及生化处理过滤单元,A system for treating heavy oil-containing wastewater, including interconnected pretreatment units, coagulation air flotation units, oxidation and biochemical treatment filtration units,
所述的预处理单元包括依次连接的隔油池、调节池及清水池,所述的清水池侧部连接有渣池,The pretreatment unit includes a grease trap, a regulating tank and a clean water tank connected in sequence, and the side of the clean water tank is connected with a slag tank,
所述的混凝气浮单元包括加药装置、气浮池、出水池以及与气浮池、出水池连接的控制装置,该控制装置连接有溶气罐及药剂罐,The coagulation air flotation unit includes a dosing device, an air flotation tank, a water outlet tank, and a control device connected to the air flotation tank and the water outlet tank. The control device is connected with a dissolved air tank and a medicament tank,
所述的氧化及生化处理过滤单元包括氧化池、生化处理池和过滤单元。The oxidation and biochemical treatment filtration unit includes an oxidation pond, a biochemical treatment pond and a filtration unit.
隔油池与装有含重油废水的再生废水池联通。The grease trap is in communication with the regenerated waste water pool containing waste water containing heavy oil.
气浮池内添加Fupai复配混凝剂。Add Fupai compound coagulant to the air flotation tank.
Fupai复配混凝剂由无机混凝剂与有机助凝剂复配而成,Fupai compound coagulant is composed of inorganic coagulant and organic coagulant aid.
所述的无机混凝剂包括聚氯化铝、聚硫酸铁、聚硅氯化铝、聚硅硫酸铝或聚硅硫酸铁,所述的有机助凝剂包括聚丙烯酰胺或二甲基丙基氯化铵。The inorganic coagulant includes polyaluminum chloride, polyferric sulfate, polysilicon aluminum chloride, polysilicon aluminum sulfate or polysilicon ferric sulfate, and the organic coagulant includes polyacrylamide or dimethyl propyl ammonium chloride.
有机助凝剂在气浮池中的浓度为6-8mg/L。The concentration of organic coagulant aid in the air flotation tank is 6-8mg/L.
无机混凝剂在气浮池中的浓度为100-140mg/L。The concentration of inorganic coagulant in the air flotation tank is 100-140mg/L.
氧化池采用强氧化剂深度氧化,进一步去除污染物,清水池的底部设置有潜水搅拌机,控制池内水力停留时间(HRT)为8~9小时,提高废水的生化性能。The oxidation pool adopts strong oxidant for deep oxidation to further remove pollutants. A submersible mixer is installed at the bottom of the clean water pool to control the hydraulic retention time (HRT) in the pool to 8-9 hours to improve the biochemical properties of wastewater.
生化处理池包括混凝沉淀、污泥浓缩、压滤设备和生化处理装置。The biochemical treatment tank includes coagulation sedimentation, sludge concentration, filter press equipment and biochemical treatment equipment.
过滤单元包括砂滤池、活性炭过滤设备、精滤设备,对废水进行过滤处理。The filter unit includes a sand filter, activated carbon filter equipment, and fine filter equipment to filter wastewater.
与现有技术相比,本发明利用现有现场的油污水处理设备进行改造并进行现场处理试验,使用方便且成本较低,能够很好的处理含有重油的废水,既解决了废水出水达标难的问题,又达到了回收利用的目的。Compared with the prior art, the present invention utilizes the existing on-site oily sewage treatment equipment to transform and carry out on-site treatment tests, which is convenient to use and low in cost, and can well treat wastewater containing heavy oil, which not only solves the problem of wastewater effluent reaching the standard problem, and achieved the purpose of recycling.
附图说明Description of drawings
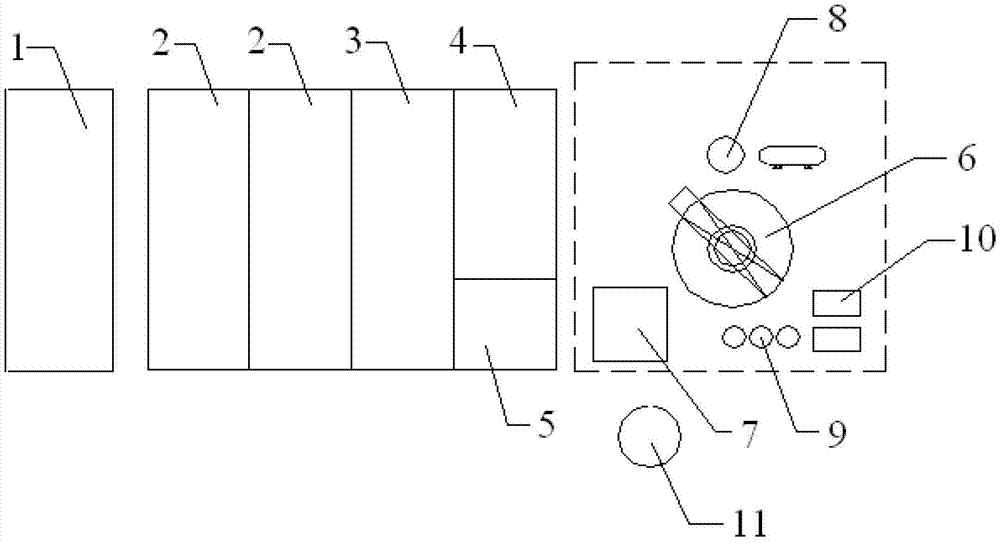
图1为本发明的结构示意图。Fig. 1 is a structural schematic diagram of the present invention.
图中,1为再生废水池、2为隔油池、3为调节池、4为清水池、5为渣池、6为气浮池、7为出水池、8为溶气罐、9为药剂罐、10为控制装置、11为氧化及生化处理过滤单元。In the figure, 1 is the regeneration waste water pool, 2 is the grease trap, 3 is the adjustment pool, 4 is the clear water pool, 5 is the slag pool, 6 is the air flotation pool, 7 is the outlet pool, 8 is the dissolved air tank, and 9 is the medicine tank , 10 is a control device, 11 is an oxidation and biochemical treatment filter unit.
具体实施方式Detailed ways
下面结合附图和具体实施例对本发明进行详细说明。The present invention will be described in detail below in conjunction with the accompanying drawings and specific embodiments.
实施例Example
一种对含重油废水进行处理的系统,其结构如图1所示,包括相互联通的预处理单元、生化处理池和过滤单元。预处理单元包括依次连接的隔油池2、调节池3及清水池4,清水池4的侧部还连接有渣池5。隔油池2与装有含重油废水的再生废水池1联通。调节池3内可添加Fupai复配混凝剂。可以使用的无机混凝剂包括聚氯化铝、聚硫酸铁、聚硅氯化铝、聚硅硫酸铝或聚硅硫酸铁,有机助凝剂包括聚丙烯酰胺、二甲基丙基氯化铵。清水池的底部设置有潜水搅拌机,控制池内水力停留时间(HRT)为8~9小时,用来提高废水的氧化和生化性能。混凝气浮单元包括气浮池6、出水池7以及与气浮池6、出水池7连接的控制装置10,该控制装置10连接有溶气罐8及药剂罐9。氧化及生化处理过滤单元11包括氧化处理和生化池。如采用氧化及生化处理过滤单元11包括混凝沉淀、污泥浓缩、压滤设备和砂滤池、活性炭过滤设备、精滤设备,对废水进行过滤处理。A system for treating heavy oil-containing wastewater, its structure is shown in Figure 1, including interconnected pretreatment units, biochemical treatment pools and filtration units. The pretreatment unit includes a grease trap 2 , a regulating tank 3 and a clean water tank 4 connected in sequence, and a
Fupai复配混凝剂的加入量对废水处理的结果如下表所示。The results of the addition of Fupai compound coagulant to wastewater treatment are shown in the table below.
表1Fupai复配混凝剂加药量对处理效果的影响Table 1 The influence of the dosage of Fupai compound coagulant on the treatment effect
Claims (9)
Priority Applications (1)
| Application Number | Priority Date | Filing Date | Title |
|---|---|---|---|
| CN2013102717298A CN103304103A (en) | 2013-07-01 | 2013-07-01 | System for treating wastewater containing heavy oil |
Applications Claiming Priority (1)
| Application Number | Priority Date | Filing Date | Title |
|---|---|---|---|
| CN2013102717298A CN103304103A (en) | 2013-07-01 | 2013-07-01 | System for treating wastewater containing heavy oil |
Publications (1)
| Publication Number | Publication Date |
|---|---|
| CN103304103A true CN103304103A (en) | 2013-09-18 |
Family
ID=49129868
Family Applications (1)
| Application Number | Title | Priority Date | Filing Date |
|---|---|---|---|
| CN2013102717298A Pending CN103304103A (en) | 2013-07-01 | 2013-07-01 | System for treating wastewater containing heavy oil |
Country Status (1)
| Country | Link |
|---|---|
| CN (1) | CN103304103A (en) |
Cited By (7)
| Publication number | Priority date | Publication date | Assignee | Title |
|---|---|---|---|---|
| CN105523675A (en) * | 2015-12-08 | 2016-04-27 | 天津市瑞德赛恩新材料开发有限公司 | Long-distance pipeline environmental-protection cleaning operation method and skid-mounted equipment |
| CN105693015A (en) * | 2016-01-27 | 2016-06-22 | 山东省环保产业股份有限公司 | Treatment method of cutting fluid wastewater of automobile engine |
| CN106145568A (en) * | 2016-09-10 | 2016-11-23 | 安徽蓝鼎环保能源科技有限公司 | In a kind of oil extraction waste water, oil phenol reclaims and waste water processes regenerating unit |
| CN107176764A (en) * | 2017-07-07 | 2017-09-19 | 南京福昌环保有限公司 | A kind of method of wastewater treatment |
| CN110156220A (en) * | 2019-07-03 | 2019-08-23 | 浙江海洋大学 | A port oil pollution treatment device |
| CN110156214A (en) * | 2019-06-19 | 2019-08-23 | 中煤平朔集团有限公司 | Gasification of poor coal sewage pretreatment device |
| CN112939340A (en) * | 2021-01-27 | 2021-06-11 | 广州博亚涛生态科技有限公司 | Biochemical tank and landfill leachate treatment method |
Citations (3)
| Publication number | Priority date | Publication date | Assignee | Title |
|---|---|---|---|---|
| DE19651680A1 (en) * | 1996-12-12 | 1998-06-18 | Obm Oberdorfer Maschinenfabrik | Oil separator for cutting fluids having central vessel with oil coagulation mat |
| CN102617000A (en) * | 2012-04-12 | 2012-08-01 | 四川鑫超越环保科技有限公司 | Novel combined process for treating coking wastewater |
| CN102690018A (en) * | 2012-05-02 | 2012-09-26 | 中环辽宁工程技术股份有限公司 | Method for treating and recycling coal tar processing wastewater |
-
2013
- 2013-07-01 CN CN2013102717298A patent/CN103304103A/en active Pending
Patent Citations (3)
| Publication number | Priority date | Publication date | Assignee | Title |
|---|---|---|---|---|
| DE19651680A1 (en) * | 1996-12-12 | 1998-06-18 | Obm Oberdorfer Maschinenfabrik | Oil separator for cutting fluids having central vessel with oil coagulation mat |
| CN102617000A (en) * | 2012-04-12 | 2012-08-01 | 四川鑫超越环保科技有限公司 | Novel combined process for treating coking wastewater |
| CN102690018A (en) * | 2012-05-02 | 2012-09-26 | 中环辽宁工程技术股份有限公司 | Method for treating and recycling coal tar processing wastewater |
Non-Patent Citations (1)
| Title |
|---|
| 王玲秋,吕敬友,岳春妹等: "燃气轮机电厂重油废水处理研究", 《华东电力》, vol. 40, no. 9, 30 September 2012 (2012-09-30) * |
Cited By (8)
| Publication number | Priority date | Publication date | Assignee | Title |
|---|---|---|---|---|
| CN105523675A (en) * | 2015-12-08 | 2016-04-27 | 天津市瑞德赛恩新材料开发有限公司 | Long-distance pipeline environmental-protection cleaning operation method and skid-mounted equipment |
| CN105693015A (en) * | 2016-01-27 | 2016-06-22 | 山东省环保产业股份有限公司 | Treatment method of cutting fluid wastewater of automobile engine |
| CN106145568A (en) * | 2016-09-10 | 2016-11-23 | 安徽蓝鼎环保能源科技有限公司 | In a kind of oil extraction waste water, oil phenol reclaims and waste water processes regenerating unit |
| CN107176764A (en) * | 2017-07-07 | 2017-09-19 | 南京福昌环保有限公司 | A kind of method of wastewater treatment |
| CN110156214A (en) * | 2019-06-19 | 2019-08-23 | 中煤平朔集团有限公司 | Gasification of poor coal sewage pretreatment device |
| CN110156220A (en) * | 2019-07-03 | 2019-08-23 | 浙江海洋大学 | A port oil pollution treatment device |
| CN110156220B (en) * | 2019-07-03 | 2023-12-29 | 浙江海洋大学 | Port greasy dirt processing apparatus |
| CN112939340A (en) * | 2021-01-27 | 2021-06-11 | 广州博亚涛生态科技有限公司 | Biochemical tank and landfill leachate treatment method |
Similar Documents
| Publication | Publication Date | Title |
|---|---|---|
| CN103304103A (en) | System for treating wastewater containing heavy oil | |
| CN102167479B (en) | Landfill leachate treatment process | |
| CN205170626U (en) | Organic high salt concentration effluent disposal system | |
| CN102923878A (en) | Equipment and process for modular treatment of oil field wastewater | |
| CN103951101B (en) | A kind for the treatment of process of chloronitrobenzene producing wastewater and treatment system | |
| CN104944631A (en) | Pretreatment method of high-concentration cutting fluid sewage | |
| CN102897951B (en) | Method for recycling coking wastewater after advanced treatment | |
| CN103880206B (en) | Heavy metal wastewater advanced treatment method based on dynamic nucleation and flocculation of sludge | |
| CN103819024A (en) | Pretreatment method for fluorenone production wastewater | |
| CN101921028B (en) | Method for treating liquid waste of silicon steel passivation solution | |
| CN103288306A (en) | Process for treating heavy oil waste water | |
| CN202785898U (en) | Device for treating and recycling wastewater from processing of coal tar | |
| CN104129873B (en) | A kind of drilling mud Waste Water Treatment and method | |
| CN105347580B (en) | A method suitable for polymer flooding produced water treatment up to standard discharge | |
| CN106430798A (en) | Acidic oil wastewater treatment process | |
| CN107365008A (en) | A vehicle-mounted fracturing flowback waste liquid treatment system | |
| CN202924851U (en) | Fenton oxidization reaction-based fluoride waste water treatment device | |
| CN202369478U (en) | Sewage treatment system | |
| CN204138463U (en) | A kind of drilling mud Waste Water Treatment | |
| CN204550278U (en) | A kind of electroplating waste-water reutilizing equipment | |
| CN109704505A (en) | A kind of plasma effluent purification method | |
| CN204342581U (en) | Oil drilling water-based mud wastewater treatment equipment | |
| CN204899890U (en) | Flowing back retrieval and utilization processing apparatus is returned in oil -water well acidizing | |
| CN203360193U (en) | Sewage treatment integration system | |
| CN204369683U (en) | Secondary method fluorine-containing waste water processing apparatus |
Legal Events
| Date | Code | Title | Description |
|---|---|---|---|
| C06 | Publication | ||
| PB01 | Publication | ||
| C10 | Entry into substantive examination | ||
| SE01 | Entry into force of request for substantive examination | ||
| C12 | Rejection of a patent application after its publication | ||
| RJ01 | Rejection of invention patent application after publication |
Application publication date: 20130918 |
