CN103227628A - 一种电动汽车igbt驱动模块 - Google Patents
一种电动汽车igbt驱动模块 Download PDFInfo
- Publication number
- CN103227628A CN103227628A CN2013100357315A CN201310035731A CN103227628A CN 103227628 A CN103227628 A CN 103227628A CN 2013100357315 A CN2013100357315 A CN 2013100357315A CN 201310035731 A CN201310035731 A CN 201310035731A CN 103227628 A CN103227628 A CN 103227628A
- Authority
- CN
- China
- Prior art keywords
- circuit
- igbt
- power supply
- electric automobile
- chip
- Prior art date
- Legal status (The legal status is an assumption and is not a legal conclusion. Google has not performed a legal analysis and makes no representation as to the accuracy of the status listed.)
- Granted
Links
- 238000002955 isolation Methods 0.000 claims abstract description 28
- 230000000087 stabilizing effect Effects 0.000 claims description 29
- 239000003990 capacitor Substances 0.000 claims description 21
- 230000033228 biological regulation Effects 0.000 claims description 11
- 238000012360 testing method Methods 0.000 claims description 8
- 238000010521 absorption reaction Methods 0.000 claims description 7
- 238000001514 detection method Methods 0.000 claims description 6
- 230000017525 heat dissipation Effects 0.000 abstract description 4
- 238000006243 chemical reaction Methods 0.000 abstract description 2
- 238000013461 design Methods 0.000 description 7
- 230000006641 stabilisation Effects 0.000 description 5
- 238000011105 stabilization Methods 0.000 description 5
- 230000008030 elimination Effects 0.000 description 4
- 238000003379 elimination reaction Methods 0.000 description 4
- 230000003321 amplification Effects 0.000 description 3
- 238000010586 diagram Methods 0.000 description 3
- 238000005516 engineering process Methods 0.000 description 3
- 238000003199 nucleic acid amplification method Methods 0.000 description 3
- 230000001360 synchronised effect Effects 0.000 description 3
- 230000000694 effects Effects 0.000 description 2
- 238000000034 method Methods 0.000 description 2
- 230000009286 beneficial effect Effects 0.000 description 1
- 230000015572 biosynthetic process Effects 0.000 description 1
- 238000001816 cooling Methods 0.000 description 1
- 239000008358 core component Substances 0.000 description 1
- 230000008878 coupling Effects 0.000 description 1
- 238000010168 coupling process Methods 0.000 description 1
- 238000005859 coupling reaction Methods 0.000 description 1
- 238000011161 development Methods 0.000 description 1
- 230000005611 electricity Effects 0.000 description 1
- 238000004146 energy storage Methods 0.000 description 1
- 238000001914 filtration Methods 0.000 description 1
- 238000005755 formation reaction Methods 0.000 description 1
- 238000010438 heat treatment Methods 0.000 description 1
- 230000006698 induction Effects 0.000 description 1
- 238000012827 research and development Methods 0.000 description 1
- 230000000284 resting effect Effects 0.000 description 1
- 230000011664 signaling Effects 0.000 description 1
- 238000013519 translation Methods 0.000 description 1
- 238000005303 weighing Methods 0.000 description 1
- 238000004804 winding Methods 0.000 description 1
Images
Landscapes
- Inverter Devices (AREA)
- Power Conversion In General (AREA)
- Dc-Dc Converters (AREA)
Abstract
本发明提供一种电动汽车IGBT驱动模块,包括连接器、开关电源模块电路、正负分压电路及三相六路IGBT驱动电路,所述开关电源模块电路给所述连接器提供电源,所述正负分压电路处理所述开关电源模块电路输出的电源,所述三相六路IGBT驱动电路输入端与所述开关电源模块连接,输出端与IGBT集电极连接。本发明能进入低功耗模式,电源部分体积小,能提供稳定的隔离电源,保证系统可靠运行,能实时检测负载变化,保持电能转换的高效率,可以准确分压,减低IGBT开通关断损耗,有效解决分压电路的散热问题,实现高低压电路的隔离,在恶劣条件下安全可靠运行。
Description
技术领域
本发明涉及电力电子领域,尤其涉及一种电动汽车IGBT驱动模块。
背景技术
电动汽车电机控制器作为电动汽车发展的核心部件之一,关系到未来中国新能源技术的发展,是衡量中国电动汽车领域核心技术研发能力的重要指标。电动汽车电机控制器集成了主控模块、IGBT模块、IGBT驱动模块以及冷却系统。其中,IGBT驱动模块的设计是硬件设计较难的部分,因为涉及到高压大电流以及低压小电流,所以必须对高、低压进行隔离,各个驱动模块也必须隔离,以保证所有器件互不干扰、安全工作。电机控制器作为电动汽车的动力模块组成部分,必须符合汽车安全等级的要求,以保证使用者的安全。而IGBT驱动模块的设计是电机控制器中要求较高的。电动汽车电驱动电子产品工作环境条件恶劣,温度范围要求-40°C~+125°C,抗震防水等等。此外,IGBT驱动模块要求工作效率高,待机情况下耗能少。
现有技术存在以下的问题:
专利201020184721.X提及采用驱动芯片IR2085S专门为工业产品市场而设计,未能通过汽车级体系认证,不能确保通过汽车电子产品相关试验,可能在恶劣条件下会失效或发生错误,危及使用者安全。
专利201020184721.X采用的直流总线方式半桥结构DC/DC变换电路,难以提供稳定的正负电源来驱动IGBT和降低IGBT开关损耗。电动汽车电机驱动模块工况转换频繁,在IGBT负载变化迅速的情况下,此专利产品也无法高效运转,难以在实际的电动汽车工况下正常工作。
IGBT最佳开通电压为+15V,关断电压在-9~-6V为佳。常用的正负分压技术方案采用图1所示的方法,利用稳压二极管和电阻构成+15V和-8V的正负电源,用来控制IGBT的开通和关断。但此方案在常温条件下、IGBT工作轻载情况下,发热厉害,在IGBT满载情况下,温度很高,难以确保器件能长时间正常工作。专利201020184721.X采用的分压电路技术方案如图2所示,也存在类似的问题,不能解决分压电路二极管的散热问题。
此外未见相关专利涉及如何进入低功耗模式,在电动汽车上相关的要求必须满足,特在本发明专利设计了此功能,可在必要时候让驱动模块进入休眠状态,降低系统功耗。
本发明专门为电动汽车设计,达到汽车等级要求,通过汽车级认证,可用在永磁同步电机或交流异步电机控制器上,实现高效地控制IGBT开通关断控制和驱动IGBT正常工作。
发明内容
本发明解决的技术问题是:构建一种适用于三相异步电机或永磁同步电机控制器中的IGBT驱动模块,解决分压电路二极管的散热问题、提供稳定的正负电源来驱动IGBT和降低IGBT开关损耗,并能进入低功耗模式。
本发明采取的技术方案为构建一种电动汽车IGBT驱动模块,包括连接器、开关电源模块电路、正负分压电路及三相六路IGBT驱动电路,所述开关电源模块电路给所述连接器提供电源,所述正负分压电路处理所述开关电源模块电路输出的电源,所述三相六路IGBT驱动电路输入端与所述开关电源模块连接,输出端与IGBT集电极连接。
作为本发明的进一步改进,所述三相六路IGBT驱动电路包括DSP控制电路、光耦隔离芯片及与之连接的IGBT导通压降检测电路和推挽驱动电路及,所述光耦隔离芯片的驱动输出端与所述DSP控制电路的控制信号输入端相接,实现驱动信号的控制和及驱动电流的放大。
作为本发明的进一步改进,所述开关电源模块电路包括开关电源芯片、电解电容C1、二极管、三极管、MOSFET管、高频变压器及MOSFET吸收回路,所述电解电容C1的一端与所述高频变压器相接,另一端与所述开关电源芯片连接,所述二极管位于所述高压变频器输出正端,与所述高频变压器直接相连后与输出电容正端相连,所述MOSFET管的S极的一端通过MOSFET吸收回路接地、另一端接所述高频变压器,D极通过电阻R5接地,G极连接所述开关电源芯片。
作为本发明的进一步改进,所述正负分压电路包括隔离电源电路,该电路包括稳压芯片、二极管、电阻、稳压电容、高频变压器及分压电容,所述稳压芯片与所述高频变压器输出电源的正负极相接,所述稳压芯片与所述二极管相接,所述二极管通过所述稳压电容与电源的正负极连接,所述电阻的一端设置于所述二极管和所述稳压电容之间,另一端与所述稳压芯片连接,所述分压电容设置于所述高频变压器与所述稳压芯片之间,通过所述开关电源模块电路的开关电源芯片,控制所述MOSFET管的开通与关断,实现占空比的调节,达到所述高频变压器副边输出电压的稳定,并利用稳压芯片,实现准确分压。
作为本发明的进一步改进,所述三相六路IGBT驱动电路中的六路包括与所述开关电源芯片连接的反馈回路、检测回路、软启动电路、低功耗使能信号电路、驱动信号电路及MOSFET管吸收电路,所述MOSFET管吸收电路一端连接所述MOSFET管,另一端接地。
作为本发明的进一步改进,所述推挽驱动电路包括三极管Q2、三极管Q3、驱动电阻R6、驱动电阻R7、电容C14及电容C15,三极管Q3的C极与负电源相接,E极通过驱动电阻R7与IGBT门极相接,三极管Q2的C极与+15V电源相接,E极通过驱动电阻R6与IGBT的门极相接,三极管Q2和三极管Q3的B极与所述光耦隔离芯片驱动输出端相接,电容C14和电容C15串联与所述光耦隔离芯片相接,并通过电容C15接地,电容C14接+15V电源输出端。
作为本发明的进一步改进,所述IGBT导通压降检测电路包括二极管D5、电阻R8,所述二极管D5的阴极与IGBT驱动模块的C极相接,通过所述电阻R8接入所述光耦隔离芯片的饱和压降检测引脚。
作为本发明的进一步改进,所述隔离电源电路至少为四组。
作为本发明的进一步改进,所述稳压电容至少为两个,一个连接+15V电源输出端,另一个连接-8V电源输出端。
作为本发明的进一步改进,所述高频变压器的输入端为两路,一路为电源输入,另一路为反馈电路,输出端为四路隔离电源电路。
本发明的有益效果是:本发明提供稳定的正负电源来驱动IGBT和降低IGBT开关损耗,并能进入低功耗模式采用高频开关电源的设计,使电源部分体积比传统电源小很多,可在电动汽车供电电源电压波动的情况下和在负载迅速变化的情况下提供稳定的隔离电源,保证系统可靠运行,开关电源芯片可实时检测负载变化,调整MOSFET开通关断时间占空比,保持电能转换的高效率,采用稳压芯片设计的分压电路,可以准确分压,减低IGBT开通关断损耗,有效解决分压电路的散热问题,保证电路的可靠性,采用AVAGO公司生产的汽车级光耦隔离芯片,实现高低压电路的隔离,还能实时检测IGBT温度和导通压降,可在必要时关闭驱动电路,减低待机功耗,满足汽车等级要求,在恶劣条件下安全可靠运行。
附图说明
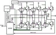
图1为本发明电动汽车IGBT驱动模块所采用的IGBT驱动模块构成示意图;
图2为本发明电动汽车IGBT驱动模块所设计的开关电源模块电路原理图;
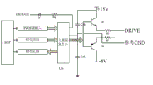
图3为本发明电动汽车IGBT驱动模块所设计的IGBT驱动电路原理图。
具体实施方式
下面结合附图说明及具体实施方式对本发明进一步说明。
如图1所示,本发明提供一种电动汽车IGBT驱动模块,也可适用于三相异步电机或永磁同步电机控制器中的IGBT驱动模块,包括连接器、开关电源模块电路、正负分压电路及三相六路IGBT驱动电路,所述开关电源模块电路给所述连接器提供电源,所述正负分压电路处理所述开关电源模块电路输出的电源,所述三相六路IGBT驱动电路输入端与所述开关电源模块连接,输出端与IGBT集电极连接,给IGBT模块提供驱动;此IGBT驱动模块专用于电机控制器,用来驱动电动汽车的电机,电机控制器分两部分,一部分是控制模块(本文中没有详细描述,是一块主控PCB板),另一部分是驱动模块(本专利所述,是驱动PCB板),连接器是两块PCB的连接部分。
所述连接器的作用为:驱动模块电源的接入、PWM信号输入、IGBT温度检测信号输出、IGBT导通压降检测输出、驱动芯片工作状态控制信号输入与反馈、旋转变压器电源输出,此旋转变压器是装在电机(马达)里面的一个速度检测设备,专利中没有详细描述。
如图3所示,所述三相六路IGBT驱动电路包括的光耦隔离芯片、DSP控制电路、IGBT导通压降检测电路和推挽驱动电路,所述光耦隔离芯片的驱动输出与所述DSP控制电路的控制信号相接,所述IGBT导通压降检测电路与所述光耦隔离芯片连接,所述推挽驱动电路与所述光耦隔离芯片连接,实现驱动信号的控制和及驱动电流的放大;所述光耦隔离芯片采用汽车级的光耦隔离芯片,采用AVAGO公司生产的汽车级光耦隔离芯片;该电路构成IGBT故障检测、开通关断控制及驱动IGBT,还能实时检测IGBT温度和导通压降,可在必要时关闭驱动电路,电动汽车待机需要很低的能量损耗,在不需要驱动模块工作的情况下,必须关闭IGBT驱动模块,以实现最低的待机损耗,必要时刻由系统定义,但模块必须提供关闭的信号接口;保护IGBT不受损坏。
如图2所示,所述开关电源模块电路包括的开关电源芯片、电解电容C1、二极管(D6、D7、D8、D9)、三极管、MOSFET管、高频变压器及MOSFET吸收回路,所述电解电容C1设置于所述开关电源芯片外围,其一端与所述高频变压器相接,另一端与所述开关电源芯片连接,所述二极管(D6、D7、D8、D9)位于所述高压变频器输出正端,与所述高频变压器直接相连后与输出电容正端相连,所述MOSFET管的S极的一段通过MOSFET吸收回路接地、另一端接高频变压器,D极通过电阻R5接地,G极连接所述开关电源芯片,电解电容C1起稳定输入电压作用,可滤除纹波,开关电源采用反激式开关电源,开关电源频率设定为100kHz,高频变压器T1为特定绕制,高频变压器原边与MOSFET(Q1)相连,开关电源芯片U1控制MOSFET的开通关断,开关电源芯片实时检测变压器反馈绕组电压的变化,实时调整输出信号的占空比,使得变压器各路输出电压稳定,MOSFET开通和关断时会有尖峰过冲电压,需吸收回路吸收尖峰电压,R5、R6构成检测电路,检测流过MOSFET电流,由开关电源芯片U1调整开关电源的PWM波占空比,提供纹波很小的稳定隔离输出电压,使得开关电源能高效运作,高频变压器实现高压隔离和多路电源输出的功能,所述开关电源为高频开关电源,高频开关电源通过MOSFET或IGBT的高频工作,开关频率一般控制在50-200kHz范围内,实现高效率和小型化,所述开关电源为反激式开关电源,反激式指在变压器原边导通时副边截止,变压器储能,原边截止时,副边导通,能量释放到负载的工作状态,反激式电源因其结构简单,省掉了一个和变压器体积大小差不多的电感,而在中小功率电源中得到广泛的应用。
如图2所示,所述正负分压电路包括稳压芯片组,所述稳压芯片组包括稳压芯片、二极管、电阻、稳压电容、高频变压器及电解电容,所述稳压芯片与所述高频变压器输出电源的正负极相接,所述稳压芯片与所述二极管相接,所述二极管通过所述稳压电容与电源的正负极连接,所述电阻的一端设置于所述二极管和所述稳压电容之间,另一端与所述稳压芯片连接,所述电解电容设置于所述高频变压器与所述稳压芯片之间,通过所述开关电源模块电路的开关电源芯片,控制所述MOSFET管的开通与关断,实现占空比的调节,达到所述高频变压器副边输出电压的稳定,并利用稳压芯片,实现准确分压;正负分压电路中,稳压芯片U2的1、2脚分别与高频变压器输出电源的正负极相接,3脚与D1相接,同时U2、R1、D1构成回路消除虚地,C2、C3、C4、C4起分压作用,C6、C7起稳压作用,此接法可构成正负分压电路,可产生稳定的+15V供电;稳压芯片U3的1、2脚分别与高频变压器输出电源的正负极相接,3脚与D2相接,同时U3、R2、D2构成回路消除虚地,C8、C9起稳压作用,此接法可构成正负分压电路,可产生稳定的+15V供电;稳压芯片U4的1、2脚分别与高频变压器输出电源的正负极相接,3脚与D3相接,同时U4、R3、D3构成回路消除虚地,C10、C11起稳压作用,此接法可构成正负分压电路,可产生稳定的+15V供电;稳压芯片U5的1、2脚分别与高频变压器输出电源的正负极相接,3脚与D5相接,同时U5、R4、D4构成回路消除虚地,C12、C13起稳压作用,此接法可构成正负分压电路,可产生稳定的+15V供电;所述高频变压器包括一路电源输入、一路反馈电路和四路隔离电源电路;随着开关电源负载的增加,负电源电压会有一定的波动,但在允许范围内。稳压芯片只起稳定电压的作用,通过所述开关电源的电源芯片,控制所述高频变压器原边的所述MOSFET管的开通与关断,实现占空比的调节,达到所述高频变压器副边输出稳定电压为24V左右,24V电压通过稳压芯片,得到+15V和-8V的电压;所述正负分压电路分别采用稳压芯片,与所述四路隔离电源电路一一相连,可产生稳定的+15V直流电正电源及-9V~-6V变化的直流电源负电源,其中正电源给IGBT提供开通正压,负电源给IGBT提供关断负压。
如图2所示,所述三相六路IGBT驱动电路中的六路包括与所述开关电源芯片连接的反馈回路、检测回路、软启动电路、低功耗使能信号电路、驱动信号电路及MOSFET管吸收电路,所述MOSFET管吸收电路一端连接所述MOSFET管,另一端接地。
简单地说,连接器功能:给控制部分提供电源和控制信号(低压信号,5V或3.3V的信号),控制信号通过光耦隔离芯片实现低压到高压控制信号的电气隔离,高压控制信号通过推挽驱动电路实现电流放大,放大后的信号可直接驱动IGBT模块;高压驱动信号需要能量,开关电源就是给高压驱动信号提供电源的重要部分,产生稳定可靠的正负电源电压;正负分压电路处理开关电源的输出电压,实现稳压;三相六路驱动电路属于高压控制信号,实现高压与低压之间的隔离,驱动信号电流放大和IGBT开关(即驱动)。
如图3所示,IGBT驱动电路中,光耦隔离芯片U6的驱动输入与DSP控制信号相接,接收PWM信号,光耦隔离芯片U6驱动输出端与Q2和Q3的B极相接,构成推挽驱动电路,实现三极管的开关控制,三极管Q2的C极与+15V电源相接、E极通过驱动电阻R6与IGBT的门极相接;三极管Q3的C极与负电源相接,E极通过驱动电阻R7同样与IGBT门极相接,构成驱动电路,此方法实现了控制信号到IGBT开通关断的控制和弱电与强电之间的隔离,D5阴极与IGBT的C极相接,通过电阻R8接入光耦隔离芯片的饱和压降检测引脚,构成IGBT导通压降检测回路,可实时检测IGBT导通压降,保护IGBT,此外,隔离芯片还能报错和实现清除错误,便于控制。
以上内容是结合具体的优选实施方式对本发明所作的进一步详细说明,不能认定本发明的具体实施只局限于这些说明。对于本发明所属技术领域的普通技术人员来说,在不脱离本发明构思的前提下,还可以做出若干简单推演或替换,都应当视为属于本发明的保护范围。
Claims (10)
1.一种电动汽车IGBT驱动模块,其特征在于:包括连接器、开关电源模块电路、正负分压电路及三相六路IGBT驱动电路,所述开关电源模块电路给所述连接器提供电源,所述正负分压电路处理所述开关电源模块电路输出的电源,所述三相六路IGBT驱动电路输入端与所述开关电源模块连接,输出端与IGBT集电极连接。
2.根据权利要求1所述的电动汽车IGBT驱动模块,其特征在于:所述三相六路IGBT驱动电路包括DSP控制电路、光耦隔离芯片及与之连接的IGBT导通压降检测电路和推挽驱动电路及,所述光耦隔离芯片的驱动输出端与所述DSP控制电路的控制信号输入端相接。
3.根据权利要求1所述的电动汽车IGBT驱动模块,其特征在于:所述开关电源模块电路包括开关电源芯片、电解电容C1、二极管、三极管、MOSFET管、高频变压器及MOSFET吸收回路,所述电解电容C1的一端与所述高频变压器相接,另一端与所述开关电源芯片连接,所述二极管位于所述高压变频器输出正端,与所述高频变压器直接相连后与输出电容正端相连,所述MOSFET管的S极的一端通过MOSFET吸收回路接地、另一端接所述高频变压器,D极通过电阻R5接地,G极连接所述开关电源芯片。
4.根据权利要求1所述的电动汽车IGBT驱动模块,其特征在于:所述正负分压电路包括隔离电源电路,该电路包括稳压芯片、二极管、电阻、稳压电容、高频变压器及分压电容,所述稳压芯片与所述高频变压器输出电源的正负极相接,所述稳压芯片与所述二极管相接,所述二极管通过所述稳压电容与电源的正负极连接,所述电阻的一端设置于所述二极管和所述稳压电容之间,另一端与所述稳压芯片连接,所述分压电容设置于所述高频变压器与所述稳压芯片之间。
5.根据权利要求1所述的电动汽车IGBT驱动模块,其特征在于:所述三相六路IGBT驱动电路中的六路包括与所述开关电源芯片连接的反馈回路、检测回路、软启动电路、低功耗使能信号电路、驱动信号电路及MOSFET管吸收电路,所述MOSFET管吸收电路一端连接所述MOSFET管,另一端接地。
6.根据权利要求2所述的电动汽车IGBT驱动模块,其特征在于:所述推挽驱动电路包括三极管Q2、三极管Q3、驱动电阻R6、驱动电阻R7、电容C14及电容C15,三极管Q3的C极与负电源相接,E极通过驱动电阻R7与IGBT门极相接,三极管Q2的C极与+15V电源相接,E极通过驱动电阻R6与IGBT的门极相接,三极管Q2和三极管Q3的B极与所述光耦隔离芯片驱动输出端相接,电容C14和电容C15串联与所述光耦隔离芯片相接,并通过电容C15接地,电容C14接+15V电源输出端。
7.根据权利要求2所述的电动汽车IGBT驱动模块,其特征在于:所述IGBT导通压降检测电路包括二极管D5、电阻R8,所述二极管D5的阴极与IGBT驱动模块的C极相接,通过所述电阻R8接入所述光耦隔离芯片的饱和压降检测引脚。
8.根据权利要求4所述的电动汽车IGBT驱动模块,其特征在于:所述隔离电源电路至少为四组。
9.根据权利要求4所述的电动汽车IGBT驱动模块,其特征在于:所述稳压电容至少为两个,一个连接+15V电源输出端,另一个连接-8V电源输出端。
10.根据权利要求3或4任意一项所述的电动汽车IGBT驱动模块,其特征在于:所述高频变压器的输入端为两路,一路为电源输入,另一路为反馈电路,输出端为四路隔离电源电路。
Priority Applications (1)
| Application Number | Priority Date | Filing Date | Title |
|---|---|---|---|
| CN201310035731.5A CN103227628B (zh) | 2013-01-30 | 2013-01-30 | 一种电动汽车igbt驱动模块 |
Applications Claiming Priority (1)
| Application Number | Priority Date | Filing Date | Title |
|---|---|---|---|
| CN201310035731.5A CN103227628B (zh) | 2013-01-30 | 2013-01-30 | 一种电动汽车igbt驱动模块 |
Publications (2)
| Publication Number | Publication Date |
|---|---|
| CN103227628A true CN103227628A (zh) | 2013-07-31 |
| CN103227628B CN103227628B (zh) | 2017-02-08 |
Family
ID=48837922
Family Applications (1)
| Application Number | Title | Priority Date | Filing Date |
|---|---|---|---|
| CN201310035731.5A Active CN103227628B (zh) | 2013-01-30 | 2013-01-30 | 一种电动汽车igbt驱动模块 |
Country Status (1)
| Country | Link |
|---|---|
| CN (1) | CN103227628B (zh) |
Cited By (13)
| Publication number | Priority date | Publication date | Assignee | Title |
|---|---|---|---|---|
| CN103475190A (zh) * | 2013-09-03 | 2013-12-25 | 山东润峰电子科技有限公司 | 高效率的电动汽车电机电源控制和驱动电路 |
| CN104300954A (zh) * | 2014-09-30 | 2015-01-21 | 苏州天准精密技术有限公司 | 一种基于双mos管的急停电路、封装体、急停电路器 |
| CN105958801A (zh) * | 2016-05-31 | 2016-09-21 | 哈尔滨理工大学 | 电动汽车电机驱动器用ipm前置驱动电路 |
| CN107885103A (zh) * | 2016-09-29 | 2018-04-06 | 泰科电子(上海)有限公司 | 智能连接器模组和总线控制系统 |
| CN108365744A (zh) * | 2018-01-03 | 2018-08-03 | 浙江正泰电器股份有限公司 | 变频器的igbt驱动电路 |
| CN108880202A (zh) * | 2018-07-05 | 2018-11-23 | 广州视源电子科技股份有限公司 | 驱动电路及变频电源 |
| CN108964650A (zh) * | 2018-07-23 | 2018-12-07 | 中国海洋石油集团有限公司 | 高压隔离泄放电路 |
| CN109687714A (zh) * | 2017-10-18 | 2019-04-26 | 夏普株式会社 | 功率转换装置 |
| CN110010577A (zh) * | 2019-04-08 | 2019-07-12 | 深圳市鹏源电子有限公司 | 直插式功率器件、半导体组件、轮毂电机驱动器或汽车驱动器和新能源汽车 |
| CN111464160A (zh) * | 2019-12-29 | 2020-07-28 | 西安纬通电子科技有限公司 | 一种新型igbt负压关断电路 |
| CN112217180A (zh) * | 2020-09-18 | 2021-01-12 | 浙江伊控动力系统有限公司 | 旋转变压器的匹配电路及电机驱动系统 |
| CN112542941A (zh) * | 2020-11-27 | 2021-03-23 | 重庆长安新能源汽车科技有限公司 | 一种电机控制器及其电流调节方法 |
| CN114765361A (zh) * | 2022-04-11 | 2022-07-19 | 潍柴动力股份有限公司 | 一种过压保护驱动电路、电机驱动电路及车辆 |
Citations (4)
| Publication number | Priority date | Publication date | Assignee | Title |
|---|---|---|---|---|
| CN1789033A (zh) * | 2005-09-08 | 2006-06-21 | 武汉理工大学 | 基于dsp的嵌入式电动汽车变频控制方法及装置 |
| US20090174353A1 (en) * | 2007-11-20 | 2009-07-09 | Aisin Aw Co., Ltd. | Motor control device |
| CN102368663A (zh) * | 2011-06-22 | 2012-03-07 | 广州金升阳科技有限公司 | 一种带可控电流尖峰抑制保护的电源变换器 |
| CN102868284A (zh) * | 2012-09-13 | 2013-01-09 | 中国科学院电工研究所 | 一种igbt驱动电路 |
-
2013
- 2013-01-30 CN CN201310035731.5A patent/CN103227628B/zh active Active
Patent Citations (4)
| Publication number | Priority date | Publication date | Assignee | Title |
|---|---|---|---|---|
| CN1789033A (zh) * | 2005-09-08 | 2006-06-21 | 武汉理工大学 | 基于dsp的嵌入式电动汽车变频控制方法及装置 |
| US20090174353A1 (en) * | 2007-11-20 | 2009-07-09 | Aisin Aw Co., Ltd. | Motor control device |
| CN102368663A (zh) * | 2011-06-22 | 2012-03-07 | 广州金升阳科技有限公司 | 一种带可控电流尖峰抑制保护的电源变换器 |
| CN102868284A (zh) * | 2012-09-13 | 2013-01-09 | 中国科学院电工研究所 | 一种igbt驱动电路 |
Non-Patent Citations (3)
| Title |
|---|
| 周伟 等: "《电动汽车用电机驱动IGBT模块驱动电源》", 《变流技术与电力牵引》 * |
| 王银杉 等: "《混合动力汽车的IGBT驱动芯片》", 《农业装备与车辆工程》 * |
| 王银杉 等: "《混合动力汽车的IGBT驱动芯片》", 《农业装备与车辆工程》, 31 March 2011 (2011-03-31), pages 39 - 41 * |
Cited By (17)
| Publication number | Priority date | Publication date | Assignee | Title |
|---|---|---|---|---|
| CN103475190A (zh) * | 2013-09-03 | 2013-12-25 | 山东润峰电子科技有限公司 | 高效率的电动汽车电机电源控制和驱动电路 |
| CN103475190B (zh) * | 2013-09-03 | 2015-12-02 | 深圳红河马智能数字动力技术有限公司 | 高效率的电动汽车电机电源控制和驱动电路 |
| CN104300954A (zh) * | 2014-09-30 | 2015-01-21 | 苏州天准精密技术有限公司 | 一种基于双mos管的急停电路、封装体、急停电路器 |
| CN105958801A (zh) * | 2016-05-31 | 2016-09-21 | 哈尔滨理工大学 | 电动汽车电机驱动器用ipm前置驱动电路 |
| CN105958801B (zh) * | 2016-05-31 | 2023-05-30 | 哈尔滨理工大学 | 利用ipm前置驱动电路的电动汽车电机驱动器 |
| CN107885103A (zh) * | 2016-09-29 | 2018-04-06 | 泰科电子(上海)有限公司 | 智能连接器模组和总线控制系统 |
| CN109687714A (zh) * | 2017-10-18 | 2019-04-26 | 夏普株式会社 | 功率转换装置 |
| CN108365744A (zh) * | 2018-01-03 | 2018-08-03 | 浙江正泰电器股份有限公司 | 变频器的igbt驱动电路 |
| CN108880202A (zh) * | 2018-07-05 | 2018-11-23 | 广州视源电子科技股份有限公司 | 驱动电路及变频电源 |
| CN108964650A (zh) * | 2018-07-23 | 2018-12-07 | 中国海洋石油集团有限公司 | 高压隔离泄放电路 |
| CN108964650B (zh) * | 2018-07-23 | 2022-03-04 | 中国海洋石油集团有限公司 | 高压隔离泄放电路 |
| CN110010577A (zh) * | 2019-04-08 | 2019-07-12 | 深圳市鹏源电子有限公司 | 直插式功率器件、半导体组件、轮毂电机驱动器或汽车驱动器和新能源汽车 |
| CN111464160A (zh) * | 2019-12-29 | 2020-07-28 | 西安纬通电子科技有限公司 | 一种新型igbt负压关断电路 |
| CN112217180A (zh) * | 2020-09-18 | 2021-01-12 | 浙江伊控动力系统有限公司 | 旋转变压器的匹配电路及电机驱动系统 |
| CN112217180B (zh) * | 2020-09-18 | 2023-04-14 | 浙江伊控动力系统有限公司 | 旋转变压器的匹配电路及电机驱动系统 |
| CN112542941A (zh) * | 2020-11-27 | 2021-03-23 | 重庆长安新能源汽车科技有限公司 | 一种电机控制器及其电流调节方法 |
| CN114765361A (zh) * | 2022-04-11 | 2022-07-19 | 潍柴动力股份有限公司 | 一种过压保护驱动电路、电机驱动电路及车辆 |
Also Published As
| Publication number | Publication date |
|---|---|
| CN103227628B (zh) | 2017-02-08 |
Similar Documents
| Publication | Publication Date | Title |
|---|---|---|
| CN103227628A (zh) | 一种电动汽车igbt驱动模块 | |
| CN103199678B (zh) | 一种紧凑型igbt模块驱动单元 | |
| CN105490511A (zh) | 一种t型三电平igbt驱动电路 | |
| CN105680839A (zh) | 一种i型三电平驱动电路 | |
| CN205377644U (zh) | 一种t型三电平igbt驱动电路 | |
| CN104007709A (zh) | 一种电器设备及其控制装置和控制方法 | |
| CN202772560U (zh) | Igbt过流保护电路及感性负载控制电路 | |
| CN203933364U (zh) | 一种多个igbt模块的并联大功率驱动电路 | |
| CN102097926A (zh) | 一种高位取能电源故障保护方法 | |
| CN203445602U (zh) | 反激过压保护电路 | |
| CN202455328U (zh) | 一种新型的mos、igbt开关器件的驱动电路模块 | |
| CN103647437A (zh) | 高压大电流igbt驱动系统 | |
| CN103457469B (zh) | 防爆稳压电源 | |
| CN203787352U (zh) | 一种继电器驱动电路 | |
| CN201639482U (zh) | 高压隔离多输出igct驱动电源 | |
| CN203691365U (zh) | 功率半导体开关驱动电路的自供电电路 | |
| CN103618530B (zh) | 功率半导体开关驱动电路的自供电电路及方法 | |
| CN205356291U (zh) | 一种i型三电平驱动电路 | |
| CN203439864U (zh) | 一种电梯控制柜 | |
| CN203166795U (zh) | 一种软启动正弦波逆变器 | |
| CN203103926U (zh) | 一种开关电源及其保护电路 | |
| CN207410067U (zh) | 一种太阳能板的防反接装置及系统 | |
| CN208156170U (zh) | 一种总线电源的主动报警电路 | |
| CN217135444U (zh) | 一种智能光伏关断器 | |
| CN206226276U (zh) | Dc/dc变换设备 |
Legal Events
| Date | Code | Title | Description |
|---|---|---|---|
| C06 | Publication | ||
| PB01 | Publication | ||
| C10 | Entry into substantive examination | ||
| SE01 | Entry into force of request for substantive examination | ||
| C14 | Grant of patent or utility model | ||
| GR01 | Patent grant |