CN103225834A - 锅炉烟气排污余热回收热泵供暖系统及其使用方法 - Google Patents
锅炉烟气排污余热回收热泵供暖系统及其使用方法 Download PDFInfo
- Publication number
- CN103225834A CN103225834A CN2013101893076A CN201310189307A CN103225834A CN 103225834 A CN103225834 A CN 103225834A CN 2013101893076 A CN2013101893076 A CN 2013101893076A CN 201310189307 A CN201310189307 A CN 201310189307A CN 103225834 A CN103225834 A CN 103225834A
- Authority
- CN
- China
- Prior art keywords
- boiler
- flue
- heat
- smoke
- heat pump
- Prior art date
- Legal status (The legal status is an assumption and is not a legal conclusion. Google has not performed a legal analysis and makes no representation as to the accuracy of the status listed.)
- Granted
Links
- 239000002918 waste heat Substances 0.000 title claims abstract description 75
- UGFAIRIUMAVXCW-UHFFFAOYSA-N Carbon monoxide Chemical compound [O+]#[C-] UGFAIRIUMAVXCW-UHFFFAOYSA-N 0.000 title claims abstract description 59
- 239000003546 flue gas Substances 0.000 title claims abstract description 58
- 238000011084 recovery Methods 0.000 title claims abstract description 51
- 238000010438 heat treatment Methods 0.000 title claims abstract description 38
- 238000000034 method Methods 0.000 title claims abstract description 20
- XLYOFNOQVPJJNP-UHFFFAOYSA-N water Substances O XLYOFNOQVPJJNP-UHFFFAOYSA-N 0.000 claims abstract description 66
- 239000007789 gas Substances 0.000 claims abstract description 37
- 238000012423 maintenance Methods 0.000 claims abstract description 9
- 239000000779 smoke Substances 0.000 claims description 73
- 235000019504 cigarettes Nutrition 0.000 claims description 16
- 239000003517 fume Substances 0.000 claims description 9
- 238000001816 cooling Methods 0.000 claims description 6
- 238000010977 unit operation Methods 0.000 claims description 2
- 230000000694 effects Effects 0.000 abstract description 3
- 238000009833 condensation Methods 0.000 abstract description 2
- 230000005494 condensation Effects 0.000 abstract description 2
- 231100001261 hazardous Toxicity 0.000 abstract 1
- 239000000383 hazardous chemical Substances 0.000 abstract 1
- VNWKTOKETHGBQD-UHFFFAOYSA-N methane Chemical compound C VNWKTOKETHGBQD-UHFFFAOYSA-N 0.000 description 6
- MWUXSHHQAYIFBG-UHFFFAOYSA-N Nitric oxide Chemical compound O=[N] MWUXSHHQAYIFBG-UHFFFAOYSA-N 0.000 description 3
- 238000004140 cleaning Methods 0.000 description 3
- CURLTUGMZLYLDI-UHFFFAOYSA-N Carbon dioxide Chemical compound O=C=O CURLTUGMZLYLDI-UHFFFAOYSA-N 0.000 description 2
- RAHZWNYVWXNFOC-UHFFFAOYSA-N Sulphur dioxide Chemical compound O=S=O RAHZWNYVWXNFOC-UHFFFAOYSA-N 0.000 description 2
- 238000005516 engineering process Methods 0.000 description 2
- 239000003345 natural gas Substances 0.000 description 2
- 239000000126 substance Substances 0.000 description 2
- 230000009286 beneficial effect Effects 0.000 description 1
- 230000005540 biological transmission Effects 0.000 description 1
- 229910002092 carbon dioxide Inorganic materials 0.000 description 1
- 239000001569 carbon dioxide Substances 0.000 description 1
- 229910002091 carbon monoxide Inorganic materials 0.000 description 1
- 238000010586 diagram Methods 0.000 description 1
- 239000003500 flue dust Substances 0.000 description 1
- 239000000446 fuel Substances 0.000 description 1
- 230000008520 organization Effects 0.000 description 1
- 230000000505 pernicious effect Effects 0.000 description 1
- 238000009834 vaporization Methods 0.000 description 1
- 230000008016 vaporization Effects 0.000 description 1
- 239000002699 waste material Substances 0.000 description 1
Images
Classifications
-
- Y—GENERAL TAGGING OF NEW TECHNOLOGICAL DEVELOPMENTS; GENERAL TAGGING OF CROSS-SECTIONAL TECHNOLOGIES SPANNING OVER SEVERAL SECTIONS OF THE IPC; TECHNICAL SUBJECTS COVERED BY FORMER USPC CROSS-REFERENCE ART COLLECTIONS [XRACs] AND DIGESTS
- Y02—TECHNOLOGIES OR APPLICATIONS FOR MITIGATION OR ADAPTATION AGAINST CLIMATE CHANGE
- Y02B—CLIMATE CHANGE MITIGATION TECHNOLOGIES RELATED TO BUILDINGS, e.g. HOUSING, HOUSE APPLIANCES OR RELATED END-USER APPLICATIONS
- Y02B30/00—Energy efficient heating, ventilation or air conditioning [HVAC]
- Y02B30/52—Heat recovery pumps, i.e. heat pump based systems or units able to transfer the thermal energy from one area of the premises or part of the facilities to a different one, improving the overall efficiency
-
- Y—GENERAL TAGGING OF NEW TECHNOLOGICAL DEVELOPMENTS; GENERAL TAGGING OF CROSS-SECTIONAL TECHNOLOGIES SPANNING OVER SEVERAL SECTIONS OF THE IPC; TECHNICAL SUBJECTS COVERED BY FORMER USPC CROSS-REFERENCE ART COLLECTIONS [XRACs] AND DIGESTS
- Y02—TECHNOLOGIES OR APPLICATIONS FOR MITIGATION OR ADAPTATION AGAINST CLIMATE CHANGE
- Y02E—REDUCTION OF GREENHOUSE GAS [GHG] EMISSIONS, RELATED TO ENERGY GENERATION, TRANSMISSION OR DISTRIBUTION
- Y02E20/00—Combustion technologies with mitigation potential
- Y02E20/30—Technologies for a more efficient combustion or heat usage
Landscapes
- Heat-Pump Type And Storage Water Heaters (AREA)
Abstract
本发明公开了一种锅炉烟气排污余热回收热泵供暖系统及其使用方法,所述锅炉烟气排污余热回收热泵供暖系统,锅炉为燃气锅炉,它包括主烟道、烟筒、烟气余热回收器、热水箱和高温热泵机组,所述主烟道一端与燃气锅炉连通,另一端与烟筒连通,主烟道上还设置有旁路烟道,主烟道通过旁路烟道与烟气余热回收器连通,主烟道和旁路烟道上均设有切换阀门,结构简单合理,烟气余热回收率高,且通过阀门的切换方便检修维护;由于冷凝的作用,排入大气的有害物质也大为减少,在余热回收利用、降低烟气温度,减少“温室”效应的同时,也减少了燃气锅炉向大气中排放的有害气体,保护了环境。
Description
技术领域
本发明属于能源技术领域,具体涉及一种用于燃气锅炉的烟气余热回收热泵供暖系统以及使用方法。
背景技术
为减少锅炉烟气对城市大气的污染,许多城市限制燃煤锅炉,大力发展以清洁的天然气为燃料的燃气锅炉。天然气其主要成分是甲烷,燃烧后生成大量水蒸气,烟气含水量约为20%,其排烟热损失中不但有大量的显热损失,还有水蒸汽汽化潜热损失。中小型燃气锅炉尾部排烟温度一般为170-210℃,余热回收潜力较大,但目前对燃气锅炉通常未配有换热设备。
目前,少数装有余热回收系统的锅炉,其结构方案大多是在锅炉排烟口和烟囱之间直接连接燃气锅炉烟气余热回收器进行烟气余热回收,这种方式由于锅炉烟气余热回收器对锅炉排出的烟气阻力较大,对锅炉内部的燃烧条件会产生一定的影响;将锅炉烟气余热回收器直接安装在锅炉排烟口和烟囱之间,不便于对锅炉烟气余热回收器维护清理,对余热回收装置进行维护清理时需要将燃气锅炉停工才能进行;锅炉定时排污时,排污水中的热量全部浪费掉,没有加以回收利用,造成能源浪费。
发明内容
为了克服现有技术领域存在的上述技术问题,本发明的目的在于,提供一种锅炉烟气排污余热回收热泵供暖系统及其使用方法,余热回收率高,检修维护方便。
本发明提供的锅炉烟气排污余热回收热泵供暖系统及其使用方法,所述锅炉烟气排污余热回收热泵供暖系统,锅炉为燃气锅炉,它包括主烟道、烟筒、烟气余热回收器、热水箱和高温热泵机组,所述主烟道一端与燃气锅炉连通,另一端与烟筒连通,主烟道上还设置有旁路烟道,主烟道通过旁路烟道与烟气余热回收器连通;所述旁路烟道包括旁路进烟烟道和旁路出烟烟道,所述烟气余热回收器包括一级烟气余热回收器和二级烟气余热回收器,所述旁路出烟烟道下部安装有引风机,所述旁路进烟烟道、一级烟气余热回收器、二级烟气余热回收器、引风机、旁路出烟烟道依次连通;所述主烟道、旁路进烟烟道和旁路出烟烟道上均设有切换阀门;所述一级烟气余热回收器和热水箱之间、二级烟气余热回收器和高温热泵机组之间、热水箱和高温热泵机组之间均设置有循环水管,所述循环水管包括热水输送管和循环输水管,所述循环输水管上设置有热水循环泵;它还包括排污阀,排污阀安装在燃气锅炉的下部。
锅炉烟气排污余热回收热泵供暖系统,其具体使用方法如下:在燃气锅炉运行时,通过自动控制系统将主烟道切换阀门Ⅰ关闭,旁路进烟烟道切换阀门Ⅱ、旁路出烟烟道换阀门Ⅲ开启,引风机启动,燃气锅炉产生的170-210℃高温烟气经过一级烟气余热回收器作为加热热源,高温烟气降温至70℃后从一级烟气余热回收器排出,并进入二级烟气余热回收器降温至30℃后经过引风机排至烟筒,经烟筒排入大气层;在锅炉烟气排污余热回收热泵供暖系统出现故障时,手动打开主烟道切换阀门Ⅰ,关闭旁路进烟烟道切换阀门Ⅱ、旁路出烟烟道换阀门Ⅲ、引风机,之后对锅炉烟气排污余热回收热泵供暖系统进行维护检修,维护检修的同时燃气锅炉保持正常运行。
锅炉烟气排污余热回收热泵供暖系统的使用方法,所述燃气锅炉产生的170-210℃高温烟气经过一级烟气余热回收器时,自动控制系统控制热水循环泵Ⅰ运行,热水循环泵Ⅰ将热水箱中的水输送到一级烟气余热回收器进行换热,得到80℃以上热水储存于热水箱13中,作为高品位热水。
锅炉烟气排污余热回收热泵供暖系统的使用方法,所述高温烟气降温至70℃从一级烟气余热回收器排出,并进入二级烟气余热回收器时,自动控制系统控制热水循环泵Ⅱ、热水循环泵Ⅲ、高温热泵机组运行,热水循环泵Ⅱ将高温热泵机组蒸发器当中的的水输送到二级烟气余热回收器进行换热,得到40℃以下低品位热水,低品位热水进入高温热泵机组蒸发器,经高温热泵机组蒸发器吸热,产生的冷水再经过热水循环泵Ⅱ输送到二级烟气余热回收器进行换热,以此循环;高温热泵机组冷凝器经过蒸发器吸热后放出热量,热水循环泵Ⅲ将热水箱中的水输送到高温热泵机组冷凝器进行吸热,经过高温热泵机组冷凝器换热后得到80℃以上热水储存于热水箱。
本发明提供的锅炉烟气排污余热回收热泵供暖系统及其使用方法,其有益效果在于,锅炉与烟筒之间连接有主烟道,主烟道上还设置有旁路烟道,主烟道和旁路烟道上均设有切换阀门,结构简单合理,烟气余热回收率高,且通过阀门的切换方便检修维护;由于冷凝的作用,排入大气的有害物质也大为减少,烟气冷凝后排入大气的有害物质减少量如下:二氧化硫减少80%;水蒸气减少60%;一氧化碳减少60%;烟尘减少93%;氮氧化物减少50%;二氧化碳减少40%。因此,锅炉烟气排污余热回收热泵供暖系统,在余热回收利用、降低烟气温度,减少“温室”效应的同时,也减少了燃气锅炉向大气中排放的有害气体,保护了环境。
附图说明
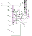
图1是本发明一个实施例的整体结构示意图。
图中标注:
1.燃气锅炉;2.主烟道;3.切换阀门Ⅰ;4.烟筒;5.一级烟气余热回收器;6.二级烟气余热回收器;7.引风机;8.板式换热器;9.热水循环泵Ⅱ;10.热水循环泵Ⅰ;11.热水循环泵Ⅲ;12.高温热泵机组;13.热水箱;14.排污阀;15.热水输送管;16.旁路进烟烟道;17.排水口;18.旁路出烟烟道;19.切换阀门Ⅱ;20.切换阀门Ⅲ;21.循环输水管。
具体实施方式
下面参照附图,结合一个实施例,对本发明提供的锅炉烟气排污余热回收热泵供暖系统及其使用方法进行详细的说明。
实施例
参照图1,本实施例的锅炉烟气排污余热回收热泵供暖系统及其使用方法,所述锅炉烟气排污余热回收热泵供暖系统,锅炉为燃气锅炉1,它包括主烟道2、烟筒4、烟气余热回收器、热水箱13和高温热泵机组12,所述主烟道2一端与燃气锅炉1连通,另一端与烟筒4连通,主烟道2上还设置有旁路烟道,主烟道2通过旁路烟道与烟气余热回收器连通;所述旁路烟道包括旁路进烟烟道16和旁路出烟烟道18,所述烟气余热回收器包括一级烟气余热回收器5和二级烟气余热回收器6,所述一级烟气余热回收器5和二级烟气余热回收器6下部均安装有排水口17,所述旁路出烟烟道18下部安装有引风机7,所述旁路进烟烟道16、一级烟气余热回收器5、二级烟气余热回收器6、引风机7、旁路出烟烟道18依次连通;所述主烟道2、旁路进烟烟道16和旁路出烟烟道18上均设有切换阀门;所述一级烟气余热回收器5和热水箱13之间、二级烟气余热回收器6和高温热泵机组12之间、热水箱13和高温热泵机组12之间均设置有循环水管,所述循环水管包括热水输送管15和循环输水管21,所述循环输水管21上设置有热水循环泵,所述二级烟气余热回收器6和高温热泵机组12之间的循环输水管上还连接有板式换热器8;它还包括排污阀14,排污阀14安装在燃气锅炉1的下部。
锅炉烟气排污余热回收热泵供暖系统,其具体使用方法如下:在燃气锅炉1运行时,通过自动控制系统将主烟道切换阀门Ⅰ3关闭,旁路进烟烟道切换阀门Ⅱ19、旁路出烟烟道换阀门Ⅲ20开启,引风机7启动,燃气锅炉1产生的170-210℃高温烟气经过一级烟气余热回收器5作为加热热源,高温烟气降温至70℃后从一级烟气余热回收器5排出,并进入二级烟气余热回收器6降温至30℃后经过引风机7排至烟筒4,经烟筒4排入大气层;在锅炉烟气排污余热回收热泵供暖系统出现故障时,手动打开主烟道切换阀门Ⅰ3,关闭旁路进烟烟道切换阀门Ⅱ19、旁路出烟烟道换阀门Ⅲ20、引风机7,之后对锅炉烟气排污余热回收热泵供暖系统进行维护检修,维护检修的同时燃气锅炉1保持正常运行。
锅炉烟气排污余热回收热泵供暖系统的使用方法,所述燃气锅炉1产生的170-210℃高温烟气经过一级烟气余热回收器5时,自动控制系统控制热水循环泵Ⅰ10运行,热水循环泵Ⅰ10将热水箱13中的水输送到一级烟气余热回收器5进行换热,得到80℃以上热水储存于热水箱13中,作为高品位热水输送到用户。
锅炉烟气排污余热回收热泵供暖系统的使用方法,所述高温烟气降温至70℃从一级烟气余热回收器5排出,并进入二级烟气余热回收器6时,自动控制系统控制热水循环泵Ⅱ9、热水循环泵Ⅲ11、高温热泵机组12运行,热水循环泵Ⅱ9将高温热泵机组12蒸发器当中的的水输送到二级烟气余热回收器6进行换热,得到40℃以下低品位热水,低品位热水进入高温热泵机组蒸发器,经高温热泵机组蒸发器吸热,产生的冷水再经过热水循环泵Ⅱ9输送到二级烟气余热回收器6进行换热,以此循环;高温热泵机组冷凝器经过蒸发器吸热后放出热量,热水循环泵Ⅲ11将热水箱中的水输送到高温热泵机组冷凝器进行吸热,经过高温热泵机组冷凝器换热后得到80℃以上热水储存于热水箱13,作为高品位热水输送到用户。
燃气锅炉运行过程当中,燃气锅炉运行时间达到排污要求,将排污阀14打开,进行排污。
Claims (8)
1.一种锅炉烟气排污余热回收热泵供暖系统,锅炉为燃气锅炉,其特征在于:它包括主烟道、烟筒、烟气余热回收器、热水箱和高温热泵机组,所述主烟道一端与燃气锅炉连通,另一端与烟筒连通,主烟道上还设置有旁路烟道,主烟道通过旁路烟道与烟气余热回收器连通。
2.根据权利要求1所述的锅炉烟气排污余热回收热泵供暖系统,其特征在于:所述旁路烟道包括旁路进烟烟道和旁路出烟烟道,所述烟气余热回收器包括一级烟气余热回收器和二级烟气余热回收器,所述旁路出烟烟道下部安装有引风机,所述旁路进烟烟道、一级烟气余热回收器、二级烟气余热回收器、引风机、旁路出烟烟道依次连通。
3.根据权利要求1所述的锅炉烟气排污余热回收热泵供暖系统,其特征在于:所述主烟道、旁路进烟烟道和旁路出烟烟道上均设有切换阀门。
4.根据权利要求2所述的锅炉烟气排污余热回收热泵供暖系统,其特征在于:所述一级烟气余热回收器和热水箱之间、二级烟气余热回收器和高温热泵机组之间、热水箱和高温热泵机组之间均设置有循环水管,所述循环水管包括热水输送管和循环输水管,所述循环输水管上设置有热水循环泵。
5.根据权利要求1所述的锅炉烟气排污余热回收热泵供暖系统,其特征在于:它还包括排污阀,排污阀安装在燃气锅炉的下部。
6.一种锅炉烟气排污余热回收热泵供暖系统的使用方法,其特征在于:所述具体方法如下:在燃气锅炉运行时,通过自动控制系统将主烟道切换阀门Ⅰ关闭,旁路进烟烟道切换阀门Ⅱ、旁路出烟烟道换阀门Ⅲ开启,引风机启动,燃气锅炉产生的170-210℃高温烟气经过一级烟气余热回收器作为加热热源,高温烟气降温至70℃后从一级烟气余热回收器排出,并进入二级烟气余热回收器降温至30℃后经过引风机排至烟筒,经烟筒排入大气层;在锅炉烟气排污余热回收热泵供暖系统出现故障时,手动打开主烟道切换阀门Ⅰ,关闭旁路进烟烟道切换阀门Ⅱ、旁路出烟烟道换阀门Ⅲ、引风机,之后对锅炉烟气排污余热回收热泵供暖系统进行维护检修,维护检修的同时燃气锅炉保持正常运行。
7.根据权利要求6所述的锅炉烟气排污余热回收热泵供暖系统的使用方法,其特征在于:所述燃气锅炉产生的170-210℃高温烟气经过一级烟气余热回收器时,自动控制系统控制热水循环泵Ⅰ运行,热水循环泵Ⅰ将热水箱中的水输送到一级烟气余热回收器进行换热,得到80℃以上热水储存于热水箱13中,作为高品位热水。
8.根据权利要求6所述的锅炉烟气排污余热回收热泵供暖系统的使用方法,其特征在于:所述高温烟气降温至70℃从一级烟气余热回收器排出,并进入二级烟气余热回收器时,自动控制系统控制热水循环泵Ⅱ、热水循环泵Ⅲ、高温热泵机组运行,热水循环泵Ⅱ将高温热泵机组蒸发器当中的的水输送到二级烟气余热回收器进行换热,得到40℃以下低品位热水,低品位热水进入高温热泵机组蒸发器,经高温热泵机组蒸发器吸热,产生的冷水再经过热水循环泵Ⅱ输送到二级烟气余热回收器进行换热,以此循环;高温热泵机组冷凝器经过蒸发器吸热后放出热量,热水循环泵Ⅲ将热水箱中的水输送到高温热泵机组冷凝器进行吸热,经过高温热泵机组冷凝器换热后得到80℃以上热水储存于热水箱。
Priority Applications (1)
| Application Number | Priority Date | Filing Date | Title |
|---|---|---|---|
| CN201310189307.6A CN103225834B (zh) | 2013-05-21 | 2013-05-21 | 锅炉烟气排污余热回收热泵供暖系统及其使用方法 |
Applications Claiming Priority (1)
| Application Number | Priority Date | Filing Date | Title |
|---|---|---|---|
| CN201310189307.6A CN103225834B (zh) | 2013-05-21 | 2013-05-21 | 锅炉烟气排污余热回收热泵供暖系统及其使用方法 |
Publications (2)
| Publication Number | Publication Date |
|---|---|
| CN103225834A true CN103225834A (zh) | 2013-07-31 |
| CN103225834B CN103225834B (zh) | 2015-09-02 |
Family
ID=48836379
Family Applications (1)
| Application Number | Title | Priority Date | Filing Date |
|---|---|---|---|
| CN201310189307.6A Active CN103225834B (zh) | 2013-05-21 | 2013-05-21 | 锅炉烟气排污余热回收热泵供暖系统及其使用方法 |
Country Status (1)
| Country | Link |
|---|---|
| CN (1) | CN103225834B (zh) |
Cited By (16)
| Publication number | Priority date | Publication date | Assignee | Title |
|---|---|---|---|---|
| CN104266409A (zh) * | 2014-09-26 | 2015-01-07 | 北京金房暖通节能技术股份有限公司 | 水源热泵机组与烟气余热回收装置联合运行系统及其控制方法 |
| CN104482557A (zh) * | 2014-12-30 | 2015-04-01 | 黑龙江国德节能服务有限公司 | 工业废气处理和热能回收装置及处理废气和回收热能方法 |
| CN104566427A (zh) * | 2014-03-27 | 2015-04-29 | 黑龙江国德节能服务有限公司 | 燃气锅炉烟气治理系统及烟气治理方法 |
| CN104913321A (zh) * | 2015-05-27 | 2015-09-16 | 北京工业大学 | 采暖燃气锅炉脱硝全热回收系统 |
| CN105180446A (zh) * | 2015-10-22 | 2015-12-23 | 北京志诚宏业智能控制技术有限公司 | 一种锅炉烟气余热双级回收及减排装置 |
| CN105222403A (zh) * | 2015-09-15 | 2016-01-06 | 上海领势新能源科技有限公司 | 废热回收储能装置 |
| CN106051800A (zh) * | 2016-06-14 | 2016-10-26 | 镇江市电站辅机厂有限公司 | 一种节能环保的双回路并联式烟气余热利用回收装置及方法 |
| CN107238227A (zh) * | 2017-06-21 | 2017-10-10 | 燕山大学 | 一种基于吸收式循环的烟气余热深度回收系统 |
| CN107605594A (zh) * | 2017-09-08 | 2018-01-19 | 新奥泛能网络科技股份有限公司 | 分布式能源系统 |
| CN107796026A (zh) * | 2017-12-08 | 2018-03-13 | 李尚福 | 燃气余热环保回收装置 |
| CN111594905A (zh) * | 2020-06-03 | 2020-08-28 | 西京学院 | 一种附带增强联组的自动化多功能可拼装分体式热泵 |
| CN113028645A (zh) * | 2021-03-30 | 2021-06-25 | 青岛新奥能源有限公司 | 一种燃气热水锅炉的烟气余热和冷凝回收系统 |
| CN114135891A (zh) * | 2021-12-30 | 2022-03-04 | 思安新能源股份有限公司 | 一种用于稳定余热锅炉入口烟气参数的烟气储热系统 |
| CN114278959A (zh) * | 2021-12-28 | 2022-04-05 | 天津华赛尔传热设备有限公司 | 一种用于燃气锅炉的余热回收系统及燃气锅炉 |
| CN114322060A (zh) * | 2022-01-04 | 2022-04-12 | 中国华电科工集团有限公司 | 一种余热深度利用系统 |
| CN115183260A (zh) * | 2022-08-11 | 2022-10-14 | 华能大庆热电有限公司 | 一种锅炉余热回收装置 |
Families Citing this family (1)
| Publication number | Priority date | Publication date | Assignee | Title |
|---|---|---|---|---|
| SE542257C2 (en) * | 2016-09-26 | 2020-03-24 | Clean Bio Heat Sverige Ab | Flue gas treatment system and method |
Citations (6)
| Publication number | Priority date | Publication date | Assignee | Title |
|---|---|---|---|---|
| CN1415901A (zh) * | 2001-10-31 | 2003-05-07 | 清华大学 | 回收燃气、燃油锅炉烟气潜热的电动热泵采暖装置 |
| CN101726110A (zh) * | 2009-11-20 | 2010-06-09 | 清华大学 | 热泵型燃气锅炉余热回收机组 |
| CN101769594A (zh) * | 2008-12-29 | 2010-07-07 | 苏桐梅 | 一种燃气锅炉烟气全热回收的装置 |
| JP2012247167A (ja) * | 2011-05-31 | 2012-12-13 | Miura Co Ltd | 排ガス熱回収装置 |
| CN202734021U (zh) * | 2012-06-21 | 2013-02-13 | 北京华通兴远供热节能技术有限公司 | 直接接触式燃气锅炉烟气全热回收系统 |
| CN203336678U (zh) * | 2013-05-21 | 2013-12-11 | 青岛宏宇环保空调设备有限公司 | 锅炉烟气排污余热回收热泵供暖系统 |
-
2013
- 2013-05-21 CN CN201310189307.6A patent/CN103225834B/zh active Active
Patent Citations (6)
| Publication number | Priority date | Publication date | Assignee | Title |
|---|---|---|---|---|
| CN1415901A (zh) * | 2001-10-31 | 2003-05-07 | 清华大学 | 回收燃气、燃油锅炉烟气潜热的电动热泵采暖装置 |
| CN101769594A (zh) * | 2008-12-29 | 2010-07-07 | 苏桐梅 | 一种燃气锅炉烟气全热回收的装置 |
| CN101726110A (zh) * | 2009-11-20 | 2010-06-09 | 清华大学 | 热泵型燃气锅炉余热回收机组 |
| JP2012247167A (ja) * | 2011-05-31 | 2012-12-13 | Miura Co Ltd | 排ガス熱回収装置 |
| CN202734021U (zh) * | 2012-06-21 | 2013-02-13 | 北京华通兴远供热节能技术有限公司 | 直接接触式燃气锅炉烟气全热回收系统 |
| CN203336678U (zh) * | 2013-05-21 | 2013-12-11 | 青岛宏宇环保空调设备有限公司 | 锅炉烟气排污余热回收热泵供暖系统 |
Cited By (23)
| Publication number | Priority date | Publication date | Assignee | Title |
|---|---|---|---|---|
| CN104566427A (zh) * | 2014-03-27 | 2015-04-29 | 黑龙江国德节能服务有限公司 | 燃气锅炉烟气治理系统及烟气治理方法 |
| CN104566427B (zh) * | 2014-03-27 | 2017-03-01 | 黑龙江国德节能服务有限公司 | 燃气锅炉烟气治理系统及烟气治理方法 |
| CN104266409B (zh) * | 2014-09-26 | 2018-04-03 | 北京金房暖通节能技术股份有限公司 | 水源热泵机组与烟气余热回收装置联合运行系统及其控制方法 |
| CN104266409A (zh) * | 2014-09-26 | 2015-01-07 | 北京金房暖通节能技术股份有限公司 | 水源热泵机组与烟气余热回收装置联合运行系统及其控制方法 |
| CN104482557A (zh) * | 2014-12-30 | 2015-04-01 | 黑龙江国德节能服务有限公司 | 工业废气处理和热能回收装置及处理废气和回收热能方法 |
| CN104482557B (zh) * | 2014-12-30 | 2017-09-26 | 黑龙江国德节能服务有限公司 | 工业废气处理和热能回收装置及处理废气和回收热能方法 |
| CN104913321A (zh) * | 2015-05-27 | 2015-09-16 | 北京工业大学 | 采暖燃气锅炉脱硝全热回收系统 |
| CN104913321B (zh) * | 2015-05-27 | 2017-06-30 | 北京工业大学 | 采暖燃气锅炉脱硝全热回收系统 |
| CN105222403A (zh) * | 2015-09-15 | 2016-01-06 | 上海领势新能源科技有限公司 | 废热回收储能装置 |
| CN105180446A (zh) * | 2015-10-22 | 2015-12-23 | 北京志诚宏业智能控制技术有限公司 | 一种锅炉烟气余热双级回收及减排装置 |
| CN105180446B (zh) * | 2015-10-22 | 2018-08-21 | 北京志诚宏业智能控制技术有限公司 | 一种锅炉烟气余热双级回收及减排装置 |
| CN106051800A (zh) * | 2016-06-14 | 2016-10-26 | 镇江市电站辅机厂有限公司 | 一种节能环保的双回路并联式烟气余热利用回收装置及方法 |
| CN107238227A (zh) * | 2017-06-21 | 2017-10-10 | 燕山大学 | 一种基于吸收式循环的烟气余热深度回收系统 |
| CN107605594A (zh) * | 2017-09-08 | 2018-01-19 | 新奥泛能网络科技股份有限公司 | 分布式能源系统 |
| CN107796026A (zh) * | 2017-12-08 | 2018-03-13 | 李尚福 | 燃气余热环保回收装置 |
| CN111594905A (zh) * | 2020-06-03 | 2020-08-28 | 西京学院 | 一种附带增强联组的自动化多功能可拼装分体式热泵 |
| CN111594905B (zh) * | 2020-06-03 | 2022-04-01 | 西京学院 | 一种附带增强联组的自动化多功能可拼装分体式热泵 |
| CN113028645A (zh) * | 2021-03-30 | 2021-06-25 | 青岛新奥能源有限公司 | 一种燃气热水锅炉的烟气余热和冷凝回收系统 |
| WO2022206015A1 (zh) * | 2021-03-30 | 2022-10-06 | 青岛新奥能源有限公司 | 一种燃气热水锅炉的烟气余热和冷凝回收系统 |
| CN114278959A (zh) * | 2021-12-28 | 2022-04-05 | 天津华赛尔传热设备有限公司 | 一种用于燃气锅炉的余热回收系统及燃气锅炉 |
| CN114135891A (zh) * | 2021-12-30 | 2022-03-04 | 思安新能源股份有限公司 | 一种用于稳定余热锅炉入口烟气参数的烟气储热系统 |
| CN114322060A (zh) * | 2022-01-04 | 2022-04-12 | 中国华电科工集团有限公司 | 一种余热深度利用系统 |
| CN115183260A (zh) * | 2022-08-11 | 2022-10-14 | 华能大庆热电有限公司 | 一种锅炉余热回收装置 |
Also Published As
| Publication number | Publication date |
|---|---|
| CN103225834B (zh) | 2015-09-02 |
Similar Documents
| Publication | Publication Date | Title |
|---|---|---|
| CN103225834B (zh) | 锅炉烟气排污余热回收热泵供暖系统及其使用方法 | |
| CN102759096B (zh) | 一种烟气余热利用系统 | |
| CN102734787B (zh) | 顺流式锅炉烟气余热回收系统 | |
| CN106090880A (zh) | 一种机炉集合热能循环余热回用系统 | |
| CN104266171A (zh) | 火电厂烟气余热利用系统 | |
| CN205383589U (zh) | 一种新型尾部烟气热能集合高效节能应用系统 | |
| CN203375426U (zh) | 可避免锅炉低温空气预热器发生低温腐蚀的锅炉尾部结构 | |
| CN104235928A (zh) | 一种锅炉烟气余热供热系统 | |
| CN204593428U (zh) | 锅炉低温烟气余热回收装置 | |
| CN203323218U (zh) | 一种锅炉烟气余热供热系统 | |
| CN103047637A (zh) | 焦炉烟道气余热和上升管煤气余热联合利用系统 | |
| CN109945277A (zh) | 一种采用电动热泵深度回收热电厂烟气余热用于集中供热的节能系统 | |
| CN201973697U (zh) | 利用烟气余热产生低压蒸汽的系统 | |
| CN104235826A (zh) | 一种锅炉烟气余热利用系统 | |
| CN204100225U (zh) | 火电厂烟气余热利用系统 | |
| CN205825498U (zh) | 一种多级回收燃气烟气余热的系统 | |
| CN105157011A (zh) | 一种利用锅炉排烟余热降低汽轮机背压的装置及方法 | |
| CN204421043U (zh) | 烟气回收深度冷凝装置 | |
| CN106016835A (zh) | 一种多级回收燃气烟气余热的系统 | |
| CN203336678U (zh) | 锅炉烟气排污余热回收热泵供暖系统 | |
| CN105351915B (zh) | 一种双循环锅炉排烟余热回收加热进炉风设备及方法 | |
| CN203489244U (zh) | 一种锅炉烟气余热利用系统 | |
| CN105020734A (zh) | 一种回收烟气余热的方法与装置 | |
| CN203489246U (zh) | 一种锅炉烟气余热利用系统 | |
| CN203869075U (zh) | 基于电站锅炉水媒ggh烟温控制的烟气余热回收装置 |
Legal Events
| Date | Code | Title | Description |
|---|---|---|---|
| C06 | Publication | ||
| PB01 | Publication | ||
| C10 | Entry into substantive examination | ||
| SE01 | Entry into force of request for substantive examination | ||
| C14 | Grant of patent or utility model | ||
| GR01 | Patent grant |