CN102832667A - Charge-discharge equalizer circuit based on inductive energy storage for series battery pack - Google Patents
Charge-discharge equalizer circuit based on inductive energy storage for series battery pack Download PDFInfo
- Publication number
- CN102832667A CN102832667A CN2012103120491A CN201210312049A CN102832667A CN 102832667 A CN102832667 A CN 102832667A CN 2012103120491 A CN2012103120491 A CN 2012103120491A CN 201210312049 A CN201210312049 A CN 201210312049A CN 102832667 A CN102832667 A CN 102832667A
- Authority
- CN
- China
- Prior art keywords
- battery
- equalization
- circuit
- bridge arm
- odd
- Prior art date
- Legal status (The legal status is an assumption and is not a legal conclusion. Google has not performed a legal analysis and makes no representation as to the accuracy of the status listed.)
- Pending
Links
Images
Landscapes
- Charge And Discharge Circuits For Batteries Or The Like (AREA)
Abstract
本发明公开了一种基于电感储能的串联电池组充放电均衡电路,每一个电池单元模块连接有一套均衡子电路,串联电池组的正端VCC、负端GND,串联电池组以连接点N分为前部分、后部分,前部分电池单元模块的个数最多比后部分电池单元模块的个数多一,前部分电池单元模块为奇电池,后部分电池单元模块为偶电池,与奇电池连接的均衡子电路为奇均衡子电路,与偶电池相连接的均衡子电路为偶均衡子电路。电池管理系统根据电池组内各个电池的剩余电量给控制电路发送均衡指令,控制电路通过控制均衡子电路的上桥臂MOS管Qu或下桥臂MOS管Qd的开通和关断给与其相连接的电池充放电,保证每个电池在充电和放电过程中不出现过充电和过放电。
The invention discloses a charge-discharge equalization circuit for series battery packs based on inductive energy storage. Each battery unit module is connected with a set of equalization subcircuits, the positive terminal VCC and the negative terminal GND of the series battery packs, and the connection point N It is divided into front part and rear part. The number of battery cell modules in the front part is at most one more than the number of battery cell modules in the rear part. The battery cell modules in the front part are odd batteries, and the battery cell modules in the rear part are even batteries. The equalization sub-circuit connected is an odd equalization sub-circuit, and the equalization sub-circuit connected with an even battery is an even equalization sub-circuit. The battery management system sends equalization instructions to the control circuit according to the remaining power of each battery in the battery pack, and the control circuit controls the opening and closing of the upper-bridge MOS tube Q u or the lower-bridge MOS tube Qd of the equalization sub-circuit to its corresponding The connected battery is charged and discharged to ensure that each battery does not appear to be overcharged and overdischarged during charging and discharging.
Description
技术领域 technical field
本发明涉及一种电池均衡技术,尤其是一种混合动力电动汽车或纯电动汽车或蓄能电站的蓄能装置的电池管理系统的均衡电路。 The invention relates to a battery balancing technology, in particular to a balancing circuit of a battery management system of a hybrid electric vehicle or a pure electric vehicle or an energy storage device of an energy storage power station.
背景技术 Background technique
串联电池在经过多个充放电循环后,各电池单元模块的剩余容量(SOC,State of Charge)的分布大致会出现三种情况:(1)个别电池单元模块的剩余容量(SOC,State of Charge)偏高;(2)个别电池单元模块的剩余容量(SOC,State of Charge)偏低;(3)个别电池单元模块的剩余容量(SOC,State of Charge)偏高和个别电池单元模块的剩余容量(SOC,State of Charge)偏低。 After multiple charge and discharge cycles of series batteries, the distribution of the remaining capacity (SOC, State of Charge) of each battery unit module will roughly appear in three situations: (1) The remaining capacity (SOC, State of Charge) of individual battery unit modules ) is high; (2) The remaining capacity (SOC, State of Charge) of individual battery cell modules is low; (3) The remaining capacity (SOC, State of Charge) of individual battery cell modules is high and the remaining capacity of individual battery cell modules The capacity (SOC, State of Charge) is low.
针对上述三种情况,国内外的研究者均提出了自己的解决方案。如针对情况(1),有研究者提出了并联电阻分流法,它通过控制相应的开关将剩余容量(SOC,State of Charge)偏高的电池的能量通过电阻消耗掉,该方法将能量白白浪费掉,并且在均衡的过程中产生了大量的热,增加了电池热管理的负荷。也有研究者提出了双向DC-DC均衡法,同轴变压器均衡法等均衡电路,这些电路都采样了变压器,使得均衡电路的成本增加。 For the above three situations, researchers at home and abroad have proposed their own solutions. For example, in case (1), some researchers have proposed a parallel resistor shunt method, which consumes the energy of a battery with a high remaining capacity (SOC, State of Charge) through a resistor by controlling the corresponding switch, and this method wastes energy in vain. and a large amount of heat is generated during the equalization process, which increases the load of battery thermal management. Some researchers have also proposed equalization circuits such as a bidirectional DC-DC equalization method and a coaxial transformer equalization method. These circuits all use transformers, which increases the cost of the equalization circuit.
目前锂离子电池组均衡控制的方法,由均衡过程中电路对能量的消耗情况,可分为能量耗散型和能量非耗散型两大类。按照均衡功能分类,可分为充电均衡、放电均衡和动态均衡。充电均衡是指在充电过程中的均衡,一般是在电池组单体电压达到设定值时开始均衡,减小充电电流从而防止过充电。放电均衡是在放电过程中的均衡,通过向剩余能量(SOC,State of Charge)低的单体电池补充能量来防止过放电。动态均衡方式结合了充电均衡和放电均衡的优点,在整个充放电过程中对电池组进行均衡,避免了单一均衡中的问题。 At present, the equalization control methods of lithium-ion battery packs can be divided into two categories: energy dissipation type and energy non-dissipation type according to the energy consumption of the circuit during the equalization process. According to the classification of equalization function, it can be divided into charge equalization, discharge equalization and dynamic equalization. Charging equalization refers to the equalization during the charging process. Generally, it starts to equalize when the voltage of the battery pack reaches the set value, and reduces the charging current to prevent overcharging. Discharge balance is the balance during the discharge process, and prevents over-discharge by supplementing energy to the single battery with low remaining energy (SOC, State of Charge). The dynamic balance method combines the advantages of charge balance and discharge balance, and balances the battery pack during the entire charge and discharge process, avoiding the problems in single balance.
发明内容 Contents of the invention
本发明的目的是提供一种应用在串联电池组的电池管理系统中的基于电感储能的串联电池组充放电均衡电路,保证电池在充电和放电过程中不出现过充电和过放电,改善串联电池组不均衡的现象,提高电池组的可用容量,减少串联电池组的维修和更换,延长电池组的使用寿命,降低混合动力汽车、电动汽车和蓄能电站的成本。 The purpose of the present invention is to provide a charge-discharge equalization circuit for series-connected battery packs based on inductive energy storage used in the battery management system of series-connected battery packs, to ensure that the batteries do not appear overcharged and over-discharged during charging and discharging, and to improve the performance of series-connected batteries. The unbalanced phenomenon of the battery pack can increase the available capacity of the battery pack, reduce the maintenance and replacement of the battery pack in series, prolong the service life of the battery pack, and reduce the cost of hybrid electric vehicles, electric vehicles and energy storage power stations.
为了实现上述目的,本发明通过下述技术方案予以实现。 In order to achieve the above object, the present invention is achieved through the following technical solutions.
一种基于电感储能的串联电池组充放电均衡电路,所述串联电池组包括三个以上串联连接的电池单元模块,所述充放电均衡电路包括三个以上的均衡子电路,每一个电池单元模块均各自连接有一个均衡子电路,所述串联电池组具有正端(VCC)和负端(GND),以所述串联电池组中的一个连接点N为分界点,所述串联电池组正端(VCC)到连接点N之间的电池单元模块为前部分,连接点N到串联电池组负端(GND)之间的电池单元模块为后部分,前部分中电池单元模块的个数最多比后部分电池单元模块的个数多一个,前部分的电池单元模块称为奇电池,后部分的电池单元模块称为偶电池,与奇电池相连接的均衡子电路称为奇均衡子电路,与偶电池相连接的均衡子电路称为均衡子电路;前部分串联电池单元模块以连接点N为起点,串联电池组正端(VCC)为终点,顺次将电池单元模块记为第一奇电池B1、第二奇电池B3、第三奇电池B5,依此顺次命名,与串联电池组正端(VCC)相连接的电池单元模块为第 奇电池Bi;后部分串联电池单元模块以连接点N为起点,串联电池组负端(GND)为终点,顺次将电池单元模块记为第一偶电池B2、第二偶电池B4、第三偶电池B6,依此顺次命名,与串联电池组负端(GND)相连接的单元电池为第偶电池B j,j为正偶数;所述奇电池的正端连接奇均衡子电路的上桥臂MOS管Qu的漏极a,负端连接奇均衡子电路的储能电感L的第二端e;所述偶电池的正端连接偶均衡子电路的储能电感L的第二端e,负端连接下桥臂MOS管Qd的漏极d。 A charge-discharge equalization circuit for a series battery pack based on inductive energy storage, the series battery pack includes more than three battery unit modules connected in series, the charge-discharge equalization circuit includes more than three equalization sub-circuits, each battery unit Each module is connected with an equalization sub-circuit. The series battery pack has a positive terminal (VCC) and a negative terminal (GND). With a connection point N in the series battery pack as the dividing point, the series battery pack positive The battery cell module between the terminal (VCC) and the connection point N is the front part, and the battery cell module between the connection point N and the negative terminal (GND) of the series battery pack is the rear part, and the number of battery cell modules in the front part is the largest The number of battery cell modules in the rear part is one more. The battery cell modules in the front part are called odd batteries, and the battery cell modules in the rear part are called even batteries. The equalization subcircuit connected to the odd battery is called an odd equalization subcircuit. The equalization sub-circuit connected to the even battery is called the equalization sub-circuit; the first part of the series battery cell module starts from the connection point N, and the positive terminal (VCC) of the series battery pack is the end point, and the battery cell module is recorded as the first odd Battery B 1 , the second odd battery B 3 , and the third odd battery B 5 are named in sequence, and the battery cell module connected to the positive terminal (VCC) of the series battery pack is the first Odd battery B i ; the latter part of the series battery unit module starts from the connection point N and ends at the negative terminal (GND) of the series battery pack, and sequentially records the battery unit modules as the first even battery B 2 and the second even battery B 4 , the third even battery B 6 , named accordingly, the unit battery connected to the negative terminal (GND) of the series battery pack is the first The even battery B j , j is a positive even number; the positive end of the odd battery is connected to the drain a of the upper bridge arm MOS transistor Q u of the odd equalization subcircuit, and the negative end is connected to the second pole of the energy storage inductance L of the odd equalization subcircuit. terminal e; the positive terminal of the dual battery is connected to the second terminal e of the energy storage inductance L of the dual equalization subcircuit, and the negative terminal is connected to the drain d of the lower bridge arm MOS transistor Qd .
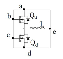
进一步的,所述均衡子电路包括上桥臂MOS管Qu、下桥臂MOS管Qd和储能电感L,上桥臂MOS管Qu的源极、下桥臂MOS管Qd的漏极、储能电感L的第一端三者相连接,上桥臂MOS管Qu的漏极a、上桥臂MOS管Qu的栅极b、下桥臂MOS管Qd的栅极c、下桥臂MOS管Qd的漏极d和储能电感L的第二端e相连。 Further, the equalization sub-circuit includes an upper bridge arm MOS transistor Q u , a lower bridge arm MOS transistor Q d and an energy storage inductance L, the source of the upper bridge arm MOS transistor Qu and the drain of the lower bridge arm MOS transistor Q d The pole and the first end of the energy storage inductance L are connected, the drain a of the upper bridge arm MOS transistor Q u , the gate b of the upper bridge arm MOS transistor Q u , and the gate c of the lower bridge arm MOS transistor Q d , the drain d of the lower bridge arm MOS transistor Qd is connected to the second end e of the energy storage inductor L.
进一步的,所述电池单元模块是铅酸电池、锂离子电池、镍氢电池或超级电容器。 Further, the battery unit module is a lead-acid battery, a lithium-ion battery, a nickel-metal hydride battery or a supercapacitor.
进一步的,所述奇均衡子电路的下桥臂MOS管Qd的漏极d接串联电池组负端GND,上桥臂MOS管Qu的栅极b、下桥臂MOS管Qd的栅极c连接控制电路。 Further, the drain d of the lower bridge arm MOS transistor Qd of the odd equalization subcircuit is connected to the negative terminal GND of the series battery pack, the gate b of the upper bridge arm MOS transistor Q u , the gate b of the lower bridge arm MOS transistor Qd Pole c is connected to the control circuit.
进一步的,所述偶均衡子电路的上桥臂MOS管Qu的漏极a连接串联电池组正端VCC,上桥臂MOS管Qu的栅极b、下桥臂MOS管Qd的栅极c连接控制电路。 Further, the drain a of the upper bridge arm MOS transistor Q u of the even equalization subcircuit is connected to the positive terminal VCC of the series battery pack, the gate b of the upper bridge arm MOS transistor Q u , and the gate b of the lower bridge arm MOS transistor Q d Pole c is connected to the control circuit.
进一步的,所述i取值为1~59,j取值为2~60。 Further, the value of i is 1-59, and the value of j is 2-60.
进一步的,所述控制电路的控制信号是由电池管理系统根据各个电池单元模块的剩余电量(SOC,State of Charge)给控制电路发送均衡指令,控制电路接受电池管理系统的指令控制奇、偶均衡子电路的上桥臂MOS管Qu或下桥臂MOS管Qd的开通和关断实现电池的均衡;同一奇、偶均衡子电路的上桥臂MOS管Qu、下桥臂MOS管Qd不同时导通;所述奇均衡子电路能对与其相连接的奇电池进行充电和放电,所述偶均衡子电路能对与其相连接的偶电池进行充电和放电。 Further, the control signal of the control circuit is sent by the battery management system to the control circuit according to the remaining power (SOC, State of Charge) of each battery cell module. The upper bridge arm MOS tube Q u or the lower bridge arm MOS tube Q d of the sub-circuit is turned on and off to realize the balance of the battery; the upper bridge arm MOS tube Q u and the lower bridge arm MOS tube Q d are not turned on at the same time; the odd equalization subcircuit can charge and discharge the odd battery connected to it, and the even equalization subcircuit can charge and discharge the even battery connected to it.
与现有技术相比,本发明具有如下优点和技术效果:本发明由于在串联电池组的电池管理系统中采用上述均衡电路(EQU)技术,能保证每个电池在充电和放电过程中不出现过充电和过放电,改善串联电池组不均衡的现象,提高电池组的可用容量,减少串联电池组的维修和更换,延长电池组的使用寿命,降低混合动力汽车、电动汽车和蓄能电站的成本。 Compared with the prior art, the present invention has the following advantages and technical effects: Since the present invention adopts the above-mentioned equalization circuit (EQU) technology in the battery management system of the battery pack connected in series, it can ensure that each battery does not appear in the process of charging and discharging. Overcharge and overdischarge, improve the unbalanced phenomenon of series battery packs, increase the available capacity of battery packs, reduce maintenance and replacement of series battery packs, prolong the service life of battery packs, and reduce the cost of hybrid vehicles, electric vehicles and energy storage power stations. cost. the
附图说明 Description of drawings
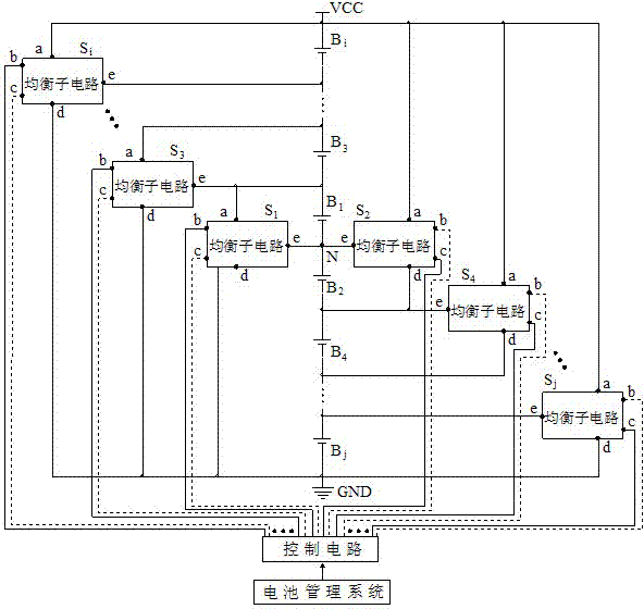
图1是实施方式的串联电池组充放电均衡电路原理图。 Fig. 1 is a schematic diagram of a charging and discharging equalization circuit of a series battery pack in an embodiment.
图2是均衡子电路原理图。 Figure 2 is a schematic diagram of the equalization sub-circuit.
图3是4节电池串联的充放电均衡电路图。 Figure 3 is a charge and discharge equalization circuit diagram of 4 batteries connected in series.
图4是5节电池串联的充放电均衡电路图。 Figure 4 is a charge and discharge equalization circuit diagram of 5 batteries connected in series.
图5是14节电池串联的充放电均衡电路图。 Fig. 5 is a charge and discharge equalization circuit diagram of 14 batteries connected in series.
具体实施方式 Detailed ways
下面结合附图对本发明的具体实施方式作详细说明,但本发明的实施不限于此。 The specific embodiments of the present invention will be described in detail below in conjunction with the accompanying drawings, but the implementation of the present invention is not limited thereto.
图1中,串联电池组充放电均衡电路,每一个电池单元模块连接有一套均衡电路,至少三个电池单元模块串联,串联电池组的正端VCC、负端GND,串联电池组分为上部分、下部分,上部分和下部分的连接点N,正端VCC到连接点N的串联电池单元模块为上部分,连接点N到负端GND的串联电池单元模块为下部分,上部分电池单元模块的个数最多比下部分电池单元模块的个数多一,上部分电池单元模块为奇电池,下部分电池单元模块为偶电池,与奇电池连接的均衡子电路为奇均衡子电路,与偶电池相连接的均衡子电路为偶均衡子电路,上部分串联电池单元模块以连接点N为起点,正端VCC为终点,顺次将电池单元模块记为第一奇电池B1、第二奇电池B3、第三奇电池B5、…(依次类推)、与正端VCC相连接的单元电池为第奇电池Bi (i=1,3,5…)(此处是为了表示i为奇数,用省略号表示,不限制最大值,如果一定要最大值,那就到59。即i=1,3,5,7,9,11,13,15,17,19,21,23,25,27,29,31,33,35,37,39,41,43,45,47,49,51,53,55,57,59),下部分串联电池单元模块以连接点N为起点,负端GND为终点,顺次将电池单元模块记为第一偶电池B2、第二偶电池B4、第三偶电池B6、…(依次类推)、与负端GND相连接的单元电池为第偶电池B j(j=2,4,6…)(此处是为了表示j为偶数,用省略号表示,不限制最大值,如果一定要最大值,那就到60。即j=2,4,6,8,10,12,14,16,18,20,22,24,26,28,30,32,32,36,38,40,42,44,46,48,50,52,54,56,58,60),所述奇电池的正负端分别连接奇均衡子电路的上桥臂MOS管Qu的漏极a、储能电感L的第二端e,所述偶电池的正负两端分别连接偶均衡子电路的储能电感L的第二端e、下桥臂MOS管Qd的漏极d。电池管理系统根据电池组内各个单元电池的剩余电量(SOC,State of Charge)给控制电路发送均衡指令,控制电路通过控制奇(偶)均衡子电路的上桥臂MOS管Qu或下桥臂MOS管Qd的开通和关断给与其相连接的电池充电或者放电。用实线表示的控制线用于控制均衡奇均衡子电路的上桥臂MOS管Qu和偶均衡子电路下桥臂MOS管Qd的开通和关断,给与其相连接的奇(偶)电池放电。用虚线表示的控制线用于控制均衡奇均衡子电路的下桥臂MOS管Qd和偶均衡子电路上桥臂MOS管Qu的开通和关断,给与其相连接的奇(偶)电池充电。 In Figure 1, the charging and discharging equalization circuit of the series battery pack, each battery unit module is connected with a set of equalization circuit, at least three battery unit modules are connected in series, the positive terminal VCC and the negative terminal GND of the series battery pack, the series battery pack is divided into the upper part , the lower part, the connection point N between the upper part and the lower part, the series battery unit module from the positive terminal VCC to the connection point N is the upper part, the series battery unit module from the connection point N to the negative terminal GND is the lower part, and the battery unit in the upper part The number of modules is at most one more than the number of battery unit modules in the lower part. The upper part of the battery unit modules is an odd battery, the lower part of the battery unit modules is an even battery, and the equalization subcircuit connected to the odd battery is an odd equalization subcircuit. The equalization sub-circuit connected to even batteries is an even equalization sub-circuit. The upper part of the series-connected battery unit module starts from the connection point N and ends at the positive terminal VCC. The battery unit modules are sequentially recorded as the first odd battery B 1 , the second The odd battery B 3 , the third odd battery B 5 , ... (and so on), the unit battery connected to the positive terminal VCC is the first Odd battery B i (i=1,3,5...) (here is to indicate that i is an odd number, expressed with an ellipsis, there is no limit to the maximum value, if the maximum value must be reached, then it is 59. That is, i=1,3 ,5,7,9,11,13,15,17,19,21,23,25,27,29,31,33,35,37,39,41,43,45,47,49,51,53 , 55, 57, 59), the lower part of the battery unit module connected in series starts from the connection point N and ends at the negative terminal GND. The battery unit modules are sequentially recorded as the first even battery B 2 , the second even battery B 4 Three pairs of batteries B 6 , ... (and so on), the unit battery connected to the negative terminal GND is the first Even battery B j (j=2,4,6...) (here is to indicate that j is an even number, represented by an ellipsis, there is no limit to the maximum value, if the maximum value must be reached, then it is 60. That is, j=2,4 ,6,8,10,12,14,16,18,20,22,24,26,28,30,32,32,36,38,40,42,44,46,48,50,52,54 , 56, 58, 60), the positive and negative terminals of the odd battery are respectively connected to the drain a of the upper bridge arm MOS transistor Q u of the odd equalization sub-circuit, and the second terminal e of the energy storage inductor L, and the The positive and negative ends are respectively connected to the second end e of the energy storage inductance L of the even equalization sub-circuit and the drain d of the lower bridge arm MOS transistor Q d . The battery management system sends equalization instructions to the control circuit according to the remaining power (SOC, State of Charge) of each unit battery in the battery pack, and the control circuit controls the upper bridge arm MOS transistor Qu or the lower bridge arm of the odd (even) equalization sub-circuit The turn-on and turn-off of the MOS transistor Qd charges or discharges the battery connected to it. The control line represented by the solid line is used to control the opening and closing of the upper bridge arm MOS transistor Q u of the equalization odd equalization sub-circuit and the lower bridge arm MOS transistor Q d of the even equalization sub-circuit, and give the connected odd (even) The battery is discharged. The control line indicated by the dotted line is used to control the opening and closing of the lower bridge arm MOS transistor Q d of the equalization odd equalization sub-circuit and the upper bridge arm MOS transistor Q u of the even equalization sub-circuit, and give the odd (even) battery connected to it Charge.
电池管理系统是单片机(如C8051F340)为核心,一般具有电池状态检测、电池状态分析、电池安全保护、能量控制管理、电池信息管理等功能。针对不同的应用场合,电池管理系统应具有不同的功能。所述控制电路的实现为本领域常规技术,并非本发明的内容,控制电路是具有电气隔离功能,如采用TLP521-1的光耦隔离或者变压器隔离等,将电池管理系统发出的控制信号转为能够直接驱动上桥臂MOS管Qu、下桥臂MOS管Qd的驱动电路信号。本领域技术人员清楚,所述奇均衡子电路和偶均衡子电路的储能电感L的电感值根据具体的要求来定。所述控制电路控制信号的频率的大小根据所控制的奇(偶)均衡子电路储能电感L的电感值、上桥臂MOS管Qu和下桥臂MOS管Qd的开关损耗、电池单元模块电压、电池单元模块容量而定。所述控制电路控制信号的占空比应使奇(偶)均衡子电路的储能电感L在每个信号周期内复位,即储能电感L的电流从零开始上升,最后又下降到零。 The battery management system is a single-chip microcomputer (such as C8051F340) as the core, and generally has functions such as battery status detection, battery status analysis, battery safety protection, energy control management, and battery information management. For different applications, the battery management system should have different functions. The implementation of the control circuit is a conventional technology in the field, not the content of the present invention. The control circuit has an electrical isolation function, such as optocoupler isolation or transformer isolation of TLP521-1, to convert the control signal sent by the battery management system into It can directly drive the driving circuit signal of the MOS transistor Q u of the upper bridge arm and the MOS transistor Q d of the lower bridge arm. It is clear to those skilled in the art that the inductance value of the energy storage inductance L of the odd equalization sub-circuit and the even equalization sub-circuit is determined according to specific requirements. The frequency of the control signal of the control circuit depends on the inductance value of the controlled odd (even) equalization sub-circuit energy storage inductance L, the switching loss of the upper bridge arm MOS transistor Q u and the lower bridge arm MOS transistor Q d , and the battery unit It depends on the voltage of the module and the capacity of the battery unit module. The duty cycle of the control signal of the control circuit should reset the energy storage inductance L of the odd (even) balancing sub-circuit in each signal period, that is, the current of the energy storage inductance L starts to rise from zero and finally drops to zero.
对于奇电池Bi和奇均衡子电路Si(i=1,3,5…)所包含的上桥臂MOS管Qu、下桥臂MOS管Qd、储能电感L。当上桥臂MOS管Qu开通时,储能电感L的电流上升,储能电感L储能;当上桥臂MOS管Qu关断时,储能电感L通过下桥臂MOS管Qd的体二极管续流,电池Bi放电。当下桥臂MOS管Qd开通时,储能电感L的电流上升,储能电感L储能;当下桥臂MOS管Qd关断时,储能电感L通过上桥臂MOS管Qu的体二极管续流,电池Bi充电。 For the odd battery B i and the odd equalization sub-circuit S i (i=1,3,5...), the upper bridge arm MOS transistor Q u , the lower bridge arm MOS transistor Q d , and the energy storage inductance L are included. When the upper bridge arm MOS transistor Qu is turned on, the current of the energy storage inductor L rises, and the energy storage inductor L stores energy; when the upper bridge arm MOS transistor Qu is turned off, the energy storage inductor L passes through the lower bridge arm MOS transistor Q d The body diode freewheels, and the battery Bi discharges. When the lower bridge arm MOS transistor Q d is turned on, the current of the energy storage inductor L rises, and the energy storage inductor L stores energy; when the lower bridge arm MOS transistor Q d is turned off, the energy storage inductor L passes through the body of the upper bridge arm MOS transistor Q u The diode continues to flow, and the battery Bi is charged.
对于偶电池Bj和偶均衡子电路Sj(j=2,4,6…)所包含的上桥臂MOS管Qu、下桥臂MOS管Qd、储能电感L。当上桥臂MOS管Qu开通时,储能电感L的电流上升,储能电感L储能;当上桥臂MOS管Qu关断时,储能电感L通过下桥臂MOS管Qd的体二极管续流,电池Bj充电。当下桥臂MOS管Qd开通时,储能电感L的电流上升,储能电感L储能;当下桥臂MOS管Qd关断时,储能电感L通过上桥臂MOS管Qu的体二极管续流,电池Bj放电。 For the upper bridge arm MOS transistor Q u , the lower bridge arm MOS transistor Q d , and the energy storage inductance L included in the even battery B j and the even equalization sub-circuit S j (j=2,4,6...). When the upper bridge arm MOS transistor Qu is turned on, the current of the energy storage inductor L rises, and the energy storage inductor L stores energy; when the upper bridge arm MOS transistor Qu is turned off, the energy storage inductor L passes through the lower bridge arm MOS transistor Q d The body diode freewheels, and the battery Bj is charged. When the lower bridge arm MOS transistor Q d is turned on, the current of the energy storage inductor L rises, and the energy storage inductor L stores energy; when the lower bridge arm MOS transistor Q d is turned off, the energy storage inductor L passes through the body of the upper bridge arm MOS transistor Q u The diode continues to flow, and the battery Bj is discharged.
图5中,在串联电池组放电过程中,电池管理系统检测到第一奇电池B1、第二偶电池B4的剩余电量(SOC,State of Charge)偏低,为了防止第一奇电池B1、第二偶电池B4过放电,电池管理系统给控制电路发送指令,控制电路控制与第一奇电池B1相连接的奇均衡子电路S1的下桥臂MOS管Q d和第二偶电池B4的偶均衡子电路S4的上桥臂MOS管Qu以一定的频率和占空比开通和关断,开关的频率和占空比根据具体的电路设定。 In Figure 5, during the discharge process of the series battery pack, the battery management system detects that the remaining power (SOC, State of Charge) of the first odd battery B 1 and the second even battery B 4 is low, in order to prevent the first odd battery B 1. The second even battery B4 is over-discharged, the battery management system sends an instruction to the control circuit, and the control circuit controls the lower bridge arm MOS transistor Qd of the odd equalization sub-circuit S1 connected to the first odd battery B1 and the second The upper-arm MOS tube Q of the even equalization sub-circuit S4 of the even battery B4 is turned on and off at a certain frequency and duty cycle, and the frequency and duty cycle of the switch are set according to the specific circuit.
当与第一奇电池B1相连接的奇均衡子电路S1的下桥臂MOS管Q d开通时,全部偶电池、与第一奇电池B1相连接的奇均衡子电路S1的储能电感L和下桥臂MOS管Q d组成回路,流过储能电感L的电流从零开始上升,全部偶电池给储能电感L充电,储能电感L储能;当与第一奇电池B1相连接的奇均衡子电路S1的下桥臂MOS管Q d关断时,与第一奇电池B1相连接的奇均衡子电路S1的储能电感L和上桥臂MOS管Q u的体二极管、第一奇电池B1组成回路,储能电感L的电流通过与第一奇电池B1相连接的奇均衡子电路S1的上桥臂MOS管Q u的体二极管续流,给第一奇电池B1充电,流过储能电感L的电流下降,到该开关周期结束时,流过储能电感L的电流下降到零,电感复位。 When the lower bridge arm MOS transistor Qd of the odd equalization subcircuit S1 connected to the first odd battery B1 is turned on, all the even batteries and the storage tanks of the odd equalization subcircuit S1 connected to the first odd battery B1 The energy inductor L and the lower bridge arm MOS tube Q d form a loop, the current flowing through the energy storage inductor L rises from zero, all the even batteries charge the energy storage inductor L, and the energy storage inductor L stores energy; when combined with the first odd battery When the lower bridge arm MOS transistor Qd of the odd equalization subcircuit S1 connected to B1 is turned off, the energy storage inductance L and the upper bridge arm MOS transistor of the odd equalization subcircuit S1 connected to the first odd battery B1 The body diode of Qu u and the first odd battery B1 form a loop, and the current of the energy storage inductance L passes through the body diode of the upper-arm MOS transistor Qu u of the odd equalization sub-circuit S1 connected to the first odd battery B1 . To charge the first odd battery B1 , the current flowing through the energy storage inductor L drops, and at the end of the switching cycle, the current flowing through the energy storage inductor L drops to zero, and the inductor resets.
当与第二偶电池B4相连接的偶均衡子电路S4的上桥臂MOS管Q u开通时,第二偶电池B4、全部奇电池、与第二偶电池B4相连接的偶均衡子电路S4的储能电感L和上桥臂MOS管Q u组成回路,流过储能电感L的电流从零开始上升,第一偶电池B2和全部奇电池给储能电感L充电,储能电感L储能;当与第二偶电池B4相连接的偶均衡子电路S4的上桥臂MOS管Q u关断时,与第二偶电池B4相连接的偶均衡子电路S4的储能电感L和下桥臂MOS管Q d的体二极管、第二偶电池B4组成回路,电感的电流通过与第二偶电池B4相连接的偶均衡子电路S4的下桥臂MOS管Q d的体二极管续流,给第二偶电池B4充电,流过储能电感L的电流下降,到该开关周期结束时,流过储能电感L的电流下降到零,储能电感L复位。 When the upper bridge arm MOS tube Q u of the even equalization subcircuit S4 connected to the second even battery B4 is turned on, the second even battery B4 , all the odd batteries, and the even batteries connected to the second even battery B4 The energy storage inductor L of the equalization sub-circuit S4 and the upper bridge arm MOS transistor Q u form a loop, the current flowing through the energy storage inductor L rises from zero, and the first even battery B2 and all the odd batteries charge the energy storage inductor L , the energy storage inductance L stores energy; when the upper bridge arm MOS transistor Q u of the even equalizer subcircuit S4 connected to the second even battery B4 is turned off, the even equalizer connected to the second even battery B4 The energy storage inductance L of the circuit S4 , the body diode of the MOS transistor Qd of the lower bridge arm, and the second even battery B4 form a loop, and the current of the inductance passes through the even balance sub-circuit S4 connected to the second even battery B4 The body diode of the lower bridge arm MOS transistor Q d freewheels to charge the second dual battery B 4 , the current flowing through the energy storage inductor L drops, and at the end of the switching cycle, the current flowing through the energy storage inductor L drops to zero , the energy storage inductance L is reset.
图5中,在串联电池组充电过程中,电池管理系统检测到第一奇电池B1、第二偶电池B4的剩余电量(SOC,State of Charge)偏高,为了防止第一奇电池B1、第二偶电池B4过充电,电池管理系统给控制电路发送指令,控制电路控制与第一奇电池B1相连接的奇均衡子电路S1的上桥臂MOS管Qu和第二偶电池B4的偶均衡子电路S4的下桥臂MOS管Qd以一定的频率和占空比开通和关断,开关的频率和占空比根据具体的电路设定。 In Figure 5, during the charging process of the series battery pack, the battery management system detects that the remaining power (SOC, State of Charge) of the first odd battery B 1 and the second even battery B 4 is too high, in order to prevent the first odd battery B 1. The second even battery B4 is overcharged, the battery management system sends an instruction to the control circuit, and the control circuit controls the upper bridge arm MOS transistor Q of the odd equalization sub-circuit S1 connected to the first odd battery B1 and the second The MOS transistor Q d of the lower bridge arm of the even equalization sub-circuit S 4 of the even battery B 4 is turned on and off at a certain frequency and duty cycle, and the frequency and duty cycle of the switch are set according to the specific circuit.
当与第一奇电池B1相连接的奇均衡子电路S1的上桥臂MOS管Qu开通时,第一奇电池B1、与第一奇电池B1相连接的奇均衡子电路S1的储能电感L和上桥臂MOS管Q u组成回路,储能电感L吸收电池第一奇B1的充电电流,流过电感L的电流从零开始上升,第一奇电池B1的充电电流减少,储能电感L储能;当与第一奇电池B1相连接的奇均衡子电路S1的上桥臂MOS管Qu关断时,与第一奇电池B1相连接的奇均衡子电路S1的储能电感L和下桥臂MOS管Q d的体二极管、全部偶电池组成回路,储能电感L的电流通过与第一奇电池B1相连接的奇均衡子电路S1的下桥臂MOS管Q d的体二极管续流,给全部偶电池充电,流过储能电感L的电流下降,到该开关周期结束时,流过储能电感L的电流下降到零,储能电感L复位。 When the upper bridge arm MOS tube Q of the odd equalization subcircuit S1 connected to the first odd battery B1 is turned on, the first odd battery B1 , the odd equalization subcircuit S connected to the first odd battery B1 The energy storage inductance L of 1 and the upper bridge arm MOS tube Q u form a loop, the energy storage inductance L absorbs the charging current of the first odd battery B 1 , the current flowing through the inductance L starts from zero, and the first odd battery B 1 The charging current decreases, and the energy storage inductance L stores energy; when the upper bridge arm MOS tube Q of the odd equalization sub-circuit S 1 connected to the first odd battery B 1 is turned off, the The energy storage inductance L of the odd balance sub-circuit S1 , the body diode of the lower bridge arm MOS transistor Qd , and all even batteries form a loop, and the current of the energy storage inductance L passes through the odd balance subcircuit connected to the first odd battery B1 The body diode of the MOS transistor Q d in the lower bridge arm of S 1 freewheels to charge all the dual batteries, and the current flowing through the energy storage inductor L drops, and at the end of the switching cycle, the current flowing through the energy storage inductor L drops to zero , the energy storage inductance L is reset.
当与第二偶电池B4相连接的偶均衡子电路S4的下桥臂MOS管Q d开通时,第二偶电池B4、与第二偶电池B4相连接的偶均衡子电路S4的储能电感L和下桥臂MOS管Q d组成回路,储能电感L吸收电池B4的充电电流,流过储能电感L的电流从零开始上升,第二偶电池B4的充电电流减少,储能电感L储能;当与第二偶电池B4相连接的偶均衡子电路S4的下桥臂MOS管Q d关断时,与第二偶电池B4相连接的偶均衡子电路S4的储能电感L和下桥臂MOS管Q u的体二极管、第一偶电池B2、全部奇电池组成回路,储能电感L的电流通过与第二偶电池B4相连接的偶均衡子电路S4的上桥臂MOS管Q u的体二极管续流,给第一偶电池和全部奇电池充电,流过储能电感L的电流下降,到该开关周期结束时,流过储能电感L的电流下降到零,储能电感L复位。 When the lower bridge arm MOS transistor Qd of the even equalization subcircuit S4 connected to the second even battery B4 is turned on, the second even battery B4 , the even equalization subcircuit S connected to the second even battery B4 The energy storage inductance L of 4 and the lower bridge arm MOS tube Q d form a loop, the energy storage inductance L absorbs the charging current of the battery B4 , and the current flowing through the energy storage inductance L rises from zero, and the charging of the second dual battery B4 The current decreases, and the energy storage inductance L stores energy; when the lower bridge arm MOS transistor Qd of the even equalization subcircuit S4 connected to the second even battery B4 is turned off, the even connected to the second even battery B4 The energy storage inductance L of the equalization sub-circuit S 4 and the body diode of the lower bridge arm MOS transistor Q u , the first even battery B 2 , and all the odd batteries form a loop, and the current of the energy storage inductance L passes through the phase with the second even battery B 4 The body diode of the upper bridge arm MOS transistor Qu of the connected even equalization sub-circuit S4 freewheels to charge the first even battery and all the odd batteries, and the current flowing through the energy storage inductor L decreases. When the switching cycle ends, The current flowing through the energy storage inductor L drops to zero, and the energy storage inductor L is reset.
Claims (7)
Priority Applications (1)
| Application Number | Priority Date | Filing Date | Title |
|---|---|---|---|
| CN2012103120491A CN102832667A (en) | 2012-08-29 | 2012-08-29 | Charge-discharge equalizer circuit based on inductive energy storage for series battery pack |
Applications Claiming Priority (1)
| Application Number | Priority Date | Filing Date | Title |
|---|---|---|---|
| CN2012103120491A CN102832667A (en) | 2012-08-29 | 2012-08-29 | Charge-discharge equalizer circuit based on inductive energy storage for series battery pack |
Publications (1)
| Publication Number | Publication Date |
|---|---|
| CN102832667A true CN102832667A (en) | 2012-12-19 |
Family
ID=47335683
Family Applications (1)
| Application Number | Title | Priority Date | Filing Date |
|---|---|---|---|
| CN2012103120491A Pending CN102832667A (en) | 2012-08-29 | 2012-08-29 | Charge-discharge equalizer circuit based on inductive energy storage for series battery pack |
Country Status (1)
| Country | Link |
|---|---|
| CN (1) | CN102832667A (en) |
Cited By (6)
| Publication number | Priority date | Publication date | Assignee | Title |
|---|---|---|---|---|
| CN104201731A (en) * | 2014-08-12 | 2014-12-10 | 华南理工大学 | A bidirectional charge-discharge equalization circuit for series battery packs based on inductive energy storage |
| CN105140998A (en) * | 2015-09-14 | 2015-12-09 | 华南理工大学 | Bidirectional lossless equalization circuit of series battery pack based on inductive energy storage |
| CN105162200A (en) * | 2015-09-15 | 2015-12-16 | 华南理工大学 | Layered battery pack balancing circuit |
| WO2018107963A1 (en) * | 2016-12-14 | 2018-06-21 | 华南理工大学 | Inductive energy storage-based improved circuit for series-connected battery-pack bidirectional lossless equalization |
| US10218193B2 (en) | 2014-07-29 | 2019-02-26 | Nicoventures Holdings Limited | E-cigarette and re-charging pack |
| CN114156962A (en) * | 2021-10-19 | 2022-03-08 | 深圳奥特迅电力设备股份有限公司 | A DC guard power system and its battery equalization control method |
Citations (2)
| Publication number | Priority date | Publication date | Assignee | Title |
|---|---|---|---|---|
| CN101867210A (en) * | 2010-06-11 | 2010-10-20 | 浙江理工大学 | Energy non-dissipative equalization charging circuit for series traction batteries |
| CN202872396U (en) * | 2012-08-29 | 2013-04-10 | 华南理工大学 | Charge and discharge equalization circuit for series battery based on inductance energy storage |
-
2012
- 2012-08-29 CN CN2012103120491A patent/CN102832667A/en active Pending
Patent Citations (2)
| Publication number | Priority date | Publication date | Assignee | Title |
|---|---|---|---|---|
| CN101867210A (en) * | 2010-06-11 | 2010-10-20 | 浙江理工大学 | Energy non-dissipative equalization charging circuit for series traction batteries |
| CN202872396U (en) * | 2012-08-29 | 2013-04-10 | 华南理工大学 | Charge and discharge equalization circuit for series battery based on inductance energy storage |
Cited By (11)
| Publication number | Priority date | Publication date | Assignee | Title |
|---|---|---|---|---|
| US10218193B2 (en) | 2014-07-29 | 2019-02-26 | Nicoventures Holdings Limited | E-cigarette and re-charging pack |
| US10536013B2 (en) | 2014-07-29 | 2020-01-14 | Nicoventures Holdings Limited | E-cigarette and re-charging pack |
| US10873196B2 (en) | 2014-07-29 | 2020-12-22 | Nicoventures Holdings Limited | E-cigarette and re-charging pack |
| US11811027B2 (en) | 2014-07-29 | 2023-11-07 | Nicoventures Trading Limited | E-cigarette and re-charging pack |
| US12095052B2 (en) | 2014-07-29 | 2024-09-17 | Nicoventures Trading Limited | E-cigarette and re-charging pack |
| CN104201731A (en) * | 2014-08-12 | 2014-12-10 | 华南理工大学 | A bidirectional charge-discharge equalization circuit for series battery packs based on inductive energy storage |
| CN105140998A (en) * | 2015-09-14 | 2015-12-09 | 华南理工大学 | Bidirectional lossless equalization circuit of series battery pack based on inductive energy storage |
| CN105140998B (en) * | 2015-09-14 | 2018-06-19 | 华南理工大学 | The two-way non-dissipative equalizing circuit of series battery based on inductive energy storage |
| CN105162200A (en) * | 2015-09-15 | 2015-12-16 | 华南理工大学 | Layered battery pack balancing circuit |
| WO2018107963A1 (en) * | 2016-12-14 | 2018-06-21 | 华南理工大学 | Inductive energy storage-based improved circuit for series-connected battery-pack bidirectional lossless equalization |
| CN114156962A (en) * | 2021-10-19 | 2022-03-08 | 深圳奥特迅电力设备股份有限公司 | A DC guard power system and its battery equalization control method |
Similar Documents
| Publication | Publication Date | Title |
|---|---|---|
| CN102437609B (en) | Composite automatic synchronous energy transfer equalization circuit and equalization method for series battery pack | |
| CN106786880B (en) | A New Hierarchical Equalization Circuit | |
| US8796992B2 (en) | Basic unit of lithium-ion battery, battery pack comprising the same, and charge/discharge equalizing method thereof | |
| CN107733007B (en) | Dual-target direct equalization circuit and equalization method for battery pack | |
| CN105140998B (en) | The two-way non-dissipative equalizing circuit of series battery based on inductive energy storage | |
| KR20150089627A (en) | Battery cell voltage balancing apparatus and method | |
| CN106532852A (en) | Battery pack equalizing circuit based on LC series connection energy storage | |
| CN105162199A (en) | Layered balancing circuit for battery pack | |
| CN206564477U (en) | A kind of Novel layered equalizing circuit | |
| CN102832667A (en) | Charge-discharge equalizer circuit based on inductive energy storage for series battery pack | |
| CN108011425B (en) | Active equalization circuit and method for battery pack | |
| CN104201731A (en) | A bidirectional charge-discharge equalization circuit for series battery packs based on inductive energy storage | |
| CN202872396U (en) | Charge and discharge equalization circuit for series battery based on inductance energy storage | |
| CN102832666A (en) | Inductive energy storage based series battery pack discharging balancing circuit | |
| CN103036256A (en) | Transformer scan chain type storage battery equalizing circuit and method | |
| CN106602648B (en) | Improved circuit for bidirectional lossless equalization of series battery pack based on inductive energy storage | |
| CN101599560A (en) | The charging device of lithium secondary battery and charging method | |
| CN106712168B (en) | Parallel battery pack bidirectional lossless equalization circuit based on inductance energy storage | |
| CN105529777A (en) | 2n battery pack equalizing circuit easy to expand | |
| CN106602647B (en) | A Bidirectional Lossless Equalization Circuit for Parallel Battery Packs Based on Capacitive Energy Storage | |
| CN104201732B (en) | Bi-directional charging-discharging equalization circuit with series connection battery pack consisting of four battery modules | |
| CN204068357U (en) | A kind of 4 joint series battery Bidirectional charging-discharging equalizing circuits | |
| CN204947672U (en) | The two-way non-dissipative equalizing circuit of series battery based on inductive energy storage | |
| CN106786865B (en) | A Bidirectional Lossless Equalization Circuit for Series Battery Packs Based on Capacitive Energy Storage | |
| CN205622249U (en) | 2n group battery equalizer circuit who easily expands |
Legal Events
| Date | Code | Title | Description |
|---|---|---|---|
| C06 | Publication | ||
| PB01 | Publication | ||
| C10 | Entry into substantive examination | ||
| SE01 | Entry into force of request for substantive examination | ||
| C12 | Rejection of a patent application after its publication | ||
| RJ01 | Rejection of invention patent application after publication |
Application publication date: 20121219 |






