CN102749197A - 适用于气液两相介质时液力透平实验装置 - Google Patents
适用于气液两相介质时液力透平实验装置 Download PDFInfo
- Publication number
- CN102749197A CN102749197A CN2012101668961A CN201210166896A CN102749197A CN 102749197 A CN102749197 A CN 102749197A CN 2012101668961 A CN2012101668961 A CN 2012101668961A CN 201210166896 A CN201210166896 A CN 201210166896A CN 102749197 A CN102749197 A CN 102749197A
- Authority
- CN
- China
- Prior art keywords
- hydraulic turbine
- gas
- liquid
- pressure
- surge tank
- Prior art date
- Legal status (The legal status is an assumption and is not a legal conclusion. Google has not performed a legal analysis and makes no representation as to the accuracy of the status listed.)
- Granted
Links
- 239000007788 liquid Substances 0.000 title claims abstract description 36
- 238000002474 experimental method Methods 0.000 title description 6
- 238000011084 recovery Methods 0.000 claims abstract description 12
- XLYOFNOQVPJJNP-UHFFFAOYSA-N water Substances O XLYOFNOQVPJJNP-UHFFFAOYSA-N 0.000 claims abstract description 10
- 230000001105 regulatory effect Effects 0.000 claims description 20
- 238000003756 stirring Methods 0.000 claims description 8
- 230000000087 stabilizing effect Effects 0.000 claims description 5
- 230000006641 stabilisation Effects 0.000 claims 1
- 238000011105 stabilization Methods 0.000 claims 1
- 238000012360 testing method Methods 0.000 abstract description 6
- 238000013112 stability test Methods 0.000 abstract description 4
- 238000010586 diagram Methods 0.000 description 5
- 238000000034 method Methods 0.000 description 5
- 238000011160 research Methods 0.000 description 2
- 230000009286 beneficial effect Effects 0.000 description 1
- 230000006835 compression Effects 0.000 description 1
- 238000007906 compression Methods 0.000 description 1
- 238000013461 design Methods 0.000 description 1
- 238000011056 performance test Methods 0.000 description 1
- 238000004088 simulation Methods 0.000 description 1
Images
Landscapes
- Control Of Turbines (AREA)
Abstract
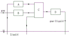
适用于气液两相介质时液力透平实验装置,其目的是在于对液力透平回收气液两相高压介质的能量时,进行液力透平的能量试验和运行稳定性试验,该装置有一个高压供水系统(A),压气系统(B),其特征在于高压供水系统(A)及压气系统(B)分别与稳压系统(C)连接,稳压系统(C)与气液两相液力透平能量回收系统(D)连接。
Description
技术领域
本发明涉及液体余压能量回收透平的试验技术领域,特别是涉及气液两相介质时液力透平的能量实验和运行稳定性实验。
背景技术
液体余压能量回收透平可用来回收高压液体的能量,达到节能减排的目的。目前,国内液力透平还存在无系统设计方法、效率低、透平启动后转速运行不稳定现象等问题。解决这些问题需要掌握液力透平的外特性和内部流动机理,除了采用理论分析和数值模拟研究外,还需进行液力透平的实验研究,如液力透平内部流动现象,能量性能试验、运行稳定性试验等。目前对液体余压能量回收透平的试验没有国家标准及有关文献介绍,对气液两相介质时液力透平试验更无相关资料介绍。
发明内容
本发明的目的是在于对液力透平回收气液两相高压介质的能量时,进行液力透平的能量试验和运行稳定性试验。
本发明是适用于气液两相介质时液力透平实验装置,有一个高压供水系统A,压气系统B,高压供水系统A及压气系统B分别与稳压系统C连接,稳压系统C与气液两相液力透平能量回收系统D连接。
本发明的有益效果是能够进行气液两相介质时液力透平的能量试验和运行稳定性试验。
附图说明
图1为适用于气液两相介质时液力透平实验装置示意图。
图2为高压供水系统A结构示意图。
图3为压气系统B结构示意图。
图4为稳压系统C结构示意图。
图5为气液两相液力透平能量回收系统D结构示意图。
具体实施方式
如图1所示,适用于气液两相介质时液力透平实验装置,高压供水系统A及压气系统B分别与稳压系统C连接,稳压系统C与气液两相液力透平能量回收系统D连接。
如图2所示,高压供水系统A由高压泵组1、2、第一压力传感器3、液体流量计4、第一调节阀5和第一水封闸阀6组成,高压供水系统A的高压泵组1、2的介质输入端安装第一水封闸阀6,高压泵组1、2的介质输出端管路沿流动方向依次安装第一压力传感器3,液体流量计4以及第一调节阀5,第一调节阀5后的管路与稳压罐13连接。
如图3所示,压气系统B由压缩机组7、8、压力变送器9、气体流量计10、第二调节阀11组成,压气系统B的压缩机组7、8的介质输出端管路沿流动方向依次接压力变送器9,气体流量计10及第二调节阀11,第二调节阀11后的管路与稳压罐13连接。
如图4所示,稳压系统C由稳压罐13,搅拌机构、安全阀12、第二压力传感器16、温度传感器18、第二水封闸阀19组成,稳压罐13的顶部安装安全阀12、第二压力传感器16;稳压罐13底部连接的管路安装第二水封闸阀19;稳压罐13内部安装搅拌机构,搅拌机构中的搅拌器17的上端与电机14连接,电机14置于稳压罐13顶部,电机14与搅拌器17之间接密封15。
如图5所示,气液两相液力透平能量回收系统D由第三调节阀20、气液两相流量计21、压差传感器22、液力透平23、扭矩转速传感器24、可调式液压负载泵25、第三水封闸阀26组成,液力透平23的介质输入端与稳压罐13连接,液力透平23的介质输入端沿流动方向依次安装第三调节阀20,气液两相流量计21,液力透平23的进出口引出两条线连接压差传感器22,液力透平23的介质输出端安装水封闸阀26;液力透平23的轴输出端与可调式液压负载泵25连接,液力透平23与可调式液压负载泵25之间安装扭矩转速传感器24。
本发明的工作过程如下:
1、启动高压供水系统A的高压泵组1、2,第一调节调节阀5得到实验所需的运行工况。高压泵组1、2将液体输运到稳压罐13。
2、高压供水系统A启动后,再启动压气系统B的压缩机组7、8给稳压罐13压气。当液力透平需要不同的进口含气率时,可通过第二调节阀11来控制装置中气体的含量。
3、通过步骤1和2,高压供水系统A和压气系统B分别将液体和气体输运到稳压系统C。然后启动搅拌机构,使稳压罐13内的气体和液体混合均匀。
当实验结束后,通过排液阀19将稳压罐13内的试验介质排出。
4、步骤3中搅拌机构启动后约2~4分钟,再启动液力透平能量回收系统D。具体操作过程是打开液力透平23进口第三调节阀20和第三水封闸阀26,高压气液两相介质通过液力透平23并将其压力能转换成液力透平的机械能,以轴功率的形式输出驱动一台可调式负载液压泵25。第三调节阀20可调节液力透平回收系统中的流量,满足液力透平在不同工况下的实验。
5、测量不同工况下的性能参数,处理实验结果。
Claims (5)
1.适用于气液两相介质时液力透平实验装置,有一个高压供水系统(A),压气系统(B),其特征在于高压供水系统(A)及压气系统(B)分别与稳压系统(C)连接,稳压系统(C)与气液两相液力透平能量回收系统(D)连接。
2.根据权利要求1所述的适用于气液两相介质时液力透平实验装置,其特征在于所述的高压供水系统(A)由高压泵组(1、2)、第一压力传感器(3)、液体流量计(4)、第一调节阀(5)和第一水封闸阀(6)组成,高压泵组(1、2)的介质输入端安装第一水封闸阀(6),高压泵组(1、2)的介质输出端管路沿流动方向依次安装第一压力传感器(3),液体流量计(4)以及第一调节阀(5),第一调节阀(5)后的管路与稳压罐(13)连接。
3.根据权利要求1所述的适用于气液两相介质时液力透平实验装置,其特征在于所述的压气系统(B)由压缩机组(7、8)、压力变送器(9)、气体流量计(10)、第二调节阀(11)组成,压缩机组(7、8)的介质输出端管路沿流动方向依次接压力变送器(9),气体流量计(10)及第二调节阀(11),第二调节阀(11)后的管路与稳压罐13连接。
4.根据权利要求1所述的适用于气液两相介质时液力透平实验装置,其特征在于所述的稳压系统(C)由稳压罐(13),搅拌机构、安全阀(12)、第二压力传感器(16)、温度传感器(18)、第二水封闸阀(19)组成,稳压罐(13)的顶部安装安全阀(12)、第二压力传感器(16);稳压罐(13)侧壁靠近顶部位置安装温度传感器(18);稳压罐(13)底部连接的管路安装第二水封闸阀(19);稳压罐(13)内部安装搅拌机构,搅拌机构中的搅拌器(17)的上端与电机(14)连接,电机(14)置于稳压罐(13)顶部,电机(14)与搅拌器(17)之间接密封(15)。
5.根据权利要求1所述的适用于气液两相介质时液力透平实验装置,其特征在于所述的气液两相液力透平能量回收系统(D)由第三调节阀(20)、气液两相流量计(21)、压差传感器(22)、液力透平(23)、扭矩转速传感器(24)、可调式液压负载泵(25)、第三水封闸阀(26)组成,液力透平(23)的介质输入端与稳压罐(13)连接,液力透平(23)的介质输入端沿流动方向依次安装第三调节阀(20),气液两相流量计(21),液力透平(23)的进出口引出两条线连接压差传感器(22),液力透平(23)的介质输出端安装第三水封闸阀(26);液力透平(23)的轴输出端与可调式液压负载泵(25)连接,液力透平(23)与可调式液压负载泵(25)之间安装扭矩转速传感器(24)。
Priority Applications (1)
| Application Number | Priority Date | Filing Date | Title |
|---|---|---|---|
| CN201210166896.1A CN102749197B (zh) | 2012-05-28 | 2012-05-28 | 适用于气液两相介质时液力透平实验装置 |
Applications Claiming Priority (1)
| Application Number | Priority Date | Filing Date | Title |
|---|---|---|---|
| CN201210166896.1A CN102749197B (zh) | 2012-05-28 | 2012-05-28 | 适用于气液两相介质时液力透平实验装置 |
Publications (2)
| Publication Number | Publication Date |
|---|---|
| CN102749197A true CN102749197A (zh) | 2012-10-24 |
| CN102749197B CN102749197B (zh) | 2015-01-07 |
Family
ID=47029565
Family Applications (1)
| Application Number | Title | Priority Date | Filing Date |
|---|---|---|---|
| CN201210166896.1A Expired - Fee Related CN102749197B (zh) | 2012-05-28 | 2012-05-28 | 适用于气液两相介质时液力透平实验装置 |
Country Status (1)
| Country | Link |
|---|---|
| CN (1) | CN102749197B (zh) |
Cited By (9)
| Publication number | Priority date | Publication date | Assignee | Title |
|---|---|---|---|---|
| CN103512738A (zh) * | 2013-09-23 | 2014-01-15 | 西安交通大学 | 低温液力透平闭式实验系统和测试方法 |
| CN104931248A (zh) * | 2015-06-23 | 2015-09-23 | 江苏大学 | 一种高压余能回收液力透平试验台及其控制方法 |
| CN105043750A (zh) * | 2015-08-28 | 2015-11-11 | 浙江工业大学 | 一种油气混输泵阀综合试验系统 |
| CN107044911A (zh) * | 2017-05-16 | 2017-08-15 | 大连深蓝泵业有限公司 | 低温试验系统及液化天然气降压工况用lng液力透平低温试验方法 |
| CN108444718A (zh) * | 2018-01-30 | 2018-08-24 | 清华大学 | 泵与透平两用多相特性测试台及其测试方法 |
| CN110296033A (zh) * | 2019-06-21 | 2019-10-01 | 西安理工大学 | 一种气液两相液力透平蜗壳 |
| CN111638036A (zh) * | 2020-06-16 | 2020-09-08 | 浙江理工大学 | 高温高压含气透平实验装置 |
| CN114526936A (zh) * | 2022-02-21 | 2022-05-24 | 西南石油大学 | 钻柱全旋转液力控制器试验台架 |
| CN118687887A (zh) * | 2024-06-03 | 2024-09-24 | 西安电子科技大学 | 一种液力透平性能测试设备 |
Citations (1)
| Publication number | Priority date | Publication date | Assignee | Title |
|---|---|---|---|---|
| EP2339590A2 (en) * | 2009-12-28 | 2011-06-29 | GE-Hitachi Nuclear Energy Americas LLC | Methods of controlling hydrogen concentrations in an offgas system of a nuclear reactor by passive air injection |
-
2012
- 2012-05-28 CN CN201210166896.1A patent/CN102749197B/zh not_active Expired - Fee Related
Patent Citations (1)
| Publication number | Priority date | Publication date | Assignee | Title |
|---|---|---|---|---|
| EP2339590A2 (en) * | 2009-12-28 | 2011-06-29 | GE-Hitachi Nuclear Energy Americas LLC | Methods of controlling hydrogen concentrations in an offgas system of a nuclear reactor by passive air injection |
Non-Patent Citations (5)
| Title |
|---|
| 典平鸽 等: "叶轮进口宽度对液力透平性能的影响", 《机械设计与研究》 * |
| 杨军虎等: "能量回收液力透平研究综述", 《流体机械》 * |
| 梁强: "基于波动性的气液两相流参数检测研究", 《万方学位论文》 * |
| 王林等: "频谱法气液两相流流型识别", 《油气田地面工程》 * |
| 马希金等: "油气混输泵进口气液混合器的设计", 《化工机械》 * |
Cited By (14)
| Publication number | Priority date | Publication date | Assignee | Title |
|---|---|---|---|---|
| CN103512738A (zh) * | 2013-09-23 | 2014-01-15 | 西安交通大学 | 低温液力透平闭式实验系统和测试方法 |
| WO2015039428A1 (zh) * | 2013-09-23 | 2015-03-26 | 西安交通大学 | 低温液力透平闭式实验系统和测试方法 |
| CN103512738B (zh) * | 2013-09-23 | 2015-04-29 | 西安交通大学 | 低温液力透平闭式实验系统和测试方法 |
| CN104931248B (zh) * | 2015-06-23 | 2018-06-01 | 江苏大学 | 一种高压余能回收液力透平试验台及其控制方法 |
| CN104931248A (zh) * | 2015-06-23 | 2015-09-23 | 江苏大学 | 一种高压余能回收液力透平试验台及其控制方法 |
| CN105043750A (zh) * | 2015-08-28 | 2015-11-11 | 浙江工业大学 | 一种油气混输泵阀综合试验系统 |
| CN107044911A (zh) * | 2017-05-16 | 2017-08-15 | 大连深蓝泵业有限公司 | 低温试验系统及液化天然气降压工况用lng液力透平低温试验方法 |
| CN108444718A (zh) * | 2018-01-30 | 2018-08-24 | 清华大学 | 泵与透平两用多相特性测试台及其测试方法 |
| CN108444718B (zh) * | 2018-01-30 | 2019-06-04 | 清华大学 | 泵与透平两用多相特性测试台及其测试方法 |
| CN110296033A (zh) * | 2019-06-21 | 2019-10-01 | 西安理工大学 | 一种气液两相液力透平蜗壳 |
| CN111638036A (zh) * | 2020-06-16 | 2020-09-08 | 浙江理工大学 | 高温高压含气透平实验装置 |
| CN114526936A (zh) * | 2022-02-21 | 2022-05-24 | 西南石油大学 | 钻柱全旋转液力控制器试验台架 |
| CN114526936B (zh) * | 2022-02-21 | 2023-10-10 | 西南石油大学 | 钻柱全旋转液力控制器试验台架 |
| CN118687887A (zh) * | 2024-06-03 | 2024-09-24 | 西安电子科技大学 | 一种液力透平性能测试设备 |
Also Published As
| Publication number | Publication date |
|---|---|
| CN102749197B (zh) | 2015-01-07 |
Similar Documents
| Publication | Publication Date | Title |
|---|---|---|
| CN102749197B (zh) | 适用于气液两相介质时液力透平实验装置 | |
| CN103511396B (zh) | 基于功率回收技术的液压泵及液压马达可靠性试验装置 | |
| CN103821710B (zh) | 潜水泵汽蚀余量闭式试验装置 | |
| CN102913463B (zh) | 一种高吸程自吸泵自吸高度测试台 | |
| CN111729612B (zh) | 高温高压釜中间气体浓度调配活塞压力装置及配气方法 | |
| CN110296087B (zh) | 泵水力试验系统及试验方法 | |
| CN202991434U (zh) | 通用水泵测试系统 | |
| CN103742425A (zh) | 水循环系统节能修正方法 | |
| CN202832456U (zh) | 一种天然气井口减压增产装置 | |
| CN205333310U (zh) | 一种基于压缩空气恒压供水的模型水轮机测试装置 | |
| CN108119287A (zh) | 一种水轮机转轮的性能测试实验台 | |
| CN201671609U (zh) | 密闭无罐压流可调的油田注水系统 | |
| CN217300820U (zh) | 节能型水蒸汽压缩机试验装置 | |
| CN209671181U (zh) | 一种液压泵复验用试验台架 | |
| CN202673655U (zh) | 一种节能液压试验台 | |
| CN203395592U (zh) | 气液分离器自动排液装置 | |
| CN113236532B (zh) | 节能型水蒸汽压缩机试验装置及其试验方法 | |
| CN212379047U (zh) | 一种双动力源的气瓶疲劳实验装置 | |
| CN104514707A (zh) | 电动潜油柱塞泵检测装置及其检测方法 | |
| CN204025017U (zh) | 一种高压水泵性能测试平台 | |
| CN204238990U (zh) | 一种背压式汽轮机供热的能源梯级利用系统 | |
| CN202937463U (zh) | 一种高吸程自吸泵自吸高度测试台 | |
| CN202971224U (zh) | 轴流泵水力实验装置 | |
| CN112082794A (zh) | 一种双动力源的气瓶疲劳实验装置 | |
| CN217277509U (zh) | 一种空心复合绝缘子持续水压循环试验机 |
Legal Events
| Date | Code | Title | Description |
|---|---|---|---|
| C06 | Publication | ||
| PB01 | Publication | ||
| C10 | Entry into substantive examination | ||
| SE01 | Entry into force of request for substantive examination | ||
| C14 | Grant of patent or utility model | ||
| GR01 | Patent grant | ||
| CF01 | Termination of patent right due to non-payment of annual fee |
Granted publication date: 20150107 Termination date: 20180528 |
|
| CF01 | Termination of patent right due to non-payment of annual fee |