CN102680187A - Method and equipment for checking sealing quality of gas extraction drilled holes - Google Patents
Method and equipment for checking sealing quality of gas extraction drilled holes Download PDFInfo
- Publication number
- CN102680187A CN102680187A CN201210165896XA CN201210165896A CN102680187A CN 102680187 A CN102680187 A CN 102680187A CN 201210165896X A CN201210165896X A CN 201210165896XA CN 201210165896 A CN201210165896 A CN 201210165896A CN 102680187 A CN102680187 A CN 102680187A
- Authority
- CN
- China
- Prior art keywords
- borehole
- gas
- gas drainage
- pipeline
- tensimeter
- Prior art date
- Legal status (The legal status is an assumption and is not a legal conclusion. Google has not performed a legal analysis and makes no representation as to the accuracy of the status listed.)
- Granted
Links
Images
Landscapes
- Sampling And Sample Adjustment (AREA)
- Examining Or Testing Airtightness (AREA)
Abstract
一种检验瓦斯抽采钻孔密封质量的方法及设备,属于检验钻孔密封质量的方法及设备。将压风系统通过检验瓦斯抽采钻孔的设备与已密封的瓦斯抽采钻孔中的抽采管相连,压风系统通过检验瓦斯抽采钻孔的设备和抽采管向瓦斯抽采钻孔内充入初始压力为0.2MPa~0.4MPa、初始流量不小于20m3/h的气体,当流量计和第二压力表的示数稳定持续时间不少于2min,说明进出瓦斯抽采钻孔的气体处于动态平衡,即钻孔密封段内外的压差已经确定。第二压力表的示数值大于或者等于0.05MPa,则瓦斯抽采钻孔密封质量合格。该方法及设备简单,检验一个瓦斯抽采钻孔密封质量仅需10min~15min,操作方便,快捷高效,且不破坏钻孔密封结构本身,具有广泛的实用性。
A method and equipment for inspecting the sealing quality of gas drainage boreholes, which belong to the method and equipment for inspecting the sealing quality of boreholes. Connect the compressed air system with the drainage pipe in the sealed gas drainage borehole through the inspection equipment of the gas drainage borehole, The hole is filled with gas with an initial pressure of 0.2MPa-0.4MPa and an initial flow rate of not less than 20m 3 /h. When the readings of the flow meter and the second pressure gauge are stable for no less than 2 minutes, it means that the gas has entered and exited the gas drainage borehole. The gas is in dynamic equilibrium, that is, the pressure difference inside and outside the borehole sealing section has been determined. If the displayed value of the second pressure gauge is greater than or equal to 0.05MPa, the sealing quality of the gas drainage borehole is qualified. The method and equipment are simple, and it only takes 10 minutes to 15 minutes to test the sealing quality of a gas drainage borehole. The operation is convenient, fast and efficient, and the sealing structure of the borehole is not damaged, so it has wide practicability.
Description
技术领域 technical field
本发明涉及一种检验钻孔密封质量的方法及设备,特别是一种检验瓦斯抽采钻孔密封质量的方法及设备。 The invention relates to a method and equipment for inspecting the sealing quality of boreholes, in particular to a method and equipment for inspecting the sealing quality of gas drainage boreholes.
背景技术 Background technique
瓦斯抽采钻孔密封质量是保证瓦斯抽采效果的关键。目前,我国的抽采钻孔密封质量还存在一定问题,其中缺乏有效的检验方法是重要原因之一。抽采钻孔密封质量是通过抽采过程中瓦斯浓度来判断,即瓦斯浓度衰减快慢来判读,一般需要连续观测瓦斯浓度30天左右,检验周期长,且属于事后判断,难以及时改进钻孔密封质量或方法。经过30天左右的观测,如果发现瓦斯抽采钻孔的密封质量差,煤体的瓦斯抽采率不能满足国家发展改革委等单位组织制定的《煤矿瓦斯抽采达标暂行规定》,则煤矿不能在该区域进行采煤作业,需要在未达标区域补打瓦斯抽采钻孔抽采瓦斯,或者对已有瓦斯抽采钻孔进行补封或重新密封,以提高钻孔密封质量和瓦斯抽采量,直至瓦斯抽采达标。这样浪费了大量的人力、财力和物力,严重影响了煤矿企业的煤炭产量及经济效益。 The sealing quality of gas drainage borehole is the key to ensure the effect of gas drainage. At present, there are still some problems in the sealing quality of drainage boreholes in our country, and the lack of effective inspection methods is one of the important reasons. The sealing quality of the drainage borehole is judged by the gas concentration during the extraction process, that is, the rate at which the gas concentration decays is judged. Generally, the gas concentration needs to be continuously observed for about 30 days. The inspection period is long, and it is an after-the-fact judgment. It is difficult to improve the borehole sealing in time quality or method. After about 30 days of observation, if it is found that the sealing quality of the gas drainage borehole is poor, and the gas drainage rate of the coal body cannot meet the "Interim Regulations on Coal Mine Gas Drainage Standards" formulated by the National Development and Reform Commission and other organizations, the coal mine cannot To carry out coal mining operations in this area, it is necessary to drill gas drainage boreholes for gas drainage in areas that do not meet the standards, or to seal or reseal existing gas drainage boreholes to improve the sealing quality of boreholes and gas drainage amount until the gas extraction reaches the standard. This wastes a lot of manpower, financial resources and material resources, which has seriously affected the coal production and economic benefits of coal mining enterprises.
目前,地质上经常采用 “透孔取心”和“逐层取样”的方法来检验钻孔密封质量。“透孔取心”法可以完整的揭露钻孔密封的真实面目,准确的反应出钻孔密封位置和强度,但是费时、费力、费资,同时还破坏了原有密封钻孔的本身,需要重新密封补救。“逐层取样”法只是在钻孔密封段上部取样,对反映了钻孔密封段上部的密封质量具有很强的代表性,不能反映密封段下部的密封质量。 At present, the methods of "through-hole coring" and "layer-by-layer sampling" are often used in geology to test the sealing quality of boreholes. The "through-hole coring" method can completely reveal the true face of the borehole seal, and accurately reflect the position and strength of the borehole seal, but it is time-consuming, laborious, expensive, and at the same time destroys the original sealed borehole itself. Reseal the remedy. The "layer-by-layer sampling" method only takes samples from the upper part of the borehole sealing section, which is very representative for reflecting the sealing quality of the upper part of the drilling sealing section, but cannot reflect the sealing quality of the lower part of the sealing section.
发明内容 Contents of the invention
本发明的目的克服已有技术中的不足,提供一种方法简单、设备紧凑、快速检验瓦斯抽采钻孔密封质量的方法及设备,解决煤矿井下瓦斯抽采钻孔密封质量检验难的问题。 The purpose of the present invention overcomes the deficiencies in the prior art, provides a method and equipment for quickly inspecting the sealing quality of gas drainage boreholes with simple method and compact equipment, and solves the problem of difficult inspection of the sealing quality of gas drainage boreholes in coal mines.
本发明一种检验瓦斯抽采钻孔密封质量的方法,包括以下步骤: The present invention is a kind of method for checking the sealing quality of gas drainage borehole, comprising the following steps:
a.将压风系统通过第一控制阀、设有第一压力表、第二控制阀、流量计、三通管和第二压力表的管路与已密封的瓦斯抽采钻孔中的抽采管相连,三通管上安装排气阀; a. Pass the compressed air system through the first control valve, the pipeline equipped with the first pressure gauge, the second control valve, the flow meter, the three-way pipe and the second pressure gauge, and the drainage pipe in the sealed gas drainage borehole connected, and the exhaust valve is installed on the tee pipe;
b.关闭第二控制阀和排气阀,打开第一控制阀,使第一压力表示数在0. 2MPa~0.4MPa范围内; b. Close the second control valve and exhaust valve, open the first control valve, so that the first pressure indication is within the range of 0.2MPa~0.4MPa;
c.打开第二控制阀,使煤矿井下压风系统中的气体通过管路和抽采管充入瓦斯抽采钻孔中; c. Open the second control valve, so that the gas in the compressed air system of the coal mine is filled into the gas drainage borehole through the pipeline and the extraction pipe;
d.当流量计和第二压力表的示数稳定持续时间不少于2min后,第二压力表的示数值大于或者等于0.05MPa,则瓦斯抽采钻孔密封质量合格; d. When the indications of the flowmeter and the second pressure gauge are stable for no less than 2 minutes, and the indication value of the second pressure gauge is greater than or equal to 0.05MPa, the sealing quality of the gas drainage borehole is qualified;
e.关闭第一控制阀,打开排气阀,待第二压力表示数降为零后拆除管路。 e. Close the first control valve, open the exhaust valve, and remove the pipeline after the second pressure indicator drops to zero.
所述压风系统向瓦斯抽采钻孔充入气体的初始流量不小于20 m3/h。 The initial flow rate of the compressed air system charging gas into the gas drainage borehole is not less than 20 m 3 /h.
本发明的检验瓦斯抽采钻孔密封质量的设备包括:管路、第一压力表、第二控制阀、流量计、三通管、排气阀和第二压力表; The equipment for testing the sealing quality of gas drainage boreholes of the present invention includes: pipelines, a first pressure gauge, a second control valve, a flow meter, a three-way pipe, an exhaust valve and a second pressure gauge;
第二控制阀通过管路与第一控制阀连接,在管路上连接有第一压力表,第二控制阀和三通管之间连接有流量计,三通管的一端与排气阀连接,三通管的第三端与抽采管连接,在三通管和抽采管之间的管路上连接有第二压力表。 The second control valve is connected to the first control valve through a pipeline, the first pressure gauge is connected to the pipeline, the flow meter is connected between the second control valve and the three-way pipe, and one end of the three-way pipe is connected to the exhaust valve. The third end of the three-way pipe is connected with the extraction pipe, and a second pressure gauge is connected on the pipeline between the three-way pipe and the extraction pipe.
有益效果,由于采用了上述方案,本发明的一种检验瓦斯抽采钻孔密封质量的方法及设备,充分运用了煤矿井下已有的压风系统。压风系统中气体具有很好的渗透性,能进入瓦斯抽采钻孔周围的细微裂隙,并通过裂隙泄漏出来,能很好的检验瓦斯抽采钻孔密封段是否存在漏风裂隙和漏风裂隙的多少,从而检测钻孔密封质量。第一压力表的示数在0. 2MPa~0.4MPa范围内,避免向瓦斯抽采钻孔内充入气体压力过大,保证现有瓦斯抽采钻孔密封质量不受破坏。流量计测量进入瓦斯抽采钻孔气体的流量,第二压力表是为了测定钻孔内部稳定压力值。打开排气阀是为了排泄钻孔内气体,确保拆除管路时安全。当流量计和压力表的示数稳定一定值不变时,说明进出钻孔的气体处于动态平衡,即钻孔密封段内外的压差已经确定,压力表示数的大小直观反映钻孔的密封质量。此方法及设备检验一个瓦斯抽采钻孔仅需10min~15min,操作方便,快捷高效,且不破坏钻孔密封结构本身,有效解决了瓦斯抽采钻孔密封质量检验难的问题,具有广泛的实用性。 Beneficial effects, due to the adoption of the above scheme, a method and equipment for checking the sealing quality of gas drainage boreholes in the present invention fully utilize the existing compressed air system in the coal mine. The gas in the compressed air system has good permeability, can enter the fine cracks around the gas drainage borehole, and leak out through the cracks, which can be used to test whether there are air leakage cracks and air leakage cracks in the sealing section of the gas drainage drilling hole How much, so as to detect the quality of the drilling seal. The reading of the first pressure gauge is within the range of 0.2MPa~0.4MPa, so as to avoid excessive pressure of filling gas into the gas drainage borehole, so as to ensure that the sealing quality of the existing gas drainage borehole is not damaged. The flow meter measures the flow of gas entering the gas extraction borehole, and the second pressure gauge is used to measure the stable pressure inside the borehole. The purpose of opening the exhaust valve is to discharge the gas in the borehole to ensure safety when removing the pipeline. When the readings of the flowmeter and pressure gauge are stable and constant, it means that the gas entering and leaving the borehole is in dynamic balance, that is, the pressure difference inside and outside the sealing section of the borehole has been determined, and the pressure indication directly reflects the sealing quality of the borehole . The method and equipment only need 10-15 minutes to test a gas drainage borehole, which is convenient, fast and efficient, and does not damage the sealing structure of the borehole itself, effectively solving the problem of difficult quality inspection of the gas drainage borehole seal, and has wide application practicality.
附图说明 Description of drawings
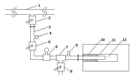
图1是本发明一种检验瓦斯抽采钻孔密封质量方法及设备的示意图。 Fig. 1 is a schematic diagram of a method and equipment for checking the sealing quality of a gas drainage borehole according to the present invention.
图中:1、压风系统;2、第一控制阀;3、管路;4、第一压力表;5、第二控制阀;6、流量计;7、三通管;8、排气阀;9、第二压力表;10、密封段;11、抽采管;12、瓦斯抽采钻孔。 In the figure: 1. Compressed air system; 2. First control valve; 3. Pipeline; 4. First pressure gauge; 5. Second control valve; 6. Flowmeter; 7. Tee pipe; 8. Exhaust Valve; 9. Second pressure gauge; 10. Sealing section; 11. Drainage pipe; 12. Gas drainage borehole.
具体实施方式 Detailed ways
下面结合附图对本发明的实例作进一步的描述: Below in conjunction with accompanying drawing, the example of the present invention will be further described:
本发明的检验瓦斯抽采钻孔密封质量的具体方法:在煤矿井下需要进行瓦斯抽采的地方布置瓦斯抽采钻孔12,并对瓦斯抽采钻孔12进行密封,形成瓦斯抽采过程中防止漏气的瓦斯抽采钻孔12的密封段10。将压风系统1通过第一控制阀2、设有第一压力表4、第二控制阀5、流量计6、三通管7和第二压力表9的管路3与已密封的瓦斯抽采钻孔12中的抽采管11相连,三通管7上设有排气阀8。关闭第二控制阀5和排气阀8,打开第一控制阀2,使第一压力表4示数在0. 2MPa~0.4MPa范围内,避免向瓦斯抽采钻孔12内充入气体压力过大,保证现有瓦斯抽采钻孔12密封质量不受破坏。打开第二控制阀5,使压风系统1中的气体通过管路3和抽采管11充入瓦斯抽采钻孔12中,流量计6测量进入瓦斯抽采钻孔12中气体的流量,要求初始流量不小于20 m3/h。气体进入瓦斯抽采钻孔12后,依靠本身的渗透性,进入瓦斯抽采钻孔12周围的很小裂隙,并通过裂隙泄露出来,能很好的检验瓦斯抽采钻孔12的密封段10是否存在漏风裂隙和漏风裂隙的多少,从而检测瓦斯抽采钻孔12的密封质量。当进出瓦斯抽采钻孔12的气体处于动态平衡,即瓦斯抽采钻孔12的密封段10内外的压差已经确定时,流量计6和第二压力表9的示数稳定持续时间不少于2min后,第二压力表的示数值大于或者等于0.05MPa,则瓦斯抽采钻孔密封质量合格。关闭第一控制阀2,停止向瓦斯抽采钻孔12内继续充入气体。打开排气阀8,排泄瓦斯抽采钻孔12内的气体,确保拆除管路3时安全。待第二压力表9示数降为零后拆除管路3,瓦斯抽采钻孔12密封质量检验结束。此方法检验一个瓦斯抽采钻孔12仅需10min~15min,操作方便,快捷高效,且不破坏瓦斯抽采钻孔12密封结构本身,有效解决了瓦斯抽采钻孔12密封质量检验难的问题。
The specific method for checking the sealing quality of the gas drainage boreholes of the present invention: arrange the
通过长期实践得出:第二压力表9稳定的示数值大于或者等于0.15MPa时,瓦斯抽采钻孔12的瓦斯抽采浓度能够长时间维持在65%以上,说明瓦斯抽采钻孔12密封质量优秀;第二压力表9稳定的示数值大于或者等于0.1MPa且小于0.15MPa时,瓦斯抽采钻孔12的瓦斯抽采浓度能够较长时间维持在50%以上,说明瓦斯抽采钻孔12的密封质量良好;第二压力表9稳定的示数大于或者等于0.05MPa且小于0.1MPa时,瓦斯抽采钻孔12瓦斯抽采浓度能够较长时间维持在30%以上,说明瓦斯抽采钻孔12的密封质量中等;第二压力表9示数小于0.05MPa时,瓦斯抽采钻孔12瓦斯抽采浓度经过20d左右的抽采降到30%以下,瓦斯抽采钻孔12密封质量差。
Through long-term practice, it is concluded that when the stable indication value of the second pressure gauge 9 is greater than or equal to 0.15MPa, the gas drainage concentration of the
一种检验瓦斯抽采钻孔密封质量的设备包括:管路3、第一压力表4、第二控制阀5、流量计6、三通管7、排气阀8和第二压力表9;
A device for testing the sealing quality of gas drainage boreholes includes: a pipeline 3, a first pressure gauge 4, a second control valve 5, a flow meter 6, a tee pipe 7, an
第二控制阀5通过管路3与第一控制阀2连接,第一控制阀2的另一端与压风系统1连接,在管路3上连接有第一压力表4,第二控制阀5和三通管7之间连接有流量计6,三通管7的一端与排气阀8连接,三通管7的第三端与抽采管11连接,在三通管7和抽采管11之间的管路上连接有第二压力表9,抽采管11插入至瓦斯抽采钻孔12内,在抽采管11和瓦斯抽采钻孔12之间有密封段10。
The second control valve 5 is connected to the first control valve 2 through the pipeline 3, and the other end of the first control valve 2 is connected to the compressed air system 1. The first pressure gauge 4 is connected to the pipeline 3, and the second control valve 5 A flow meter 6 is connected between the three-way pipe 7, one end of the three-way pipe 7 is connected with the
第一压力表4用于测量压风系统1充入瓦斯抽采钻孔12的初始压力,保证在0. 2MPa~0.4MPa范围内。流量计6测量进入瓦斯抽采钻孔12气体的流量,保证初始流量不小于20 m3/h。第二压力表9是为了测定瓦斯抽采钻孔12内部稳定压力值,用于判断瓦斯抽采钻孔12的密封质量。三通管7一端设有的排气阀8是为了排泄瓦斯抽采钻孔12内气体,确保拆除管路3时安全。
The first pressure gauge 4 is used to measure the initial pressure of the compressed air system 1 filling the
Claims (3)
Priority Applications (1)
| Application Number | Priority Date | Filing Date | Title |
|---|---|---|---|
| CN201210165896.XA CN102680187B (en) | 2012-05-25 | 2012-05-25 | Method and equipment for checking sealing quality of gas extraction drilled holes |
Applications Claiming Priority (1)
| Application Number | Priority Date | Filing Date | Title |
|---|---|---|---|
| CN201210165896.XA CN102680187B (en) | 2012-05-25 | 2012-05-25 | Method and equipment for checking sealing quality of gas extraction drilled holes |
Publications (2)
| Publication Number | Publication Date |
|---|---|
| CN102680187A true CN102680187A (en) | 2012-09-19 |
| CN102680187B CN102680187B (en) | 2014-11-05 |
Family
ID=46812455
Family Applications (1)
| Application Number | Title | Priority Date | Filing Date |
|---|---|---|---|
| CN201210165896.XA Active CN102680187B (en) | 2012-05-25 | 2012-05-25 | Method and equipment for checking sealing quality of gas extraction drilled holes |
Country Status (1)
| Country | Link |
|---|---|
| CN (1) | CN102680187B (en) |
Cited By (9)
| Publication number | Priority date | Publication date | Assignee | Title |
|---|---|---|---|---|
| CN102900429A (en) * | 2012-09-27 | 2013-01-30 | 淮南矿业(集团)有限责任公司 | Device and method for inspecting gas drainage hole tightness |
| CN104792968A (en) * | 2015-04-14 | 2015-07-22 | 河南理工大学 | Drill hole blocking section dredging simulation test system and method |
| CN105114057A (en) * | 2015-07-31 | 2015-12-02 | 中国矿业大学 | System and method for intelligently detecting sealing quality of gas drainage borehole |
| CN105525941A (en) * | 2015-12-18 | 2016-04-27 | 湖南科技大学 | Method for improving stability of permanent gas extraction system of outburst mine |
| CN107101787A (en) * | 2017-05-26 | 2017-08-29 | 中国矿业大学 | A kind of mash gas pumping drilling device for detecting sealability and detection method |
| CN113027423A (en) * | 2021-01-21 | 2021-06-25 | 河南理工大学 | Device and method for detecting sealing performance of extraction plugging section of cross-layer drilling |
| CN113758661A (en) * | 2021-09-08 | 2021-12-07 | 湖北三江船艇科技有限公司 | Cabin gas tightness detecting system |
| CN116044386A (en) * | 2023-01-10 | 2023-05-02 | 煤炭科学技术研究院有限公司 | Inspection method and inspection equipment for gas drainage borehole sealing quality |
| US12140013B1 (en) | 2022-06-09 | 2024-11-12 | China Coal Technology & Engineering Group Shenyang Engineering Company | Sealing quality detection device and sealing quality evaluating method for gas extraction boreholes |
Citations (1)
| Publication number | Priority date | Publication date | Assignee | Title |
|---|---|---|---|---|
| CN101251030B (en) * | 2008-04-10 | 2011-06-08 | 中国矿业大学 | Secondary hole sealing method capable of improving coal bed drilling firedamp sucking concentration |
-
2012
- 2012-05-25 CN CN201210165896.XA patent/CN102680187B/en active Active
Patent Citations (1)
| Publication number | Priority date | Publication date | Assignee | Title |
|---|---|---|---|---|
| CN101251030B (en) * | 2008-04-10 | 2011-06-08 | 中国矿业大学 | Secondary hole sealing method capable of improving coal bed drilling firedamp sucking concentration |
Non-Patent Citations (2)
| Title |
|---|
| 国家安全生产监督管理总局: "《中华人民共和国安全生产行业标准》", 30 July 2007, 煤炭工业出版社 * |
| 苗六县,郑灵: ""三软"厚煤层瓦斯抽放方法研究", 《河南理工大学学报(自然科学版)》 * |
Cited By (12)
| Publication number | Priority date | Publication date | Assignee | Title |
|---|---|---|---|---|
| CN102900429A (en) * | 2012-09-27 | 2013-01-30 | 淮南矿业(集团)有限责任公司 | Device and method for inspecting gas drainage hole tightness |
| CN104792968A (en) * | 2015-04-14 | 2015-07-22 | 河南理工大学 | Drill hole blocking section dredging simulation test system and method |
| CN105114057A (en) * | 2015-07-31 | 2015-12-02 | 中国矿业大学 | System and method for intelligently detecting sealing quality of gas drainage borehole |
| CN105525941A (en) * | 2015-12-18 | 2016-04-27 | 湖南科技大学 | Method for improving stability of permanent gas extraction system of outburst mine |
| CN107101787A (en) * | 2017-05-26 | 2017-08-29 | 中国矿业大学 | A kind of mash gas pumping drilling device for detecting sealability and detection method |
| CN107101787B (en) * | 2017-05-26 | 2019-07-26 | 中国矿业大学 | A kind of mash gas pumping drilling device for detecting sealability and detection method |
| CN113027423A (en) * | 2021-01-21 | 2021-06-25 | 河南理工大学 | Device and method for detecting sealing performance of extraction plugging section of cross-layer drilling |
| CN113027423B (en) * | 2021-01-21 | 2023-09-22 | 河南理工大学 | A sealing detection device and method for the drainage and plugging section of cross-layer drilling holes |
| CN113758661A (en) * | 2021-09-08 | 2021-12-07 | 湖北三江船艇科技有限公司 | Cabin gas tightness detecting system |
| US12140013B1 (en) | 2022-06-09 | 2024-11-12 | China Coal Technology & Engineering Group Shenyang Engineering Company | Sealing quality detection device and sealing quality evaluating method for gas extraction boreholes |
| CN116044386A (en) * | 2023-01-10 | 2023-05-02 | 煤炭科学技术研究院有限公司 | Inspection method and inspection equipment for gas drainage borehole sealing quality |
| CN116044386B (en) * | 2023-01-10 | 2025-07-11 | 煤炭科学技术研究院有限公司 | Inspection methods and equipment for gas extraction borehole sealing quality |
Also Published As
| Publication number | Publication date |
|---|---|
| CN102680187B (en) | 2014-11-05 |
Similar Documents
| Publication | Publication Date | Title |
|---|---|---|
| CN102680187B (en) | Method and equipment for checking sealing quality of gas extraction drilled holes | |
| CN103411868B (en) | A kind of method of testing of Permeability Coefficent in Coal Seam | |
| CN106970001B (en) | Simulation test device and method for gas loss in shale gas content test | |
| CN107542486B (en) | Drilling gas extraction laboratory simulation method and sealing material method for testing tightness | |
| CN201857960U (en) | Device for directly measuring content of gas | |
| CN105067494A (en) | Permeability testing method and device based on radial percolation experiment | |
| CN114152510A (en) | Test device and test method for water-rich broken rock stratum moving water grouting reinforcement model | |
| CN104898178B (en) | A device and method for measuring the development degree of coal seam mining fractures | |
| CN104297128A (en) | Triaxial stress seepage experiment device under high pressure water and subpressure loading condition | |
| CN107515185A (en) | A coal permeability testing device and its application method | |
| CN207263399U (en) | A kind of multistation valve airtight detection apparatus | |
| CN104729969B (en) | Surrouding rock stress level of disruption test device | |
| CN203929557U (en) | A kind of gas bearing shale crack develops and seepage flow characteristics proving installation | |
| CN110108850A (en) | A kind of coal-bed gas pressure test macro and method based on drilling sampling actual measurement | |
| CN105301202B (en) | For determining the test system and method for testing of up-protective layer exploitation relief range | |
| CN104330835A (en) | Testing system for coal containing methane hybrid dynamic disaster working surface in predicting laboratory | |
| CN112727444B (en) | Visual hole sealing material crack plugging performance testing device and method | |
| CN107703031A (en) | A kind of air pressure driving loose media grouting simulation test device and test method | |
| CN104502546A (en) | Experimental device and method for detecting sealing performance of sealing material of gas drainage drilling hole | |
| CN104358559A (en) | Method for measuring effective coal-mine gas extraction radius | |
| CN206772775U (en) | Utilize the system of search gas test coal body permeability | |
| CN104614201A (en) | Method for measuring raw CO gas content of coal seam | |
| CN206832613U (en) | Simulation test device for gas loss in shale gas content test | |
| CN204571973U (en) | Novel descending hole capsule-pressure mucus sealing of hole draining pressure tester | |
| CN207194943U (en) | A kind of Drillhole gas pumping laboratory analog system |
Legal Events
| Date | Code | Title | Description |
|---|---|---|---|
| C06 | Publication | ||
| PB01 | Publication | ||
| C10 | Entry into substantive examination | ||
| SE01 | Entry into force of request for substantive examination | ||
| C14 | Grant of patent or utility model | ||
| GR01 | Patent grant |
