CN102672383A - 一种汽车车架焊接工装 - Google Patents
一种汽车车架焊接工装 Download PDFInfo
- Publication number
- CN102672383A CN102672383A CN2012100701286A CN201210070128A CN102672383A CN 102672383 A CN102672383 A CN 102672383A CN 2012100701286 A CN2012100701286 A CN 2012100701286A CN 201210070128 A CN201210070128 A CN 201210070128A CN 102672383 A CN102672383 A CN 102672383A
- Authority
- CN
- China
- Prior art keywords
- frame
- circular
- welding tooling
- automobile
- girder
- Prior art date
- Legal status (The legal status is an assumption and is not a legal conclusion. Google has not performed a legal analysis and makes no representation as to the accuracy of the status listed.)
- Pending
Links
- 238000003466 welding Methods 0.000 title claims abstract description 31
- 230000008878 coupling Effects 0.000 claims description 3
- 238000010168 coupling process Methods 0.000 claims description 3
- 238000005859 coupling reaction Methods 0.000 claims description 3
- 238000004519 manufacturing process Methods 0.000 abstract description 4
- 230000002950 deficient Effects 0.000 description 1
- 238000005516 engineering process Methods 0.000 description 1
- 238000000034 method Methods 0.000 description 1
- 239000007858 starting material Substances 0.000 description 1
- 239000003351 stiffener Substances 0.000 description 1
- 230000007306 turnover Effects 0.000 description 1
Images
Landscapes
- Body Structure For Vehicles (AREA)
Abstract
本发明公开了一种汽车车架焊接工装,包括两个外周设有轨道的圆形框架,所述圆形框架内设有上下支承架,所述上下支承架对称设置于圆形框架的中心水平剖面的上下两侧;两个圆形框架之间设有连接梁,两个圆形框架的下方设有与其外周辊道匹配的轨道轮,所述轨道轮设有动力驱动装置。本发明能轻松的将车架进行翻转,既方便了焊接操作、降低了焊接的劳动强度,又保证了焊接的质量、提高了工作效率、降低了生产成本。
Description
技术领域
本发明涉及汽车制造领域,具体涉及汽车车架焊接工装。
背景技术
汽车的车架主要由纵梁和横梁、边框、加强板、牵引板等部件构成,车架纵梁的横断面大多为工字型,是由上下翼端板焊接于腹板构成,在车架纵梁焊接好后,要将车架横梁、边框等部件焊接连接于纵梁组成车架。目前的焊接工装一般都是将车架搁置在平台上进行单面焊接,当焊接车架另一面时,则需要操作者立在车架下方实施焊接操作或将车架吊起翻转180度再焊另一面,焊接变形较大劳动强度和操作难度都较大,还存在着生产效率低的缺陷,同时往往会因此造成车架的焊接质量问题,影响车架的强度和承载能力,给企业造成不应有的经济损失。
发明内容
本发明要解决的技术问题是提供一种汽车车架焊接工装,不仅能实现工件较好的定位,而且可以实现工件360度范围任意翻转,减少焊接变形,降低操作者的劳动强度和操作难度。
本发明是通过以下技术方案实现的:
一种汽车车架焊接工装,包括两个外周设有轨道的圆形框架,所述圆形框架内设有上下支承架,所述上下支承架对称设置于圆形框架的中心水平剖面的上下两侧;两个圆形框架之间设有连接梁,两个圆形框架的下方设有与其外周辊道匹配的轨道轮,所述轨道轮设有动力驱动装置。
本发明进一步改进的技术方案是,上支承架上设有向下支承架方向的顶紧螺栓。
本发明更进一步改进的技术方案是,所述连接梁设有两组,每组设有两根,每组中的主梁对称设置于上下支承架外侧的圆形框架边部,其俯视投影垂直于支承架二分之一处。每组中的副梁设置于主梁同一侧的圆形框架边部,与主梁之间设有30-60度夹角。
本发明更进一步改进的技术方案是,其中一组的副梁大致中部位置呈断开状,断开缺口的长度大致为副梁长度的五分之一。
本发明更进一步改进的技术方案是,位于两根支承架一端之间的圆形框架的边框两端通过连接装置连接于相邻边框。
本发明更进一步改进的技术方案是,所述连接装置为这一段边框两端设有夹板,夹板夹于相邻边框端部,夹板以及相邻边框端部设有连接孔,用销或螺栓贯穿所述孔连接。
本发明更进一步改进的技术方案是,分别设置于两个圆形框架下方的轨道轮通过轴活动连接于底座上,位于圆形框架同一侧的轨道轮的轮轴与动力驱动装置的输出轴固联。
本发明与现有技术相比,具有如下优点:
焊接车架时,松开圆形框架的边框两端连接装置,用桁车将待焊车架吊起,平稳送入上下支承架之间并放在下支承架上,再转动顶紧螺栓将车架固定即可焊接。待车架上部焊好后,启动轨道轮的动力驱动装置(电机),轨道轮转动带动圆形框架转动至便于焊接的角度,车架随之作相应角度的翻转,再对其进行焊接。焊接中,如果有些部位离操作者较远,操作者可站在副梁上操作。
从上述本发明工作过程可知,本发明能轻松的将车架进行翻转,既方便了焊接操作、降低焊接的劳动强度,还可以丰富焊接工艺、保证焊接质量、减少焊接变形、降低生产成本。
附图说明
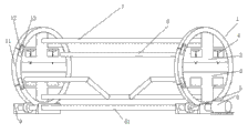
图1为本发明立体示意图。
具体实施方式
如图1所示,本发明包括两个外周设有轨道的圆形框架1,所述圆形框架1内设有上下支承架2、3,所述上下支承架2、3对称设置于圆形框架1的中心水平剖面的上下两侧。上支承架2上设有向下支承架3方向的顶紧螺栓4。两个圆形框架1的下方设有与其外周辊道匹配的轨道轮5,所述轨道轮5设有动力驱动装置6(在本实施例中,动力驱动装置为电机)。
仍如图1所示,两个圆形框架1之间设有连接梁,所述连接梁设有两组,每组设有两根,每组中的主梁7对称设置于上下支承架2、3外侧的圆形框架1边部,其俯视投影垂直于支承架二分之一处。每组中的副梁8设置于主梁7同一侧的圆形框架1边部,与主梁7之间设有45度夹角。其中一组的副梁大致中部位置呈断开状,断开缺口的长度大致为副梁长度的五分之一(便于吊装车架时,通过桁车的吊索)。
仍如图1所示,位于上下支承架2、3一端之间的圆形框架1的边框11两端通过连接装置连接于相邻边框。所述连接装置为这一段边框11两端设有夹板12,夹板12夹于相邻边框端部,夹板12以及相邻边框端部设有连接孔,用销或螺栓13贯穿所述孔连接。
仍如图1所示,分别设置于两个圆形框架1下方的轨道轮5通过轴51活动连接于底座9上,位于圆形框架1同一侧的轨道轮5的轮轴51与动力驱动装置6的输出轴固联。
进行车架焊接时,松开螺栓13、打开边框11,用吊车将待焊接车架吊运至上下支承架2、3之间并放置在下支承架上,用顶紧螺栓4顶紧,即可进行焊接。当车架上部焊好后,启动电机,轨道轮转动带动圆形框架1转动,将车架作360度范围内任意角度翻转焊接。操作者可站在副梁上进行焊接操作。
Claims (7)
1.一种汽车车架焊接工装,其特征在于:包括两个外周设有轨道的圆形框架,所述圆形框架内设有上下支承架,所述上下支承架对称设置于圆形框架的中心水平剖面的上下两侧;两个圆形框架之间设有连接梁,两个圆形框架的下方设有与其外周辊道匹配的轨道轮,所述轨道轮设有动力驱动装置。
2.如权利要求1所述的一种汽车车架焊接工装,其特征在于:上支承架上设有向下支承架方向的顶紧螺栓。
3.如权利要求1所述的一种汽车车架焊接工装,其特征在于:所述连接梁设有两组,每组设有两根,每组中的主梁对称设置于上下支承架外侧的圆形框架边部,其俯视投影垂直于支承架二分之一处;
每组中的副梁设置于主梁同一侧的圆形框架边部,与主梁之间设有30-60度夹角。
4.如权利要求3所述的一种汽车车架焊接工装,其特征在于:其中一组的副梁大致中部位置呈断开状,断开缺口的长度大致为副梁长度的五分之一。
5.如权利要求1所述的一种汽车车架焊接工装,其特征在于:位于两根支承架一端之间的圆形框架的边框两端通过连接装置连接于相邻边框。
6.如权利要求5所述的一种汽车车架焊接工装,其特征在于:所述连接装置为这一段边框两端设有夹板,夹板夹于相邻边框端部,夹板以及相邻边框端部设有连接孔,用销或螺栓贯穿所述孔连接。
7.如权利要求1所述的一种汽车车架焊接工装,其特征在于:分别设置于两个圆形框架下方的轨道轮通过轴活动连接于底座上,位于圆形框架同一侧的轨道轮的轮轴与动力驱动装置的输出轴固联。
Priority Applications (1)
| Application Number | Priority Date | Filing Date | Title |
|---|---|---|---|
| CN2012100701286A CN102672383A (zh) | 2012-03-16 | 2012-03-16 | 一种汽车车架焊接工装 |
Applications Claiming Priority (1)
| Application Number | Priority Date | Filing Date | Title |
|---|---|---|---|
| CN2012100701286A CN102672383A (zh) | 2012-03-16 | 2012-03-16 | 一种汽车车架焊接工装 |
Publications (1)
| Publication Number | Publication Date |
|---|---|
| CN102672383A true CN102672383A (zh) | 2012-09-19 |
Family
ID=46805291
Family Applications (1)
| Application Number | Title | Priority Date | Filing Date |
|---|---|---|---|
| CN2012100701286A Pending CN102672383A (zh) | 2012-03-16 | 2012-03-16 | 一种汽车车架焊接工装 |
Country Status (1)
| Country | Link |
|---|---|
| CN (1) | CN102672383A (zh) |
Cited By (4)
| Publication number | Priority date | Publication date | Assignee | Title |
|---|---|---|---|---|
| CN102825417A (zh) * | 2012-09-27 | 2012-12-19 | 无锡久一重工机械有限公司 | 标准节焊接电动夹具 |
| CN103302436A (zh) * | 2013-06-13 | 2013-09-18 | 无锡国电华新起重运输设备有限公司 | 一种用于腹板单向定位的夹具 |
| CN103949840A (zh) * | 2014-04-28 | 2014-07-30 | 湖南合力兴邦机械有限公司 | 车架翻转装置 |
| CN104097012A (zh) * | 2013-04-11 | 2014-10-15 | 南通中集顺达集装箱有限公司 | 翻转架 |
-
2012
- 2012-03-16 CN CN2012100701286A patent/CN102672383A/zh active Pending
Cited By (5)
| Publication number | Priority date | Publication date | Assignee | Title |
|---|---|---|---|---|
| CN102825417A (zh) * | 2012-09-27 | 2012-12-19 | 无锡久一重工机械有限公司 | 标准节焊接电动夹具 |
| CN104097012A (zh) * | 2013-04-11 | 2014-10-15 | 南通中集顺达集装箱有限公司 | 翻转架 |
| CN104097012B (zh) * | 2013-04-11 | 2015-12-23 | 南通中集顺达集装箱有限公司 | 翻转架 |
| CN103302436A (zh) * | 2013-06-13 | 2013-09-18 | 无锡国电华新起重运输设备有限公司 | 一种用于腹板单向定位的夹具 |
| CN103949840A (zh) * | 2014-04-28 | 2014-07-30 | 湖南合力兴邦机械有限公司 | 车架翻转装置 |
Similar Documents
| Publication | Publication Date | Title |
|---|---|---|
| CN102430906B (zh) | 货车转向架生产线专用龙门式枕架套装机械手 | |
| CN102672383A (zh) | 一种汽车车架焊接工装 | |
| CN113084415A (zh) | H型钢牛腿焊接系统 | |
| CN107160079A (zh) | 一种挂车车架组件拼装焊接系统的板材定位部件 | |
| CN107350699B (zh) | 一种焊接转运翻转变位装置及翻转焊接箱型梁的方法 | |
| CN105059319B8 (zh) | 一种铁路货车无天车检修生产线及其检修工艺 | |
| CN102009305A (zh) | 一种车架拼装生产线及其使用方法 | |
| CN111335182A (zh) | 轻便式独轨架桥机及架桥过程中钢柱、钢梁安装方法 | |
| CN202556005U (zh) | 一种汽车车架焊接工装 | |
| CN202239425U (zh) | 一种锻造出料两用机 | |
| CN203330628U (zh) | 自卸车车厢翻转机 | |
| CN202571696U (zh) | 桥梁板单元摇摆式反变形焊接夹具 | |
| CN104070321A (zh) | 机车端部车梁组焊转位装置 | |
| CN201473274U (zh) | 一种屋面板运输系统 | |
| CN210655085U (zh) | 翻转设备 | |
| CN204998516U (zh) | 动车构架升降翻转设备 | |
| CN202317830U (zh) | 一种翻转机 | |
| CN202754616U (zh) | 一种对焊钢筋传输助力装置 | |
| CN203566175U (zh) | 一种铁路罐车翻转装置 | |
| CN201042756Y (zh) | 一种起重机主梁翻转机 | |
| CN213614869U (zh) | 一种车体钢结构专用焊接装置 | |
| CN204957663U (zh) | 一种钢板转运轨道车 | |
| CN211733694U (zh) | 窄轨矿车维修装置 | |
| CN221720461U (zh) | 牵引杆翻转机 | |
| CN207205701U (zh) | 一种钢制安全壳封头板翻转装置 |
Legal Events
| Date | Code | Title | Description |
|---|---|---|---|
| C06 | Publication | ||
| PB01 | Publication | ||
| C02 | Deemed withdrawal of patent application after publication (patent law 2001) | ||
| WD01 | Invention patent application deemed withdrawn after publication |
Application publication date: 20120919 |