CN102368628A - Intelligent balance device of power batteries of electric vehicle - Google Patents

Intelligent balance device of power batteries of electric vehicle Download PDF

Info

Publication number
CN102368628A
CN102368628A CN2011103798240A CN201110379824A CN102368628A CN 102368628 A CN102368628 A CN 102368628A CN 2011103798240 A CN2011103798240 A CN 2011103798240A CN 201110379824 A CN201110379824 A CN 201110379824A CN 102368628 A CN102368628 A CN 102368628A
Authority
CN
China
Prior art keywords
circuit
module
battery pack
transformer
switch pipe
Prior art date
Legal status (The legal status is an assumption and is not a legal conclusion. Google has not performed a legal analysis and makes no representation as to the accuracy of the status listed.)
Granted
Application number
CN2011103798240A
Other languages
Chinese (zh)
Other versions
CN102368628B (en
Inventor
梁一桥
刘大亮
倪斌
Current Assignee (The listed assignees may be inaccurate. Google has not performed a legal analysis and makes no representation or warranty as to the accuracy of the list.)
Zhejiang Fute Technology Co ltd
Original Assignee
HANGZHOU FUTE TECHNOLOGY CO LTD
Priority date (The priority date is an assumption and is not a legal conclusion. Google has not performed a legal analysis and makes no representation as to the accuracy of the date listed.)
Filing date
Publication date
Application filed by HANGZHOU FUTE TECHNOLOGY CO LTD filed Critical HANGZHOU FUTE TECHNOLOGY CO LTD
Priority to CN 201110379824 priority Critical patent/CN102368628B/en
Publication of CN102368628A publication Critical patent/CN102368628A/en
Application granted granted Critical
Publication of CN102368628B publication Critical patent/CN102368628B/en
Expired - Fee Related legal-status Critical Current
Anticipated expiration legal-status Critical

Links

Images

Landscapes

  • Charge And Discharge Circuits For Batteries Or The Like (AREA)

Abstract

本发明涉及一种电动汽车动力电池智能均衡装置。采样模块与电池组相连,采集电池组中各个单体电池的电压、温度等信息;智能控制模块根据采集模块的采样值判断电池组在充电或放电时各个单体电池的荷电状态是否在规定的平衡范围内,控制驱动模块对低电压单体电池进行充电或对高电压单体电池进行放电;驱动模块对智能控制模块输出的控制信号进行隔离和放大;均衡模块实现电池组和单体电池之间能量的交换,每个单体电池对应一个均衡单元。本发明能够对电动汽车动力电池组进行主动无损均衡,均衡电流大、效率高、损失小,能够快速有效地使单体电池状态不平衡的电池组达到比较平衡的状态,提高了整组电池的实际使用容量,延长了电池组的使用寿命。

The invention relates to an intelligent balancing device for a power battery of an electric vehicle. The sampling module is connected to the battery pack to collect information such as the voltage and temperature of each single battery in the battery pack; the intelligent control module judges whether the state of charge of each single battery is within the specified range when the battery pack is charging or discharging according to the sampling value of the collection module. Within the balance range, the control drive module charges the low-voltage single battery or discharges the high-voltage single battery; the drive module isolates and amplifies the control signal output by the intelligent control module; the balance module realizes the balance between the battery pack and the single battery The exchange of energy between each single battery corresponds to a balancing unit. The present invention can carry out active non-destructive equalization on the electric vehicle power battery pack, the equalization current is large, the efficiency is high, and the loss is small, and the battery pack with the unbalanced state of the single battery can be quickly and effectively brought to a relatively balanced state, and the safety of the whole battery pack is improved. The actual use capacity prolongs the service life of the battery pack.

Description

Electric automobile power battery intelligent equalization device
Technical field
The invention belongs to initiatively balanced field of electric automobile power battery group, be specially a kind of electric automobile power battery intelligent equalization device.
Background technology
It is all very high that power lithium-ion battery is compared its energy quality density, energy bulk density and power density than conventional batteries, so it is used more and more widely.In the electric automobile power battery field, lithium ion battery is considered to the current electrokinetic cell that application prospect is arranged most with its excellent performance.The monomer voltage of current power lithium-ion battery is that 3.2V, capacity are tens of ampere-hours to ampere-hours up to a hundred.In practical application, lithium battery generally wants serial or parallel connection to use, to provide with many energy and bigger power.Because lithium ion battery parameter such as its capacity and internal resistance in manufacture process has inconsistency, in use this inconsistency can be more and more obvious.In the battery set charge/discharge process, when the overtension of any cell, can cause the charging of whole Battery pack is stopped, the discharge that in discharge process, when the brownout of any cell, can cause putting in order Battery pack stops.This shows that if the cell in the battery pack is unbalanced the use capacity of so whole Battery pack can reduce greatly.If can not get improving the life-span of battery pack, also can shorten greatly this state.
Summary of the invention
To the problem that exists in the prior art, the object of the present invention is to provide a kind of technical scheme of electric automobile power battery intelligent equalization device.
Described electric automobile power battery intelligent equalization device is made up of sampling module, intelligent control module, driver module, balance module, it is characterized in that:
Sampling module links to each other with battery pack, gathers the information of voltage, temperature, connection status and the battery pack current of each cell in the battery pack;
Intelligent control module is made up of microcontroller, input circuit and output circuit; Input circuit connects acquisition module; Give microcontroller with the transfer of data that collects, output circuit links to each other with driver module, and the control signal of microcontroller is transferred to driver module; Control signal is the high-frequency PWM signal; This control signal is through the isolation of driver module and amplify after-appliedly to the power switch pipe of balance module, and judges that according to the sampled value of acquisition module control and driving module is charged to the low-voltage cell or the high voltage cell is discharged in the battery pack range of balance that whether state-of-charge of each cell is being stipulated when the charge or discharge;
Driver module is connected between intelligent control module and the balance module, and the control signal of intelligent control module output is isolated and amplified;
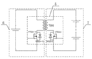
Balance module links to each other with battery pack; Balanced unit by several same is formed; The corresponding balanced unit of each cell, each balanced unit is formed by an electronic transformer T, two power switch pipe VT, two fly-wheel diode VD and protective circuit.
Described electric automobile power battery intelligent equalization device; It is characterized in that of the electromagnetic isolation effect of described balanced unit according to electronic transformer; Balanced unit is divided into transformer former limit circuit and transformer secondary circuit; Connect and constitute the former limit of transformer circuit with a power switch pipe, a cell in the former limit of electronic transformer; The electronic transformer secondary is connected with another power switch pipe, battery pack and is constituted the transformer secondary circuit, equal fly-wheel diode of reverse parallel connection on each power switch pipe.
Described electric automobile power battery intelligent equalization device; The ground that it is characterized in that the power switch pipe of the former limit of described each transformer circuit links to each other with the negative pole of cell; The ground of power switch pipe that is the former limit of each transformer circuit is all independent; The former limit of the transformer of each balanced unit circuit all connects a signal isolation circuit and a signal power amplifying circuit, and isolation method adopts photoelectricity to isolate or electromagnetic isolation.
Described electric automobile power battery intelligent equalization device is characterized in that the former limit of the transformer circuit of described each balanced unit all connects a power isolation module.
Described electric automobile power battery intelligent equalization device; The transformer secondary circuit that it is characterized in that described each balanced unit all is connected in parallel; One end of circuit is connected with the positive pole of battery pack; The other end is connected with the negative pole of battery pack, and promptly the ground of the power switch pipe of the transformer secondary circuit of each balanced unit all is the negative pole of battery pack.
Described electric automobile power battery intelligent equalization device is characterized in that the driving of the power switch pipe of described transformer secondary circuit has dual mode:
1) adopt non-isolation method: the ground of battery pack directly links to each other with the ground of intelligent control module, and the control signal of intelligent control module directly is applied on the power switch pipe of transformer secondary circuit through signal amplification circuit;
2) adopt isolation method: the ground of battery pack is not connected with the ground of intelligent control module; The control signal of intelligent control module is after-applied to the power switch pipe of transformer secondary circuit through the Signal Spacing amplifying circuit, and isolation method adopts photoelectricity to isolate or electromagnetic isolation.
Described electric automobile power battery intelligent equalization device; The control signal that it is characterized in that described intelligent control module when not enough, connects the common source isolation module of a transformer secondary drive circuit through the after-applied driving power to the power switch pipe of transformer secondary circuit of Signal Spacing amplifying circuit.
Described electric automobile power battery intelligent equalization device; It is characterized in that the former limit of the transformer circuit in each balanced unit all will be provided with protective circuit; Protective circuit comprises overvoltage crowbar, current foldback circuit and thermal-shutdown circuit; Wherein overvoltage crowbar is parallelly connected with power switch pipe, and current foldback circuit is connected with power switch pipe.
Described electric automobile power battery intelligent equalization device; It is characterized in that the transformer secondary circuit in each balanced unit all will be provided with protective circuit; Protective circuit comprises overvoltage crowbar, current foldback circuit and thermal-shutdown circuit; Wherein overvoltage crowbar is parallelly connected with power switch pipe, and current foldback circuit is connected with power switch pipe.
Described electric automobile power battery intelligent equalization device is characterized in that described fly-wheel diode can be replaced by diode in the body of MOSFET.
The present invention can carry out the active non-dissipative equalizing to the electric automobile power battery group; Euqalizing current is big, efficient is high, loss is little; Can fast and effeciently make the unbalanced battery pack of cell state reach the state of comparison balance; Improve the actual use capacity of whole Battery pack, prolonged the useful life of battery pack.
Description of drawings
Fig. 1 is an intelligent equalization device block diagram;
Fig. 2 is a balanced unit in the balance module;
Fig. 3 is transformer former limit circuit and a drive circuit thereof in each balanced unit;
Fig. 4 is transformer secondary circuit and a drive circuit scheme one thereof in each balanced unit;
Fig. 5 is transformer secondary circuit and a drive circuit scheme two thereof in each balanced unit;
Among the figure: 1-acquisition module, 2-intelligent control module, 3-driver module, 4-balance module; The 5-balanced unit, the former limit of 6-transformer circuit, 7-transformer secondary circuit; The former limit of 8-transformer driver module, the non-isolation drive module of 9-transformer secondary, 10-transformer secondary isolation drive module.
Embodiment
Below in conjunction with Figure of description the present invention is further specified:
As shown in Figure 1, electric automobile power battery intelligent equalization device is made up of sampling module 1, intelligent control module 2, driver module 3, balance module 4,
Sampling module 1 links to each other with battery pack, gathers the information such as voltage, temperature, connection status and battery pack current of each cell in the battery pack;
Intelligent control module 2 is made up of microcontroller, input circuit and output circuit; Input circuit connects acquisition module; Give microcontroller with the transfer of data that collects, output circuit links to each other with driver module, and the control signal of microcontroller is transferred to driver module; Control signal is the high-frequency PWM signal; This control signal is through the isolation of driver module and amplify after-appliedly to the power switch pipe of balance module, and judges that according to the sampled value of acquisition module control and driving module is charged to the low-voltage cell or the high voltage cell is discharged in the battery pack range of balance that whether state-of-charge of each cell is being stipulated when the charge or discharge;
Driver module 3 is connected between intelligent control module and the balance module, and the control signal of intelligent control module output is isolated and amplified;
Balance module 4 links to each other with battery pack; Form by several same balanced unit 5; The corresponding balanced unit of each cell, each balanced unit 5 is formed by an electronic transformer T, two power switch pipe VT, two fly-wheel diode VD and protective circuit;
Charger is batteries charging or battery pack powering load.
Wherein, Driver module 3 is divided into the former limit of transformer driver module 8 and transformer secondary driver module; The former limit of transformer driver module 8 is made up of signal isolation circuit and signal power amplifying circuit; The corresponding power switch pipe of each signal isolation circuit and signal power amplifying circuit, only when driving power was not enough, the former limit of the transformer of each balanced unit circuit all connected a power isolation module again; Transformer secondary driver module is divided into two kinds; Form the non-isolation drive module 9 of transformer secondary by signal amplification circuit when adopting non-isolation method; The corresponding power switch pipe of each signal amplification circuit; Form transformer secondary isolation drive module 10 by the Signal Spacing amplifying circuit when adopting isolation method; The corresponding power switch pipe of each Signal Spacing amplifying circuit; When the after-applied driving power to the power switch pipe of transformer secondary circuit of control signal process Signal Spacing amplifying circuit of intelligent control module is not enough, connect the common source isolation module of a transformer secondary drive circuit again, the common source isolation module of this transformer secondary drive circuit is that a plurality of power switch pipes of transformer secondary are shared.
As shown in Figure 2; The core that exchanges between cell and battery pack as energy with electronic transformer; Electromagnetic isolation effect according to electronic transformer; Can balanced unit be divided into the former limit of transformer circuit 6 and transformer secondary circuit 7, connect and constitute the former limit of transformer circuit 6 with a power switch pipe, a cell in the former limit of electronic transformer, and the electronic transformer secondary is connected with another power switch pipe, battery pack and constituted transformer secondary circuit 7; Equal fly-wheel diode of reverse parallel connection on each power switch pipe, this fly-wheel diode also can be replaced by diode in the body of MOSFET.
Particularly, according to shown in Figure 1, cell quantity is N, for display circuit principle directly perceived with the in the battery pack n(
Figure 2011103798240100002DEST_PATH_IMAGE002
) be mapped to the circuit left side individual cell mirror image, as shown in Figure 2, the nIndividual balanced unit is made up of the protective circuit of electronic transformer T (n), power switch pipe VT (2n-1), fly-wheel diode VD (2n-1), power switch pipe VT (2n), fly-wheel diode VD (2n) and power switch pipe.The former limit of electronic transformer T (n) winding, VT (2n-1) and cell cell (n) form series loop, and VD (2n-1) is parallelly connected with VT (2n-1), and the circuit that links to each other with the former limit of transformer winding is called the former limit of transformer circuit; Electronic transformer T (n) secondary winding, VT (2n) and battery pack are formed series loop, and VD (2n) is parallelly connected with VT (2n), and the circuit that links to each other with transformer secondary winding is called the transformer secondary circuit.Parallelly connected with battery pack again after each balanced unit series connection.
As shown in Figure 3; The ground of the power switch pipe of the former limit of each transformer circuit 6 links to each other with the negative pole of cell; The ground of power switch pipe that is the former limit of each transformer circuit is all independent, and the former limit of the transformer of each balanced unit circuit all connects a signal isolation circuit and signal power amplifying circuit, and isolation method adopts photoelectricity isolation or electromagnetic isolation; If driving power must add insulating power supply inadequately, this moment, the former limit of the transformer circuit of each balanced unit all connected a power isolation module.
The transformer secondary circuit 7 of each balanced unit all is connected in parallel, and an end of circuit is connected with the positive pole of battery pack, and the other end is connected with the negative pole of battery pack, and promptly the ground of the power switch pipe of the transformer secondary circuit of each balanced unit all is the negative pole of battery pack.At this moment, the driving of the power switch pipe of transformer secondary circuit has dual mode:
1) adopt non-isolation method: the ground of battery pack directly links to each other with the ground of intelligent control module, and the control signal of intelligent control module directly is applied on the power switch pipe of transformer secondary circuit (as shown in Figure 4) through signal amplification circuit;
2) adopt isolation method: the ground of battery pack is not connected with the ground of intelligent control module; The control signal of intelligent control module is after-applied to the power switch pipe of transformer secondary circuit through the Signal Spacing amplifying circuit; Isolation method adopts photoelectricity to isolate or electromagnetic isolation; When driving power is not enough, need to connect the common source isolation module (as shown in Figure 5) of a transformer secondary drive circuit.
Because power switch pipe is connected in the inductive circuit; Therefore transformer former limit circuit and the transformer secondary circuit in each balanced unit all will be provided with protective circuit; Protective circuit comprises overvoltage crowbar, current foldback circuit and thermal-shutdown circuit; Wherein overvoltage crowbar is parallelly connected with power switch pipe, and current foldback circuit is connected with power switch pipe.
The characteristics of balance module are as the core of carrying out energy exchange between cell and the battery pack with electronic transformer.When the power switch pipe of the former limit of the transformer of balanced unit circuit was driven, just to the cell discharge of series connection with it, the energy of emitting fed back to whole battery group; When the power switch pipe of the transformer secondary circuit of balanced unit is driven, the cell charging of the former limit of the transformer circuit that transformer just connects balanced unit therewith, rechargeable energy derives from battery pack.This balance module can fill (benefit) electricity or discharge to a plurality of cells simultaneously, and balanced efficient is high; Duty ratio through control PWM can be controlled the size of euqalizing current, and control flexibly.
Concrete balanced principle is as shown in Figure 2, when the nDuring the overtension of individual cell; After the sampling of process sampling module and the calculating of intelligent control module; Electronic transformer T (n) the former limit power switch VT (2n-1) of the balanced unit that just cell therewith is connected applies the PWM drive signal; VT (2n-1) is open-minded when the PWM drive signal of VT (2n-1) is high level; Cell, the former limit of transformer winding, VT (2n-1) form series circuit, and this moment, cell charged to transformer, and the chemical energy of battery is converted into magnetic field energy and is stored in the transformer; When the PWM drive signal of VT (2n-1) be stored in during for low level magnetic field energy in the transformer through the circuit formed by transformer secondary winding, battery pack, VD (2n) to batteries charging.Balanced unit is worked according to the cyclic variation of PWM again and again, and the energy of this cell just is transferred in the whole battery group like this, and the state-of-charge of whole Battery pack tends to balance.
When nDuring the brownout of individual cell; After the sampling of process sampling module and the calculating of control module; Electronic transformer T (n) the secondary power switch VT (2n) of the balanced unit that just cell therewith is connected applies the PWM drive signal, and VT (2n) is open-minded when the PWM drive signal of VT (2n) is high level, and battery pack, transformer secondary winding, VT (2n) form series circuit; This moment, battery pack was charged to transformer, and the chemical energy of battery pack is converted into magnetic field energy and is stored in the transformer; When the PWM drive signal of VT (2n) was low level, the magnetic field energy that is stored in the transformer charged to cell through the circuit of being made up of the former limit of transformer winding, cell, VD (2n-1).Balanced unit is worked according to the cyclic variation of PWM again and again, and the energy of this battery pack just is transferred in the low cell of state-of-charge like this, and the state-of-charge of whole Battery pack tends to balance.
The turn ratio of the former limit winding of electronic transformer and secondary winding is 1:N in each balanced unit, and N is a cell number in the battery pack.Suppose that the former limit of transformer winding to the average discharge current of cell does I 1 , then transformer secondary winding to the charging current of battery pack does I 1 / N; In like manner, suppose that the former limit of transformer winding to the mean charging current of cell does I 2 , then transformer secondary winding to the discharging current of battery pack does I 2 / N.Hence one can see that, and the cell with the former limit of transformer windings in series in each balance module can have very big charging current I 1 And discharging current I 2 , balancing speed is fast.Separate between each balanced unit, can carry out charge balancing or equalization discharge to a plurality of batteries simultaneously, balanced efficient is high.
When only consideration realized equilibrium through cell is discharged, the power switch pipe VT (2n) of transformer secondary circuit can save, and only keeps VD (2n).
When only consideration realized equilibrium through cell is charged, the power switch pipe VT (2n-1) of the former limit of transformer circuit can save, and only keeps VD (2n-1).
Can control the size of euqalizing current through the duty ratio of control pwm signal.When duty ratio increased, balanced average current increased, and average current balanced when duty ratio reduces reduces.The duty ratio of equalizing circuit can not be higher than 0.5.
Because power switch pipe is connected in the inductive circuit, need add protective circuit, wherein voltage protection circuit need be parallelly connected with power switch pipe, and current foldback circuit need be connected with power switch pipe.Also need add overheating protection circuit, protective circuit can be taked various ways.

Claims (10)

1. electric automobile power battery intelligent equalization device is made up of sampling module, intelligent control module, driver module, balance module, it is characterized in that:
Sampling module links to each other with battery pack, gathers the information of voltage, temperature, connection status and the battery pack current of each cell in the battery pack;
Intelligent control module is made up of microcontroller, input circuit and output circuit; Input circuit connects acquisition module; Give microcontroller with the transfer of data that collects, output circuit links to each other with driver module, and the control signal of microcontroller is transferred to driver module; Control signal is the high-frequency PWM signal; This control signal is through the isolation of driver module and amplify after-appliedly to the power switch pipe of balance module, and judges that according to the sampled value of acquisition module control and driving module is charged to the low-voltage cell or the high voltage cell is discharged in the battery pack range of balance that whether state-of-charge of each cell is being stipulated when the charge or discharge;
Driver module is connected between intelligent control module and the balance module, and the control signal of intelligent control module output is isolated and amplified;
Balance module links to each other with battery pack; Balanced unit by several same is formed; The corresponding balanced unit of each cell, each balanced unit is formed by an electronic transformer T, two power switch pipe VT, two fly-wheel diode VD and protective circuit.
2. electric automobile power battery intelligent equalization device according to claim 1; It is characterized in that of the electromagnetic isolation effect of described balanced unit according to electronic transformer; Balanced unit is divided into transformer former limit circuit and transformer secondary circuit; Connect and constitute the former limit of transformer circuit with a power switch pipe, a cell in the former limit of electronic transformer; The electronic transformer secondary is connected with another power switch pipe, battery pack and is constituted the transformer secondary circuit, equal fly-wheel diode of reverse parallel connection on each power switch pipe.
3. electric automobile power battery intelligent equalization device according to claim 2; The ground that it is characterized in that the power switch pipe of the former limit of described each transformer circuit links to each other with the negative pole of cell; The ground of power switch pipe that is the former limit of each transformer circuit is all independent; The former limit of the transformer of each balanced unit circuit all connects a signal isolation circuit and a signal power amplifying circuit, and isolation method adopts photoelectricity to isolate or electromagnetic isolation.
4. electric automobile power battery intelligent equalization device according to claim 3 is characterized in that the former limit of the transformer circuit of described each balanced unit all connects a power isolation module.
5. electric automobile power battery intelligent equalization device according to claim 2; The transformer secondary circuit that it is characterized in that described each balanced unit all is connected in parallel; One end of circuit is connected with the positive pole of battery pack; The other end is connected with the negative pole of battery pack, and promptly the ground of the power switch pipe of the transformer secondary circuit of each balanced unit all is the negative pole of battery pack.
6. electric automobile power battery intelligent equalization device according to claim 5 is characterized in that the driving of the power switch pipe of described transformer secondary circuit has dual mode:
1) adopt non-isolation method: the ground of battery pack directly links to each other with the ground of intelligent control module, and the control signal of intelligent control module directly is applied on the power switch pipe of transformer secondary circuit through signal amplification circuit;
2) adopt isolation method: the ground of battery pack is not connected with the ground of intelligent control module; The control signal of intelligent control module is after-applied to the power switch pipe of transformer secondary circuit through the Signal Spacing amplifying circuit, and isolation method adopts photoelectricity to isolate or electromagnetic isolation.
7. electric automobile power battery intelligent equalization device according to claim 6; The control signal that it is characterized in that described intelligent control module when not enough, connects the common source isolation module of a transformer secondary drive circuit through the after-applied driving power to the power switch pipe of transformer secondary circuit of Signal Spacing amplifying circuit.
8. according to claim 2 or 3 or 4 described electric automobile power battery intelligent equalization devices; It is characterized in that the former limit of the transformer circuit in each balanced unit all will be provided with protective circuit; Protective circuit comprises overvoltage crowbar, current foldback circuit and thermal-shutdown circuit; Wherein overvoltage crowbar is parallelly connected with power switch pipe, and current foldback circuit is connected with power switch pipe.
9. according to claim 2 or 5 or 6 or 7 described electric automobile power battery intelligent equalization devices; It is characterized in that the transformer secondary circuit in each balanced unit all will be provided with protective circuit; Protective circuit comprises overvoltage crowbar, current foldback circuit and thermal-shutdown circuit; Wherein overvoltage crowbar is parallelly connected with power switch pipe, and current foldback circuit is connected with power switch pipe.
10. electric automobile power battery intelligent equalization device according to claim 2 is characterized in that described fly-wheel diode can be replaced by diode in the body of MOSFET.
CN 201110379824 2011-11-25 2011-11-25 Intelligent balance device of power batteries of electric vehicle Expired - Fee Related CN102368628B (en)

Priority Applications (1)

Application Number Priority Date Filing Date Title
CN 201110379824 CN102368628B (en) 2011-11-25 2011-11-25 Intelligent balance device of power batteries of electric vehicle

Applications Claiming Priority (1)

Application Number Priority Date Filing Date Title
CN 201110379824 CN102368628B (en) 2011-11-25 2011-11-25 Intelligent balance device of power batteries of electric vehicle

Publications (2)

Publication Number Publication Date
CN102368628A true CN102368628A (en) 2012-03-07
CN102368628B CN102368628B (en) 2013-09-18

Family

ID=45761182

Family Applications (1)

Application Number Title Priority Date Filing Date
CN 201110379824 Expired - Fee Related CN102368628B (en) 2011-11-25 2011-11-25 Intelligent balance device of power batteries of electric vehicle

Country Status (1)

Country Link
CN (1) CN102368628B (en)

Cited By (17)

* Cited by examiner, † Cited by third party
Publication number Priority date Publication date Assignee Title
CN103607004A (en) * 2013-11-12 2014-02-26 珠海朗尔电气有限公司 Storage battery packet bidirectional lossless equalization and pulse activation system
CN103812153A (en) * 2012-11-12 2014-05-21 芜湖宏宇汽车电子有限责任公司 Active balance type BMS control module and control method for new energy automobile
CN103904754A (en) * 2014-04-23 2014-07-02 武汉市欧力普能源与自动化技术有限公司 DC/DC convertor circuit for bi-directional modular high-power battery equalization
CN104242394A (en) * 2014-09-23 2014-12-24 重庆星联云科科技发展有限公司 Active equalization circuit and equalization method of series batteries
CN104582797A (en) * 2012-07-10 2015-04-29 德尔格安全股份两合公司 Blower filter system for battery operation in areas at risk of explosion
CN104659877A (en) * 2015-01-28 2015-05-27 杭州高特电子设备有限公司 Isolation double-way constant-current maintaining system based on power supply of common equipment
CN105644475A (en) * 2015-09-07 2016-06-08 深圳太研能源科技有限公司 Emergency start-up device and emergency start-up method
CN105656142A (en) * 2016-03-10 2016-06-08 北京航空航天大学 Charge and discharge active equalization circuit of lithium-ion power battery pack
CN106849235A (en) * 2017-02-13 2017-06-13 山东谦恒电子科技有限公司 A kind of equalizing circuit and control method
CN107658935A (en) * 2017-10-20 2018-02-02 广州金升阳科技有限公司 A kind of battery detection and equalizing system and its control method
CN108494039A (en) * 2018-04-02 2018-09-04 惠州三华工业有限公司 Stand-by power supply battery management system
CN108879834A (en) * 2018-06-27 2018-11-23 深圳天邦达科技有限公司 The two-way active equalization circuit of battery
CN110120694A (en) * 2019-04-24 2019-08-13 国网浙江省电力有限公司绍兴供电公司 Super capacitor Intelligent balancing device
CN113954693A (en) * 2021-10-11 2022-01-21 暨南大学 A lithium battery balance control method, system and storage medium
CN114750610A (en) * 2022-04-15 2022-07-15 苏州凯毅斯智能驱动技术有限公司 A kind of electric motorcycle lithium battery pack series networking and independent single pack use method
US11552482B2 (en) 2019-11-15 2023-01-10 Ford Global Technologies, Llc Hybrid cell balancing for high voltage battery packs
CN118263944A (en) * 2024-03-04 2024-06-28 中国石油大学(华东) A balanced management architecture for energy storage systems

Citations (4)

* Cited by examiner, † Cited by third party
Publication number Priority date Publication date Assignee Title
US6356055B1 (en) * 2000-07-11 2002-03-12 Industrial Technology Research Institute Cell voltage balancer
CN1641966A (en) * 2004-01-14 2005-07-20 财团法人工业技术研究院 Equalization circuit for battery packs in series
CN101162792A (en) * 2006-10-12 2008-04-16 三星Sdi株式会社 Battery management system and driving method thereof
CN102163854A (en) * 2011-02-23 2011-08-24 中航锂电(洛阳)有限公司 Charge-discharge equalizing circuit of multi-monomer tandem dynamic lithium battery

Patent Citations (4)

* Cited by examiner, † Cited by third party
Publication number Priority date Publication date Assignee Title
US6356055B1 (en) * 2000-07-11 2002-03-12 Industrial Technology Research Institute Cell voltage balancer
CN1641966A (en) * 2004-01-14 2005-07-20 财团法人工业技术研究院 Equalization circuit for battery packs in series
CN101162792A (en) * 2006-10-12 2008-04-16 三星Sdi株式会社 Battery management system and driving method thereof
CN102163854A (en) * 2011-02-23 2011-08-24 中航锂电(洛阳)有限公司 Charge-discharge equalizing circuit of multi-monomer tandem dynamic lithium battery

Cited By (26)

* Cited by examiner, † Cited by third party
Publication number Priority date Publication date Assignee Title
CN104582797A (en) * 2012-07-10 2015-04-29 德尔格安全股份两合公司 Blower filter system for battery operation in areas at risk of explosion
CN110075441A (en) * 2012-07-10 2019-08-02 德尔格安全股份两合公司 For using the air blower filtration system of battery operation in the explosion danger area
US10190590B2 (en) 2012-07-10 2019-01-29 Dräger Safety AG & Co, KGaA Battery-operated blower filter system for use in potentially explosive areas
CN103812153B (en) * 2012-11-12 2018-05-18 芜湖宏宇汽车电子有限责任公司 New-energy automobile active balancing formula BMS control modules and its control method
CN103812153A (en) * 2012-11-12 2014-05-21 芜湖宏宇汽车电子有限责任公司 Active balance type BMS control module and control method for new energy automobile
CN103607004A (en) * 2013-11-12 2014-02-26 珠海朗尔电气有限公司 Storage battery packet bidirectional lossless equalization and pulse activation system
CN103607004B (en) * 2013-11-12 2016-08-17 珠海朗尔电气有限公司 The two-way non-dissipative equalizing of accumulator battery and pulse activated system
CN103904754A (en) * 2014-04-23 2014-07-02 武汉市欧力普能源与自动化技术有限公司 DC/DC convertor circuit for bi-directional modular high-power battery equalization
CN104242394A (en) * 2014-09-23 2014-12-24 重庆星联云科科技发展有限公司 Active equalization circuit and equalization method of series batteries
CN104659877A (en) * 2015-01-28 2015-05-27 杭州高特电子设备有限公司 Isolation double-way constant-current maintaining system based on power supply of common equipment
CN105644475A (en) * 2015-09-07 2016-06-08 深圳太研能源科技有限公司 Emergency start-up device and emergency start-up method
CN105644475B (en) * 2015-09-07 2018-11-13 深圳太研能源科技有限公司 Emergency starting device and emergency starting method
CN105656142A (en) * 2016-03-10 2016-06-08 北京航空航天大学 Charge and discharge active equalization circuit of lithium-ion power battery pack
CN105656142B (en) * 2016-03-10 2018-02-23 北京航空航天大学 A kind of charging/discharging active equalization circuit for lithium ion power battery pack
CN106849235A (en) * 2017-02-13 2017-06-13 山东谦恒电子科技有限公司 A kind of equalizing circuit and control method
CN107658935A (en) * 2017-10-20 2018-02-02 广州金升阳科技有限公司 A kind of battery detection and equalizing system and its control method
CN108494039B (en) * 2018-04-02 2024-03-22 惠州三华工业有限公司 Standby power supply battery management system
CN108494039A (en) * 2018-04-02 2018-09-04 惠州三华工业有限公司 Stand-by power supply battery management system
CN108879834A (en) * 2018-06-27 2018-11-23 深圳天邦达科技有限公司 The two-way active equalization circuit of battery
CN110120694A (en) * 2019-04-24 2019-08-13 国网浙江省电力有限公司绍兴供电公司 Super capacitor Intelligent balancing device
US11552482B2 (en) 2019-11-15 2023-01-10 Ford Global Technologies, Llc Hybrid cell balancing for high voltage battery packs
CN113954693A (en) * 2021-10-11 2022-01-21 暨南大学 A lithium battery balance control method, system and storage medium
CN114750610A (en) * 2022-04-15 2022-07-15 苏州凯毅斯智能驱动技术有限公司 A kind of electric motorcycle lithium battery pack series networking and independent single pack use method
CN114750610B (en) * 2022-04-15 2025-05-02 苏州凯毅斯智能驱动技术有限公司 A method for connecting a lithium battery pack of an electric motorcycle in series and using it as an independent single pack
CN118263944A (en) * 2024-03-04 2024-06-28 中国石油大学(华东) A balanced management architecture for energy storage systems
WO2025185497A1 (en) * 2024-03-04 2025-09-12 中国石油大学(华东) Equalization management architecture for energy storage system

Also Published As

Publication number Publication date
CN102368628B (en) 2013-09-18

Similar Documents

Publication Publication Date Title
CN102368628B (en) Intelligent balance device of power batteries of electric vehicle
CN102684263B (en) Series battery equalization circuit based on symmetrical multi-winding transformer structure and control method applied to same
CN102122836B (en) Charging/discharging active equalization circuit for lithium ion power battery pack
CN107294174B (en) Battery monomer and battery pack equalization circuit structure and method
CN106532852B (en) Battery pack balancing circuit based on LC series energy storage
CN108134414B (en) Modular equalization circuit and equalization mode thereof
CN105140998B (en) The two-way non-dissipative equalizing circuit of series battery based on inductive energy storage
CN101976876A (en) Device and method for equalizing batteries in charging process
CN102593893A (en) System for realizing balanced discharging of battery sets
CN103457325A (en) Direct-type lithium ion battery lossless equilibration circuit and equilibration control method
CN202564995U (en) Multichannel battery pack charge-discharge control device
CN110649337A (en) A Novel Cell-to-Cell Modular Balance Circuit and Control Method for New Li-ion Battery Based on Single Inductor
CN109066846A (en) Equalizing circuit structure and method between a kind of modular battery
CN102751757A (en) Lithium ion battery pack electricity quantity equalization method and system
CN107154656B (en) Device and method for balancing electric quantity among battery packs
CN102832667A (en) Charge-discharge equalizer circuit based on inductive energy storage for series battery pack
CN102684259A (en) High-ageing non-energy-consumption constant-current equalizing system and method of battery pack
CN102832666A (en) Inductive energy storage based series battery pack discharging balancing circuit
CN202333889U (en) Intelligent balancing device for power battery of electric vehicle
CN206461401U (en) Inductive type balancing control circuit
CN210607522U (en) A Novel Cell-to-Cell Modular Balancing Circuit for Lithium-Ion Batteries Based on Single Inductor
CN204068357U (en) A kind of 4 joint series battery Bidirectional charging-discharging equalizing circuits
CN206797153U (en) The electric quantity balancing device between multiple cells in battery pack
CN104201732B (en) Bi-directional charging-discharging equalization circuit with series connection battery pack consisting of four battery modules
CN110120694A (en) Super capacitor Intelligent balancing device

Legal Events

Date Code Title Description
C06 Publication
PB01 Publication
C10 Entry into substantive examination
SE01 Entry into force of request for substantive examination
C14 Grant of patent or utility model
GR01 Patent grant
C56 Change in the name or address of the patentee
CP03 Change of name, title or address

Address after: Xihu District Xiyuan nine 310030 Hangzhou Road, Zhejiang province No. 6 Building 7 layer five layer

Patentee after: HANGZHOU EV-TECH CO.,LTD.

Address before: Hangzhou City, Zhejiang province Gongshu District 310011 Xiang Fu Zhen Kong Jia Dai Cun 160, No. 161 Building 1 Room 201

Patentee before: HANGZHOU EV-TECH CO.,LTD.

CP01 Change in the name or title of a patent holder

Address after: 310030 first floor - fifth floor, building 7, No. 6, Xiyuan ninth Road, Xihu District, Hangzhou City, Zhejiang Province

Patentee after: Zhejiang Fute Technology Co.,Ltd.

Address before: 310030 first floor - fifth floor, building 7, No. 6, Xiyuan ninth Road, Xihu District, Hangzhou City, Zhejiang Province

Patentee before: HANGZHOU EV-TECH Co.,Ltd.

CP01 Change in the name or title of a patent holder
CF01 Termination of patent right due to non-payment of annual fee

Granted publication date: 20130918

CF01 Termination of patent right due to non-payment of annual fee