CN102366889A - Automatic high-speed precision numerical control machine tool for cutting spherical surface - Google Patents
Automatic high-speed precision numerical control machine tool for cutting spherical surface Download PDFInfo
- Publication number
- CN102366889A CN102366889A CN2011102792321A CN201110279232A CN102366889A CN 102366889 A CN102366889 A CN 102366889A CN 2011102792321 A CN2011102792321 A CN 2011102792321A CN 201110279232 A CN201110279232 A CN 201110279232A CN 102366889 A CN102366889 A CN 102366889A
- Authority
- CN
- China
- Prior art keywords
- saddle
- control machine
- main shaft
- carriage
- direct
- Prior art date
- Legal status (The legal status is an assumption and is not a legal conclusion. Google has not performed a legal analysis and makes no representation as to the accuracy of the status listed.)
- Granted
Links
Images
Landscapes
- Turning (AREA)
- Machine Tool Units (AREA)
Abstract
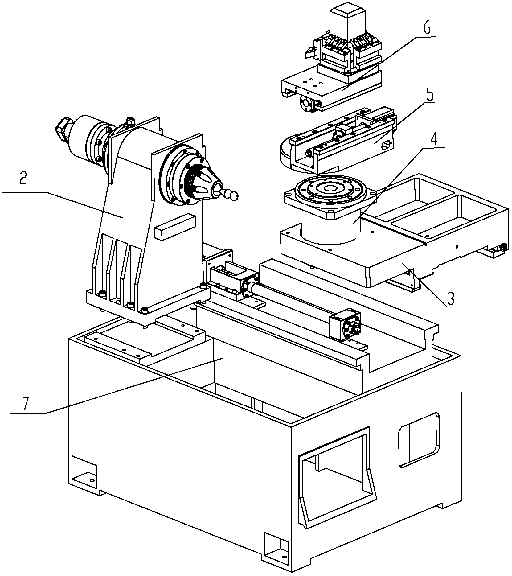
提供一种用于球面切削的高速精密自动化数控机床,具有底座,底座上部一侧设有主轴装置,底座上部位于主轴装置同一侧安装有沿主轴装置的主轴轴线作直线往复运动的床鞍拖板装置,床鞍拖板装置上设置有直驱型力矩电机回转台装置且直驱型力矩电机回转台装置的回转轴线与主轴装置的回转轴线在空间绝对相交,直驱型力矩电机回转台装置上端与回转鞍座装置连接且带动回转鞍座装置绕直驱型力矩电机回转台装置的轴线作旋转往复运动,回转鞍座装置上端安装有沿与主轴装置的主轴轴线垂直的作直线往复运动的刀架拖板装置,刀架拖板装置的直线运动和回转鞍座装置的回转运动构成对工件的切削运动使夹持在主轴装置前端的工件被切削为正球形。
Provided is a high-speed precision automatic numerical control machine tool for spherical cutting, which has a base, a spindle device is provided on one side of the upper part of the base, and a saddle carriage for rectilinear reciprocating motion along the spindle axis of the spindle device is installed on the upper part of the base on the same side of the spindle device device, the saddle carriage device is provided with a direct-drive torque motor turntable device and the rotation axis of the direct-drive torque motor turntable device and the rotation axis of the spindle device are absolutely intersected in space, and the upper end of the direct-drive torque motor turntable device Connect with the rotary saddle device and drive the rotary saddle device to rotate and reciprocate around the axis of the direct-drive torque motor rotary table device. The frame carriage device, the linear motion of the tool holder carriage device and the rotary motion of the rotary saddle device constitute the cutting motion to the workpiece so that the workpiece clamped at the front end of the spindle device is cut into a true spherical shape.
Description
技术领域 technical field
本发明涉及机床制造技术领域,具体涉及一种用于球面切削的高速精密自动化数控机床。The invention relates to the technical field of machine tool manufacturing, in particular to a high-speed precision automatic numerical control machine tool for spherical cutting.
背景技术 Background technique
在洁具、汽车等行业经常会遇到对轮廓度要求在2μm、光洁度要求0.4μm高精密球形零件,依据以往的传统加工条件,像这类零件往往需要经过普车粗车----旋风铣球(或普通数控车车球)----数控旋风磨削球面----手工抛光等好几道工序,即便过程控制很严,还是次品率和废品率都比较高,并且由于加工过程繁琐,工作效率也不高,追其主要原因有两点:一是数控车床加工球形是依据数控插补原理,众所周知数控插补就是构成平面坐标的两个伺服轴根据加工的平面几何要素交替进给形成需要的外形,正是由于两轴交替进给所以形成的球面曲线其实是由许多小折线构成,并且普通数控车加工球面需要一种圆弧刀具,而加工过程中刀具的切削点由于要和加工的球面曲线始终相切,所以刀具上切削点其实是不停的改变,这就要求刀具外形要严格控制,而目前刀具的精度由于种种因素,根本达不到这么高的精度要求,球面两端的倒角无法用圆弧刀具车出,需调头加工;二是球面旋风磨削时,被修整成形的两个或多个砂条与加工球面接触,若是修整成形的砂条和工件的圆心不重合就会造成圆度下降,并且砂条脱粒快,每次修整砂条根本磨削不了几件工件,市场上成熟的球面磨床也只能达到5μm的精度,整体而言精度和效率都不尽人意,上述缺陷使得球面零件的加工及应用受到了很大的局限,因此有必要改进。In industries such as sanitary ware and automobiles, high-precision spherical parts that require a contour of 2 μm and a smoothness of 0.4 μm are often encountered. According to the traditional processing conditions in the past, such parts often need to be roughed by ordinary cars----whirlwind milling Ball (or ordinary CNC car ball)----CNC whirlwind grinding spherical surface----Manual polishing and other processes, even if the process control is very strict, the defective rate and scrap rate are relatively high, and due to the processing It is cumbersome and the work efficiency is not high. There are two main reasons: one is that the CNC lathe processes the spherical shape according to the principle of CNC interpolation. To form the required shape, it is precisely because of the alternate feeding of the two axes that the spherical curve formed is actually composed of many small broken lines, and ordinary CNC lathes require an arc tool to process the spherical surface, and the cutting point of the tool in the process needs to be cut. It is always tangent to the processed spherical curve, so the cutting point on the tool is actually constantly changing, which requires strict control of the shape of the tool, and the accuracy of the current tool cannot meet such high precision requirements due to various factors. The chamfers at both ends cannot be turned with arc tools, and need to be turned around for processing; the second is that during spherical cyclone grinding, two or more sand bars to be trimmed are in contact with the processed spherical surface. If the trimmed sand bars and the center of the workpiece are Miscoincidence will cause roundness to drop, and the sand bars are threshing fast. Each time the sand bars are trimmed, they can’t grind a few workpieces. The mature spherical grinding machines on the market can only achieve 5μm accuracy. Overall, the accuracy and efficiency are not good. Satisfactorily, the above-mentioned defects have greatly limited the processing and application of spherical parts, so it is necessary to improve.
发明内容 Contents of the invention
本发明解决的技术问题:提供一种用于球面切削的高速精密自动化数控机床,使两轴车床在插补切削中所引起的圆弧不规整及加工步骤繁琐现象得到根本解决,实现了球面零件加工时的高精度、高效率,且传动时噪音低,有效提高了工作效率,解决了球面零件加工时较难实现高圆度的技术难题。The technical problem solved by the present invention is to provide a high-speed precision automatic CNC machine tool for spherical cutting, so that the irregular arc and complicated processing steps caused by the interpolation cutting of the two-axis lathe are fundamentally solved, and the spherical parts are realized. High precision and high efficiency during processing, and low noise during transmission, which effectively improves work efficiency and solves the technical problem that it is difficult to achieve high roundness when processing spherical parts.
本发明采用的技术方案:用于球面切削的高速精密自动化数控机床,具有底座,所述底座上部一侧设有主轴装置,底座上部位于主轴装置同一侧安装有沿主轴装置的主轴轴线作直线往复运动的床鞍拖板装置,所述床鞍拖板装置上设置有直驱型力矩电机回转台装置且直驱型力矩电机回转台装置的回转轴线与主轴装置的回转轴线在空间绝对相交,所述直驱型力矩电机回转台装置上端与回转鞍座装置连接且带动回转鞍座装置绕直驱型力矩电机回转台装置的轴线作旋转往复运动,所述回转鞍座装置上端安装有沿与主轴装置的主轴轴线垂直的作直线往复运动的刀架拖板装置,所述刀架拖板装置的直线运动和回转鞍座装置的回转运动构成对工件的切削运动使夹持在主轴装置前端的工件被切削为正球形。The technical solution adopted in the present invention: a high-speed precision automatic numerical control machine tool for spherical cutting, with a base, the upper side of the base is provided with a main shaft device, and the upper part of the base is located on the same side of the main shaft device and is installed with a linear reciprocating machine along the main shaft axis of the main shaft device A moving saddle carriage device, the saddle carriage device is provided with a direct-drive torque motor turntable device and the rotation axis of the direct-drive torque motor turntable device and the rotation axis of the spindle device intersect absolutely in space, so The upper end of the direct drive torque motor turntable device is connected to the rotary saddle device and drives the rotary saddle device to rotate and reciprocate around the axis of the direct drive torque motor turntable device. The main shaft axis of the device is perpendicular to the tool post carriage device that performs linear reciprocating motion. The linear motion of the tool post carriage device and the rotary motion of the rotary saddle device constitute the cutting motion of the workpiece so that the workpiece clamped at the front end of the main shaft device It is cut into a true spherical shape.
其中,所述直驱型力矩电机回转台装置包括回转台壳体和转台轴体,所述转台轴体上端用YRT轴承支撑在回转台壳体内,转台轴体下端用轴承支撑,转台轴体上套装电机转子,电机定子设置在回转台壳体内,所述转台轴体上端与回转鞍座装置固定连接。Wherein, the direct-drive torque motor turntable device includes a turntable housing and a turntable shaft, the upper end of the turntable shaft is supported in the turntable housing by a YRT bearing, and the lower end of the turntable shaft is supported by a bearing. The rotor of the motor is set, the stator of the motor is arranged in the casing of the turntable, and the upper end of the shaft body of the turntable is fixedly connected with the rotary saddle device.
进一步地,所述回转台壳体下端固定连接下支撑座且下支撑座将转台轴体下端封闭,回转台壳体上端与上支撑座固定连接,所述转台轴体下端安装有限制轴承轴向位移的卡簧和用于提高回转工作台分度精度的光栅。Further, the lower end of the turntable housing is fixedly connected to the lower support base and the lower support base closes the lower end of the turntable shaft body, the upper end of the turntable housing is fixedly connected to the upper support base, and the lower end of the turntable shaft body is installed with a limit bearing axial Displacement circlip and grating used to improve the indexing accuracy of the rotary table.
其中,所述刀架拖板装置包括小拖板和四工位刀塔,所述四工位刀塔固定在小拖板上,所述回转鞍座包括X向鞍座、X向导轨和X向滚珠丝杠,所述X向导轨固定在X向鞍座上,所述X向滚珠丝杠采用单支撑结构设置在X向鞍座上,X向滚珠丝杠一端通过X向联轴器与伺服电机软连接,X向滚珠丝杠另一端与设置在小拖板底部中间的X向螺母旋合构成X轴运动副。Wherein, the tool holder carriage device includes a small carriage and a four-station turret, the four-station turret is fixed on the small carriage, and the rotary saddle includes an X-direction saddle, an X-direction rail and an X-direction rail. The X-direction guide rail is fixed on the X-direction saddle, the X-direction ball screw adopts a single support structure and is arranged on the X-direction saddle, and one end of the X-direction ball screw is connected to the X-direction shaft coupling The servo motor is softly connected, and the other end of the X-direction ball screw is screwed with the X-direction nut set in the middle of the bottom of the small carriage to form an X-axis motion pair.
其中,所述主轴装置包括床头箱、空心主轴和回转油缸,所述空心主轴采用前三后二的角接触轴承结构支承在床头箱上,所述空心主轴前端连接有无套夹头座,空心主轴后端与回转油缸固定连接,空心主轴内孔中穿有拉杆,所述拉杆一端与回转油缸的活塞杆连接,拉杆另一端与夹持工件的弹簧夹头连接,所述空心主轴上套装有电主轴转子,电主轴定子设置在床头箱内。Wherein, the main shaft device includes a bed head box, a hollow main shaft and a rotary oil cylinder, and the hollow main shaft is supported on the bed head box by using an angular contact bearing structure of three front and two rear, and the front end of the hollow main shaft is connected with a sleeveless chuck seat , the rear end of the hollow main shaft is fixedly connected with the rotary oil cylinder, and a tie rod is pierced in the inner hole of the hollow main shaft. The electric spindle rotor is set in the suit, and the electric spindle stator is arranged in the bedside box.
其中,所述床鞍拖板装置包括大拖板,所述底座上安装大拖板的一侧设有Z向导轨,所述大拖板导轨面和Z向导轨配合,所述大拖板通过安装在其底端中间的螺母和安装在底座上的Z轴滚珠丝杆旋和构成Z轴运动副。Wherein, the saddle carriage device includes a large carriage, and the side of the base on which the large carriage is installed is provided with a Z guide rail, and the guide rail surface of the large carriage cooperates with the Z guide rail, and the large carriage passes through The nut installed in the middle of its bottom end and the Z-axis ball screw installed on the base rotate and constitute the Z-axis kinematic pair.
进一步地,所述Z轴滚珠丝杆采用两端固定方式支撑在底座上,Z轴滚珠丝杆一端通过联轴器和伺服电机弹性连接,Z轴滚珠丝杆另一端与安装在大拖板底端中间的螺母旋合。Further, the Z-axis ball screw is supported on the base by two fixed ends, one end of the Z-axis ball screw is elastically connected to the servo motor through a coupling, and the other end of the Z-axis ball screw is connected to the bottom of the large pallet. The nut in the middle of the end is screwed together.
进一步地,所述大拖板导轨面粘贴塑带I后与Z向导轨贴合,大拖板导轨面还设有可以限制大拖板上下间隙的大拖板左压板和大拖板右压板,在大拖板导轨面的内侧设有长楔铁并用大调整螺钉限制大拖板左右间隙。Further, the guide rail surface of the large pallet is bonded with the Z guide rail after pasting the plastic tape I, and the guide rail surface of the large pallet is also provided with a left pressure plate of the large pallet and a right pressure plate of the large pallet that can limit the upper and lower gaps of the large pallet. A long wedge iron is provided on the inner side of the guide rail surface of the large pallet, and a large adjustment screw is used to limit the left and right clearance of the large pallet.
进一步地,所述小拖板导轨面粘贴塑带II后与X向导轨贴合,所述小拖板导轨面还设有可以限制小拖板上下间隙的小拖板左压板和小拖板右压板,在小拖板导轨面的内侧设有短楔铁并用小调整螺钉限制小托板左右间隙。Further, the guide rail surface of the small pallet is pasted with the plastic tape II and bonded to the X guide rail, and the guide rail surface of the small pallet is also provided with a small pallet left pressure plate and a small pallet right The pressing plate is provided with a short wedge iron on the inner side of the guide rail surface of the small pallet and uses small adjustment screws to limit the left and right gap of the small pallet.
进一步地,所述四工位刀塔上安装车刀,或者同时安装滚压刀具或光整刀具。Further, a turning tool is installed on the four-station turret, or a rolling tool or a finishing tool is installed at the same time.
本发明与现有技术相比的优点:Advantage of the present invention compared with prior art:
1、直驱型力矩电机回转台机构和四工位刀架的应用可以将原来需要在不同机床上进行的精车工艺、挤光工艺只需要在本机床上一次完成,并且球形的加工精度大幅度提升,省却了磨削球面的工艺,从而使得球体的加工工艺缩短,效率提高;1. The application of the direct-drive torque motor rotary table mechanism and the four-station tool holder can complete the finishing process and extrusion process that originally needed to be carried out on different machine tools at one time on this machine tool, and the spherical machining accuracy is large. The amplitude is improved, which saves the process of grinding the spherical surface, so that the processing technology of the sphere is shortened and the efficiency is improved;
2、主轴采用电主轴结构,缩短了传动链,省却了电机通过皮带轮和皮带传动的结构,大幅降低传动噪音,提高了传动精度和转速;2. The main shaft adopts the electric main shaft structure, which shortens the transmission chain, saves the structure of the motor passing through the pulley and the belt, greatly reduces the transmission noise, and improves the transmission accuracy and speed;
3、回转台应用最为先进的直驱技术,并搭配YRT转台轴承,可以使转台没有反向间隙,能承受较大的切削载荷,并且省略原来通过伺服电机驱动精密行星轮减速器,再由精密行星轮减速器驱动转台的结构,缩短了传动链,大幅度提高分度定位精度。动态刚性的提高更利于切削加工。3. The turntable adopts the most advanced direct drive technology and is equipped with YRT turntable bearings, so that the turntable has no backlash and can withstand large cutting loads, and the precision planetary gear reducer driven by the servo motor is omitted, and then the precision The structure of the turntable driven by the planetary gear reducer shortens the transmission chain and greatly improves the indexing and positioning accuracy. The improvement of dynamic rigidity is more conducive to cutting process.
附图说明 Description of drawings
图1为本发明结构爆炸图;Fig. 1 is the exploded diagram of structure of the present invention;
图2为本发明拆去油缸连接器和小托板后结构示意图;Fig. 2 is a schematic diagram of the structure of the present invention after removing the oil cylinder connector and the small supporting plate;
图3为本发明结构主视图;Fig. 3 is a front view of the structure of the present invention;
图4为本发明结构俯视图;Fig. 4 is a top view of the structure of the present invention;
图5为本发明结构左视图;Fig. 5 is a left view of the structure of the present invention;
图6为本发明结构右视图;Fig. 6 is a right view of the structure of the present invention;
图7为图4的A-A剖视图;Fig. 7 is A-A sectional view of Fig. 4;
图8为图4的B-B剖视图;Fig. 8 is the B-B sectional view of Fig. 4;
图9为图3的C-C剖视图。FIG. 9 is a sectional view along line C-C of FIG. 3 .
具体实施方式 Detailed ways
下面结合附图1、2、3、4、5、6、7、8、9描述本发明的一种实施例。A kind of embodiment of the present invention is described below in conjunction with accompanying
用于球面切削的高速精密自动化数控机床,具有底座7,所述底座7上部一侧设有主轴装置2,底座7上部位于主轴装置2同一侧安装有沿主轴装置2的主轴轴线作直线往复运动的床鞍拖板装置3,所述床鞍拖板装置3上设置有直驱型力矩电机回转台装置4且直驱型力矩电机回转台装置4的回转轴线与主轴装置2的回转轴线在空间绝对相交,所述直驱型力矩电机回转台装置4上端与回转鞍座装置5连接且带动回转鞍座装置5绕直驱型力矩电机回转台装置4的轴线作旋转往复运动,所述回转鞍座装置5上端安装有沿与主轴装置2的主轴轴线垂直的作直线往复运动的刀架拖板装置6,所述刀架拖板装置6的直线运动和回转鞍座装置5的回转运动构成对工件51的切削运动使夹持在主轴装置2前端的工件51被切削为正球形。A high-speed precision automatic CNC machine tool for spherical cutting, with a
所述直驱型力矩电机回转台装置4包括回转台壳体96和转台轴体95,所述转台轴体95上端用YRT轴承99支撑在回转台壳体96内,转台轴体95下端用轴承100支撑,转台轴体95上套装电机转子106,电机定子107设置在回转台壳体96内,所述转台轴体95上端与回转鞍座装置5固定连接。所述回转台壳体96下端固定连接下支撑座94且下支撑座94将转台轴体95下端封闭,回转台壳体96上端与上支撑座93固定连接,所述转台轴体95下端安装有限制轴承100轴向位移的卡簧105和用于提高回转工作台分度精度的光栅98。具体来说,回转台壳体96内过盈热装有DD电机定子107,直驱型力矩电机回转台4的回转台为了提高精度和刚性,转台轴体95上端支撑选用的是YRT轴承99,转台轴体95外径与YRT轴承99内孔配合安装,用丝圈I102压紧锁死,YRT轴承99外径与上支撑座93配合,并用螺钉97与之固定。上支撑座93通过螺钉49和回转台壳体96连接。唇形密封101内圈套在上支撑座93外圆上,唇形密封101外径与X向鞍座73固定,起到回转密封的作用。转台轴体95的中间过盈热装有电机转子106。轴承100内径与转台轴体95配合,轴承100外径与下支撑座94配合,下支撑座94通过螺钉103与回转台壳体96连接固定。转台轴体95的下端头安装有卡簧105,用来限制轴承100的轴向位移。为了提高回转工作台的分度精度,在转台轴体95上热粘合套装有高分辨率的光栅98。The direct-drive torque motor turntable device 4 includes a
所述刀架拖板装置6包括小拖板58和四工位刀塔71,所述四工位刀塔71固定在小拖板58上,所述回转鞍座5包括X向鞍座73、X向导轨77和X向滚珠丝杠78,所述X向导轨77固定在X向鞍座73上,所述X向滚珠丝杠78采用单支撑结构设置在X向鞍座73上,X向滚珠丝杠78一端通过X向联轴器81与伺服电机79软连接,X向滚珠丝杠78另一端与设置在小拖板58底部中间的X向螺母64旋合构成X轴运动副。所述小拖板58导轨面粘贴塑带II66后与X向导轨77贴合,所述小拖板58导轨面还设有可以限制小拖板58上下间隙的小拖板左压板59和小拖板右压板60,在小拖板58导轨面的内侧设有短楔铁62并用小调整螺钉109限制小托板58左右间隙。所述四工位刀塔71上安装车刀72,或者安装滚压刀具或光整刀具。具体说,X向鞍座73与转台轴体95上端配合,用六颗螺钉18与之固定。X向导轨77采用淬火镶钢导轨。淬火的X向导轨77左右各用6颗螺钉110与X向鞍座73连接。X向滚珠丝杠78采用单支撑结构,X向电机座74用四颗螺钉84固定连接在X向鞍座73上。X向滚珠丝杠78的支撑部分依次套装有平垫76和轴承组82,所述轴承组82内圈用丝圈II80压紧锁死,轴承组82外圈与X向电机座74配合,同时用小压环75和螺钉83压紧锁死。X向滚珠丝杠78的左端端头装有X向联轴器81,与伺服电机79输出轴软连接,同时通过螺钉67将伺服电机79与X向电机座74固定连接。小托板58的导轨面粘贴有塑带II66与X向鞍座73上的X向导轨77贴合,配和小拖板左压板59和小拖板右压板60限制小托板58上下间隙,同时用小调整螺钉109调节短楔铁62可以限制小托板58的左右间隙。所述小托板58的底部中间用螺钉68固定有X向螺母座61,与X向滚珠丝杆78旋和的X向螺母64通过X向螺母调整垫63和4颗螺钉69就固定配合安装在其内孔中。内藏式四工位刀塔71通过四颗螺钉110固定在小托板58上,车刀72就装夹在内藏式四工位刀塔71的刀夹位置。同时还可以在内藏式四工位刀塔71装夹如滚压刀具等光整工具或刀具。The tool holder carriage device 6 includes a
所述主轴装置包括床头箱27、空心主轴28和回转油缸42,所述主轴装置用6个螺钉57与底座7连接,所述空心主轴28采用前三后二的角接触轴承结构支承在床头箱27上,所述空心主轴28前端连接有无套夹头座37,空心主轴28后端与回转油缸42固定连接,空心主轴28内孔中穿有拉杆39,所述拉杆39一端与回转油缸42的活塞杆连接,拉杆39另一端与夹持工件51的弹簧夹头38连接,所述空心主轴28上套装有电主轴转子45,电主轴定子44设置在床头箱27内。具体说,主轴装置采用大功率内置式主轴电机,支撑部分采用前三后二的角接触轴承结构,主轴的刚性和高速性得到根本上的提高,同时主轴的噪音也不会超过60dB。所述的床头箱27内套装有电主轴定子44。所述的电主轴定子44的电缆是穿过连接在床头箱27上的电缆接头43通到主轴外面,以便连线之用。空心主轴28前支撑部分依次套装前轴承组32、内调隙环33、外调隙环34和前隔环25,前轴承组32内圈用丝圈III41压紧锁死,前轴承组32外圈与前套筒22内孔配合,并用轴承盖29和螺钉112压紧锁死。轴承盖29的右端面槽内安装有O形圈53与前套筒22的端面贴实,防止外界切削液进入到轴承室。前套筒22外圆配合床头箱27内孔,用螺钉49与之连接。这样就构成前支撑部分。空心主轴28中间位置过盈热套装电主轴转子45,同时用键47止转。紧靠着电主轴转子45左端面依次在空心主轴28后支撑部分套装有平衡环24、后轴承组35、隔环26、编码器46和油缸连接器31。后轴承组35内圈用丝圈IV40压紧锁死,后轴承组35外圈和后套筒23内孔间隙配合,后套筒23的外圆和床头箱27内孔配合,用螺钉50与之连接。后套筒23的左端面用螺钉54固定安装有编码器46。所述油缸连接器31用键48止转,至此后支撑部分构成。主轴的夹持系统主要依靠中实回转油缸42的活塞拉紧和松开实现。过度盘36通过螺钉56和中实回转油缸42连接,所述油缸连接器31通过螺钉55把过度盘36和中实回转油缸42连接。空心主轴28前端用螺钉52连接有无套夹头座37,同时用传动销30和螺钉20拨转传递动力。空心主轴28内孔中穿有拉杆39,拉杆39左端与中实回转油缸42的活塞杆连接,右端与弹簧夹头38连接,弹簧夹头38夹持有工件51。The main shaft device includes a bed head box 27, a hollow main shaft 28 and a
所述床鞍拖板装置3包括大拖板85,所述底座7上安装大拖板85的一侧设有Z向导轨108,所述大拖板85导轨面和Z向导轨108配合,所述大拖板85通过安装在其底端中间的螺母90和安装在底座7上的Z轴滚珠丝杆13旋和构成Z轴运动副。所述Z轴滚珠丝杆13采用两端固定方式支撑在底座7上,Z轴滚珠丝杆13一端通过联轴器15和伺服电机14弹性连接,Z轴滚珠丝杆13另一端与安装在大拖板85底端中间的螺母90旋合。所述大拖板85导轨面粘贴塑带I92后与Z向导轨108贴合,大拖板85导轨面还设有可以限制大拖板85上下间隙的大拖板左压板87和大拖板右压板86,在大拖板85导轨面的内侧设有长楔铁91并用大调整螺钉65限制大拖板85左右间隙。Z轴滚珠丝杆13的左端支撑面上依次套装有:两列丝杆支撑轴承17,固定端垫环10,支撑轴承17内圈用螺母16压紧锁死,支撑轴承17外圈一端和Z向电机支座8的内孔配合,所述的Z向电机支座8用四颗螺钉21固定在底座7上,支撑轴承17外圈另一端用压环11和四颗螺钉113压紧锁死。Z轴滚珠丝杆13的右端支撑面上依次套装有:轴肩垫环114,两列丝杆支撑轴承17,右端垫环115,支撑轴承17内圈用螺母16压紧锁死,支撑轴承17外圈和Z向轴承座9内孔配合用右压环116和四颗螺钉117压紧锁死。为了防止铁削进入到右端轴承中,在Z向轴承座9的左端面上用螺钉118固定有防尘环119。所述Z向轴承座9用四颗螺钉19固定在底座7上。所述和Z轴滚珠丝杆13旋和的Z向螺母90通过Z向螺母座88和Z向螺母调整垫89用螺钉50安装固定在大拖板85上。所述Z轴滚珠丝杆13的左端端头套装有联轴器15和伺服电机14弹性连接,伺服电机用螺钉18固定在Z向电机支座8上。所述与Z向滚珠丝杆13旋和的Z向螺母90配合安装在Z向螺母座88内孔中,并通过螺钉1固定。The saddle carriage device 3 includes a large carriage 85, the side of which the large carriage 85 is installed on the
传动加工原理:空心主轴28由电主轴定子44通电驱动主轴轴体旋转,夹持有工件51的弹簧夹头38和无套夹头座37因为和主轴固定连接所以也和主轴一起高速旋转。空心主轴28的夹持系统主要依靠中实回转油缸42的活塞杆拉紧和松开实现。中实回转油缸42的活塞前后移动时,带动与之相连的拉杆39也前后移动,由于拉杆39的右端连接弹簧夹头38,所以弹簧夹头38也可以前后移动,但由于无套夹头座37限制了弹簧夹头38的移动,弹簧夹头38的内孔向内收缩夹紧工件51。实际加工时,Z向运动并不参加实际的切削运动,他的作用主要是调整直驱型力矩电机回转台4的Z向运动,以保证加工工件51水平投影的回转中心和直驱型力矩电机回转台4回转中心重合。Z向运动的驱动依靠伺服电机14驱动,其输出轴上设置有Z向联轴器15和Z轴滚珠丝杆13软连接,Z向螺母90通过Z向螺母调整垫89与大拖板85固定,与Z轴滚珠丝杆13旋和,当伺服电机14旋转时就可以拖动大拖板85做Z向的前后移动。直驱型力矩电机回转台4的运动相对简单,它是由大力距的直驱型力矩电机作为旋转的动力来源,由于在切削中,直驱型力矩电机回转台4是实际参加切削的单元,所有的切削阻力都会由直驱型力矩电机回转台4来承担,所以机床选取了高达150N.M力矩的直驱型力矩电机回转台4以及YRT轴承99来承担切削力。X向的前后运动,在切削中主要起着调整工件51直球径大小的作用。为了既能承担切削力又能精密精确进给,选取了双导程的微距滚珠丝杆78,可以有效的保证切削顺畅,X向的前后运动主要依靠伺服电机79驱动,所述伺服电机79输出轴上设置有X向联轴器81和X轴滚珠丝杆78软连接,X向螺母61通过X向螺母调整垫63与小拖板58固定并与X轴滚珠丝杆78旋和。当伺服电机79旋转时,驱动X轴滚珠丝杆78,与之旋和的X向螺母64是固定的,所以拖动小拖板58做前后运动,由于小拖板58上面固定有内藏式四工位刀塔71,所以装夹在内藏式四工位刀塔71上的车刀72也跟着运动,实现调整工件直球径大小的作用。Transmission processing principle: the hollow spindle 28 is powered by the electric spindle stator 44 to drive the spindle shaft body to rotate, and the
上述实施例,只是本发明的较佳实施例,并非用来限制本发明实施范围,故凡以本发明权利要求所述内容所做的等效变化,均应包括在本发明权利要求范围之内。The foregoing embodiments are only preferred embodiments of the present invention, and are not intended to limit the scope of the present invention, so all equivalent changes made with the contents of the claims of the present invention should be included within the scope of the claims of the present invention .
Claims (10)
Priority Applications (1)
| Application Number | Priority Date | Filing Date | Title |
|---|---|---|---|
| CN 201110279232 CN102366889B (en) | 2011-09-21 | 2011-09-21 | Automatic high-speed precision numerical control machine tool for cutting spherical surface |
Applications Claiming Priority (1)
| Application Number | Priority Date | Filing Date | Title |
|---|---|---|---|
| CN 201110279232 CN102366889B (en) | 2011-09-21 | 2011-09-21 | Automatic high-speed precision numerical control machine tool for cutting spherical surface |
Publications (2)
| Publication Number | Publication Date |
|---|---|
| CN102366889A true CN102366889A (en) | 2012-03-07 |
| CN102366889B CN102366889B (en) | 2013-08-14 |
Family
ID=45759501
Family Applications (1)
| Application Number | Title | Priority Date | Filing Date |
|---|---|---|---|
| CN 201110279232 Expired - Fee Related CN102366889B (en) | 2011-09-21 | 2011-09-21 | Automatic high-speed precision numerical control machine tool for cutting spherical surface |
Country Status (1)
| Country | Link |
|---|---|
| CN (1) | CN102366889B (en) |
Cited By (12)
| Publication number | Priority date | Publication date | Assignee | Title |
|---|---|---|---|---|
| CN102873343A (en) * | 2012-09-07 | 2013-01-16 | 新昌县三维精工机械有限公司 | Spherical automatic machine tool |
| CN103481105A (en) * | 2013-09-27 | 2014-01-01 | 苏州凯欧机械科技有限公司 | Novel servo positioning device applicable to engine lathe |
| CN105065871A (en) * | 2015-07-29 | 2015-11-18 | 合肥工业大学 | Dividing apparatus for ultra-precise instrument |
| CN105772749A (en) * | 2016-05-26 | 2016-07-20 | 南昌市新通新发实业有限公司 | Integrated machine tool headstock |
| CN106312587A (en) * | 2016-10-31 | 2017-01-11 | 江苏工大金凯高端装备制造有限公司 | Transmission device of ultra-precision machining lathe for machining spherical surfaces and aspherical surfaces |
| CN107553309A (en) * | 2017-10-12 | 2018-01-09 | 芜湖市永帆精密模具科技有限公司 | Inner Spherical Surface Grinding Device for Steel Ball Mold Core |
| CN107584373A (en) * | 2017-10-12 | 2018-01-16 | 芜湖市永帆精密模具科技有限公司 | A lathe capable of grinding steel ball cold heading dies |
| CN108405885A (en) * | 2018-03-26 | 2018-08-17 | 中山市顺羽机电科技有限公司 | Mechanical lathe |
| CN108405886A (en) * | 2018-03-26 | 2018-08-17 | 陈伟景 | Efficient mechanical lathe |
| CN109261988A (en) * | 2018-11-20 | 2019-01-25 | 陕西海力特精密机械有限公司 | Spherical turning lathe main shaft and turntable and center cutter centering positioning adjust mounting structure |
| CN110480073A (en) * | 2019-09-23 | 2019-11-22 | 泰安方力智能设备有限公司 | A kind of High-speed Wheel/Rail locomotive car body crossbeam end is disconnected to cut machine |
| CN110757180A (en) * | 2019-11-26 | 2020-02-07 | 江门杰能刀剪装备科技有限公司 | Working table |
Citations (5)
| Publication number | Priority date | Publication date | Assignee | Title |
|---|---|---|---|---|
| WO1997027017A1 (en) * | 1996-01-25 | 1997-07-31 | Commissariat A L'energie Atomique | Triaxial lathe using polar movements |
| JP2000280101A (en) * | 1999-03-29 | 2000-10-10 | Okuma Corp | Curved surface processing method |
| JP2007118100A (en) * | 2005-10-26 | 2007-05-17 | Olympus Corp | Method and apparatus for working curved surface symmetric with respect to rotation axis |
| CN101628378A (en) * | 2009-03-13 | 2010-01-20 | 宁波市精恒凯翔机械有限公司 | Spherical (spherical surface) mirror surface rolling lathe |
| CN202239655U (en) * | 2011-09-21 | 2012-05-30 | 李忠绪 | High-speed precise automatic numerous control machine tool for spherical cutting |
-
2011
- 2011-09-21 CN CN 201110279232 patent/CN102366889B/en not_active Expired - Fee Related
Patent Citations (5)
| Publication number | Priority date | Publication date | Assignee | Title |
|---|---|---|---|---|
| WO1997027017A1 (en) * | 1996-01-25 | 1997-07-31 | Commissariat A L'energie Atomique | Triaxial lathe using polar movements |
| JP2000280101A (en) * | 1999-03-29 | 2000-10-10 | Okuma Corp | Curved surface processing method |
| JP2007118100A (en) * | 2005-10-26 | 2007-05-17 | Olympus Corp | Method and apparatus for working curved surface symmetric with respect to rotation axis |
| CN101628378A (en) * | 2009-03-13 | 2010-01-20 | 宁波市精恒凯翔机械有限公司 | Spherical (spherical surface) mirror surface rolling lathe |
| CN202239655U (en) * | 2011-09-21 | 2012-05-30 | 李忠绪 | High-speed precise automatic numerous control machine tool for spherical cutting |
Cited By (15)
| Publication number | Priority date | Publication date | Assignee | Title |
|---|---|---|---|---|
| CN102873343A (en) * | 2012-09-07 | 2013-01-16 | 新昌县三维精工机械有限公司 | Spherical automatic machine tool |
| CN102873343B (en) * | 2012-09-07 | 2014-10-29 | 新昌县三维精工机械有限公司 | Spherical automatic machine tool |
| CN103481105A (en) * | 2013-09-27 | 2014-01-01 | 苏州凯欧机械科技有限公司 | Novel servo positioning device applicable to engine lathe |
| CN105065871B (en) * | 2015-07-29 | 2017-01-25 | 合肥工业大学 | An indexing device for ultra-precision instruments |
| CN105065871A (en) * | 2015-07-29 | 2015-11-18 | 合肥工业大学 | Dividing apparatus for ultra-precise instrument |
| CN105772749A (en) * | 2016-05-26 | 2016-07-20 | 南昌市新通新发实业有限公司 | Integrated machine tool headstock |
| CN106312587A (en) * | 2016-10-31 | 2017-01-11 | 江苏工大金凯高端装备制造有限公司 | Transmission device of ultra-precision machining lathe for machining spherical surfaces and aspherical surfaces |
| CN107553309A (en) * | 2017-10-12 | 2018-01-09 | 芜湖市永帆精密模具科技有限公司 | Inner Spherical Surface Grinding Device for Steel Ball Mold Core |
| CN107584373A (en) * | 2017-10-12 | 2018-01-16 | 芜湖市永帆精密模具科技有限公司 | A lathe capable of grinding steel ball cold heading dies |
| CN108405885A (en) * | 2018-03-26 | 2018-08-17 | 中山市顺羽机电科技有限公司 | Mechanical lathe |
| CN108405886A (en) * | 2018-03-26 | 2018-08-17 | 陈伟景 | Efficient mechanical lathe |
| CN109261988A (en) * | 2018-11-20 | 2019-01-25 | 陕西海力特精密机械有限公司 | Spherical turning lathe main shaft and turntable and center cutter centering positioning adjust mounting structure |
| CN110480073A (en) * | 2019-09-23 | 2019-11-22 | 泰安方力智能设备有限公司 | A kind of High-speed Wheel/Rail locomotive car body crossbeam end is disconnected to cut machine |
| CN110480073B (en) * | 2019-09-23 | 2023-11-28 | 翟泉来 | High-speed wheel rail locomotive body beam end cutting machine |
| CN110757180A (en) * | 2019-11-26 | 2020-02-07 | 江门杰能刀剪装备科技有限公司 | Working table |
Also Published As
| Publication number | Publication date |
|---|---|
| CN102366889B (en) | 2013-08-14 |
Similar Documents
| Publication | Publication Date | Title |
|---|---|---|
| CN102366889A (en) | Automatic high-speed precision numerical control machine tool for cutting spherical surface | |
| CN107234445B (en) | A high-speed, high-precision five-axis ultrasonic machining machine tool | |
| CN101628378A (en) | Spherical (spherical surface) mirror surface rolling lathe | |
| CN101172330A (en) | High hardness rotary spherical CNC precision grinding equipment | |
| CN106424867B (en) | A New Vertical Milling Machine Based on Cycloid Rotation | |
| CN216503388U (en) | Turning and milling combined type machine tool | |
| CN102059602B (en) | Numerically controlled grinder for grinding taper hole and end face of motorized spindle | |
| CN114633160A (en) | Spindle Sleeve Special Grinder | |
| CN104858720A (en) | Main shaft box movement type turn milling machine tool with five-axis structure on positive axis | |
| CN201559111U (en) | A CNC Grinding Machine Suitable for Multi-station Compound Grinding of Camshaft | |
| CN202447675U (en) | Single spindle bidirectional cutting numerical control lathe | |
| CN201220277Y (en) | Precise numerical control lathe | |
| CN104875079A (en) | Recutting centering type turn-milling machine tool with five-axis structure type front axis | |
| CN204686448U (en) | Walk core type turn-milling machine tool | |
| CN112139608A (en) | One-piece lathe with gear hobbing function and method of using the same | |
| CN204725146U (en) | Core type turn-milling machine tool is walked in the six axle rip cuttings that positive axis mechanism coordinates the 3rd axle group to be formed | |
| CN204913265U (en) | Compound numerical control lathe of hard section of track sword turnning and milling | |
| CN107962479A (en) | Apparatus and method for polishing rectangular discontinuous inner wall coating in confined space of composite materials | |
| CN203972877U (en) | Two spindle synchronous control lathes | |
| CN119115644A (en) | A double-spindle turret machine tool | |
| TW201924818A (en) | Gang type lathe with multiplied processing efficiency capable of processing and cutting multiple workpieces at the same time and reducing manufacturing cost | |
| CN202239655U (en) | High-speed precise automatic numerous control machine tool for spherical cutting | |
| CN204725207U (en) | The 3rd axle group structure in scheming is walked in a kind of numerical control rip cutting | |
| CN204686442U (en) | Five axle construction walk core type turn-milling machine tool | |
| CN204430476U (en) | Screwing element processing milling machine |
Legal Events
| Date | Code | Title | Description |
|---|---|---|---|
| C06 | Publication | ||
| PB01 | Publication | ||
| C10 | Entry into substantive examination | ||
| SE01 | Entry into force of request for substantive examination | ||
| ASS | Succession or assignment of patent right |
Owner name: SHAANXI HALET PRECISION MACHINERY CO., LTD. Free format text: FORMER OWNER: LI ZHONGXU Effective date: 20130507 |
|
| C41 | Transfer of patent application or patent right or utility model | ||
| TA01 | Transfer of patent application right |
Effective date of registration: 20130507 Address after: 721009 No. 16 west section of Xinjian Road, Shaanxi, Baoji Applicant after: SHAANXI HALET PRECISION MACHINERY Co.,Ltd. Address before: 721009 No. 16 west section of Xinjian Road, Shaanxi, Baoji Applicant before: Li Zhongxu |
|
| C53 | Correction of patent of invention or patent application | ||
| CB03 | Change of inventor or designer information |
Inventor after: Yang Xiaodong Inventor after: Li Huisheng Inventor after: Wu Xiaogang Inventor after: Zhou Wenbin Inventor after: Tian Jiandong Inventor before: Li Huisheng Inventor before: Liu Feng Inventor before: Wu Xiaogang Inventor before: Li Zhongxu |
|
| COR | Change of bibliographic data |
Free format text: CORRECT: INVENTOR; FROM: LI HUISHENG LIU FENG WU XIAOGANG LI ZHONGXU TO: YANG XIAODONG LI HUISHENG WU XIAOGANG ZHOU WENBIN TIAN JIANDONG |
|
| C14 | Grant of patent or utility model | ||
| GR01 | Patent grant | ||
| PE01 | Entry into force of the registration of the contract for pledge of patent right | ||
| PE01 | Entry into force of the registration of the contract for pledge of patent right |
Denomination of invention: Automatic high-speed precision numerical control machine tool for cutting spherical surface Effective date of registration: 20190514 Granted publication date: 20130814 Pledgee: Baoji City Jintai District Rural Credit Cooperatives Chencang credit cooperatives Pledgor: SHAANXI HALET PRECISION MACHINERY Co.,Ltd. Registration number: 2019610000092 |
|
| CF01 | Termination of patent right due to non-payment of annual fee | ||
| CF01 | Termination of patent right due to non-payment of annual fee |
Granted publication date: 20130814 |
