CN102353400A - 架空输电线路覆冰状态监测方法及系统 - Google Patents
架空输电线路覆冰状态监测方法及系统 Download PDFInfo
- Publication number
- CN102353400A CN102353400A CN2011101997112A CN201110199711A CN102353400A CN 102353400 A CN102353400 A CN 102353400A CN 2011101997112 A CN2011101997112 A CN 2011101997112A CN 201110199711 A CN201110199711 A CN 201110199711A CN 102353400 A CN102353400 A CN 102353400A
- Authority
- CN
- China
- Prior art keywords
- transmission line
- ice
- power transmission
- information
- data
- Prior art date
- Legal status (The legal status is an assumption and is not a legal conclusion. Google has not performed a legal analysis and makes no representation as to the accuracy of the status listed.)
- Pending
Links
- 230000005540 biological transmission Effects 0.000 title claims abstract description 70
- 238000012544 monitoring process Methods 0.000 title claims abstract description 66
- 238000000034 method Methods 0.000 title claims abstract description 37
- 238000012545 processing Methods 0.000 claims abstract description 29
- 239000012212 insulator Substances 0.000 claims description 38
- 230000005611 electricity Effects 0.000 claims description 37
- 238000004891 communication Methods 0.000 claims description 31
- 238000013178 mathematical model Methods 0.000 claims description 20
- 239000011248 coating agent Substances 0.000 claims description 16
- 238000000576 coating method Methods 0.000 claims description 16
- 239000004020 conductor Substances 0.000 claims description 9
- 230000006835 compression Effects 0.000 claims description 7
- 238000007906 compression Methods 0.000 claims description 7
- 230000005484 gravity Effects 0.000 claims description 5
- 238000007405 data analysis Methods 0.000 abstract 1
- 238000010586 diagram Methods 0.000 description 8
- 238000004458 analytical method Methods 0.000 description 7
- 238000005516 engineering process Methods 0.000 description 5
- 238000013461 design Methods 0.000 description 4
- 230000006870 function Effects 0.000 description 3
- 238000007726 management method Methods 0.000 description 3
- 238000004422 calculation algorithm Methods 0.000 description 2
- 238000004364 calculation method Methods 0.000 description 2
- 238000010248 power generation Methods 0.000 description 2
- 230000001360 synchronised effect Effects 0.000 description 2
- 241001269238 Data Species 0.000 description 1
- 230000009286 beneficial effect Effects 0.000 description 1
- 238000005056 compaction Methods 0.000 description 1
- 238000010276 construction Methods 0.000 description 1
- 238000013523 data management Methods 0.000 description 1
- 238000011161 development Methods 0.000 description 1
- 238000005286 illumination Methods 0.000 description 1
- 230000010365 information processing Effects 0.000 description 1
- 238000012423 maintenance Methods 0.000 description 1
- 238000002156 mixing Methods 0.000 description 1
- 238000010295 mobile communication Methods 0.000 description 1
- 238000012986 modification Methods 0.000 description 1
- 230000004048 modification Effects 0.000 description 1
- 230000003287 optical effect Effects 0.000 description 1
- 238000012797 qualification Methods 0.000 description 1
- 238000004088 simulation Methods 0.000 description 1
- 230000000007 visual effect Effects 0.000 description 1
Images
Landscapes
- Alarm Systems (AREA)
Abstract
本发明提供了一种架空输电线路覆冰状态监测方法,其中包括以下步骤,实时采集输电线路的当前信息;根据所采集的当前信息建立Makkonen模型,并进行数据的分析处理,得到输电线路的覆冰状态数据;对超过警戒值的数据进行报警。以上所述技术方案,通过采集输电线路的各种状态信息,建立Makkonen模型,对输电线路进行覆冰载荷、覆冰厚度、杆塔受力及导线受力进行实时监控和监测,当监测值一旦超过预警值时即发出报警以示输电线路发生覆冰故障,需要对输电线路进行监测维修。以上技术方案实现了对输电线路覆冰状态的自动监测,同时与以往的人工巡视监测相比较,有效提高了线路覆冰监测的精确度,有效减小了劳动强度。
Description
技术领域
本发明属于线缆监测领域,尤其涉及一种架空输电线路覆冰状态监测方法及系统。
背景技术
我国气象环境多变,冰灾事故时有发生,冻结在输电线路上的冰雨或冰雪,会在导线上逐渐形成一种横截面近似于椭圆形或蛋形的冰壳。输电线路的覆冰是在特定的自然环境下才能形成,当空气的温、湿度各达到一定的条件才可能形成覆冰,而当温度和湿度满足条件以后,形成覆冰的量取决于风速,当无风或是微风时,只能形成极薄的冰,当风速达到一定速度后,线路上的冰才会越积越厚。严重的覆冰会导致输电线路的损害,甚至是输电的中断,严重影响电网的安全运行。为了保证电网的安全运行,需要对输电线路的覆冰情况进行监测并判断是否采取相应措施以避免断线、倒塔等事故的发生。
目前,监测输电线路覆冰的方法主要有人工巡视监测、观冰站、模拟覆冰导线等,这些方法存在着劳动强度高、投资大、监测结果和实际情况出入大等问题。
发明内容
本发明旨在解决现有技术中输电线路覆冰监测系统劳动强度高、监测结果与实际情况出入大的技术问题,提供一种能够实现对输电线路覆冰状态进行自动监测,监测结果精度高的架空输电线路覆冰监测方法。
本发明提供一种架空输电线路覆冰状态监测方法,包括以下步骤,
接收信号采集指令并实时采集输电线路的当前信息;
接收输电线路的当前信息,根据所采集的当前信息建立Makkonen模型,并进行数据的分析处理,得到输电线路的覆冰状态数据;
对超过警戒值的数据发出报警信号进行报警。
优选地,所述监测方法具体包括以下步骤:
接收信号采集指令并采集绝缘子及导线负荷、风速及风向信息;
接收以上信息,建立一个垂直档距单元内垂直载荷数学模型,并计算垂直档距内的冰载荷;
若所述冰载荷数据超过第一预警值则发出报警信号进行报警。
优选地,所述监测方法具体还包括以下步骤:
接收信号采集指令并采集绝缘子倾斜度、绝缘子及导线负荷、风速及风向信息;
接收以上信息,建立导线等值覆冰厚度数学模型,并计算垂直档距单元内等值覆冰厚度值;
若所述等值覆冰厚度值超过第二预警值则发出报警信号进行报警。
优选地,所述监测方法具体还包括以下步骤:
接收信号采集指令并采集绝缘子倾斜度、绝缘子及导线负荷信息;
接收以上信息,建立杆塔三维受力状态数学模型,并计算杆塔受力大小;
若所述受力值超过第三预警值则发出报警信号进行报警。
优选地,所述监测方法具体还包括以下步骤:
接收信号采集指令并采集绝缘子倾斜度、绝缘子及导线负荷、风速及风向信息,
接收以上信息,建立在不同覆冰、风向、风速和导线舞动状态下的数学模型,并计算导线受到的垂直应力和水平应力;
若所述垂直应力超过第四预警值或水平应力超过第五预警值则发出报警信号进行报警。
优选地,所述监测方法具体还包括通过视频监测所述输电线路的覆冰状态。
本发明还提供一种架空输电线路覆冰状态监测系统,包括数据采集模块、主控模块、通讯模块、数据处理模块及电源模块;
所述数据采集模块,与所述主控模块电连接,用于采集输电线路的当前信息;
所述通讯模块,与所述主控模块电连接,用于与所述数据处理模块进行通讯;
所述主控模块,用于控制所述数据采集模块的工作,并将采集的当前信息通过通讯模块发送给数据处理模块;
所述数据处理模块,用于根据所采集的当前信息建立Makkonen模型,并进行数据的分析处理,得到输电线路的覆冰状态数据,并对超过警戒值的数据进行报警;
所述电源模块,与主控模块电连接,用于给所述主控模块、数据采集模块及通讯模块供电。
优选地,所述数据采集模块包括:用于采集风向信息的风向传感器,用于采集风速信息的风速传感器,用于采集绝缘子倾斜角度信息的角度传感器及用于采集绝缘子及导线负载的重力传感器,以上所述传感器分别与所述主控模块电连接。
优选地,所述主控模块采用型号为MEGA128的单片机。
优选地,所述输电线路覆冰状态监测系统还包括与主控模块电连接的高速球机,用于以视屏的形式采集输电线路的覆冰状态信息,所述高速球机通过所述视频压缩卡与所述主控模块电连接。
以上所述技术方案,通过采集输电线路的各种状态信息,建立Makkonen模型,对输电线路进行覆冰载荷、覆冰厚度、杆塔受力及导线受力进行实时监控和监测,当监测值一旦超过预警值时即发出报警以示输电线路发生覆冰故障,需要对输电线路进行监测维修。以上技术方案实现了对输电线路覆冰状态的自动监测,同时与以往的人工巡视监测相比较,有效提高了线路覆冰监测的精确度,有效减小了劳动强度。
附图说明
图1是本发明一种实施例的输电线路覆冰状态监测方法示意图。
图2是本发明一种实施例的输电线路覆冰状态监测系统结构框图。
图3是本发明一种实施例的输电线路覆冰状态监测系统结构示意图。
图4是本发明一种实施例提供的主控模块的结构图。
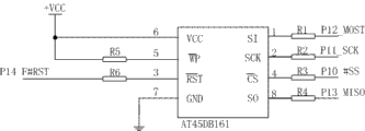
图5是本发明一种实施例提供的FLASH扩展电路的电路图。
图6是本发明一种实施例提供的硬件看门狗电路的电路图。
图7是本发明一种实施例提供的复位电路的电路图。
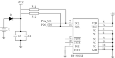
图8是本发明一种实施例提供的实时时钟电路的电路图。
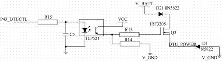
图9是本发明一种实施例提供的GPRS通讯部分的电源控制单元的电路图。
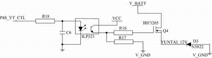
图10是本发明一种实施例提供的高速球机以及视频压缩卡的电源控制单元的电路图。
图11是本发明一种实施例提供的高速球机的云台控制接口电路的电路图。
图12是本发明一种实施例提供的电源模块的结构图。
具体实施方式
为了使本发明所解决的技术问题、技术方案及有益效果更加清楚明白,以下结合附图及实施例,对本发明进行进一步详细说明。应当理解,此处所描述的具体实施例仅仅用以解释本发明,并不用于限定本发明。
如图1所示, 一种架空输电线路覆冰状态监测方法,包括以下步骤:
接收信号采集指令并实时采集输电线路的当前信息;
接收输电线路的当前信息,根据所采集的当前信息建立Makkonen模型,并对数据进行分析处理,得到输电线路的覆冰状态数据。
输电线路的当前信息,如该区域的风速信息、风向信息、温度信息、湿度信息、线路上的绝缘子及线路负载信息、绝缘子倾斜角度信息等。
所述Makkonen模型具体包括垂直档距单元内垂直载荷数学模型、等值覆冰厚度数学模型、杆塔三维受力状态数学模型及不同覆冰、风向、风速和导线舞动状态下的导线受力数学模型等,此Makkonen模型为公知的一种模型,在多个领域都有应用,具体的计算过程可以采用公知的计算过程,在此不再赘述。
本发明所提供的架空输电线路覆冰状态监测方法,结合所述Makkonen模型,有效解决了传统输电线路覆冰监测技术中监测精度低,误差大,劳动强度高的缺点,其具体的监测方法包括以下几种:
实施例一
接收信号采集指令并采集绝缘子及导线负荷、风速及风向信息;
根据以上信息建立一个垂直档距单元内垂直载荷数学模型,并计算垂直档距内的冰载荷;如可采用公式 ,这里的综合垂直载荷,可通过重力传感器测量的绝缘子及导线负荷计算得出;为垂直档距内导线和绝缘子自重载荷,可依据电力建设手册查出;为垂直档距内风载荷,可通过风速传感器、导线直径和风向夹角算出;为垂直档距内冰载荷。在以上的计算过程中可能还需要考虑导线受风体形系数\风压不均与系数以及线路导线风灾调整系数等的影响。
最后根据计算出的垂直档距内的冰载荷与第一预警值进行比较,如果垂直档距内的冰载荷在第一预警值的范围之内,则表示线路正常或者覆冰不足以影响导线正常工作;如果垂直档距内的冰载荷超出所述第一预警值,则进行报警,表明线路出现故障或者覆冰影响了线路的正常工作。具体报警操作可通过设置报警装置进行报警或者报警信息可以在特定的系统,如专家系统中提示,并且根据紧级的级别设定报警的频率,还可通过短信发送到相关人员手机上(可设置成不同人员的多部手机)。根据不同地区的气候环境和输电线的直径大小,所述第一预警值的范围为1吨—10吨
实施例二
接收信号采集指令并采集绝缘子倾斜度、绝缘子及导线负荷、风速及风向信息;
根据以上信息,建立导线等值覆冰厚度数学模型,并计算垂直档距单元内等值覆冰厚度值;例如可根据公式 得出导线覆冰厚度值,其中为导线覆冰厚度;d为无冰时导线外径;为导线每米覆冰后总质量,可由重力传感器册的数据进行计算得出;为无冰时导线每米总质量;为覆冰密度。
最后根据计算出的等值覆冰厚度与第二预警值进行比较,如果等值覆冰厚度在第二预警值的范围之内,则表示线路正常或者覆冰不足以影响导线正常工作;如果等值覆冰厚度超出所述第二预警值,则进行报警,表明线路出现故障或者覆冰影响了线路的正常工作。具体报警操作可通过设置报警装置进行报警或者报警信息可以在特定的系统,如专家系统中提示,并且根据紧级的级别设定报警的频率,还可通过短信发送到相关人员手机上(可设置成不同人员的多部手机)。所述第二预警值的范围可根据第一预警值得出。
实施例三
接收信号采集指令并采集绝缘子倾斜度、绝缘子及导线负荷信息;
根据以上信息,建立杆塔三维受力状态数学模型,并计算杆塔受力大小;此算法的实现可根据物理学中的受力分析计算杆塔受力大小。
最后根据计算出的杆塔受力大小与第三预警值进行比较,如果杆塔受力大小在第三预警值的范围之内,则表示线路正常或者覆冰不足以影响导线正常工作;如果杆塔受力大小超出所述第三预警值,则进行报警,表明线路出现故障或者覆冰影响了线路的正常工作。具体报警操作可通过设置报警装置进行报警或者报警信息可以在特定的系统,如专家系统中提示,并且根据紧级的级别设定报警的频率,还可通过短信发送到相关人员手机上(可设置成不同人员的多部手机)。所述第三预警值的范围可根据第一预警值及风速、方向信息得出。
实施例四
接收信号采集指令并采集绝缘子倾斜度、绝缘子及导线负荷、风速及风向信息;
据以上信息,建立在不同覆冰、风向、风速和导线舞动状态下的导线受力数学模型,并计算导线受到的垂直应力和水平应力;这些都可以通过物理学中的受力分析计算得出,具体算法不再详述;
最后根据计算出的垂直应力与第四预警值进行比较,水平应力与第五预警值进行比较,如果垂直应力大小在第四预警值的范围之内,同时水平应力大小在第五预警值的范围内,则表示线路正常或者覆冰不足以影响导线正常工作;如果所述垂直应力超过第四预警值或水平应力超过第五预警值,则进行报警,表明线路出现故障或者覆冰影响了线路的正常工作。具体报警操作可通过设置报警装置进行报警或者报警信息可以在特定的系统,如专家系统中提示,并且根据紧级的级别设定报警的频率,还可通过短信发送到相关人员手机上(可设置成不同人员的多部手机)。所述第四预警值的数值范围及第五预警值的数值范围可根据第一预警值及风速、方向信息得出。
作为进一步优选方案,本发明所述的架空输电线路覆冰状态监测方法还包括通过视频监测所述输电线路的覆冰状态。具体为:利用用先进的数字视频压缩技术、电磁兼容技术、低功耗技术、新一代无线通讯技术、新能源应用技术、软件技术等,采用高清摄像头对所述输电线路进行覆冰状态的监测,可以有直观得到输电线路覆冰状态的一些外观信息。
作为更进一步优选方案,所述架空输电线路覆冰状态监测方法具体还包括:
接收信号采集指令并采集架空输电线路的环境温度、湿度、风速、风向、气压、雨量、雪量等的气象信息;
将以上所采集的信息传输到信息处理中心;例如,数据传输通过GPRS无线方式直接发送信息的自动气象站。将多个自动气象站数据信息利用无线方式连接至数据中心处理系统就构成了自动气象监测网络,通过该监测网络可实现气象数据的自动采集、存储与查询,包括历史数据的查询及气象数据的分析曲线图包括温度,湿度等气象数据的日平均、月平均等曲线图的观察。
如图2所示,本发明还提供一种实现上述监测方法的架空输电线路覆冰状态监测系统,所述系统包括数据采集模块100、主控模块200、通讯模块300、数据处理模块400及电源模块500,所述数据采集模块100与所述通讯模块300分别与所述主控模块200电连接,所述主控模块200控制所述通讯模块300与所述数据处理模块400进行通讯,所述电源模块500与所述主控模块200电连接,分别给所述主控模块200、数据采集模块100及通讯模块300供电。
所述数据采集模块,用于采集输电线路的当前信息;所述通讯模块,用于与所述数据处理模块进行通讯;所述主控模块,用于控制所述数据采集模块的工作,并将采集的当前信息通过通讯模块发送给数据处理模块;所述数据处理模块,用于根据所采集的当前信息建立Makkonen模型,并进行数据的分析处理,得到输电线路的覆冰状态数据,并对超过警戒值的数据进行报警;所述电源模块,用于给所述主控模块、数据采集模块及通讯模块供电。
数据采集模块100采集输电线路的覆冰状态信息,将所采集到的信息传送给所述主控模块200,主控模块200进行处理分析后通过通讯模块300传送给所述数据处理模块400进行模型建立和数据处理分析,一旦出项故障则进行报警提示。
优选地,结合图3所示,所述采集模块100包括用于采集风向信息的风向传感器106,用于采集风速信息的风速传感器105,用于采集绝缘子倾斜角度信息的角度传感器102及用于采集绝缘子及导线负载的重力传感器101,用于采集温度信息的温度传感器104及用于采集湿度信息的湿度传感器104,所述以上传感器分别与所述主控模块200电连接。
所述采集模块100还包括一高速球机107和一视频压缩卡108,所述高速球机107通过所述视频压缩卡108与所述主控模块200电连接,视频压缩卡108,与高速球机107连接,用于对采集的视频进行处理。这些处理包括视频压缩等一系列图像处理,以保证传输数据的正确性和稳定性。所述高速球机107能360°旋转,能够拍摄到输电线路的任何角度,保证获得一个最大的可视范围。
所述通讯模块300与所述数据处理模块400之间可进行有线或者无线通讯,优选地,所述通讯模块300与所述数据处理模块400之间通过GPRS/CDMA等公众无线网络进行通讯,所述主控模块200控制各种传感器采集完信息后,又控制通讯模块300将所采集的数据或者图像信息传送到数据处理模块400。优选地,所述通讯模块300为DTU,该DTU具有以下功能:精选工业级器件,满足各种恶劣环境的需求;支持动态IP地址数据中心DNS域名寻址;支持固定IP地址数据中心;收发数据无需计算机支持;点对点、中心对多点等数据传输,传输时延一般小于一秒;模块化设计,CPU和无线核心模块分离的设计方式,超强的扩展性;内嵌PPP、TCP/IP、UDP/IP协议;宏电特有的DDP协议,保证数据链路畅通;AT+协议;满足客户个性化需求;永远在线及多种触发上线模式;按数据流量计费;数据和短信通信互为备份、自由切换;支持多方通信;TCP/IP Server/Client、UDP/IP、DDP、SMS、AT多种通信方式;可定义数据通信方式;数据中心服务器远程参数配置;AT+参数配置;提供完整的数据中心服务程序,可实现数据透明转发;提供函数开发包,便于二次开发;提供完整的中英文DEMO源码(VB、VC、C#、Delphi、VB.net)。
所述数据处理模块400具有专家分析系统,所述该专家分析系统可根据接收到的输电线路的当前信息进行Makkonen模型的建立和对数据的分析处理,如根据绝缘子及导线负荷、风速及风向信息建立垂直档距单元内垂直载荷数学模型并计算垂直档距内的冰载荷;根据绝缘子倾斜度、绝缘子及导线负荷、风速及风向信息,建立导线等值覆冰厚度数学模型,并计算垂直档距单元内等值覆冰厚度值;根据绝缘子倾斜度、绝缘子及导线负荷信息,建立杆塔三维受力状态数学模型,并计算杆塔受力大小;根据绝缘子倾斜度、绝缘子及导线负荷、风速及风向信息,建立在不同覆冰、风向、风速和导线舞动状态下的导线受力数学模型,并计算导线受到的垂直应力和水平应力;当监测到的冰载荷数据超过第一预警值或等值覆冰厚度值超过第二预警值或受力值超过第三预警值则进行报警或垂直应力超过第四预警值或水平应力超过第五预警值则进行报警。具体报警操作可通过设置报警装置进行报警或者报警信息可以在特定的系统,如专家系统中提示,并且根据紧级的级别设定报警的频率,还可通过短信发送到相关人员手机上(可设置成不同人员的多部手机)。
如图12所示,本发明所述的电源模块500包括光伏电池502,控制器501,风力发电机503及蓄电池504,其中,控制器501,与主控模块200连接,用于在不同的发电方式之间进行切换。
光伏电池502,与控制器501连接,用于利用太阳的光能发电;风力发电机503,与控制器501连接,用于利用风力发电;蓄电池504,与控制器501连接,用于储存电能。
由于受时间和地域的约束,很难全天候都只依靠太阳能或者风能进行发电。而太阳能和风能在时间上和地域上都具有很强的互补性:白天光照强时风较小;夜间光照弱时,风能由于地表温差变化而增强。因此本发明实施例根据具体情况在太阳能发电和风能发电之间进行切换,以保证系统电源的可靠性和稳定性。
在本发明的实施例中,所述主控模块优选采用如图4所示的型号为MEGA128的单片机。其中,GPIO为通用I/O口,IIC为IIC总线,ADC为数模转换装置,USART为通用同步/异步串行接收/发射器,JTAG为JTAG接口,SDRAM为同步动态随机存储器,SPI为SPI总线,FLASH为闪存,EBI为EBI总线,还具有调试接口206。
图5示出了本发明实施例提供的FLASH扩展电路,为了便于说明只示出了与本发明实施例相关的部分。作为本发明实施例的一个示例,可以用型号为AT45DB161的芯片实现。
图6示出了本发明实施例提供的硬件看门狗电路,为了便于说明只示出了与本发明实施例相关的部分。作为本发明实施例的一个示例,可以用型号为2P706REN的芯片实现。
图9示出了本发明实施例提供的GPRS通讯部分的电源控制单元的电路,为了便于说明只示出了与本发明实施例相关的部分。该电路可用于实现电源管理和低功耗设计要求。
图10示出了本发明实施例提供的高速球机107以及视频压缩卡108的电源控制单元的电路,为了便于说明只示出了与本发明实施例相关的部分。该电路可用于实现电源管理和低功耗设计要求。
图11示出了本发明实施例提供的高速球的云台控制接口电路,为了便于说明只示出了与本发明实施例相关的部分。作为本发明实施例的一个示例,可以用型号为MAX13487的芯片实现。
作为一种优选方案,该系统还包括与与主控模块电连接的复位电路201和实时时钟电路202,图7示出了本发明实施例提供的复位电路,为了便于说明只示出了与本发明实施例相关的部分;图8示出了本发明实施例提供的实时时钟电路,为了便于说明只示出了与本发明实施例相关的部分,作为本发明实施例的一个示例,可以用型号为RX-8025T的芯片实现。
以上技术方案,可实现线路覆冰监测数据、气象监测数据、图像监控等在后台系统的有机融合,实现数据监测、在线分析、实时报警功能的集中管理。对整个架空输电线路有效进行覆冰状态的监测,当发生故障是,能够使数据处理模块或者其他远程终端处的人员确切的知道安全隐患的具体形式和地点,以使其对具体问题采取相应的措施,增强了系统的监测能力和预警能力。同时供电系统采用可在风能发电和太阳能发电之间切换的电源系统,提高了电源的可靠性和稳定性。
以上所述仅为本发明的较佳实施例而已,并不用以限制本发明,凡在本发明的精神和原则之内所作的任何修改、等同替换和改进等,均应包含在本发明的保护范围之内。
Claims (10)
1.架空输电线路覆冰状态监测方法,其特征在于,包括以下步骤,
接收信号采集指令并实时采集输电线路的当前信息;
接收输电线路的当前信息,根据所当前信息建立Makkonen模型,并进行数据的分析处理,得到输电线路的覆冰状态数据;
对超过警戒值的数据发出报警信号进行报警。
2.根据权利要求1所述的架空输电线路覆冰状态监测方法,其特征在于,所述监测方法具体包括以下步骤:
接收信号采集指令并采集绝缘子及导线负荷、风速及风向信息;
接收以上信息,建立一个垂直档距单元内垂直载荷数学模型,并计算垂直档距内的冰载荷;
若所述冰载荷数据超过第一预警值则发出报警信号进行报警。
3.根据权利要求1所述的架空输电线路覆冰状态监测方法,其特征在于,所述监测方法具体还包括以下步骤:
接收信号采集指令并采集绝缘子倾斜度、绝缘子及导线负荷、风速及风向信息;
接收以上信息,建立导线等值覆冰厚度数学模型,并计算垂直档距单元内等值覆冰厚度值;
若所述等值覆冰厚度值超过第二预警值则发出报警信号进行报警。
4.根据权利要求1所述的架空输电线路覆冰状态监测方法,其特征在于,所述监测方法具体还包括以下步骤:
接收信号采集指令并采集绝缘子倾斜度、绝缘子及导线负荷信息;
接收以上信息,建立杆塔三维受力状态数学模型,并计算杆塔受力大小;
若所述受力值超过第三预警值则发出报警信号进行报警。
5.根据权利要求1所述的架空输电线路覆冰状态监测方法,其特征在于,所述监测方法具体还包括以下步骤:
接收信号采集指令并采集绝缘子倾斜度、绝缘子及导线负荷、风速及风向信息;
接收以上信息,建立在不同覆冰、风向、风速和导线舞动状态下的导线受力数学模型,并计算导线受到的垂直应力和水平应力;
若所述垂直应力超过第四预警值或水平应力超过第五预警值则发出报警信号进行报警。
6.根据权利要求1所述的架空输电线路覆冰状态监测方法,其特征在于,所述监测方法具体还包括通过视频监测所述输电线路的覆冰状态。
7.一种架空输电线路覆冰状态监测系统,其中,所述系统包括数据采集模块、主控模块、通讯模块、数据处理模块及电源模块;
所述数据采集模块,与所述主控模块电连接,用于采集输电线路的当前信息;
所述通讯模块,与所述主控模块电连接,用于与所述数据处理模块进行通讯;
所述主控模块,用于控制所述数据采集模块的工作,并将采集的当前信息通过通讯模块发送给数据处理模块;
所述数据处理模块,用于根据所采集的当前信息建立Makkonen模型,并进行数据的分析处理,得到输电线路的覆冰状态数据,并对超过警戒值的数据进行报警;
所述电源模块,与主控模块电连接,用于给所述主控模块、数据采集模块及通讯模块供电。
8.根据权利要求7所述的架空输电线路覆冰状态监测系统,其特征在于,所述数据采集模块包括用于采集风向信息的风向传感器,用于采集风速信息的风速传感器,用于采集绝缘子倾斜角度信息的角度传感器及用于采集绝缘子及导线负载的重力传感器,以上所述传感器分别与所述主控模块电连接。
9.根据权利要求7所述的架空输电线路覆冰状态监测系统,其特征在于,所述主控模块采用型号为MEGA128的单片机。
10.根据权利要求7所述的架空输电线路覆冰状态监测系统,其特征在于,所述输电线路覆冰状态监测系统还包括与主控模块电连接的高速球机,用于以视屏的形式采集输电线路的覆冰状态信息,所述高速球机通过所述视频压缩卡与所述主控模块电连接。
Priority Applications (1)
| Application Number | Priority Date | Filing Date | Title |
|---|---|---|---|
| CN2011101997112A CN102353400A (zh) | 2011-07-18 | 2011-07-18 | 架空输电线路覆冰状态监测方法及系统 |
Applications Claiming Priority (1)
| Application Number | Priority Date | Filing Date | Title |
|---|---|---|---|
| CN2011101997112A CN102353400A (zh) | 2011-07-18 | 2011-07-18 | 架空输电线路覆冰状态监测方法及系统 |
Publications (1)
| Publication Number | Publication Date |
|---|---|
| CN102353400A true CN102353400A (zh) | 2012-02-15 |
Family
ID=45577013
Family Applications (1)
| Application Number | Title | Priority Date | Filing Date |
|---|---|---|---|
| CN2011101997112A Pending CN102353400A (zh) | 2011-07-18 | 2011-07-18 | 架空输电线路覆冰状态监测方法及系统 |
Country Status (1)
| Country | Link |
|---|---|
| CN (1) | CN102353400A (zh) |
Cited By (26)
| Publication number | Priority date | Publication date | Assignee | Title |
|---|---|---|---|---|
| CN102679936A (zh) * | 2012-05-07 | 2012-09-19 | 贵州电网公司输电运行检修分公司 | 一种输电线路垂直档距测量装置 |
| CN102914330A (zh) * | 2012-10-24 | 2013-02-06 | 上海市电力公司 | 一种输电线路中输电塔结构状态监测方法 |
| CN103376083A (zh) * | 2012-04-23 | 2013-10-30 | 贵州电力试验研究院 | 一种输电线路覆冰智能在线监测系统 |
| CN103604419A (zh) * | 2013-11-21 | 2014-02-26 | 中国科学院西安光学精密机械研究所 | 基于三维重构的导线覆冰监测方法及系统 |
| CN104867277A (zh) * | 2015-04-10 | 2015-08-26 | 国家电网公司 | 一种风光互补的防外力破坏报警装置 |
| CN106767639A (zh) * | 2017-03-06 | 2017-05-31 | 贵州电网有限责任公司电力科学研究院 | 一种覆冰工况下的垂直档距取值方法 |
| CN106972627A (zh) * | 2017-04-06 | 2017-07-21 | 中冶南方城市建设工程技术有限公司 | 综合管廊电力舱室支架受力预警的智能监控系统及方法 |
| CN107367345A (zh) * | 2017-08-31 | 2017-11-21 | 北京蓝海华业科技股份有限公司 | 一种检测输电线路应力状态的系统 |
| CN110188500A (zh) * | 2019-06-06 | 2019-08-30 | 国网湖南省电力有限公司 | 输电线路覆冰倒塔断线风险分析方法及系统 |
| CN110378066A (zh) * | 2019-07-29 | 2019-10-25 | 贵州电网有限责任公司 | 一种耐张塔输电线路覆冰厚度计算方法 |
| CN110470348A (zh) * | 2019-09-18 | 2019-11-19 | 浙江大学 | 一种输电线路覆冰重量近地面无线监测系统 |
| CN111337375A (zh) * | 2020-03-20 | 2020-06-26 | 国网陕西省电力公司宝鸡供电公司 | 一种输电线路覆冰远程监测系统 |
| CN111442752A (zh) * | 2020-03-26 | 2020-07-24 | 广州长川科技有限公司 | 一种输电线路等值覆冰厚度的监测方法 |
| CN111463714A (zh) * | 2020-05-29 | 2020-07-28 | 西南交通大学 | 输电线缆防冰除冰机器人的数据采集与监控方法及其系统 |
| CN111521215A (zh) * | 2019-12-11 | 2020-08-11 | 重庆市送变电工程有限公司 | 基于微地形微气象区域覆冰规律的模拟导线覆冰在线监测装置 |
| CN112345128A (zh) * | 2020-09-22 | 2021-02-09 | 国家电网有限公司 | 一种架空输电线路导地线机械力学监测分析方法 |
| CN113325270A (zh) * | 2021-06-03 | 2021-08-31 | 广东电网有限责任公司 | 一种光缆输电线路监测方法及装置 |
| CN113624272A (zh) * | 2021-07-06 | 2021-11-09 | 四川艾德瑞电气有限公司 | 交流电气化铁路接触网的覆冰预警与防冰、融冰方法 |
| CN113670495A (zh) * | 2020-05-14 | 2021-11-19 | 电力规划总院有限公司 | 一种多集中荷载连续档架空线应力的确定方法及装置 |
| CN114325863A (zh) * | 2021-12-11 | 2022-04-12 | 中科百惟(云南)科技有限公司 | 一种高精度倾角法智能覆冰在线监测方法 |
| CN115239997A (zh) * | 2022-07-19 | 2022-10-25 | 哈尔滨市爱硕电力工程有限公司 | 基于5g物联网的高寒地区输电线路杆塔状态监测系统 |
| CN115493649A (zh) * | 2022-10-13 | 2022-12-20 | 中国南方电网有限责任公司超高压输电公司 | 一种超高压输电中基于多源数据的采集终端 |
| CN116227146A (zh) * | 2022-12-31 | 2023-06-06 | 国网北京市电力公司 | 输电线路支架受力计算方法及装置、存储介质和处理器 |
| CN116317106A (zh) * | 2023-01-05 | 2023-06-23 | 南方电网数字电网研究院有限公司 | 一种gis动态结合三维建模的监控系统 |
| CN119714075A (zh) * | 2023-09-28 | 2025-03-28 | 山东信通电子股份有限公司 | 输电线路覆冰检测方法 |
| CN120217607A (zh) * | 2025-05-26 | 2025-06-27 | 国网江苏省电力有限公司建设分公司 | 基于机器学习的输电结构基础施工质量智能监测方法 |
Citations (4)
| Publication number | Priority date | Publication date | Assignee | Title |
|---|---|---|---|---|
| CN101430195A (zh) * | 2008-12-19 | 2009-05-13 | 华北电力大学 | 一种利用视频图像处理技术计算输电线路覆冰厚度的方法 |
| CN201247079Y (zh) * | 2008-08-21 | 2009-05-27 | 华中电网有限公司 | 一种输电线路的在线监测装置 |
| CN201374008Y (zh) * | 2009-03-31 | 2009-12-30 | 广州长川科技有限公司 | 输电线路覆冰及环境气象在线监测系统 |
| CN101667319A (zh) * | 2008-09-04 | 2010-03-10 | 华东电力试验研究院有限公司 | 导线覆冰时线路破坏预警方法 |
-
2011
- 2011-07-18 CN CN2011101997112A patent/CN102353400A/zh active Pending
Patent Citations (4)
| Publication number | Priority date | Publication date | Assignee | Title |
|---|---|---|---|---|
| CN201247079Y (zh) * | 2008-08-21 | 2009-05-27 | 华中电网有限公司 | 一种输电线路的在线监测装置 |
| CN101667319A (zh) * | 2008-09-04 | 2010-03-10 | 华东电力试验研究院有限公司 | 导线覆冰时线路破坏预警方法 |
| CN101430195A (zh) * | 2008-12-19 | 2009-05-13 | 华北电力大学 | 一种利用视频图像处理技术计算输电线路覆冰厚度的方法 |
| CN201374008Y (zh) * | 2009-03-31 | 2009-12-30 | 广州长川科技有限公司 | 输电线路覆冰及环境气象在线监测系统 |
Non-Patent Citations (2)
| Title |
|---|
| 占子飞: "输电线路覆冰在线监测系统的设计", 《中国优秀硕士学位论文全文数据库 工程科技II辑》, no. 10, 15 October 2010 (2010-10-15) * |
| 张予: "架空输电线路导线覆冰在线监测系统", 《高电压技术》, vol. 34, no. 9, 30 September 2008 (2008-09-30) * |
Cited By (35)
| Publication number | Priority date | Publication date | Assignee | Title |
|---|---|---|---|---|
| CN103376083A (zh) * | 2012-04-23 | 2013-10-30 | 贵州电力试验研究院 | 一种输电线路覆冰智能在线监测系统 |
| CN102679936A (zh) * | 2012-05-07 | 2012-09-19 | 贵州电网公司输电运行检修分公司 | 一种输电线路垂直档距测量装置 |
| CN102914330A (zh) * | 2012-10-24 | 2013-02-06 | 上海市电力公司 | 一种输电线路中输电塔结构状态监测方法 |
| CN102914330B (zh) * | 2012-10-24 | 2015-06-17 | 上海市电力公司 | 一种输电线路中输电塔结构状态监测方法 |
| CN103604419A (zh) * | 2013-11-21 | 2014-02-26 | 中国科学院西安光学精密机械研究所 | 基于三维重构的导线覆冰监测方法及系统 |
| CN104867277A (zh) * | 2015-04-10 | 2015-08-26 | 国家电网公司 | 一种风光互补的防外力破坏报警装置 |
| CN106767639A (zh) * | 2017-03-06 | 2017-05-31 | 贵州电网有限责任公司电力科学研究院 | 一种覆冰工况下的垂直档距取值方法 |
| CN106972627A (zh) * | 2017-04-06 | 2017-07-21 | 中冶南方城市建设工程技术有限公司 | 综合管廊电力舱室支架受力预警的智能监控系统及方法 |
| CN107367345B (zh) * | 2017-08-31 | 2023-08-22 | 北京蓝海华业科技股份有限公司 | 一种检测输电线路应力状态的系统 |
| CN107367345A (zh) * | 2017-08-31 | 2017-11-21 | 北京蓝海华业科技股份有限公司 | 一种检测输电线路应力状态的系统 |
| CN110188500A (zh) * | 2019-06-06 | 2019-08-30 | 国网湖南省电力有限公司 | 输电线路覆冰倒塔断线风险分析方法及系统 |
| CN110378066A (zh) * | 2019-07-29 | 2019-10-25 | 贵州电网有限责任公司 | 一种耐张塔输电线路覆冰厚度计算方法 |
| CN110378066B (zh) * | 2019-07-29 | 2023-06-09 | 贵州电网有限责任公司 | 一种耐张塔输电线路覆冰厚度计算方法 |
| CN110470348A (zh) * | 2019-09-18 | 2019-11-19 | 浙江大学 | 一种输电线路覆冰重量近地面无线监测系统 |
| CN111521215A (zh) * | 2019-12-11 | 2020-08-11 | 重庆市送变电工程有限公司 | 基于微地形微气象区域覆冰规律的模拟导线覆冰在线监测装置 |
| CN111521215B (zh) * | 2019-12-11 | 2021-12-24 | 重庆市送变电工程有限公司 | 基于微地形微气象区域覆冰规律的模拟导线覆冰在线监测装置 |
| CN111337375A (zh) * | 2020-03-20 | 2020-06-26 | 国网陕西省电力公司宝鸡供电公司 | 一种输电线路覆冰远程监测系统 |
| CN111442752A (zh) * | 2020-03-26 | 2020-07-24 | 广州长川科技有限公司 | 一种输电线路等值覆冰厚度的监测方法 |
| CN111442752B (zh) * | 2020-03-26 | 2021-11-19 | 广州长川科技有限公司 | 一种输电线路等值覆冰厚度的监测方法 |
| CN113670495A (zh) * | 2020-05-14 | 2021-11-19 | 电力规划总院有限公司 | 一种多集中荷载连续档架空线应力的确定方法及装置 |
| CN111463714B (zh) * | 2020-05-29 | 2021-01-12 | 西南交通大学 | 输电线缆防冰除冰机器人的数据采集与监控方法及其系统 |
| CN111463714A (zh) * | 2020-05-29 | 2020-07-28 | 西南交通大学 | 输电线缆防冰除冰机器人的数据采集与监控方法及其系统 |
| CN112345128A (zh) * | 2020-09-22 | 2021-02-09 | 国家电网有限公司 | 一种架空输电线路导地线机械力学监测分析方法 |
| CN113325270A (zh) * | 2021-06-03 | 2021-08-31 | 广东电网有限责任公司 | 一种光缆输电线路监测方法及装置 |
| CN113624272A (zh) * | 2021-07-06 | 2021-11-09 | 四川艾德瑞电气有限公司 | 交流电气化铁路接触网的覆冰预警与防冰、融冰方法 |
| CN114325863A (zh) * | 2021-12-11 | 2022-04-12 | 中科百惟(云南)科技有限公司 | 一种高精度倾角法智能覆冰在线监测方法 |
| CN115239997A (zh) * | 2022-07-19 | 2022-10-25 | 哈尔滨市爱硕电力工程有限公司 | 基于5g物联网的高寒地区输电线路杆塔状态监测系统 |
| CN115493649A (zh) * | 2022-10-13 | 2022-12-20 | 中国南方电网有限责任公司超高压输电公司 | 一种超高压输电中基于多源数据的采集终端 |
| CN115493649B (zh) * | 2022-10-13 | 2025-03-18 | 中国南方电网有限责任公司超高压输电公司 | 一种超高压输电中基于多源数据的采集终端 |
| CN116227146A (zh) * | 2022-12-31 | 2023-06-06 | 国网北京市电力公司 | 输电线路支架受力计算方法及装置、存储介质和处理器 |
| CN116317106A (zh) * | 2023-01-05 | 2023-06-23 | 南方电网数字电网研究院有限公司 | 一种gis动态结合三维建模的监控系统 |
| CN119714075A (zh) * | 2023-09-28 | 2025-03-28 | 山东信通电子股份有限公司 | 输电线路覆冰检测方法 |
| CN119714075B (zh) * | 2023-09-28 | 2025-10-17 | 山东信通电子股份有限公司 | 输电线路覆冰检测方法 |
| CN120217607A (zh) * | 2025-05-26 | 2025-06-27 | 国网江苏省电力有限公司建设分公司 | 基于机器学习的输电结构基础施工质量智能监测方法 |
| CN120217607B (zh) * | 2025-05-26 | 2025-09-09 | 国网江苏省电力有限公司建设分公司 | 基于机器学习的输电结构基础施工质量智能监测方法 |
Similar Documents
| Publication | Publication Date | Title |
|---|---|---|
| CN102353400A (zh) | 架空输电线路覆冰状态监测方法及系统 | |
| CN202158870U (zh) | 架空输电线路覆冰状态监测系统 | |
| CN102288153B (zh) | 基于振动发电的高压线风偏在线监测系统及其方法 | |
| CN201374008Y (zh) | 输电线路覆冰及环境气象在线监测系统 | |
| CN102288145A (zh) | 架空输电线路覆冰厚度监测系统及方法 | |
| CN115542074A (zh) | 一种高压输电线路故障预警方法 | |
| CN101038186A (zh) | 一种对输电线路覆冰及舞动的在线预警装置 | |
| CN101603850A (zh) | 一种特高压输电线路在线监测系统 | |
| CN202928616U (zh) | 输电线路导线覆冰及舞动在线监测系统 | |
| CN106054281A (zh) | 气象灾害自动化监测预警系统 | |
| CN108418898A (zh) | 一种无线监测站 | |
| CN102141395A (zh) | 基于ZigBee的输电导线风偏在线监测系统及监测方法 | |
| CN112531892A (zh) | 一种基于物联网终端的输电线路全寿命监测平台 | |
| CN105590438B (zh) | 一种基于远程控制和数据压缩的数据无线采集系统 | |
| CN203225788U (zh) | 基于云计算的输电线路监控系统 | |
| CN202158869U (zh) | 架空输电线路气象监测系统 | |
| CN103512621A (zh) | 环境监测方法及监测系统 | |
| CN106877504A (zh) | 特高压输电线路远程在线监测装置及方法 | |
| CN113405602A (zh) | 杆塔状态监测装置 | |
| CN108054835A (zh) | 一种避雷器智能云监护系统 | |
| CN101701832A (zh) | 一种基于gprs的输电线路覆冰监测装置 | |
| CN105811578B (zh) | 输电线路监控平台及其电源监控算法和图像预警算法 | |
| CN202231875U (zh) | 一种输电线路监测基站及系统 | |
| CN107014435A (zh) | 一种输电线路台风灾害观测塔 | |
| CN202485714U (zh) | 输电线路覆冰在线监测系统 |
Legal Events
| Date | Code | Title | Description |
|---|---|---|---|
| C06 | Publication | ||
| PB01 | Publication | ||
| C10 | Entry into substantive examination | ||
| SE01 | Entry into force of request for substantive examination | ||
| C02 | Deemed withdrawal of patent application after publication (patent law 2001) | ||
| WD01 | Invention patent application deemed withdrawn after publication |
Application publication date: 20120215 |








