CN102337849B - Mechanical lock cylinder - Google Patents

Mechanical lock cylinder Download PDF

Info

Publication number
CN102337849B
CN102337849B CN201110275663.0A CN201110275663A CN102337849B CN 102337849 B CN102337849 B CN 102337849B CN 201110275663 A CN201110275663 A CN 201110275663A CN 102337849 B CN102337849 B CN 102337849B
Authority
CN
China
Prior art keywords
lock
internal cylinder
lock pin
slideway
lock core
Prior art date
Legal status (The legal status is an assumption and is not a legal conclusion. Google has not performed a legal analysis and makes no representation as to the accuracy of the status listed.)
Expired - Fee Related
Application number
CN201110275663.0A
Other languages
Chinese (zh)
Other versions
CN102337849A (en
Inventor
樊俞成
韦建葵
Current Assignee (The listed assignees may be inaccurate. Google has not performed a legal analysis and makes no representation or warranty as to the accuracy of the list.)
Zhejiang Tiantian Electronic Co ltd
Original Assignee
Individual
Priority date (The priority date is an assumption and is not a legal conclusion. Google has not performed a legal analysis and makes no representation as to the accuracy of the date listed.)
Filing date
Publication date
Application filed by Individual filed Critical Individual
Priority to CN201110275663.0A priority Critical patent/CN102337849B/en
Publication of CN102337849A publication Critical patent/CN102337849A/en
Priority to PCT/CN2012/081447 priority patent/WO2013037316A1/en
Application granted granted Critical
Publication of CN102337849B publication Critical patent/CN102337849B/en
Expired - Fee Related legal-status Critical Current
Anticipated expiration legal-status Critical

Links

Images

Classifications

    • EFIXED CONSTRUCTIONS
    • E05LOCKS; KEYS; WINDOW OR DOOR FITTINGS; SAFES
    • E05BLOCKS; ACCESSORIES THEREFOR; HANDCUFFS
    • E05B29/00Cylinder locks and other locks with plate tumblers which are set by pushing the key in
    • EFIXED CONSTRUCTIONS
    • E05LOCKS; KEYS; WINDOW OR DOOR FITTINGS; SAFES
    • E05BLOCKS; ACCESSORIES THEREFOR; HANDCUFFS
    • E05B17/00Accessories in connection with locks
    • E05B17/04Devices for coupling the turning cylinder of a single or a double cylinder lock with the bolt operating member
    • E05B17/047Devices for coupling the turning cylinder of a single or a double cylinder lock with the bolt operating member with rotating output elements forming part of cylinder locks, e.g. locking cams of double cylinder locks

Landscapes

  • Physics & Mathematics (AREA)
  • Electromagnetism (AREA)
  • Lock And Its Accessories (AREA)
  • Pinball Game Machines (AREA)

Abstract

The invention discloses a mechanical lock cylinder, comprising an inner lock cylinder with a key hole, wherein the inner lock cylinder is installed in a slideway in an outer lock cylinder; the inner lock cylinder is provided with a plurality of lock pins adjacent to the key hole, and the lock pins are respectively installed in each lock pin slideway; each lock pin is provided with a shift pin part extending into the key hole; the outer lock cylinder is provided with a plurality of lock pin holes which are respectively in butt joint with the outer ends of the plurality of lock pin slideways of the inner lock cylinder when the inner lock cylinder moves to a locking position in the slideway. Compared with the prior art, the mechanical lock cylinder can solve the problems that the burglarproof performance of current mechanical lock cylinder capable of idling for preventing breaking is poor and the size is large.

Description

Mechanical lock
Technical field
The present invention relates to lockset manufacturing technology field, especially one and there is lock body and lock core, with key operated mechanical lock.
Background technology
Mechanical lock in lockset has advantages of reliable operation, and its typical structure is Yale's cylinder lock that Yale invents, and derives thereafter various ways, and its great majority are still the sealed of Yale's cylinder lock and release principle.Yale's cylinder lock is, in the circle hole shape lock core hole of lock core body, the internal cylinder that is provided with keyhole in it is installed, in internal cylinder, be provided with the marble hole that connects keyhole and internal cylinder lateral surface, in lock core body, be provided with the marble hole marble hole one to one with internal cylinder, two cylinder-shaped marbles are all installed in the marble hole of internal cylinder and each docking of lock core body, and a spring acting on pellet is installed in the marble hole of outer lock core, in the time that institute bitting is inserted in the keyhole of internal cylinder, the different tooth of height is set on the key to be just in time driven into the outer end of the pellet in keyhole on the hole face that internal cylinder and lock core body engage, make internal cylinder rotate and to drive lockset to unblank with respect to lock core body, in internal cylinder or illegal key insertion internal cylinder keyhole are exited in institute's bitting time, due to the effect of the spring in marble hole, the mating face that makes two pellets in each marble hole just in time all align, in the mating face of lock core body and internal cylinder, and is caused at least one pellet to be stuck in this mating face and realizes the sealed of lock core body and internal cylinder.The mechanical lock of this structure is because the mating face of lock core body and internal cylinder is a face of cylinder, therefore two pellets in same marble hole must be made the shape of rounding or chamfering in the one end that is bonded with each other, cause thus pellet in same marble hole in certain stroke of key actuated its differential can not be too little, general all more than 0.5 millimeter, therefore, the size of key of lock core is large not, on the other hand, the pellet that plays locking action is subject to the active force of a spring all the time, this structure is illegally unblanked, or claim technology unlocking with opportunity, theftproof performance is poor, use technology unlocking instrument, as Unlocking gun or MASTERKRY only need just can realize pirate of the open several seconds, rotate and also may be pried open with high-intensity illegal key violence, although people have carried out a large amount of improvement to Yale's cylinder lock, even invented can allow internal cylinder dally anti-drilling under locked state, the mechanical lock of sled, but facts have proved, existing arbitrary money include spring action in the pellet of locking action, or the multiple lock core of other clutch locking bar, comprise the atomic lock that market is alleged, in face of the theft of high professional qualification, only need several seconds just can pirate of the open, antitheft performance is not strong.In addition, the mechanical lock of existing anti-drilling, sled and technology pirate of the open all cannot be made little diameter, to such an extent as to the mechanical lock of this anti-drilling, sled and technology pirate of the open all cannot be applied in European lockset.
Summary of the invention
It is strong that problem to be solved by this invention is to provide a kind of antitheft performance, the mechanical lock that volume is little.
In order to solve the problems of the technologies described above, the technical solution adopted in the present invention is: this mechanical lock comprises the internal cylinder that is provided with keyhole, and described internal cylinder is contained in the slideway in outer lock core; Described internal cylinder is provided with multiple lock pins that are contained in each self-lock pin slideway on keyhole side, each lock pin is equipped with the finger portion stretching in described keyhole, and described outer lock core is provided with multiple lock pin sockets that dock respectively with the external port of many lock pin slideways of this internal cylinder in the time that described internal cylinder moves to latched position in described slideway.When described lock pin stretches out under the state that internal cylinder inserts described outer lock core, lock described internal cylinder and the outer lock core axial location at outer lock core slideway, prevent that described internal cylinder mobile part of unblanking that drives in the slideway of described outer lock core from unblanking; Otherwise, under released state, lock pin in described internal cylinder is all retracted in the lock pin slideway of internal cylinder, can allow described internal cylinder move in the slideway of described outer lock core, slides or stirs the part of unblanking and rotate to realize along axis of rotation and unblank with the part axial that promotes to unblank.
In the technical scheme of above-mentioned mechanical lock, scheme can also be more specifically: have a described lock pin at least when its one end moves to when concordant with its external port of lock pin slideway, its other end is just in time concordant with another external port of this lock pin slideway, be lock pin at its lock pin slideway of retracting during in release desired location, it is concordant that two of lock pin corrects the external port engaging with lock pin socket lock pin slideway and outer lock core of internal cylinder, make no matter lock pin is to depart from release desired location to which end of lock pin slideway, all form sealed to internal cylinder and outer lock core.Described lock pin slideway can become 1~4 row by spread configuration, the setting that the general employing of each lock pin slideway in same row's lock pin slideway is parallel to each other, so that manufacture processing, if do not consider to manufacture difficulty or the complexity of processing, can make each lock pin slideway in same row mutually be obliquely installed yet.The part of unblanking of this mechanical lock can be the part of unblanking of sliding, and drives lockset to unblank by the slide part of unblanking of promotion, and this slip part of unblanking can be contained in the set slideway in the inner of described internal cylinder; The part of unblanking of this mechanical lock can be also to rotate the part of unblanking, by driving this rotation part of unblanking to drive lockset to unblank, this rotation part of unblanking can be contained in the middle of axis hole set outside the inner of described internal cylinder, in the time adopting this rotation to unblank part, can be provided with the finger of unblanking described internal cylinder and the described rotation side that part is arranged in the middle of the two in the middle of the two that unblanks, the opposing party is provided with finger socket; Also can be equipped with mutually chimeric tooth and alveolus structure at the unblank abutting end of part of the inner of described internal cylinder and described rotation.
In addition, described outer lock core in above-mentioned mechanical lock can also be contained in the circular hole of lock core body, under this form of structure, in the slideway that described internal cylinder and described outer lock core are bonded with each other, arrange and limit the two gathering sill and embed muscle or the key in this gathering sill in relative rotation.
Owing to adopting technique scheme, the present invention compared with prior art, has following beneficial effect:
1. can abandon spring completely, make not yet go out since the dawn of human civilization without spring mechanical lock.The mechanical lock of this structure allows illegal theft cannot obtain the feel of provoking lock pin, therefore can stop to adopt the technology unlocking of unlocking tool to this lock completely.
2. when the lock pin socket of outer lock core is that annular groove is while arranging, inside and outside lock core can relatively rotate like a cork under the state of not release, therefore can further prevent that theft from adopting brill to lock, turning round the picking lock of internal cylinder by force and the technology unlocking to this lock with unlocking tool.
3. owing to having abandoned spring and the inside and outside billiards structure of existing cylinder lock, do not need again to arrange sealed trip(ping) lever or the sealed side column as arranged in existing racing lock between interior outer lock core, therefore, lock core diameter of the present invention can make very little size, can directly be loaded in European lockset, break through the technology barrier that existing idle running mechanical lock can not be used for European lockset.
4, in the inner of internal cylinder and unblank to arrange between part the structure of finger and pin-and-hole or be provided with mutually chimeric tooth and the structure of alveolus, can prevent that theft from adopting violence impact internal cylinder to realize the effect that rotation is unblanked with unblanking part to be connected, antitheft performance more by force, firmer.
5. because lock pin is provided with the lock section of dialling of stretching in keyhole in lock pin groove, lock pin can not rotate with respect to lock pin groove, the stretching out termination and can make the end face matching with internal cylinder and outer lock core mating face of lock pin, and be not the button-head structure of the marble head of cylinder lock, lock pin is improved greatly to the sealed precision between internal cylinder and outer lock core, as long as being greater than the joint clearance of internal cylinder and outer lock core, the length that lock pin stretches out internal cylinder just can realize sealed to internal cylinder and outer lock core, this structure has improved the sealed precision of lock core on the one hand greatly, prevent technology unlocking, can allow on the other hand key actuated lock pin obtain more key rank, such as, key actuated lock pin is differential taking 0.2 millimeter as one, so the each lock pin of key actuated in 1.5 millimeters mobile just can obtain 7 differential, if lock pin is set to be stretched out to two ends and realizes sealed internal cylinder and outer lock core in internal cylinder, so each lock pin just can obtain 14 differential, therefore size of key is huge, lock core of the present invention can arrange in multiple sides of keyhole the multiple lock pins of the every row of many rows, therefore can obtain very huge size of key.
Brief description of the drawings
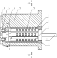
Fig. 1 is embodiments of the invention 1 internal cylinder and the structural representation of outer lock core in locked state.
Fig. 2 is the sectional view at A-A place in Fig. 1.
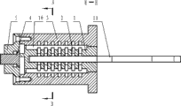
Fig. 3 is embodiments of the invention 1 internal cylinder and the structural representation of outer lock core in released state.
Fig. 4 is the sectional view at H-H place in Fig. 3.
Fig. 5 is the sectional view at B-B place in Fig. 4.
Fig. 6 is embodiments of the invention 2 internal cylinder and the structural representation of outer lock core in locked state.
Fig. 7 is the sectional view at C-C place in Fig. 6.
Fig. 8 is embodiments of the invention 3 internal cylinder and the structural representation of outer lock core in locked state.
Fig. 9 is the structural representation of key in embodiments of the invention 3.
Figure 10 is the sectional view at D-D place in Fig. 8.
Figure 11 is the sectional view at E-E place in Fig. 8.
Figure 12 is the sectional view that the internal cylinder at E-E place in Fig. 8 turns to another location state.
Figure 13 is the sectional view at F-F place in Fig. 8.
Figure 14 is embodiments of the invention 4 internal cylinder and the front view of outer lock core in released state.
Figure 15 is embodiments of the invention 4 internal cylinder and the left view of outer lock core in released state.
Figure 16 is the sectional view at G-G place in Figure 14.
Figure 17 is that embodiments of the invention 4 internal cylinder and outer lock core are in locked state sectional view.
Figure 18 is the sectional view at I-I place in Figure 14.
Detailed description of the invention
Below in conjunction with accompanying drawing example, the invention will be further described:
the mechanical lock of embodiment 1 is as shown in Figures 1 to 5:
The lock core of example shown in Fig. 1, Fig. 2 has an outer lock core 3, the lateral surface of outer lock core 3 is the face of cylinder, there is one section of protruding shaft shoulder structure its outer end, its the inner is fixedly connected with a lock core inner cap 5 by screw 9, the part 4 of unblanking that drives the lockset column of unblanking is equipped with at the center of lock core inner cap 5 by the slideway of a manhole structure, unblank part 4 for the part of unblanking that slides, the part 4 of unblanking can slide axially in the slideway of inner cap 5, and by its in Fig. 1 to the left a side slide to drive lockset (assignment fills the lockset of this mechanical lock) to unblank.The inside of outer lock core 3 is provided with one by circular hole and is provided with the slideway of raised ribs at circular hole wall, an internal cylinder 1 is housed in this slideway, the outside of internal cylinder 1 is also provided with the groove that plays keyway effect being enclosed within outside outer lock core 3 slideway muscle, make internal cylinder 1 can only be in the circular slideway of outer lock core 3 axial motion, and can not rotate with respect to outer lock core 3.
In internal cylinder 1, be provided with the keyhole that cross section is rectangle, the lateral surface of internal cylinder 1 has the face of cylinder engaging with outer lock core slideway, internal cylinder 1 is respectively provided with in two relative sides of keyhole 7 lock pin slideways that a row be arranged in parallel, these lock pin slideway shapes and structure are all identical, it is all the groove in the lateral surface moulding of internal cylinder 1, in every lock pin slideway, be all equipped with one as Fig. 1, lock pin 2 shown in Fig. 2, lock pin 2 is made up of stainless steel, in the form of sheets, lock pin slideway notch one side that is positioned at of lock pin 2 is provided with a breach, the notch place of each row's lock pin slideway is embedded with a lock pin strip of paper used for sealing 10, lock pin strip of paper used for sealing 10 just in time snaps in the breach of 7 lock pins 2, this is limited in lock pin slideway to make each lock pin 2, the groove bottom of each lock pin slideway all has a slotted hole, the finger portion of lock pin 2 from these slotted holes by stretching in the keyhole of internal cylinder 1, as depicted in figs. 1 and 2.
In the chute wall of outer lock core 3, be also provided with 7 roads and be the lock pin socket that groove structure inserts for each lock pin 2, in the time that internal cylinder 1 moves to latched position in the slideway of outer lock core 3, these lock pin sockets dock with the external port of many lock pin slideways of internal cylinder 1 respectively.In the present embodiment, two external port of the lock pin slideway in internal cylinder 1 refer to that the lock pin slideway of flute profile stretches out two notches of lock core 1 for lock pin 2.
In the time that internal cylinder 1 moves to latched position in the slideway of outer lock core 3, each lock pin 2 just can slide and come in and go out in lock pin slideway lock pin socket of outer lock core 3, at this moment inserting the key 11 of internal cylinder 1 keyhole could transfer to or insert in keyhole, in the time that institute's bitting insertion internal cylinder 1 keyhole puts in place, all lock pin 2 is all driven into the unlocked position of setting by the lock pin driver slot on key 11, be these lock pins 2 when its one end moves to when concordant with its external port of lock pin slideway, its other end is just in time concordant with another external port of this lock pin slideway, this state is the released state of internal cylinder 1 of the present invention and outer lock core 3, as shown in Figures 3 to 5, in the following embodiment of the present invention, alleged released state all refers to this location status of lock pin 2 and internal cylinder 1.Internal cylinder 1 with outer lock core 3 under released state, internal cylinder 1 vibration in the circular slideway of outer lock core 3 under external force.In the time that operator is promoted internal cylinder 1 and moved to the inside of outer lock core 3 by key, the part 4 that can promote to unblank drives lockset to unblank.When internal cylinder 1 departs from latched position inwardly promoting to unblank part 4, the position that while transfering to keyhole due to key 11, demand motive part lock pin 2 departs from released state, therefore, lock pin 2 can stop key 11 to be transferred in keyhole.Only have and transfer to the action of key to drive internal cylinder 1 to return to locked state, be that the external port of whole lock pin slideways is while docking with the lock pin socket of outer lock core 3 respectively, each lock pin 2 could be by key actuated vibration in the lock pin slideway of internal cylinder 1, thereby key 11 can be exited to the keyhole of internal cylinder 1.
In the time that key 11 exits the keyhole of internal cylinder 1, can drive lock pin 2 vibration and depart from the position that released state sets in lock pin slideway, as long as have a lock pin 2 in lock pin slideway not in the time of the position of released state of setting, one end in lock pin 2 two ends all can be inserted in the lock pin socket of outer lock core 3, thereby stop internal cylinder 1 vibration in the circular slideway of outer lock core 3, this state is the locked state of internal cylinder 1 and outer lock core 3, state as depicted in figs. 1 and 2, the alleged locked state of the present invention all refer between internal cylinder 1 and outer lock core 3 in this internal cylinder 1 can not be in the slideway of outer lock core 3 state of relative vibration.Under this locked state, internal cylinder 1 part 4 that can not inwardly promote to unblank moves to drive lockset to unblank to the left in Fig. 1.
Under locked state, 14 lock pins 2 are the state of being free to slide in lock pin slideway separately, illegal key, or while attempting to unblank with the keyhole of unlocking tool insertion internal cylinder 1, due in lock core without any spring element, theft can not rely on the stress of lock pin 2 to judge that whether the two ends of lock pin 2 are concordant with the two-port of lock pin slideway, can not make 14 lock pins all just in time retract in the lock pin slideway of internal cylinder 1, therefore, can not make internal cylinder 1 and outer lock core 3 in released state.
Due to lock pin 2 for insert outer lock core 3 two termination shapes of lock pin opening can make the cylindrical shape engaging with internal cylinder 1 and outer lock core 3, and need to as existing cylinder lock, not manufacture in termination portion rounding or chamfering, therefore, as long as stretching out outer 0.05 millimeter of internal cylinder 1, lock pin 2 just can make internal cylinder 1 and outer lock core 3 realize reliable locked state.If each lock pin 2 can arrange to two termination directions length of stretching out be 1.5 millimeters, taking every 0.2 millimeter as differential, just can obtain 14 differential, 14 lock pins, each lock pin has 14 differential the machine tool lock cores that just can make and has very huge size of key.
the mechanical lock of embodiment 2 is as shown in Figure 6 to 7:
One of difference of mechanical lock shown in Fig. 6, Fig. 7 and embodiment 1 is that the slideway in outer lock core 3 is circular hole, its slideway does not have the muscle portion of embodiment 1, the internal cylinder 1 being contained in outer lock core 3 slideways does not have as the slide groove in embodiment 1 yet, be internal cylinder 1 not only can be under unlocking condition can be in the slideway of outer lock core 3 vibration, also can under locked state, in the slideway of outer lock core 3, freely rotate.Two of the difference of the present embodiment 2 and embodiment 1 is to unblank part 4 for rotating the part of unblanking, and is to drive lockset to unblank by its rotation.Unblank part 4 near one end of internal cylinder 1 be provided with one depart from its revolution axial line arrange finger socket, internal cylinder 1 is provided with the finger of unblanking near one end of the part 4 of unblanking, it is that the finger of unblanking by internal cylinder 1 inserts in the finger socket of part 4 of unblanking that the present embodiment is unblanked, and drives lockset to unblank by the unblank rotation of part 4 of the driving of internal cylinder 1.
The shape and structure of lock pin 2, screw 9 and inner cap 5 in the present embodiment 2 is identical with embodiment 1.The central through hole of inner cap 5 is as the axis hole of the part 4 of unblanking, and the gage 8 of unblanking is equipped with by pin 6 in the inner of the part 4 of unblanking, is fixed in the through hole of inner cap 5 by being contained in the jump ring 7 of unblanking in gage 8 draw-in grooves make to unblank part 4 and the gage 8 of unblanking.
The lock pin slideway of internal cylinder 1 and the quantity of lock pin 2 in the present embodiment 2, arrangement and position arrange identical with embodiment 1, and each notch of arranging lock pin slideway is embedded with a lock pin strip of paper used for sealing 10 too.
The set unlocked position of its each lock pin 2 of the mechanical lock of the present embodiment, key used, and the locked state of lock core 1 and outer lock core 3 is all identical with the embodiment 1 shown in Fig. 1 to Fig. 5 with released state.Under released state, when turning to its finger of unblanking, internal cylinder 1 aims at while unblanking the finger socket of part 4, internal cylinder 1 can be under the effect of external force in the slideway of outer lock core 3 allow the finger of unblanking of internal cylinder 1 insert in the finger socket of the part 4 of unblanking with respect to the inside vibration of outer lock core 3, thus then by the rotation of internal cylinder 1 stir the part 4 of unblanking, the gage 8 of unblanking rotates and drives lockset to unblank; The present embodiment is under locked state, internal cylinder 1 can not be with respect to outer lock core 3 vibrations in the slideway of outer lock core 3, in the time that illegal key or other instrument insert keyhole and attempt to unblank, although internal cylinder 1 can turn to its opening finger portion and aim at respect to outer lock core 3 the finger socket of the part 4 of unblanking, the finger socket that internal cylinder 1 can not be inserted the part 4 of unblanking drives the part 4 of unblanking to rotate and unblanks.
Due to the mechanical lock of the present embodiment, in internal cylinder 1, the two all can relatively rotate during in locked state with outer lock core 3, therefore, can prevent that theft from passing through to bore, this lock core of sled instrument pirate of the open.
the mechanical lock of embodiment 3 is the mechanical lock of European lock, as shown in Fig. 8~Figure 13:
It shown in Fig. 8, is the agent structure schematic diagram of the present embodiment, this mechanical lock has one except not having the part of marble hole and marble hole envelope thing, the lock core body 12 that other parts are identical with existing European lock cylinder part, the part 4 of unblanking is equipped with by jump ring 13 in middle part at lock core body 12, is set with and unblanks finger 14 as shown in figure 13 unblanking outside part 4.The part 4 of unblanking, jump ring 13, lock core body 12 and unblank their external shape of finger 14 and the syndeton between them and existing European lock cylinder identical.In the circular hole of lock core body 12, outside the two ends of part 4 of unblanking, be equipped with symmetrically respectively a set of by shown in internal cylinder 1, lock pin 2, outer lock core 3 and lock pin strip of paper used for sealing 10(Figure 10) part that forms, the right-hand member of lock core body 12 shrouding 15 that has been welded in Fig. 8.
Fig. 8 is in conjunction with shown in Figure 10, internal cylinder 1 in the present embodiment is established cross section in being be rectangular keyhole, lateral surface is the part on the face of cylinder, and the outer end of internal cylinder 1 is keyhole entrance, and the inner of internal cylinder 1 is provided with the tooth alveolar part corresponding with the tooth alveolar part of the opposite end of the part 4 of unblanking.The quantity of the lock pin slideway of internal cylinder 1 and position arrange, and lock pin 2 arranges with the appropriate section of embodiment 1 identical with the mounting means of internal cylinder 1 with position.Internal cylinder 1 is respectively provided with 7 lock pin slideways that a row be arranged in parallel in the both sides of its keyhole, these lock pin slideway shape and structures are all identical, it is all the groove in the lateral surface moulding of internal cylinder 1, a lock pin 2 as shown in Figure 10 is all housed in every lock pin slideway, lock pin 2 is made up of stainless steel, in the form of sheets, lock pin 2 is positioned at lock pin slideway notch one side and is provided with a breach, the notch place of each row's lock pin slideway is embedded with a lock pin strip of paper used for sealing 10, lock pin strip of paper used for sealing 10 just in time snaps in the breach of 7 lock pins 2, each lock pin 2 is limited in lock pin slideway, the groove bottom of each lock pin slideway all has a slotted hole, the finger portion of lock pin 2 from these slotted holes by stretching in the keyhole of internal cylinder 1.
Internal cylinder 1 is contained in the slideway of outer lock core 3 of a tubular, and the slideway of outer lock core 3 is provided with convex tendon, and the outside of internal cylinder 1 is provided with the muscle groove being sleeved on outside outer lock core 3 slideway convex tendons, and internal cylinder 1 can not be rotated relative to outer lock core 3 in the slideway of outer lock core 3.Outer lock core 3 is contained in the circular hole of lock core body 12 and can rotates relative to lock core body 12.
Fig. 9 is the key 11 of the present embodiment 3 mechanical locks.Outer lock core 3 is provided with the lock pin socket for the flute profile of the external port docking of the each lock pin slideway of internal cylinder 1, and internal cylinder 1 is identical with the corresponding state of locked state, released state and the embodiment 1 of outer lock core 3.In the time that key 11 departs from internal cylinder 1, internal cylinder 1 and outer lock core 3 are in locked state, as shown in Fig. 8 and Figure 10, now internal cylinder 1 and outer lock core 3 can dally in the circular hole of lock core body 12, outer lock core 3 is limited in the circular hole of lock core body 12 can not axial motion, internal cylinder 1 can not be with respect to outer lock core 3 axial motions under this locked state, in this state, the inner tooth alveolar part of internal cylinder 1 can not be mutually chimeric with the tooth alveolar part of the part 4 of unblanking, this idle running of internal cylinder 1 can not drive the part 4 of unblanking to rotate and unblank with the finger 14 of unblanking, internal cylinder 1 and the idle running of outer lock core 3 under locked state also can prevent this mechanical lock of mode pirate of the open that bores and prize for theft, identical with the release principle of embodiment 1, when the keyhole that inserts internal cylinder 1 when key 11 puts in place, each lock pin 2 is just driven and gets back to the position that release is set by the driver slot of key 11, in the internal cylinder of retracting 1, enter released state, under released state, internal cylinder 1 is rotated simultaneously and is inwardly promoted, in the time that the tooth alveolar part of internal cylinder 1 the inner forwards the alveolus of the positive dual lock part 4 tooth alveolar parts of its tooth to, as shown in figure 11, the tooth alveolar part of internal cylinder 1 the inner just can be mutually chimeric with the tooth alveolar part of the part 4 of unblanking, be rotated further internal cylinder 1 by key, can drive the part 4 of unblanking to rotate and unblank with the finger 14 of unblanking.
This mechanical lock not only has huge size of key as previously mentioned, can prevent theft master key and unlocking tool technology unlocking, and due to the inner of internal cylinder 1 and unblank to be provided with for mutually chimeric tooth alveolar part between part 4, even if theft applies violence in locked state to internal cylinder 1, also can be due to the position that is difficult to find internal cylinder 1 just in time to be aimed at the tooth alveolar part of the part 4 of unblanking and can not make their tooth alveolar part mutually chimeric, as shown in figure 12.Therefore, no matter this mechanical lock is that violence rotation or violence promotion internal cylinder 1 all cannot be implemented the pirate of the open to this mechanical lock under locked state.
the mechanical lock of embodiment 4 is the mechanical lock of American lock, as shown in Figure 14 to Figure 18:
It shown in Figure 14, is the agent structure schematic diagram of this mechanical lock, this mechanical lock has one except not having the part of marble hole and marble hole envelope thing, the lock core body 12 that other parts are identical with existing American lock cylinder, there is one in the inside of lock core body 12 for the circular hole of outer lock core 3 is installed, be provided with one section of through hole that is slightly less than this Circularhole diameter in the inner of this circular hole, the part 4 of unblanking is housed in this section of through hole, unblank part 4 for rotating the part of unblanking, a finger 8 of unblanking is as shown in figure 15 equipped with by screw 9 in the unblank rear end of part 4, the shrouding 15 being welded in the port of lock core body 12 circular holes is enclosed in outer lock core 3 in the circular hole of lock core body 12 vibration vertically, but can freely rotate with respect to lock core body 12.
Internal cylinder 1 is established cross section in being be triangle keyhole, the part that lateral surface is the face of cylinder, and the outer end of internal cylinder 1 is keyhole entrance, the inner of internal cylinder 1 is provided with the tooth alveolar part corresponding with the tooth alveolar part of the opposite end of the part 4 of unblanking.Internal cylinder 1 is provided with three rows at the side of keyhole lock pin slideway, each row has 7 lock pin slideways, same row's lock pin slideway shape and structure is all identical, be arranged on the groove of internal cylinder 1 side, in every lock pin slideway, be all equipped with one as Figure 16, lock pin 2 shown in 17, lock pin 2 is made up of stainless steel, in the form of sheets, lock pin 2 is positioned at lock pin slideway notch one side and is provided with a breach, the notch place of each row's lock pin slideway is embedded with a lock pin strip of paper used for sealing 10, lock pin strip of paper used for sealing 10 just in time snaps in the breach of 7 lock pins 2, each lock pin 2 is limited in lock pin slideway, the groove bottom of each lock pin slideway all has a slotted hole, the finger portion of lock pin 2 from these slotted holes by stretching in the keyhole of internal cylinder 1.
Shown in Figure 14, Figure 16 and Figure 17, internal cylinder 1 is contained in the circle hole shape slideway of outer lock core 3 of a tubular, outer lock core 3 is provided with groove in slideway, and the outside of internal cylinder 1 is provided with the convex tendon that embeds outer lock core 3 slideway grooves, and internal cylinder 1 can not be rotated relative to outer lock core 3 in the slideway of outer lock core 3.Outer lock core 3 is contained in the circular hole of lock core body 12, and no matter internal cylinder 1 is locked state or released state with outer lock core 3, and internal cylinder 1 all can dally by relative lock core body 12 with outer lock core 3 in the circular hole of lock core body 12.
Outer lock core 3 is provided with the lock pin socket for the flute profile of the external port docking of the each lock pin slideway of internal cylinder 1, in the time that key 11 departs from internal cylinder 1, internal cylinder 1 and outer lock core 3 are in locked state, as shown in figure 17, now internal cylinder 1 and outer lock core 3 can dally in the circular hole of lock core body 12, outer lock core 3 is limited in the circular hole of lock core body 12 can not axial motion, internal cylinder 1 can not be with respect to outer lock core 3 axial motions under this locked state, in this state, the inner tooth alveolar part of internal cylinder 1 can not be mutually chimeric with the tooth alveolar part of the part 4 of unblanking, this idle running of internal cylinder 1 can not drive the part 4 of unblanking to rotate and unblank with the finger 14 of unblanking, internal cylinder 1 and the idle running of outer lock core 3 under locked state can prevent this mechanical lock of mode pirate of the open that bores and prize for theft.
The cross section that the key of the present embodiment is used for the part of inserting internal cylinder 1 keyhole is triangle, in this part, three sides of key are respectively provided with lock pin driver slot one, when the keyhole that inserts internal cylinder 1 when key 11 puts in place, each lock pin 2 is just driven and gets back to the position that release is set by the driver slot of key 11, in the internal cylinder of retracting 1, enter released state, as shown in Figure 14 and Figure 16, under released state, internal cylinder 1 is rotated simultaneously and is inwardly promoted, in the time that the tooth alveolar part of internal cylinder 1 the inner forwards the alveolus of the positive dual lock part 4 tooth alveolar parts of its tooth to, the tooth alveolar part of internal cylinder 1 the inner just can be mutually chimeric with the tooth alveolar part of the part 4 of unblanking, be rotated further internal cylinder 1 by key, can drive the part 4 of unblanking to rotate and unblank with the finger 14 of unblanking.
This mechanical lock not only has huge size of key as previously mentioned, can prevent theft master key and unlocking tool technology unlocking, and due to the inner of internal cylinder 1 and unblank to be provided with for mutually chimeric tooth alveolar part between part 4, even if theft applies violence in locked state to internal cylinder 1, also can be due to the position that is difficult to find internal cylinder 1 just in time to be aimed at the tooth alveolar part of the part 4 of unblanking and can not make their the tooth alveolar part can not be mutually chimeric, as shown in figure 18.Therefore, no matter this mechanical lock is that violence rotation or violence promotion internal cylinder 1 all cannot be implemented the pirate of the open to this mechanical lock under locked state.
Above-described embodiment is only as understanding the present invention, and for realizing good embodiment of the present invention, the specific embodiment of the present invention is not limited to above-described embodiment.As in the various embodiments described above, the lock pin arrangement being located at outside internal cylinder is only 2-3 row, and in like manner, in other conventional embodiment, its lock pin arrangement mode can also be that 1 row and 4 rows are set.Generally speaking, the lock pin arrangement that is greater than 4 rows is non-common embodiment, for example, lock pin is arranged in to more rows, or even still feasible around keyhole helical arrangement, and prominent anti-difficulty can be larger, but can therefore strengthen manufacture difficulty.In addition, rotate in outer lock core in order to limit internal cylinder, in outer lock core, for the slideway of internal cylinder is installed, also can to adopt square hole or other cross sections be non-circular slideway, also can also adopt protruding pin coordinate the groove of pin and adopt spline and spline slotted eye etc. various forms.Have, the concrete effect of lock pin is to be subject to key actuated to stretch out internal cylinder to make inside and outside lock core mutually lock common axial location again, and therefore, the concrete shape of internal cylinder and structure also can have varied.Therefore, the arrangement mode of lock pin outside keyhole, and slideway structure or the shape and structure of lock pin that outer lock core coordinates with internal cylinder can be varied, can not be exhaustive, the mechanical lock that the combination of the variation separately of these technical characterictics and variation obtains all belongs to interest field of the present invention.

Claims (1)

1. a mechanical lock, comprises the internal cylinder that is provided with keyhole, it is characterized in that: described internal cylinder is contained in the slideway in outer lock core; Described internal cylinder is provided with multiple lock pins without spring action that are contained in each self-lock pin slideway on keyhole side, each lock pin is equipped with the finger portion stretching in described keyhole, and described outer lock core is provided with multiple lock pin sockets that are annular groove shape that dock respectively with the external port of many lock pin slideways of this internal cylinder in the time that described internal cylinder moves to latched position in described slideway; Described internal cylinder interior distolateral is equipped with and rotates the part of unblanking, and described internal cylinder and described rotation the two the central side of part that unblanks is provided with the finger of unblanking, and the opposing party is provided with finger socket.
2. mechanical lock according to claim 1, is characterized in that: have a described lock pin at least when its one end moves to when concordant with its external port of lock pin slideway, its other end is just in time concordant with another external port of this lock pin slideway.
3. mechanical lock according to claim 1 and 2, is characterized in that: described lock pin slideway is arranged in 3 rows, and each lock pin slideway in same row's lock pin slideway is parallel to each other.
4. a mechanical lock, comprises the internal cylinder that is provided with keyhole, it is characterized in that: described internal cylinder is contained in the slideway in outer lock core; Described internal cylinder is provided with multiple lock pins without spring action that are contained in each self-lock pin slideway on keyhole side, each lock pin is equipped with the finger portion stretching in described keyhole, and described outer lock core is provided with multiple lock pin sockets that are annular groove shape that dock respectively with the external port of many lock pin slideways of this internal cylinder in the time that described internal cylinder moves to latched position in described slideway; The inner of described internal cylinder is equipped with and is rotated the part of unblanking, the inner of described internal cylinder and described rotation unblank part the two be equipped with mutual chimeric tooth and alveolus.
5. mechanical lock according to claim 4, is characterized in that: have a described lock pin at least when its one end moves to when concordant with its external port of lock pin slideway, its other end is just in time concordant with another external port of this lock pin slideway.
6. according to the mechanical lock described in claim 4 or 5, it is characterized in that: described lock pin slideway is arranged in 3 rows, each lock pin slideway in same row's lock pin slideway is parallel to each other.
CN201110275663.0A 2011-09-16 2011-09-16 Mechanical lock cylinder Expired - Fee Related CN102337849B (en)

Priority Applications (2)

Application Number Priority Date Filing Date Title
CN201110275663.0A CN102337849B (en) 2011-09-16 2011-09-16 Mechanical lock cylinder
PCT/CN2012/081447 WO2013037316A1 (en) 2011-09-16 2012-09-15 Mechanical lock core

Applications Claiming Priority (1)

Application Number Priority Date Filing Date Title
CN201110275663.0A CN102337849B (en) 2011-09-16 2011-09-16 Mechanical lock cylinder

Publications (2)

Publication Number Publication Date
CN102337849A CN102337849A (en) 2012-02-01
CN102337849B true CN102337849B (en) 2014-07-02

Family

ID=45513774

Family Applications (1)

Application Number Title Priority Date Filing Date
CN201110275663.0A Expired - Fee Related CN102337849B (en) 2011-09-16 2011-09-16 Mechanical lock cylinder

Country Status (2)

Country Link
CN (1) CN102337849B (en)
WO (1) WO2013037316A1 (en)

Families Citing this family (3)

* Cited by examiner, † Cited by third party
Publication number Priority date Publication date Assignee Title
CN102337849B (en) * 2011-09-16 2014-07-02 樊俞成 Mechanical lock cylinder
CN103015804B (en) * 2013-01-21 2015-04-08 刘细裕 Antitheft gourd-shaped lock
CN109930907B (en) * 2019-04-02 2024-01-23 珠海优特电力科技股份有限公司 Lock cylinder system, key system and lockset system

Citations (6)

* Cited by examiner, † Cited by third party
Publication number Priority date Publication date Assignee Title
US5956986A (en) * 1995-12-11 1999-09-28 R. Berchtold A.G. Locking device with a cylinder lock and a flat key
CN2428543Y (en) * 2000-06-20 2001-05-02 姜方冰 Pin-type lock and key
CN2620025Y (en) * 2003-03-05 2004-06-09 李善桐 Blade lock
CN101196086A (en) * 2007-11-08 2008-06-11 黄其安 Theftproof lock core
RU2373359C1 (en) * 2008-04-22 2009-11-20 Михаил Юрьевич Рылеев Lock cylinder mechanism
CN202249235U (en) * 2011-09-16 2012-05-30 樊俞成 Mechanical lock core

Family Cites Families (13)

* Cited by examiner, † Cited by third party
Publication number Priority date Publication date Assignee Title
JPH0739774B2 (en) * 1992-04-09 1995-05-01 朝日電装株式会社 Sidebar cylinder lock
CN2127409Y (en) * 1992-07-31 1993-02-24 黄明浩 Clutch type three-proofing lock core
FR2754297B1 (en) * 1996-10-09 1998-11-27 Valeo Securite Habitacle MOTOR VEHICLE LOCK HAVING IMPROVED GLITTER RETENTION MEANS
CN2723621Y (en) * 2004-09-07 2005-09-07 吴颂达 Spring less cluster slide sheet lock
CN200978568Y (en) * 2006-09-29 2007-11-21 胡昕 Anti-theft locking device
JP4145334B2 (en) * 2006-10-19 2008-09-03 株式会社五味製作所 Variable code cylinder lock
CN201059099Y (en) * 2007-04-13 2008-05-14 黄伟敏 Idle run anti-theft lock
CN101187271A (en) * 2007-12-13 2008-05-28 程友良 Pull-draw rotation type composite lock core
CN201165786Y (en) * 2008-02-04 2008-12-17 黄伟敏 Lock head with lock core capable of idling
CN201193424Y (en) * 2008-04-25 2009-02-11 岑华标 Blade snakelike lock
CN101555738A (en) * 2009-04-21 2009-10-14 钟坚波 Idle running lock
CN201661131U (en) * 2010-03-31 2010-12-01 胡就辉 Door lock
CN102337849B (en) * 2011-09-16 2014-07-02 樊俞成 Mechanical lock cylinder

Patent Citations (6)

* Cited by examiner, † Cited by third party
Publication number Priority date Publication date Assignee Title
US5956986A (en) * 1995-12-11 1999-09-28 R. Berchtold A.G. Locking device with a cylinder lock and a flat key
CN2428543Y (en) * 2000-06-20 2001-05-02 姜方冰 Pin-type lock and key
CN2620025Y (en) * 2003-03-05 2004-06-09 李善桐 Blade lock
CN101196086A (en) * 2007-11-08 2008-06-11 黄其安 Theftproof lock core
RU2373359C1 (en) * 2008-04-22 2009-11-20 Михаил Юрьевич Рылеев Lock cylinder mechanism
CN202249235U (en) * 2011-09-16 2012-05-30 樊俞成 Mechanical lock core

Also Published As

Publication number Publication date
CN102337849A (en) 2012-02-01
WO2013037316A1 (en) 2013-03-21

Similar Documents

Publication Publication Date Title
CN205822940U (en) A kind of self calibration clutch
CN100999959A (en) A lock cylinder clutch structure capable of idle rotation of a tumbler lock cylinder
CN102337849B (en) Mechanical lock cylinder
EP1635012A3 (en) Cylinder lock device
CN202745515U (en) Axial spring lock core and key
CN103233617B (en) Anti-theft rotary cylinder lock lock body and key
CN202249235U (en) Mechanical lock core
CN201258621Y (en) Lockset containing blade marble
CN201059099Y (en) Idle run anti-theft lock
CN102852394A (en) Axial spring lock core and key
US20130319057A1 (en) Novel anti-theft lockset
EP2982817A1 (en) Lock core
CN201125576Y (en) Lock head for preventing toggling thumb wheel to open
CN101377103A (en) Back locking structure of dial-proof lock
CN201103276Y (en) Idle run anti-theft spring lock
CN101117857A (en) Clutch structure with lock cylinder capable of idling and lock head thereof
CN201850855U (en) Special-shaped ball idling lock head
CN201137345Y (en) Lock possessing idle rotation lock master
CN101307660A (en) Lock head with arced marble
CN201137346Y (en) Lock possessing idle rotation lock master
CN202627671U (en) Lock body and key of anti-theft rotary pin tumbler lock
CN101122191B (en) Lock with idle rotation lock core structure
CN204418826U (en) Mechanical lock
JP2015094195A (en) Cylinder lock
CN204511088U (en) J type Straight pull theftproof lock

Legal Events

Date Code Title Description
C06 Publication
PB01 Publication
C10 Entry into substantive examination
SE01 Entry into force of request for substantive examination
C14 Grant of patent or utility model
GR01 Patent grant
ASS Succession or assignment of patent right

Owner name: TAIZHOU ZHEN'AN LOCK TECHNOLOGY CO., LTD.

Free format text: FORMER OWNER: FAN YUCHENG

Effective date: 20150810

Free format text: FORMER OWNER: WEI JIANKUI

Effective date: 20150810

C41 Transfer of patent application or patent right or utility model
TR01 Transfer of patent right

Effective date of registration: 20150810

Address after: 317000, Taizhou, Zhejiang City, Liaoning Province, Daejeon Street Daejeon Liu Village

Patentee after: Taizhou is really an Lock Technology Co.,Ltd.

Address before: 545100, No. 42 Liu Xi Street, pull Town, the Liujiang River, the Guangxi Zhuang Autonomous Region, Liuzhou

Patentee before: Fan Yucheng

Patentee before: Wei Jiankui

TR01 Transfer of patent right

Effective date of registration: 20211008

Address after: 317000 Datian Liu Cun, Datian street, Linhai City, Taizhou City, Zhejiang Province (No. 2508, Baiye East Road, Datian Liu Cun, Datian street, Linhai City)

Patentee after: ZHEJIANG TIANTIAN ELECTRONIC Co.,Ltd.

Address before: 317000 Da Tian Jie Dao Da Tian Liu Cun, Linhai City, Taizhou City, Zhejiang Province

Patentee before: Taizhou is really an Lock Technology Co.,Ltd.

TR01 Transfer of patent right
CF01 Termination of patent right due to non-payment of annual fee

Granted publication date: 20140702

CF01 Termination of patent right due to non-payment of annual fee