CN102303422A - Safety device for burst of hydraulic oil circuit of hydraulic press sliding block - Google Patents

Safety device for burst of hydraulic oil circuit of hydraulic press sliding block Download PDF

Info

Publication number
CN102303422A
CN102303422A CN201110287838A CN201110287838A CN102303422A CN 102303422 A CN102303422 A CN 102303422A CN 201110287838 A CN201110287838 A CN 201110287838A CN 201110287838 A CN201110287838 A CN 201110287838A CN 102303422 A CN102303422 A CN 102303422A
Authority
CN
China
Prior art keywords
hydraulic
hydraulic cylinder
safety device
sliding block
oil return
Prior art date
Legal status (The legal status is an assumption and is not a legal conclusion. Google has not performed a legal analysis and makes no representation as to the accuracy of the status listed.)
Pending
Application number
CN201110287838A
Other languages
Chinese (zh)
Inventor
丁玉兰
Current Assignee (The listed assignees may be inaccurate. Google has not performed a legal analysis and makes no representation or warranty as to the accuracy of the list.)
NANTONG FORGING EQUIPMENT CO Ltd
Original Assignee
NANTONG FORGING EQUIPMENT CO Ltd
Priority date (The priority date is an assumption and is not a legal conclusion. Google has not performed a legal analysis and makes no representation as to the accuracy of the date listed.)
Filing date
Publication date
Application filed by NANTONG FORGING EQUIPMENT CO Ltd filed Critical NANTONG FORGING EQUIPMENT CO Ltd
Priority to CN201110287838A priority Critical patent/CN102303422A/en
Publication of CN102303422A publication Critical patent/CN102303422A/en
Pending legal-status Critical Current

Links

Images

Landscapes

  • Fluid-Pressure Circuits (AREA)

Abstract

The invention relates to a safety device for burst of a hydraulic oil circuit of a hydraulic press sliding block. The safety device comprises a hydraulic cylinder for driving the sliding block, wherein the lower cavity of the hydraulic cylinder is connected with an oil return pipeline. The safety device is characterized in that: the oil return pipeline is sequentially equipped with a safety valve and a hydraulic lock from the lower cavity of the hydraulic cylinder to an oil return system; and the oil return pipeline is further equipped with a pressure sensor. In the case of sudden leakage of the oil return pipeline connected with the lower cavity of the hydraulic cylinder, the pressure sensor detects the pressure change and then sends a signal to the hydraulic lock so that the hydraulic lock disconnects the lower cavity of the hydraulic cylinder from an oil tank and the sliding block is prevented from dropping suddenly, thereby avoiding major safety accidents.

Description

A kind of slider of hydraulic press hydraulic circuit booster safety device
Technical field
The present invention relates to a kind of hydraulic press hydraulic circuit, particularly a kind of slider of hydraulic press hydraulic circuit booster safety device.
Background technology
The hydraulic system that drives slider of hydraulic press when if abnormal condition such as hydraulic cylinder cavity of resorption oil pipe cracking, hydraulic circuit explosion occurring, makes hydraulic oil leak fast when work, causes slide block to descend suddenly, has bigger potential safety hazard.
Summary of the invention
The technical problem that the present invention will solve provides the high slider of hydraulic press hydraulic circuit booster safety device of a kind of safety coefficient.
For solving the problems of the technologies described above; Technical scheme of the present invention is: a kind of slider of hydraulic press hydraulic circuit booster safety device; The hydraulic cylinder that comprises driving sliding block; The cavity of resorption of said hydraulic cylinder connects return line; Its innovative point is: from hydraulic cylinder cavity of resorption to fuel tank direction safety valve and hydraulic lock are installed successively on the said return line; Pressure sensor also is installed on the said return line, and the output signal of said pressure sensor inserts the electromagnet of hydraulic lock.
The invention has the advantages that: when the return line of hydraulic cylinder cavity of resorption connection occurs leaking suddenly; Pressure sensor detects pressure to be changed; Pressure sensor sends signal and gives hydraulic lock; Make hydraulic lock cut off being communicated with of hydraulic cylinder cavity of resorption and oil return system; Guarantee that slide block can not fall suddenly, avoids causing serious accident.
Description of drawings
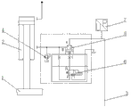
Fig. 1 is a slider of hydraulic press hydraulic circuit booster safety device sketch map of the present invention.
The specific embodiment
As shown in Figure 1, comprise slide block 1, piston cylinder 2, return line 3, safety valve 4.
Above-mentioned slide block 1 is driven by newel plug cylinder and both sides piston cylinder 2, and the cavity of resorption of hydraulic cylinder 2 connects return line 3, on return line 3, from piston cylinder 2 cavity of resorptions to fuel tank direction safety valve 4 and hydraulic lock is installed successively.
Hydraulic lock comprises plug-in unit 5 and Solenoid ball valve 6; Plug-in unit 5 structures are the Hydraulic Field known technology; It has one its all have A, B, three interfaces of C; The interface A plug cylinder 2 cavity of resorption hydraulic fluid ports of taking over a job; Interface B connected tank, when interface C does not have oil pressure, interface A, B conducting; When interface C had pressure, interface A, B cut off.
Solenoid ball valve 6 has A, P, three hydraulic fluid ports of T, and the A hydraulic fluid port of Solenoid ball valve 6 is communicated with the interface C of plug-in unit 5, and the P hydraulic fluid port of Solenoid ball valve 6 is communicated with the B interface of plug-in unit 5, the T hydraulic fluid port connected tank of Solenoid ball valve 6.Under the power failure state, the P of Solenoid ball valve 6, the conducting of A hydraulic fluid port, the T hydraulic fluid port is closed, and gets under the electricity condition the unidirectional conducting fuel tank of the A hydraulic fluid port of Solenoid ball valve 6.
Pressure sensor 7 also is installed on the return line 3, and the output signal and the explosion stack device of this pressure sensor 7 are connected as a single entity, and are used to control Solenoid ball valve.
When the return line 3 that hydraulic cylinder 2 cavity of resorptions connect occurs leaking suddenly; Pressure sensor 7 detects pressure to be changed; Pressure sensor 7 sends signal and gives Solenoid ball valve 6; Solenoid ball valve 6 dead electricity; Make the interface C of plug-in unit be communicated with the interface B of plug-in unit through Solenoid ball valve 6, make the interface A of plug-in unit, B cut off, cut-out hydraulic cylinder 2 cavity of resorptions are communicated with oil return system; Guarantee that slide block can not fall suddenly, avoids causing serious accident.

Claims (1)

1. slider of hydraulic press hydraulic circuit booster safety device; The hydraulic cylinder that comprises driving sliding block; The cavity of resorption of said hydraulic cylinder connects return line; It is characterized in that: from hydraulic cylinder cavity of resorption to fuel tank direction safety valve and hydraulic lock are installed successively on the said return line; Pressure sensor also is installed on the said return line, and the output signal of said pressure sensor inserts the electromagnet of hydraulic lock.
CN201110287838A 2011-09-26 2011-09-26 Safety device for burst of hydraulic oil circuit of hydraulic press sliding block Pending CN102303422A (en)

Priority Applications (1)

Application Number Priority Date Filing Date Title
CN201110287838A CN102303422A (en) 2011-09-26 2011-09-26 Safety device for burst of hydraulic oil circuit of hydraulic press sliding block

Applications Claiming Priority (1)

Application Number Priority Date Filing Date Title
CN201110287838A CN102303422A (en) 2011-09-26 2011-09-26 Safety device for burst of hydraulic oil circuit of hydraulic press sliding block

Publications (1)

Publication Number Publication Date
CN102303422A true CN102303422A (en) 2012-01-04

Family

ID=45377385

Family Applications (1)

Application Number Title Priority Date Filing Date
CN201110287838A Pending CN102303422A (en) 2011-09-26 2011-09-26 Safety device for burst of hydraulic oil circuit of hydraulic press sliding block

Country Status (1)

Country Link
CN (1) CN102303422A (en)

Cited By (1)

* Cited by examiner, † Cited by third party
Publication number Priority date Publication date Assignee Title
CN102937120A (en) * 2012-11-07 2013-02-20 南通锻压设备股份有限公司 Hydraulic lock for large hot-forging die hydraulic circuit

Citations (7)

* Cited by examiner, † Cited by third party
Publication number Priority date Publication date Assignee Title
DE4342565A1 (en) * 1993-12-14 1995-06-22 Bosch Gmbh Robert Vertical operating support axis
CN1727699A (en) * 2004-07-30 2006-02-01 天津市天锻压力机有限公司 Proportional direct driving system in hydraulic machine for warm cold extrusion
JP3140475U (en) * 2008-01-15 2008-03-27 エスアールエンジニアリング株式会社 Slide falling prevention device for press machine
CN101537984A (en) * 2009-04-21 2009-09-23 上海三一科技有限公司 Hoist motor closed type hydraulic system for preventing pipelines from bursting and control method thereof
WO2009133581A1 (en) * 2008-04-28 2009-11-05 Gauss Automazione S.P.A. Anti-fall device in particular for hydraulic presses
CN201712208U (en) * 2010-06-30 2011-01-19 南通锻压设备有限公司 Flexible speed regulating mechanism for regulating pressing speed of hydraulic press
CN201960751U (en) * 2010-12-21 2011-09-07 湖州机床厂有限公司 Micro mold matching mechanism for slide block of hydraulic machine

Patent Citations (7)

* Cited by examiner, † Cited by third party
Publication number Priority date Publication date Assignee Title
DE4342565A1 (en) * 1993-12-14 1995-06-22 Bosch Gmbh Robert Vertical operating support axis
CN1727699A (en) * 2004-07-30 2006-02-01 天津市天锻压力机有限公司 Proportional direct driving system in hydraulic machine for warm cold extrusion
JP3140475U (en) * 2008-01-15 2008-03-27 エスアールエンジニアリング株式会社 Slide falling prevention device for press machine
WO2009133581A1 (en) * 2008-04-28 2009-11-05 Gauss Automazione S.P.A. Anti-fall device in particular for hydraulic presses
CN101537984A (en) * 2009-04-21 2009-09-23 上海三一科技有限公司 Hoist motor closed type hydraulic system for preventing pipelines from bursting and control method thereof
CN201712208U (en) * 2010-06-30 2011-01-19 南通锻压设备有限公司 Flexible speed regulating mechanism for regulating pressing speed of hydraulic press
CN201960751U (en) * 2010-12-21 2011-09-07 湖州机床厂有限公司 Micro mold matching mechanism for slide block of hydraulic machine

Cited By (2)

* Cited by examiner, † Cited by third party
Publication number Priority date Publication date Assignee Title
CN102937120A (en) * 2012-11-07 2013-02-20 南通锻压设备股份有限公司 Hydraulic lock for large hot-forging die hydraulic circuit
CN102937120B (en) * 2012-11-07 2016-04-20 南通锻压设备股份有限公司 A kind of large-scale hot upsetting mould hydraulic circuit hydraulic lock

Similar Documents

Publication Publication Date Title
CN201100474Y (en) Energy-storage electrolysis joint valve gate executor
CN105570237B (en) A dual redundant electromechanical static pressure servo mechanism
WO2008042308A3 (en) Safe over-center pump/motor
CN201779083U (en) Hydraulic control system
CN103671364B (en) Electrohydraulic control system is turned to for remote control loader
CN101537984B (en) Hoist motor closed type hydraulic system for preventing pipelines from bursting and control method thereof
CN104533853B (en) Pressure self-adaptive hydraulic reversing system
CN204493977U (en) The built-in angie type surge reliever of a kind of dual control
CN204942135U (en) The control gear of excavator hydraulic system
CN203452856U (en) Electro-hydraulic servo hydraulic actuator of turbine adjustment system
CN102926359A (en) Manual and electric dual-purpose integrated hydraulic hoist
CN103438038B (en) Thermal deburring bed hydraulic system and controlling method thereof
CN102303422A (en) Safety device for burst of hydraulic oil circuit of hydraulic press sliding block
CN201281050Y (en) Novel emergency protection arrangement for three-stage electrohydraulic servo valve
CN201173221Y (en) Electrohydraulic servo system power-off protection device
CN201165953Y (en) Plunger piston oil pump double control system for testing winch capstan closed type hydraulic system variable
CN205918670U (en) Beat sign indicating number hydraulic press hydraulic control system
CN202091271U (en) Hydraulic slave system of moveable bridge
CN201433066Y (en) Pipeline crack prevention closed type hydraulic system of winding motor
CN101294590A (en) Three-stage electro-hydraulic servo valve emergency protection device
CN102241374A (en) Safety braking system for lifter
CN202202309U (en) Manual/electric dual-purpose integrated hydraulic hoist
CN204591820U (en) A multifunctional hydraulic substation
CN203317011U (en) Hydraulic wrench exclusive automatic pump
CN103438266A (en) Automatic and manual control hydraulic driving brake valve

Legal Events

Date Code Title Description
C06 Publication
PB01 Publication
C10 Entry into substantive examination
SE01 Entry into force of request for substantive examination
C12 Rejection of a patent application after its publication
RJ01 Rejection of invention patent application after publication

Application publication date: 20120104