CN102155004B - Steel structure combined sandwich steel plate rockfill dam - Google Patents

Steel structure combined sandwich steel plate rockfill dam Download PDF

Info

Publication number
CN102155004B
CN102155004B CN2011100629683A CN201110062968A CN102155004B CN 102155004 B CN102155004 B CN 102155004B CN 2011100629683 A CN2011100629683 A CN 2011100629683A CN 201110062968 A CN201110062968 A CN 201110062968A CN 102155004 B CN102155004 B CN 102155004B
Authority
CN
China
Prior art keywords
steel
steel plate
fixed
dam
weather
Prior art date
Legal status (The legal status is an assumption and is not a legal conclusion. Google has not performed a legal analysis and makes no representation as to the accuracy of the status listed.)
Expired - Fee Related
Application number
CN2011100629683A
Other languages
Chinese (zh)
Other versions
CN102155004A (en
Inventor
魏群
张国新
刘尚蔚
魏鲁双
姜华
尹伟波
罗茜文
高阳秋晔
Current Assignee (The listed assignees may be inaccurate. Google has not performed a legal analysis and makes no representation or warranty as to the accuracy of the list.)
North China University of Water Resources and Electric Power
Original Assignee
North China University of Water Resources and Electric Power
Priority date (The priority date is an assumption and is not a legal conclusion. Google has not performed a legal analysis and makes no representation as to the accuracy of the date listed.)
Filing date
Publication date
Application filed by North China University of Water Resources and Electric Power filed Critical North China University of Water Resources and Electric Power
Priority to CN2011100629683A priority Critical patent/CN102155004B/en
Publication of CN102155004A publication Critical patent/CN102155004A/en
Application granted granted Critical
Publication of CN102155004B publication Critical patent/CN102155004B/en
Expired - Fee Related legal-status Critical Current
Anticipated expiration legal-status Critical

Links

Images

Landscapes

  • Revetment (AREA)

Abstract

The invention relates to a steel structure combined type sandwich steel plate rock-fill dam which comprises a cushion layer area, a transition area, a rock-fill area, a wave wall, a downstream protection slope and an anti-seepage structure consisting of a water retaining panel, two bank toe boards and a riverbed toe board. The invention has the advantages of a gravity dam and a steel dam, is stable and easy to construct, has flexible structural form, can better adapt to topographic conditions, has low requirement on the performance of dam construction materials, can use various building materials, reduces the environmental damage caused by dam construction, and has the advantages of factory batch processing, high site construction speed and convenient maintenance or replacement.

Description

钢结构组合式夹层钢板堆石坝Steel structure combined sandwich steel plate rockfill dam

技术领域 technical field

本发明涉及一种水利技术领域的堆石坝,特别是涉及一种钢结构组合式夹层钢板堆石坝。 The invention relates to a rockfill dam in the technical field of water conservancy, in particular to a steel structure combined sandwich steel plate rockfill dam.

背景技术 Background technique

面板堆石坝是常见的挡水建筑物之一,它是由堆石体和迎水面板组成的坝型。其优点是;坝身是由当地材料(石料)组成;结构简单;加高、扩建容易;对地基有良好的适应性;施工方便。但是,该坝型最大的缺点是混凝土面板在施工过程中易出现温度裂缝;以及运行过程中,由于坝身的不均匀沉降也将会导致裂缝,对坝体的稳定产生不利影响。并且,混凝土面板一旦出现问题就存在着维修困难等问题。 The face rockfill dam is one of the common water retaining structures. It is a dam type composed of a rockfill body and a facing face. Its advantages are: the body of the dam is made of local materials (stone); the structure is simple; it is easy to heighten and expand; it has good adaptability to the foundation; However, the biggest disadvantage of this dam type is that the concrete slab is prone to temperature cracks during the construction process; and during the operation process, the uneven settlement of the dam body will also cause cracks, which will have an adverse effect on the stability of the dam body. And once there is a problem with the concrete panel, there are problems such as maintenance difficulties.

发明内容 Contents of the invention

为了克服混凝土面板坝,投资大,工期长,对环境影响大的缺点,本发明提供一种钢结构组合式夹层钢板堆石坝。 In order to overcome the disadvantages of large investment, long construction period and great impact on the environment of concrete face dams, the invention provides a steel structure combined sandwich steel plate rockfill dam.

技术方案:一种钢结构组合式夹层钢板堆石坝,包括垫层区,过渡区,堆石区(主堆石区和次堆石区),防浪墙和下游护坡,挡水面板与两岸趾板、河床趾板共同组成的防渗结构,坝体上游迎水面的挡水面板为组合式夹层钢板,该组合式夹层钢板包括内层钢板和外层钢板,所述内层钢板由若干个长方形耐候钢片通过多个耐候钢片对接密封固定拼合而成,并与坝体迎水面贴合,各内层耐候钢片背水面横向设多根深入坝体内部的固定插筋,内、外两层钢板之间的支撑骨架骑于内层耐候钢片的连接处,横向和纵向的支撑骨架把坝体的迎水面分割为多个支撑单元,多个耐候钢片密封固定于支撑骨架之上形成外层钢板;组合式夹层钢板的下端与河床趾板连接并密封固定,或者插入河床趾板内并密封固定,组合式夹层钢板的两侧分别与两岸的台阶状或斜面状边坡密封固定,在组合式夹层钢板的所有表面上和插筋上,以及对接缝或连接螺栓上辅助有一层防腐防渗涂料聚脲材料。 Technical solution: A steel structure combined sandwich steel plate rockfill dam, including cushion area, transition area, rockfill area (main rockfill area and secondary rockfill area), wave wall and downstream slope protection, water retaining panels and both banks The anti-seepage structure composed of the toe plate and the toe plate of the river bed. The water retaining panel on the upstream surface of the dam body is a combined sandwich steel plate. The combined sandwich steel plate includes an inner steel plate and an outer steel plate. The inner steel plate consists of several Rectangular weather-resistant steel sheets are made of multiple weather-resistant steel sheets butt-jointed, sealed and fixed, and bonded to the water-facing surface of the dam body. The back-water surface of each inner layer of weather-resistant steel sheets is horizontally provided with multiple fixed ribs that penetrate deep into the dam body. The supporting frame between the two layers of steel plates rides on the junction of the inner layer of weather-resistant steel sheets. The horizontal and vertical supporting frames divide the water-facing surface of the dam body into multiple supporting units, and multiple weather-resistant steel sheets are sealed and fixed on the supporting frame. The outer steel plate is formed; the lower end of the combined sandwich steel plate is connected to the toe plate of the river bed and sealed and fixed, or inserted into the toe plate of the river bed and sealed and fixed, and the two sides of the combined sandwich steel plate are respectively sealed and fixed to the stepped or inclined slopes on both banks , A layer of anti-corrosion and anti-seepage polyurea material is assisted on all surfaces and ribs of the combined sandwich steel plate, as well as on the joints or connecting bolts.

钢结构组合面板的内板与坝体之间设有垫层。位于内层的耐候钢片的厚度在10mm以内,外层钢板厚度在15mm~50mm范围。内层钢板可以起到均匀传力,为坝体填料区成型起到模板的作用,上游钢结构组合面板的坡度调整范围很大(37°~45°)。 A cushion is provided between the inner plate of the steel structure composite panel and the dam body. The thickness of the weather-resistant steel sheet located in the inner layer is within 10 mm, and the thickness of the outer layer steel plate is in the range of 15 mm to 50 mm. The inner steel plate can transmit the force evenly and act as a formwork for the formation of the filling area of the dam body. The slope adjustment range of the composite panel of the upstream steel structure is very large (37°-45°).

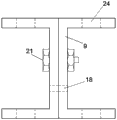
所述骨架为“工”字型钢,组合式夹层钢板的内层钢板和外层钢板的多个耐候钢片分别通过螺栓及密封条密封固定在“工”字型钢的翼缘上,或者通过焊接固定在“工”字型钢的翼缘上。 The skeleton is an "I"-shaped steel, and multiple weather-resistant steel sheets of the inner steel plate and the outer steel plate of the combined sandwich steel plate are respectively sealed and fixed on the flange of the "I"-shaped steel by bolts and sealing strips, or by welding Fixed on the flange of "I" shaped steel.

工字型钢下翼缘与内层钢板对接并垫有一层密封片,工字型钢的下翼缘上设有通孔,内层耐候钢片上设有对应的螺纹孔,螺栓从工字型钢一端旋入使其与内层钢板的外表面密封固定;工字型钢上翼缘与外层钢板对接并垫有一层密封片,工字型钢的上翼缘上设有螺纹孔,外层钢板上设有对应的通孔,螺栓从外层钢板外侧旋入使其与工字型钢的上翼缘密封固定在一起。 The lower flange of the I-shaped steel is docked with the inner steel plate and is cushioned with a layer of sealing sheet. The lower flange of the I-shaped steel is provided with a through hole, and the inner weather-resistant steel sheet is provided with a corresponding threaded hole. The bolts are screwed from one end of the I-shaped steel. It is sealed and fixed with the outer surface of the inner steel plate; the upper flange of the I-shaped steel is docked with the outer steel plate and is cushioned with a layer of sealing sheet, the upper flange of the I-shaped steel is provided with threaded holes, and the outer steel plate is provided with Corresponding through holes, the bolts are screwed in from the outside of the outer steel plate so that they are sealed and fixed together with the upper flange of the I-shaped steel.

内层耐候钢片的外表面上垂直固定有定螺栓,工字型钢的下翼缘上设有对用的通孔,在工字型钢与内层耐候钢片之间垫有一层密封片,并将该通孔匹配套装于对应的定螺栓上,各定螺栓的末端固定有螺母;工字型钢的上翼缘垂直固定有定螺栓,外层耐候钢片上设有对用的通孔,在外层耐候钢片与工字型钢之间垫有一层密封片。并将该通孔套装于对应的定螺栓上,各定螺栓的末端固定有螺母。 Fixed bolts are vertically fixed on the outer surface of the inner weather-resistant steel sheet, opposite through holes are provided on the lower flange of the I-shaped steel, a layer of sealing sheet is placed between the I-shaped steel and the inner weather-resistant steel sheet, and The through hole is matched and fitted on the corresponding fixed bolt, and the end of each fixed bolt is fixed with a nut; the upper flange of the I-shaped steel is vertically fixed with a fixed bolt, and the outer weather-resistant steel sheet is provided with a corresponding through hole. There is a layer of sealing sheet between the weathering steel sheet and the I-shaped steel. And the through hole is set on the corresponding fixed bolt, and the end of each fixed bolt is fixed with a nut.

坝体迎水面的组合式夹层钢板与水平面夹角范围为37°~45°。 The angle between the combined sandwich steel plate on the water-facing surface of the dam body and the horizontal plane ranges from 37° to 45°.

坝体下游河床为褥垫层或排水棱体,组合式夹层钢板的下端设有排水通道。 The riverbed downstream of the dam body is a cushion layer or a drainage prism, and the lower end of the combined sandwich steel plate is provided with a drainage channel.

所述工字型钢为两个槽钢通过螺栓固定或者焊接固定形成。 The I-shaped steel is formed by two channel steels fixed by bolts or welding.

所述密封片为橡胶垫,其横截面为“几”字形,或者横截面为“Ω”形。 The sealing sheet is a rubber pad, and its cross section is in the shape of "几" or in the shape of "Ω".

在所述工字型钢的腹板上设有通孔。 A through hole is provided on the web of the I-shaped steel.

所述工字型钢沿高程方向自底向顶排布由密变疏。 The I-shaped steels are arranged from bottom to top along the elevation direction from dense to sparse.

在支撑单元内还固定有中间支撑骨架,该中间支撑骨架为直线型或者为弧线形或者多边形。 An intermediate support frame is also fixed in the support unit, and the intermediate support frame is linear or arc-shaped or polygonal.

坝体设有溢流坝段,在溢流坝段的下游溢流面全部固定有钢板,溢流坝段两侧坝体上固定有钢板。 The dam body is provided with an overflow dam section, steel plates are fixed on the downstream overflow surface of the overflow dam section, and steel plates are fixed on the dam body on both sides of the overflow dam section.

在坝体的上游下底面的河床内侧竖向设置有防渗墙。 An anti-seepage wall is vertically arranged on the inner side of the riverbed on the bottom surface of the upstream of the dam body.

所述插筋的末端设有弯钩。 The end of the inserting rib is provided with a hook.

本发明的有益效果: Beneficial effects of the present invention:

1.本发明钢结构组合式夹层钢板堆石坝是用钢板作为迎水面板、以土石料为支撑结构的坝体,实质上是一种组合坝,它同时具有重力坝和钢构坝的优点。其中组合式夹层钢板的内层与坝体直接连接的组合支撑钢板,并且该层的内侧通过多个插筋固定于坝体内,插筋的作用一方面保持组合内板稳定,另一方面能使坝体的迎水面部分结为一体不松散,组合内板和坝体团结为一体能够更加坚固。本发明在具有普通堆石坝的稳定易于修建等优点的同时,克服了传统的混凝土面板坝和心墙坝所存在的施工周期长,施工难度大,投资大,材料用量大,对环境影响大的缺点。 1. The steel structure combined sandwich steel plate rockfill dam of the present invention is a dam body that uses steel plates as the face facing the water and earth and stone materials as the supporting structure, and is essentially a composite dam, which has the advantages of gravity dams and steel structure dams at the same time . Among them, the inner layer of the combined sandwich steel plate is directly connected to the combined supporting steel plate of the dam body, and the inner side of the layer is fixed in the dam body by a plurality of ribs. The part of the facing surface of the dam body is not loose, and the combination of the inner plate and the dam body can be more solid. While the present invention has the advantages of being stable and easy to build of ordinary rockfill dams, it overcomes the traditional concrete face dams and core wall dams with long construction period, difficult construction, large investment, large amount of materials and great impact on the environment Shortcomings.

2.本发明的坝型是新型的水工建筑物,相对于传统的混凝土面板坝容易出现裂缝而导致使用寿命缩短的缺点,钢构组合面板坝是能够承受各种荷载和传递荷载的混合材料的挡水结构形式。其结构形式灵活、能更好地适应地形条件,对筑坝材料的性能要求不高,能够使用多种建筑材料,降低因筑坝产生的环境破坏,并且具有可工厂批量加工,现场施工速度快,便于维护或更换的优点。 2. The dam type of the present invention is a new type of hydraulic structure. Compared with the traditional concrete face dam, which is prone to cracks and shortens the service life, the steel structure composite face dam is a mixed material capable of bearing various loads and transferring loads. water retaining structure. Its structure is flexible and can better adapt to terrain conditions. It does not have high requirements on the performance of dam building materials. It can use a variety of building materials to reduce environmental damage caused by dam building. It can be processed in batches in factories and the construction speed on site is fast. , The advantages of easy maintenance or replacement.

3.采用组合式夹层钢板与普通单层钢板相比的另一优点是可以使钢板的厚度降低,骨架形成的钢结构支撑体,能够均匀的将水压分散至内层钢板,再由内层钢板传递给坝体本身,稳定可靠。工字形的骨架其上、下两个翼缘能够有效地与内外层钢板密封固定在一起,纵向和横向的条形骨架依次围成多个支撑单元,使外层耐候钢片的组装和维修都非常方便,可以同时同步施工,大大缩短施工周期,提高高效。 3. Another advantage of using combined sandwich steel plates compared with ordinary single-layer steel plates is that the thickness of the steel plate can be reduced, and the steel structure support body formed by the skeleton can evenly disperse the water pressure to the inner steel plate, and then the inner layer The steel plate is transmitted to the dam itself, which is stable and reliable. The upper and lower flanges of the I-shaped skeleton can be effectively sealed and fixed together with the inner and outer steel plates, and the longitudinal and transverse strip-shaped skeletons enclose multiple supporting units in turn, so that the assembly and maintenance of the outer weather-resistant steel sheets are easy. It is very convenient and can be constructed simultaneously, greatly shortening the construction period and improving efficiency.

4.采用本发明技术方案在施工时可以有两种途经,一种是将堆石坝迎水面修理平整后布设组合式夹层钢板,另一种直接将组合式夹层钢板固定后形成模板,向模板内填料并压实,形成组合坝体,施工简单且高效。 4. Adopting the technical scheme of the present invention can have two kinds of approaches during construction, one is to repair and level the facing surface of the rockfill dam and lay out the combined sandwich steel plate, and the other is to directly fix the combined sandwich steel plate to form a formwork, and to form a formwork. The inner filling is compacted to form a composite dam body, and the construction is simple and efficient.

5.本发明还可以在背水面和坝体上翼缘均固定钢板,从而坝体本身可以过流,汛期也可以配合安全度汛,降低或减少了临时建筑物(如围堰、导流建筑物)的设计、施工的投入。 5. The present invention can also fix steel plates on the backwater surface and the upper flange of the dam body, so that the dam body itself can flow through, and the flood season can also cooperate with the safety of the flood season, reducing or reducing the number of temporary buildings (such as cofferdams, diversion buildings) Object) design and construction investment.

附图说明 Description of drawings

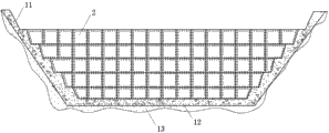
图1是本发明钢结构组合式夹层钢板堆石坝断面结构示意图; Fig. 1 is a schematic diagram of the section structure of a steel structure combined sandwich steel plate rockfill dam of the present invention;

图2是图 1的局部放大结构示意图; Fig. 2 is a partial enlarged structural schematic diagram of Fig. 1;

图3是组合式夹层钢板结构示意图; Fig. 3 is a structural schematic diagram of a combined sandwich steel plate;

图4是内、外层钢板与工字型钢的密封固定结构示意图之一; Fig. 4 is one of the schematic diagrams of the sealed and fixed structure of inner and outer steel plates and I-shaped steel;

图5是由两个槽钢通过对接固定形成的工字钢结构示意图; Figure 5 is a schematic diagram of the I-beam structure formed by two channel steels being butted and fixed;

图6是内、外层钢板与工字型钢的密封固定结构示意图之二; Fig. 6 is the second schematic diagram of the sealed and fixed structure of inner and outer steel plates and I-shaped steel;

图7和图8分别是两种本发明坝体的两种正面结构示意图; Fig. 7 and Fig. 8 are respectively two kinds of front structural schematic diagrams of two kinds of dam bodies of the present invention;

图9是内、外层钢板的固定结构示意图。 Fig. 9 is a schematic diagram of the fixed structure of the inner and outer steel plates.

图中标号1为堆石坝体,2为外层钢板,3为内层钢板,4为下游护坡,5为插筋,6为防渗墙,7为上游水位,9为工字型钢(骨架),10为溢流坝段,11为台阶面,11’为斜面,12为趾板,13为河床,14为过渡层,15为上游铺盖,16为防浪墙,17为螺栓,18为通孔,19为密封垫(橡胶垫),20为中间支撑的直线型骨架,21为中间支撑的弧线形支架,22为外层钢板的通孔,22’为内侧钢板的螺纹孔,23为定螺栓,24为工字型钢上翼缘螺纹孔,24’为工字型钢下翼缘通孔,25为垫层。 The number 1 in the figure is the rockfill dam body, 2 is the outer steel plate, 3 is the inner steel plate, 4 is the downstream slope protection, 5 is the reinforcement, 6 is the anti-seepage wall, 7 is the upstream water level, and 9 is the I-shaped steel (skeleton ), 10 is the overflow dam section, 11 is the step surface, 11' is the slope, 12 is the toe board, 13 is the river bed, 14 is the transition layer, 15 is the upstream bedding, 16 is the wave wall, 17 is the bolt, 18 is Through hole, 19 is the sealing pad (rubber pad), 20 is the linear skeleton of the middle support, 21 is the arc-shaped bracket of the middle support, 22 is the through hole of the outer steel plate, 22' is the threaded hole of the inner steel plate, 23 For fixed bolt, 24 is the I-shaped steel upper flange threaded hole, 24 ' is the I-shaped steel lower flange through hole, and 25 is a cushion.

具体实施方式                                            Detailed ways

实施例一:参见图1—图4、图7,一种钢结构组合式夹层钢板堆石坝,坝体是由堆石组成的堆石坝,该堆石坝的包括垫层区,过渡区,堆石区(主堆石区和次堆石区),钢结构面板和两岸趾板、河床趾板共同组成的防渗结构,以及位于坝顶的防浪墙和下游护坡,坝体上游迎水面设置为组合式夹层钢板。 Embodiment 1: Referring to Fig. 1-Fig. 4 and Fig. 7, a steel structure combined sandwich steel plate rockfill dam, the dam body is a rockfill dam composed of rockfill, and the rockfill dam includes a cushion area and a transition area , rockfill area (main rockfill area and secondary rockfill area), anti-seepage structure composed of steel structure panels, toe slabs on both banks and riverbed toe slabs, as well as the wave wall at the top of the dam and downstream slope protection, upstream of the dam body The water surface is set as a combined sandwich steel plate.

组合式夹层钢板包括内层组合钢板和外层组合钢板,位于内、外两层组合钢板之间设置支撑骨架。 The combined sandwich steel plate includes an inner layer combined steel plate and an outer layer combined steel plate, and a supporting frame is arranged between the inner and outer layer combined steel plates.

内层组合钢板贴合在坝体迎水面上,该内层钢板为满足结构布置形式的多个耐候钢片通过对接密封固定,各内层耐候钢片的内表面上横向固定有多根插筋,各插筋深入坝体内侧。 The inner composite steel plate is attached to the water-facing surface of the dam body. The inner steel plate is a plurality of weather-resistant steel sheets that meet the structural layout and is fixed by butt joint sealing. The inner surface of each inner layer of weather-resistant steel sheet is fixed with multiple ribs horizontally. Each rib goes deep into the inner side of the dam body.

各内层耐候钢片的对接缝的外表面固定有“工”字型钢(骨架),纵向和横向的“工”字型钢依次围成多个支撑单元,在各支撑单元的外表面分别密封固定有相应外层钢板单片,各外层钢板单片对接密封固定后形成外层钢板;组合式夹层钢板的内层钢板和外层钢板的多个耐候钢片分别通过螺栓及密封条密封固定在“工”字型钢的翼缘上。具体结构是,工字型钢下翼缘与内层组合钢板对接并垫有一层密封片,该密封片为橡胶垫,其横截面为“几”字形。工字型钢的下翼缘上设有通孔,内层耐候钢片上设有对应的螺纹孔,螺栓从工字型钢一端旋入使其与内层钢板的外表面密封固定;工字型钢上翼缘与外层钢板对接并垫有一层密封片,工字型钢的上翼缘上设有螺纹孔,外层钢板上设有对应的通孔,螺栓从外层钢板外侧旋入使其与工字型钢的上翼缘密封固定在一起。 The outer surface of the butt joints of the inner weathering steel sheets is fixed with "I"-shaped steel (skeleton), and the vertical and horizontal "I"-shaped steels enclose multiple supporting units in turn, and the outer surfaces of each supporting unit are sealed separately. The corresponding outer steel plate is fixed, and each outer steel plate is butt sealed and fixed to form an outer steel plate; the inner steel plate of the combined sandwich steel plate and the multiple weather-resistant steel plates of the outer steel plate are respectively sealed and fixed by bolts and sealing strips On the flange of the "I" shaped steel. The specific structure is that the lower flange of the I-shaped steel is butted with the inner composite steel plate and is cushioned with a layer of sealing sheet. The sealing sheet is a rubber pad and its cross section is in the shape of "Ji". There is a through hole on the lower flange of the I-shaped steel, and a corresponding threaded hole is provided on the inner weather-resistant steel sheet. The bolt is screwed in from one end of the I-shaped steel to seal and fix it with the outer surface of the inner steel plate; The flange is butted with the outer steel plate and is covered with a layer of sealing sheet. The upper flange of the I-shaped steel is provided with threaded holes, and the outer steel plate is provided with corresponding through holes. The bolts are screwed in from the outer The upper flanges of the steel sections are sealed together.

坝体的两岸边坡为混凝土台阶状或斜面状的趾板,坝体上游迎水面的河床为混凝土平面趾板,组合式夹层钢板的下端与河床趾板连接并密封固定,或者插入趾河床板内并密封固定,组合式夹层钢板的两侧分别与两岸的台阶状或斜面状边坡密封固定,在组合式夹层钢板的所有表面上和插筋上,以及对接缝或连接螺栓上辅助有一层防腐防渗涂料聚脲材料。 The slopes on both sides of the dam body are concrete step-like or slope-like toe-slabs, and the riverbed on the upstream surface of the dam body is a concrete plane toe-slab. The two sides of the combined sandwich steel plate are sealed and fixed with the stepped or slope-shaped slopes on both sides of the bank, and there is an auxiliary one on all surfaces of the combined sandwich steel plate and on the ribs, as well as on the joints or connecting bolts. Anti-corrosion and anti-seepage coating polyurea material.

钢结构组合面板的内板与坝体之间设有垫层。位于内层的耐候钢片的厚度在10mm以内,外层钢板厚度在15mm~50mm范围。内层钢板可以起到均匀传力,为坝体填料区成型起到模板的作用,上游钢结构组合面板的坡度调整范围很大(37°~45°)。 A cushion is provided between the inner plate of the steel structure composite panel and the dam body. The thickness of the weather-resistant steel sheet located in the inner layer is within 10 mm, and the thickness of the outer layer steel plate is in the range of 15 mm to 50 mm. The inner steel plate can transmit the force evenly and act as a formwork for the formation of the filling area of the dam body. The slope adjustment range of the composite panel of the upstream steel structure is very large (37°-45°).

工字型钢的腹板上设有通孔,钢结构组合面板的下端设有排水通道。 The web of the I-shaped steel is provided with a through hole, and the lower end of the composite panel of the steel structure is provided with a drainage channel.

所述骨架自坝底向坝顶走向的间隔密度由密逐渐变疏。也可以在支撑单元内还固定有中间支撑骨架,图3显示该中间支撑骨架为直线型。 The spacing density of the framework from the bottom of the dam to the top of the dam gradually changes from dense to sparse. An intermediate support frame may also be fixed in the support unit, and FIG. 3 shows that the intermediate support frame is linear.

实施例二:参见图5,内容与实施例一基本相同,相同之处不重述,不同的是:所述工字型钢为两个槽钢通过螺栓固定或者焊接固定形成。 Embodiment 2: Referring to Fig. 5, the content is basically the same as Embodiment 1, and the similarities will not be repeated. The difference is that the I-shaped steel is formed by two channel steels fixed by bolts or welding.

实施例三:参见图6,内容与实施例一基本相同,相同之处不重述,不同的是:内层耐候钢片的外表面上垂直固定有定螺栓,工字型钢的下翼缘上设有对用的通孔,在工字型钢与内层耐候钢片之间垫有一层密封片,并将该通孔匹配套装于对应的定螺栓上,各定螺栓的末端固定有螺母;工字型钢的上翼缘垂直固定有定螺栓,外层耐候钢片上设有对用的通孔,在外层耐候钢片与工字型钢之间垫有一层密封片。并将该通孔套装于对应的定螺栓上,各定螺栓的末端固定有螺母。 Embodiment 3: Referring to Fig. 6, the content is basically the same as that of Embodiment 1, and the similarities will not be repeated. The difference is that fixed bolts are vertically fixed on the outer surface of the inner weather-resistant steel sheet, and on the lower flange of the I-shaped steel There is a through hole for the purpose, a layer of sealing sheet is placed between the I-shaped steel and the inner weathering steel sheet, and the through hole is matched with the corresponding fixed bolt, and the end of each fixed bolt is fixed with a nut; The upper flange of the I-shaped steel is vertically fixed with fixed bolts, the outer weather-resistant steel sheet is provided with corresponding through holes, and a layer of sealing sheet is placed between the outer weather-resistant steel sheet and the I-shaped steel. And the through hole is set on the corresponding fixed bolt, and the end of each fixed bolt is fixed with a nut.

实施例四:参见图8,内容与实施例一基本相同,相同之处不重述,不同的是:两岸边坡为斜面。 Embodiment 4: Referring to Figure 8, the content is basically the same as Embodiment 1, and the similarities will not be repeated. The difference is that the slopes on both banks are sloped.

实施例五:附图未画,内容与实施例一基本相同,相同之处不重述,不同的是:坝体中部设有溢流坝段,在溢流坝段的下游侧面和上翼缘均固定有钢板,溢流坝段的两侧也固定有钢板。 Embodiment 5: The accompanying drawings are not drawn, and the content is basically the same as that of Embodiment 1, and the similarities will not be repeated. The difference is that an overflow dam section is provided in the middle of the dam body, and the downstream side and upper flange of the overflow dam section Both are fixed with steel plates, and both sides of the overflow dam section are also fixed with steel plates.

实施例六:参见图9,内容与实施例一基本相同,相同之处不重述,不同的是:在支撑单元内还固定有中间支撑骨架,该中间支撑骨架为弧线形。 Embodiment 6: Referring to Fig. 9, the content is basically the same as Embodiment 1, and the similarities will not be repeated. The difference is that an intermediate support frame is fixed in the support unit, and the intermediate support frame is arc-shaped.

实施例七:附图未画,内容与实施例一基本相同,相同之处不重述,不同的是:组合式夹层钢板的内层钢板和外层钢板的多个耐候钢片是通过焊接固定在“工”字型钢的翼缘上。 Embodiment 7: The accompanying drawings are not drawn, and the content is basically the same as that of Embodiment 1, and the similarities will not be repeated. The difference is that the multiple weather-resistant steel sheets of the inner steel plate and the outer steel plate of the combined sandwich steel plate are fixed by welding On the flange of the "I" shaped steel.

实施例八:附图未画,内容与实施例一基本相同,相同之处不重述,不同的是:所述密封片为橡胶垫,其横截面为“Ω”形。 Embodiment 8: The accompanying drawings are not drawn, and the content is basically the same as Embodiment 1, and the similarities will not be repeated. The difference is that the sealing sheet is a rubber pad, and its cross section is "Ω" shape.

实施例九:附图未画,内容与实施例一基本相同,相同之处不重述,不同的是:所述插筋的末端设有弯钩。 Embodiment 9: The drawings are not drawn, and the content is basically the same as Embodiment 1, and the similarities will not be repeated. The difference is that the end of the inserting rib is provided with a hook.

Claims (10)

1.一种钢结构组合式夹层钢板堆石坝,包括垫层区,过渡区,堆石区,防浪墙和下游护坡,挡水面板与两岸趾板、河床趾板共同组成的防渗结构,其特征是:坝体上游迎水面的挡水面板为组合式夹层钢板,该组合式夹层钢板包括内层钢板和外层钢板,所述内层钢板为满足结构布置形式的多个耐候钢片通过对接密封固定,并与坝体迎水面贴合,各内层耐候钢片背水面横向设多根深入坝体内部的固定插筋,内、外两层钢板之间的支撑骨架骑于内层耐候钢片的连接处,横向和纵向的支撑骨架把坝体的迎水面分割为多个支撑单元,多个耐候钢片密封固定于支撑骨架之上形成外层钢板;组合式夹层钢板的下端与河床趾板连接并密封固定,或者插入河床趾板内并密封固定,组合式夹层钢板的两侧分别与两岸的台阶状或斜面状边坡密封固定,在组合式夹层钢板的所有表面上和固定插筋上,以及耐候钢片对接缝上辅助有一层防腐防渗涂料聚脲材料。 1. A steel structure combined sandwich steel plate rockfill dam, including a cushion layer area, a transition area, a rockfill area, a wave wall and a downstream slope protection, an anti-seepage structure composed of water retaining panels, plinths on both sides of the river, and plinths on the river bed , which is characterized in that: the water retaining panel on the upstream surface of the dam body is a combined sandwich steel plate, the combined sandwich steel plate includes an inner steel plate and an outer steel plate, and the inner steel plate is a plurality of weather-resistant steel sheets that meet the structural layout form It is fixed by butt joint sealing, and is attached to the water-facing surface of the dam body. The back-water surface of each inner weather-resistant steel sheet is horizontally provided with multiple fixed ribs that penetrate into the dam body, and the supporting frame between the inner and outer steel plates rides on the inner layer. At the junction of the weather-resistant steel sheets, the horizontal and vertical support frames divide the water-facing surface of the dam body into multiple support units, and the multiple weather-resistant steel sheets are sealed and fixed on the support frame to form an outer steel plate; the lower end of the combined sandwich steel plate and The toe board of the river bed is connected and sealed and fixed, or inserted into the toe board of the river bed and sealed and fixed. The two sides of the combined sandwich steel plate are respectively sealed and fixed with the stepped or inclined slopes on both banks. All surfaces of the combined sandwich steel plate are fixed and sealed. There is a layer of anti-corrosion and anti-seepage coating polyurea material on the ribs and on the joints of the weather-resistant steel sheets. 2.根据权利要求1所述钢结构组合式夹层钢板堆石坝,其特征是:所述骨架为“工”字型钢,组合式夹层钢板的内层钢板和外层钢板的多个耐候钢片分别通过螺栓及密封片密封固定在“工”字型钢的翼缘上,或者通过焊接固定在“工”字型钢的翼缘上。 2. The steel structure combined sandwich steel plate rockfill dam according to claim 1 is characterized in that: the skeleton is an "I"-shaped steel, and a plurality of weather-resistant steel sheets of the inner steel plate and the outer steel plate of the combined sandwich steel plate They are respectively sealed and fixed on the flange of the "I"-shaped steel by bolts and sealing sheets, or fixed on the flange of the "I"-shaped steel by welding. 3.根据权利要求2所述钢结构组合式夹层钢板堆石坝,其特征是:工字型钢下翼缘与内层钢板对接并垫有一层密封片,工字型钢的下翼缘上设有通孔,内层耐候钢片上设有对应的螺纹孔,螺栓从工字型钢一端旋入使其与内层钢板的外表面密封固定;工字型钢上翼缘与外层钢板对接并垫有一层密封片,工字型钢的上翼缘上设有螺纹孔,外层钢板上设有对应的通孔,螺栓从外层钢板外侧旋入使其与工字型钢的上翼缘密封固定在一起。 3. According to claim 2, the steel structure combined sandwich steel plate rockfill dam is characterized in that: the lower flange of the I-shaped steel is docked with the inner steel plate and is cushioned with a layer of sealing sheet, and the lower flange of the I-shaped steel is provided with Through holes, corresponding threaded holes are provided on the inner weather-resistant steel sheet, bolts are screwed in from one end of the I-shaped steel to seal and fix it with the outer surface of the inner steel plate; the upper flange of the I-shaped steel is docked with the outer steel plate and is cushioned with a layer For the sealing sheet, threaded holes are provided on the upper flange of the I-shaped steel, and corresponding through holes are provided on the outer steel plate, and bolts are screwed in from the outer side of the outer steel plate to seal and fix together with the upper flange of the I-shaped steel. 4.根据权利要求2所述钢结构组合式夹层钢板堆石坝,其特征是:内层耐候钢片的外表面上垂直固定有定螺栓,工字型钢的下翼缘上设有对用的通孔,在工字型钢与内层耐候钢片之间垫有一层密封片,并将该通孔匹配套装于对应的定螺栓上,各定螺栓的末端固定有螺母;工字型钢的上翼缘垂直固定有定螺栓,外层耐候钢片上设有对用的通孔,在外层耐候钢片与工字型钢之间垫有一层密封片,并将该通孔套装于对应的定螺栓上,各定螺栓的末端固定有螺母。 4. According to claim 2, the steel structure combined sandwich steel plate rockfill dam is characterized in that: fixed bolts are vertically fixed on the outer surface of the inner weathering steel sheet, and the lower flange of the I-shaped steel is provided with a pair of Through holes, a layer of sealing sheet is placed between the I-shaped steel and the inner weather-resistant steel sheet, and the through holes are matched and fitted on the corresponding fixed bolts, and nuts are fixed at the ends of each fixed bolt; the upper wing of the I-shaped steel The fixed bolts are vertically fixed on the outer layer of the weather-resistant steel sheet, and there is a layer of sealing sheet between the outer layer of weather-resistant steel sheet and the I-shaped steel, and the through hole is set on the corresponding fixed bolt. The ends of each fixed bolt are fixed with nuts. 5.根据权利要求1所述钢结构组合式夹层钢板堆石坝,其特征是:坝体迎水面的组合式夹层钢板与水平面夹角范围为37°~45°。 5. The steel structure combined sandwich steel plate rockfill dam according to claim 1, characterized in that: the angle between the combined sandwich steel plate on the water-facing surface of the dam body and the horizontal plane ranges from 37° to 45°. 6.根据权利要求2或3或4任一项所述钢结构组合式夹层钢板堆石坝,其特征是:所述密封片为橡胶垫或紫铜片,其横截面为“几”字形,或者横截面为“Ω”形。 6. According to any one of claims 2, 3 or 4, the steel structure combined sandwich steel plate rockfill dam is characterized in that: the sealing sheet is a rubber pad or a copper sheet, and its cross section is in the shape of a "six", or The cross section is "Ω" shape. 7.根据权利要求2或3或4任一项所述钢结构组合式夹层钢板堆石坝,其特征是:在所述工字型钢的腹板上设有通孔。 7. The steel structure combined sandwich steel plate rockfill dam according to any one of claims 2, 3 or 4, characterized in that a through hole is provided on the web of the I-shaped steel. 8.根据权利要求2所述钢结构组合式夹层钢板堆石坝,其特征是:所述工字型钢沿高程方向自底向顶排布由密变疏。 8. The steel structure composite sandwich steel plate rockfill dam according to claim 2, characterized in that: the arrangement of the I-shaped steel along the elevation direction changes from dense to sparse from bottom to top. 9.根据权利要求1所述钢结构组合式夹层钢板堆石坝,其特征是:在支撑单元内还固定有中间支撑骨架,该中间支撑骨架为直线型或者为弧线形或者多边形。 9. The steel structure combined sandwich steel plate rockfill dam according to claim 1, characterized in that: an intermediate support frame is fixed in the support unit, and the intermediate support frame is linear or arc-shaped or polygonal. 10.根据权利要求1所述钢结构组合式夹层钢板堆石坝,其特征是:坝体设有溢流坝段,在溢流坝段的溢流面全部固定有钢板,溢流坝段两侧坝体上固定有钢板。 10. The steel structure combined sandwich steel plate rockfill dam according to claim 1 is characterized in that: the dam body is provided with an overflow dam section, and steel plates are all fixed on the overflow surface of the overflow dam section, and the two overflow dam sections Steel plates are fixed on the side dam body.
CN2011100629683A 2011-03-16 2011-03-16 Steel structure combined sandwich steel plate rockfill dam Expired - Fee Related CN102155004B (en)

Priority Applications (1)

Application Number Priority Date Filing Date Title
CN2011100629683A CN102155004B (en) 2011-03-16 2011-03-16 Steel structure combined sandwich steel plate rockfill dam

Applications Claiming Priority (1)

Application Number Priority Date Filing Date Title
CN2011100629683A CN102155004B (en) 2011-03-16 2011-03-16 Steel structure combined sandwich steel plate rockfill dam

Publications (2)

Publication Number Publication Date
CN102155004A CN102155004A (en) 2011-08-17
CN102155004B true CN102155004B (en) 2012-11-07

Family

ID=44436658

Family Applications (1)

Application Number Title Priority Date Filing Date
CN2011100629683A Expired - Fee Related CN102155004B (en) 2011-03-16 2011-03-16 Steel structure combined sandwich steel plate rockfill dam

Country Status (1)

Country Link
CN (1) CN102155004B (en)

Families Citing this family (5)

* Cited by examiner, † Cited by third party
Publication number Priority date Publication date Assignee Title
CN102587329B (en) * 2012-04-12 2014-01-22 河海大学 Arched combined faceplate for earth-rock dam and construction method thereof
CN102912768A (en) * 2012-11-02 2013-02-06 中国水电顾问集团华东勘测设计研究院 Earthquake resistant structure of high earth-rock dam in earthquake region
CN104060580B (en) * 2014-06-05 2016-04-13 河海大学 Compensate for displacement eliminates the method for high facial mask loose rock dam antiseepage film anchoring place chucking effect
CN104372770B (en) * 2014-11-05 2016-08-24 华北水利水电大学 Rubber panel rock-fill dams and construction method thereof
CN105297686B (en) * 2015-11-25 2017-12-19 河海大学 A kind of grating type CFRD

Citations (9)

* Cited by examiner, † Cited by third party
Publication number Priority date Publication date Assignee Title
JPS6245809A (en) 1985-08-21 1987-02-27 Tomoharu Ishiwata How to build a dam
DE3808269A1 (en) * 1988-03-12 1989-09-21 Saarlaend Grubenausbau Method of constructing a retaining dam and prefabricated steel member, in particular for a retaining dam constructed according to this method
JPH1150434A (en) 1997-08-05 1999-02-23 Nippon Kokan Light Steel Kk Erosion control dam
JP2000027206A (en) * 1998-07-13 2000-01-25 Kanehiko Yoneyama Prefabricated dam
JP2002309545A (en) * 2001-04-16 2002-10-23 Minoru Kaneko Masonry and bio-charging masonry using corrosion-resistant steel
CN2652997Y (en) * 2002-11-13 2004-11-03 谷春太 Steel surface stone dam
CN101058974A (en) * 2005-12-21 2007-10-24 中国水利水电第一工程局 Once forming construction technique for concrete panel rock fill dam bedding material and slope fixing mortar
CN101285305A (en) * 2008-06-04 2008-10-15 中国水电顾问集团华东勘测设计研究院 Folded line type concrete panel rock-fill dam and construction method thereof
CN201972137U (en) * 2011-03-16 2011-09-14 华北水利水电学院 Steel-structure combined type interlayer steel plate rock-fill dam

Patent Citations (9)

* Cited by examiner, † Cited by third party
Publication number Priority date Publication date Assignee Title
JPS6245809A (en) 1985-08-21 1987-02-27 Tomoharu Ishiwata How to build a dam
DE3808269A1 (en) * 1988-03-12 1989-09-21 Saarlaend Grubenausbau Method of constructing a retaining dam and prefabricated steel member, in particular for a retaining dam constructed according to this method
JPH1150434A (en) 1997-08-05 1999-02-23 Nippon Kokan Light Steel Kk Erosion control dam
JP2000027206A (en) * 1998-07-13 2000-01-25 Kanehiko Yoneyama Prefabricated dam
JP2002309545A (en) * 2001-04-16 2002-10-23 Minoru Kaneko Masonry and bio-charging masonry using corrosion-resistant steel
CN2652997Y (en) * 2002-11-13 2004-11-03 谷春太 Steel surface stone dam
CN101058974A (en) * 2005-12-21 2007-10-24 中国水利水电第一工程局 Once forming construction technique for concrete panel rock fill dam bedding material and slope fixing mortar
CN101285305A (en) * 2008-06-04 2008-10-15 中国水电顾问集团华东勘测设计研究院 Folded line type concrete panel rock-fill dam and construction method thereof
CN201972137U (en) * 2011-03-16 2011-09-14 华北水利水电学院 Steel-structure combined type interlayer steel plate rock-fill dam

Also Published As

Publication number Publication date
CN102155004A (en) 2011-08-17

Similar Documents

Publication Publication Date Title
CN202117030U (en) Sand-gravel dam with steel structure panel
CN101974894B (en) Combined dam
CN102155005B (en) Steel structural panel sand gravel dam
CN101864805B (en) Steel dam space truss structure unit body and arch-style steel dam
CN103362103B (en) Steel membrane step-type overflow dam
CN102155004B (en) Steel structure combined sandwich steel plate rockfill dam
CN209099601U (en) A UHPC ultra-high performance concrete reinforced truss composite floor
CN203256699U (en) Construction structure for water passing earth-rock dam
CN105297686B (en) A kind of grating type CFRD
CN107354917A (en) A kind of gravity rock and its construction method
WO2018223502A1 (en) Modular arch bridge
CN202450491U (en) Open type flood discharge structure at dam crest
CN201972137U (en) Steel-structure combined type interlayer steel plate rock-fill dam
CN103243638A (en) Bridge space radioactive concrete-filled steel tube bridge pier and construction method thereof
CN101974896B (en) Buttress-type steel structure dam
CN204243699U (en) A Lightweight Concrete Composite Board Assembled Cable Trench
CN102155003B (en) Toe board connecting structure of steel structure sandwich steel plate dam
CN110528542A (en) Assembled cofferdam structure
CN102587329A (en) Arched combined faceplate for earth-rock dam and construction method thereof
CN101914907A (en) A method for strengthening the side wall of a mud-rock flow drainage channel with a masonry structure
CN217710670U (en) Steel box girder underground continuous wall structure
CN205000290U (en) Connection structure of asphalt concrete panels at the bottom of the reservoir and concrete panels at the slope of the reservoir
CN205046549U (en) Prefabricated diaphragm wall unit and underground continuous wall
CN106939586A (en) A kind of panel construction of CFRD
CN209040286U (en) Steel concrete assembled connected node

Legal Events

Date Code Title Description
C06 Publication
PB01 Publication
C10 Entry into substantive examination
SE01 Entry into force of request for substantive examination
C53 Correction of patent of invention or patent application
CB03 Change of inventor or designer information

Inventor after: Wei Qun

Inventor after: Zhang Guoxin

Inventor after: Liu Shangwei

Inventor after: Wei Lushuang

Inventor after: Jiang Hua

Inventor after: Yin Weibo

Inventor after: Luo Qianwen

Inventor after: Gao Yangqiuye

Inventor before: Wei Qun

Inventor before: Zhang Guoxin

Inventor before: Liu Shangwei

Inventor before: Jiang Hua

Inventor before: Yin Weibo

COR Change of bibliographic data

Free format text: CORRECT: INVENTOR; FROM: TO: AKIYO TAKATERU

C14 Grant of patent or utility model
GR01 Patent grant
CF01 Termination of patent right due to non-payment of annual fee

Granted publication date: 20121107

CF01 Termination of patent right due to non-payment of annual fee