CN102011567B - 一种游梁抽油机的正扭矩轨道变力臂方法及机构 - Google Patents

一种游梁抽油机的正扭矩轨道变力臂方法及机构 Download PDF

Info

Publication number
CN102011567B
CN102011567B CN 201010550074 CN201010550074A CN102011567B CN 102011567 B CN102011567 B CN 102011567B CN 201010550074 CN201010550074 CN 201010550074 CN 201010550074 A CN201010550074 A CN 201010550074A CN 102011567 B CN102011567 B CN 102011567B
Authority
CN
China
Prior art keywords
crank
pumping unit
arm
torque
force
Prior art date
Legal status (The legal status is an assumption and is not a legal conclusion. Google has not performed a legal analysis and makes no representation as to the accuracy of the status listed.)
Expired - Fee Related
Application number
CN 201010550074
Other languages
English (en)
Other versions
CN102011567A (zh
Inventor
韩修廷
徐金超
李娟�
李晓东
马瑞林
王学进
李殿杰
Current Assignee (The listed assignees may be inaccurate. Google has not performed a legal analysis and makes no representation or warranty as to the accuracy of the list.)
XI'AN ASIA-PACIFIC ENERGY TECHNOLOGY Co Ltd
China University of Petroleum East China
Original Assignee
XI'AN ASIA-PACIFIC ENERGY TECHNOLOGY Co Ltd
China University of Petroleum East China
Priority date (The priority date is an assumption and is not a legal conclusion. Google has not performed a legal analysis and makes no representation as to the accuracy of the date listed.)
Filing date
Publication date
Application filed by XI'AN ASIA-PACIFIC ENERGY TECHNOLOGY Co Ltd, China University of Petroleum East China filed Critical XI'AN ASIA-PACIFIC ENERGY TECHNOLOGY Co Ltd
Priority to CN 201010550074 priority Critical patent/CN102011567B/zh
Publication of CN102011567A publication Critical patent/CN102011567A/zh
Application granted granted Critical
Publication of CN102011567B publication Critical patent/CN102011567B/zh
Expired - Fee Related legal-status Critical Current
Anticipated expiration legal-status Critical

Links

Images

Landscapes

  • Transmission Devices (AREA)

Abstract

一种游梁抽油机的正扭矩轨道变力臂方法及机构。主要解决游梁抽油机冲程上下死点减速箱扭矩存在负值或零值、扭矩和功率交变大、导致载荷冲击大、系统效率低、能耗大的问题。其特征在于:设曲柄(10)逆时针旋转,改变游梁(5)力臂长度,使驴头在下死点位置时,曲柄(10)与垂线(m)成-β角,驴头在上死点位置时,曲柄(10)与垂线(m)成+β角;曲柄(10)在90°、270°位置时,使游梁(5)为水平状态,曲柄在90°位置时游梁(5)的力臂为(b+r),曲柄在270°位置时游梁(5)的力臂为(b-r)。该方法可以使冲程上下死点电机、减速箱扭矩均为正值且交变幅度小,具有载荷冲击小、系统效率高、耗能少的特点。

Description

一种游梁抽油机的正扭矩轨道变力臂方法及机构
技术领域
本发明涉及油田采油领域,具体的说是一种游梁抽油机的正扭矩轨道变力臂方法及机构。
背景技术
目前,75%的人工举升抽油机以游梁式抽油机为主,分为常规型游梁式抽油机、前置型游梁式抽油机、异相型游梁式抽油机和双驴头型游梁式抽油机等。这些结构型式的抽油机主要是利用曲柄连杆机构将旋转运动变为游梁的上下摆动,将井液抽汲至地面。这些类型的抽油机结构稳固,配套工艺齐全,但其结构庞大、载荷波动大,在连杆转动、驴头上下运动过程中,电机、减速箱存在正负和交变大的载荷,即冲程上下死点减速箱扭矩、电机功率均存在负值、零值和交变幅度较大(见图4),为满足系统需要必须配用功率较大的电机,致使电机利用率低,系统存在低效和发电区,导致运动性能差、载荷冲击大、系统效率低和能耗大。多年来,本领域的技术人员一直在研究一种方法或结构,意图不改变游梁式抽油机曲柄连杆机构的主体结构就可使冲程上下死点减速箱扭矩均为正值和交变幅度变小,但始终没有解决这个问题。
发明内容
为了克服现有的游梁抽油机冲程上下死点电机、减速箱扭矩承受负值或零值、交变幅度大等,导致载荷冲击大、系统效率低、能耗大的不足,本发明提供一种游梁抽油机的正扭矩轨道变力臂方法,该方法可以使冲程上下死点电机、减速箱扭矩均为正值且交变幅度小,具有载荷冲击小、系统效率高、耗能少的特点。
本发明的技术方案是:一种游梁抽油机的正扭矩轨道变力臂方法,首先设曲柄逆时针旋转,通过改变游梁力臂长度,使驴头在下死点位置时,曲柄与垂线成-β角,驴头在上死点位置时,曲柄与垂线成+β角; 
曲柄在90°、270°位置时,使游梁为水平状态,其中曲柄在90°位置时游梁的力臂为b+r,曲柄在270°位置时游梁的力臂为b-r。
一种游梁抽油机的正扭矩轨道变力臂机构,包括游梁、曲柄连杆,所述的游梁上与驴头相反一侧的上部固定有轨道,轨道上置有可沿其滚动的位移器,所述的位移器中心穿有可转动的滚轮轴,所述滚轮轴上固定有曲柄连杆,所述的曲柄连杆可与滚轮轴一起随位移器沿轨道平移。
所述的轨道两端分别设有上、下限位块。
所述的滚轮轴上连接滚轮连杆,滚轮连杆的另一端通过连杆横梁连接连杆。
本发明具有如下有益效果:由于采取上述方案,位移器滚轮沿轨道滚动与位移器一起位移,可改变游梁的实际有效力臂长度,使以往曲柄连杆机构力臂不变而角度变的情况改为角度不变而办臂变,在逆时针旋转时,使上冲程曲柄累计旋转角度大于180o而下冲程曲柄累计旋转角度小于180o,这样,电机功率、减速箱扭矩由原来的承受负值、零值、交变幅度大变为始终是正值和稳定,解决了人们长期以来一直想解决而未解决的问题,使得电机、减速箱扭矩载荷均为正值及波动小、系统效率提高、耗能减少和无载荷正负冲击。 
附图说明:
图1是本发明所应用的抽油机的结构示意图;
图2是本发明的结构示意图; 
图3是本发明的工作原理图;
图4是现有的游梁抽油机功率扭矩曲线图,其中曲线a为光杆功率,曲线b为平衡重功率,曲线c为电机功率;
图5是本发明所应用的抽油机功率扭矩曲线图,其中曲线a为光杆功率,曲线b为平衡重功率,曲线c为电机功率。
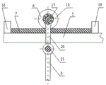
图中1-底座,2-支架,3-悬绳器,4-驴头,5-游梁,6-位移器,7-轨道,8-曲柄连杆,9-曲柄销,10-曲柄,11-减速器,12-减速器,13-刹车装置,14-电机,15-控柜,16-下限位块,17-滚轮轴,18-滚轮轴承,19-上限位块,20-滚轮连杆,21-连杆横梁。
具体实施方式:
下面结合附图对本发明作进一步说明:
由图1、图2所示,一种游梁抽油机的正扭矩轨道变力臂机构,包括游梁5、曲柄连杆8,所述的游梁5上部固定有轨道7,轨道7上置有位移器6,位移器6可沿轨道7位移,使其至游梁5支点的距离不断变化,从而改变游梁5的实际力臂长度,而曲柄连杆8与轨道7之间的角度不变,始终保持垂直,即曲柄连杆8与游梁5始终垂直,不同于以往的抽油机力臂长度不变而变角度的结构。所述的位移器6中心有滚轮轴17穿过,滚轮轴17上设有滚轮轴承18,使得滚轮轴17可在位移器6内自由转动,滚轮轴17上固定有曲柄连杆8,所述的曲柄连杆8可随滚轮轴17随位移器6一起沿轨道7位移。为了使该机构更方便地应用在抽油机上,可将滚轮轴7与滚轮连杆20固定在一起,滚轮连杆20的另一端通过其内部的连杆横梁21连接曲柄连杆8。所述的轨道7的两端还设有上限位块19、下限位块16,抽油机驴头上冲程快结束时,位移器6碰到下限位块16停止前进,上冲程结束下冲程开始后开始反向位移;抽油机驴头快到达下死点时,位移器6碰到上限位块19,等上冲程开始后开始反向位移,重复上述过程。
该正扭矩轨道变力臂机构应用在游梁式抽油机上如图1所示,底座1上通过支架2支撑游梁5,游梁5的右端为驴头4,驴头4通过悬绳器3连接井口,电机14通过减速器12带动曲柄10转动,曲柄10通过曲柄销9连接曲柄连杆8,底座1边缘固定电控柜15。抽油机的上述结构同现有的抽油机相同,仅需在游梁与连杆之间加装该正扭矩轨道变力臂机构,即可实现前述目的。
一种游梁抽油机的正扭矩轨道变力臂方法,由图3及图5所示,图中d、d1、d2分别为抽油机驴头处在水平、下死点、上死点时位移器6在游梁5上的位置,l代表曲柄连杆8的实际长度,b为游梁5支点O1至曲柄10中心的水平距离,r为曲柄10的半径。首先设曲柄10逆时针旋转,通过改变游梁5力臂长度,使驴头在下死点位置时,曲柄10与垂线m成-β角,驴头在上死点位置时,曲柄10与垂线m成+β角;曲柄10在90°、270°位置时,使游梁5为水平状态,其中曲柄在90°位置时游梁5的力臂为b+r,曲柄在270°位置时游梁5的力臂为b-r。
下面对本发明做进一步描述,现将曲柄10中心垂直方向的正上方设为起始点,通过抽油机的四个状态来说明本发明的原理:
设曲柄逆时针旋转,首先,驴头在下死点位置时,曲柄与垂线m成-β角,驴头在上死点位置时,曲柄与垂线m成+β角,由此光杆上冲程曲柄累计转角为180°+2β大于180°,光杆下冲程曲柄累计转角为180°-2β小于180°,这样,曲柄在0°、180°、360°时的电机功率、减速箱扭矩即为正值。由于在0°、180°、360°时平衡重功率为零,而光杆功率为正值(见图5),因此0°、180°、360°时电机功率由常规抽油机的负值变为正值,实现了冲程上、下死点减速箱扭矩和电机功率无负值,使得载荷波动小、系统效率提高、耗能减少。
其次,曲柄在90°、270°位置时,游梁为水平状态,其中曲柄在90°位置时的力臂为b+r,力臂最长,由于驴头载荷不变,根据力臂与力的关系,由此可使驴头作用在连杆上的拉力最小化,由于此时平衡重对系统作功,连杆的拉力越小,减速箱扭矩和电机功率越小,可实现系统最小化;曲柄在270°位置时的力臂为b-r,力臂最短,同样由于驴头载荷不变,可将驴头载荷作用在连上的拉力最大化,由于此时系统对平衡重作功,连杆拉力越大,减速箱扭矩和电机功率越小,也可实现系统最小化。总的来说,通过力臂的变化使力相应变化,从而使载荷变化平稳。
由上述的四个状态可知,在游梁与连杆之间加装本发明,不需改变游梁抽油机的主体结构及现有的配套工艺,并且本发明结构简单、易加工,通过这一简单的方法解决了本领域技术人员一直渴望解决而未解决的问题,使减速箱扭矩和电机功率始终为正值,实现了载荷波动小、系统效率提高、耗能减少的目的。 

Claims (1)

1.一种游梁抽油机的正扭矩轨道变力臂方法,其特征在于:首先设曲柄(10)逆时针旋转,通过改变游梁(5)力臂长度,使驴头在下死点位置时,曲柄(10)与铅垂线(m)成-β角,驴头在上死点位置时,曲柄(10)与铅垂线(m)成+β角; 
曲柄(10)在与铅垂线(m)成90°、270°位置时,使游梁(5)为水平状态,其中曲柄在90°位置时游梁(5)的力臂为(b+r),曲柄在270°位置时游梁(5)的力臂为(b-r),其中 b为游梁(5)支点至曲柄(10)中心的水平距离,r为曲柄(10)的半径。
CN 201010550074 2010-11-19 2010-11-19 一种游梁抽油机的正扭矩轨道变力臂方法及机构 Expired - Fee Related CN102011567B (zh)

Priority Applications (1)

Application Number Priority Date Filing Date Title
CN 201010550074 CN102011567B (zh) 2010-11-19 2010-11-19 一种游梁抽油机的正扭矩轨道变力臂方法及机构

Applications Claiming Priority (1)

Application Number Priority Date Filing Date Title
CN 201010550074 CN102011567B (zh) 2010-11-19 2010-11-19 一种游梁抽油机的正扭矩轨道变力臂方法及机构

Publications (2)

Publication Number Publication Date
CN102011567A CN102011567A (zh) 2011-04-13
CN102011567B true CN102011567B (zh) 2013-04-24

Family

ID=43841877

Family Applications (1)

Application Number Title Priority Date Filing Date
CN 201010550074 Expired - Fee Related CN102011567B (zh) 2010-11-19 2010-11-19 一种游梁抽油机的正扭矩轨道变力臂方法及机构

Country Status (1)

Country Link
CN (1) CN102011567B (zh)

Families Citing this family (2)

* Cited by examiner, † Cited by third party
Publication number Priority date Publication date Assignee Title
CN111255422B (zh) * 2020-02-28 2025-08-22 江苏明宇石油机械有限公司 一种行程便于调节的小型抽油机
CN113890265A (zh) * 2021-02-25 2022-01-04 西安方元明科技股份有限公司 一种基于伺服电动缸的力臂可调的电动抽油机

Citations (5)

* Cited by examiner, † Cited by third party
Publication number Priority date Publication date Assignee Title
US4525914A (en) * 1983-05-04 1985-07-02 Marathon Oil Company Method and apparatus for replacing bearings
CN2352672Y (zh) * 1998-09-23 1999-12-08 周世海 高效节能抽油机
CN2494428Y (zh) * 2001-06-28 2002-06-05 王志义 变支点游梁式抽油机
CN2660113Y (zh) * 2003-03-30 2004-12-01 高余粮 游轮变后臂游梁式抽油机
RU2381383C1 (ru) * 2008-07-11 2010-02-10 Виктор Геннадиевич Гузь Способ добычи нефти с использованием штангового глубинного насоса и станок-качалка для его осуществления (варианты)

Patent Citations (5)

* Cited by examiner, † Cited by third party
Publication number Priority date Publication date Assignee Title
US4525914A (en) * 1983-05-04 1985-07-02 Marathon Oil Company Method and apparatus for replacing bearings
CN2352672Y (zh) * 1998-09-23 1999-12-08 周世海 高效节能抽油机
CN2494428Y (zh) * 2001-06-28 2002-06-05 王志义 变支点游梁式抽油机
CN2660113Y (zh) * 2003-03-30 2004-12-01 高余粮 游轮变后臂游梁式抽油机
RU2381383C1 (ru) * 2008-07-11 2010-02-10 Виктор Геннадиевич Гузь Способ добычи нефти с использованием штангового глубинного насоса и станок-качалка для его осуществления (варианты)

Non-Patent Citations (2)

* Cited by examiner, † Cited by third party
Title
姚春东.新型抽油机机构尺寸的优化设计与动力性能仿真.《机械设计》.2004,第21卷(第9期),第49-51页.
新型抽油机机构尺寸的优化设计与动力性能仿真;姚春东;《机械设计》;20040930;第21卷(第9期);第49-51页 *

Also Published As

Publication number Publication date
CN102011567A (zh) 2011-04-13

Similar Documents

Publication Publication Date Title
WO2016015535A1 (zh) 一种具有t型游梁的钟摆式抽油机
CN106894790A (zh) 一种联动平衡游梁式抽油机
CN101532377B (zh) 摆式节能抽油机
CN102678089A (zh) 移动配重块式抽油机
CN102011567B (zh) 一种游梁抽油机的正扭矩轨道变力臂方法及机构
CN206888959U (zh) 一种曲柄及游梁式抽油机
CN101539004B (zh) 外摆线游梁式抽油机
CN204511396U (zh) 一种后置层叠式拉杆长冲程抽油机
CN102220855B (zh) 一种双曲柄二次往复平衡举升装置
CN103321614A (zh) 摆式双驴头自平衡换向器驱动抽油机
CN108798605B (zh) 智能化控制数字液压抽油机
CN202100241U (zh) 滑块式正扭矩抽油机
CN202100242U (zh) 改进的滚动螺旋传动直线抽油机
CN117027737A (zh) 一种三驴头游梁式抽油机
CN202073541U (zh) 一种双曲柄二次往复平衡举升装置
CN202441337U (zh) 双减速双平衡正扭矩节能抽油机
CN203640699U (zh) 抽油机动态平衡装置
CN2544096Y (zh) 吊重滑轮组平衡式抽油机
CN202483525U (zh) 自平衡双驴头齿轮驱动抽油机
CN204041026U (zh) 一种无缆平衡长冲程抽油机
CN2683843Y (zh) 弧线滚动平衡游梁式抽油机
CN203948077U (zh) 一种凸轮式旋转节能抽油机
CN101586456A (zh) 一种开式大齿轮节能游梁抽油机
CN201412125Y (zh) 游梁式自动变矩平衡、旋转驴头增程抽油机
CN110878685A (zh) 一种游梁式抽油机实时动态平衡调节方法

Legal Events

Date Code Title Description
C06 Publication
PB01 Publication
C10 Entry into substantive examination
SE01 Entry into force of request for substantive examination
C14 Grant of patent or utility model
GR01 Patent grant
C17 Cessation of patent right
CF01 Termination of patent right due to non-payment of annual fee

Granted publication date: 20130424

Termination date: 20131119