CN102006130A - 汽车防干扰报警器 - Google Patents
汽车防干扰报警器 Download PDFInfo
- Publication number
- CN102006130A CN102006130A CN2010105680766A CN201010568076A CN102006130A CN 102006130 A CN102006130 A CN 102006130A CN 2010105680766 A CN2010105680766 A CN 2010105680766A CN 201010568076 A CN201010568076 A CN 201010568076A CN 102006130 A CN102006130 A CN 102006130A
- Authority
- CN
- China
- Prior art keywords
- pin
- circuit
- chip
- signal
- alarm
- Prior art date
- Legal status (The legal status is an assumption and is not a legal conclusion. Google has not performed a legal analysis and makes no representation as to the accuracy of the status listed.)
- Pending
Links
- 230000006855 networking Effects 0.000 claims abstract description 28
- 230000035945 sensitivity Effects 0.000 claims abstract description 11
- 239000003990 capacitor Substances 0.000 claims description 9
- 238000001514 detection method Methods 0.000 abstract description 11
- 239000000203 mixture Substances 0.000 abstract 1
- 238000012544 monitoring process Methods 0.000 description 24
- 238000005516 engineering process Methods 0.000 description 11
- 238000000034 method Methods 0.000 description 5
- 238000004891 communication Methods 0.000 description 4
- 238000010586 diagram Methods 0.000 description 4
- 238000004458 analytical method Methods 0.000 description 2
- 238000013461 design Methods 0.000 description 2
- 238000011161 development Methods 0.000 description 2
- 230000008569 process Effects 0.000 description 2
- 230000005855 radiation Effects 0.000 description 2
- 230000009471 action Effects 0.000 description 1
- 230000009286 beneficial effect Effects 0.000 description 1
- 238000006243 chemical reaction Methods 0.000 description 1
- 238000005336 cracking Methods 0.000 description 1
- 238000011840 criminal investigation Methods 0.000 description 1
- 230000000694 effects Effects 0.000 description 1
- 230000005611 electricity Effects 0.000 description 1
- 230000008676 import Effects 0.000 description 1
- 230000002452 interceptive effect Effects 0.000 description 1
- 238000011835 investigation Methods 0.000 description 1
- 238000004519 manufacturing process Methods 0.000 description 1
- 238000012806 monitoring device Methods 0.000 description 1
- 230000001105 regulatory effect Effects 0.000 description 1
- 238000011160 research Methods 0.000 description 1
- 238000001228 spectrum Methods 0.000 description 1
- 238000003786 synthesis reaction Methods 0.000 description 1
Images
Landscapes
- Alarm Systems (AREA)
Abstract
本发明公开汽车防干扰报警器,包括设在机壳外面的天线、工作指示灯、信号强度显示窗口、电源开关、灵敏度按键、模式调整按键、充电组网接口和充电指示灯分别与设在机壳里的电子线路板电连接,其特征是:在所述电子线路板上设有控制电路,分别与控制电路连接的报警组网接口电路、信号强度显示电路和干扰信号接收电路,工作指示电路和充电指示电路,还设有与前述各电路连接的电源电路和接线端子J1。本发明实现了监测设备手机式的外形结构,大大提高了设备的便携性;辨识率比采用普通监测设备进行信号辨识,准确度提高在30%以上。采用有线和无线混合组网的方式,大大提高了系统对干扰信号的探测距离和探测范围,并可以准确提供干扰源的位置。
Description
技术领域
本发明涉及报警装置,具体涉及汽车防干扰报警器,是用于应对和打击“汽车信号拦截器”犯罪的无线电侦听设备。
背景技术
目前,在汽车盗窃案件中出现了一种新形式,不法分子利用大功率无线电发射设备干扰汽车用户的中控锁系统,使得粗心的汽车用户按下中控锁后误以为自己的车门已经锁闭,不法分子随即潜入车中实施盗窃犯罪,甚至将车开走。在全国各地,这种犯罪形式并不鲜见。如何应对这种新的犯罪形式,成为各级公安部门和刑侦警员共同关注的热点。使用无线电侦察设备对敌方电磁信号实施侦察,以获取对方的各种信息,这种军事活动自从有了无线电通信用于军事目的时就开始了。军事上的无线电通信侦察主要包括两个内容,其一是以获取情报为目的的情报侦察;其二是以获取敌方通信技术参数、活动规律、辐射源位置以及由辐射源位置构成的战场电子序列图,以支援电子进攻行动为目的的通信侦察,即无线电监测技术。在国内外,无线电监测技术广泛运用于无线电管理工作中,是无线电管理工作的技术支柱,为各级无线电管理部门科学实施电磁频谱管理提供科学依据。因此,无线电监测技术的发展也是日新月异,目前无线电监测的先进技术掌握在以美、德、法为代表的国家手中,主要的无线电监测设备生产厂商包括德国的R&S公司、法国的TAHLES公司,美国的安捷伦等公司,国内的无线电监测设备大多数依赖于这些厂商进口,且价格昂贵,动辄就是每台几十万元欧元,如果将其运用在案件侦破中,可以说是杀鸡用牛刀,使用成本非常高昂,无法满足实际运用需要。因此,急需开发一种适合“汽车信号拦截器”犯罪模式监测的信号侦测设备,该设备可自动识别正常的汽车中控锁遥控信号与非法“汽车信号拦截器”信号的差异,创新采用无线信号侦测、信号特征识别、信号强度辨识等先进技术手段,捕捉可疑犯罪信号并以声、光、震动等多种告警方式对可疑信号进行辨识告警,提示在侦测地点附近存在的疑似犯罪行为,巡逻警员或其他安保人员可立即对周边疑似犯罪人员进行近身排查,迅速获取第一手的犯罪证据。
发明内容
本发明的目的是提供汽车防干扰报警器,它依据无线电信号监测与分析原理,能对不法分子发射的大功率无线电干扰信号与正常汽车遥控信号进行信号监测和辨识,找出其中的信号差异,识别监测干扰信号、屏蔽正常信号,为巡逻警员和相关安保人员迅速发现和获取第一手的犯罪证据提供技术支持。
经分析研究,现有“汽车中控锁遥控器”工作在国家无线电管理委员会规定的ISM(工业、科学、医疗)频段,工作频点为:303MHz、315MHz、330MHz、433MHz,其中90%以上的车辆工作在315MHz;市场非法出售的“汽车信号拦截器”发射的无线电信号类型为:脉冲数字信号;此类案件多发地点为:无人看守的停车位、大型停车库、车站、码头、大型商场超市的免费停车场等位置。本发明是综合分析了“汽车信号拦截器”特点和不法分子的作案特点,结合无线电信号识别与侦测技术的现状设计的。其基本工作原理是:微处理器(MCU)控制干扰接收电路在315MHz频点循环侦测,一旦检测到315MHz上有信号发射,侦测模块立即进入侦测接收模式,微处理器(MCU)开始信号持续时间的计时,一旦接收信号持续时间超过设定的计时门限,即进入报警模式,控制声、光、振动报警模块进行工作,提示周围有非法干扰信号的存在。
本发明所述的汽车防干扰报警器,包括机壳、设在机壳外面的天线、工作指示灯、信号强度显示窗口、电源开关、灵敏度按键、模式调整按键、充电组网接口和充电指示灯分别与设在机壳里的电子线路板电连接,其特征是:
在所述电子线路板上设有控制电路,分别与控制电路连接的报警组网接口电路、信号强度显示电路和干扰信号接收电路,工作指示电路和充电指示电路,还设有与前述各电路连接的电源电路、接线端子J1;
充电组网接口与报警组网接口电路和充电指示电路连接,电源开关与电源电路连接,灵敏度按键和模式调整按键分别与控制电路连接,工作指示灯与工作指示电路连接,充电指示灯与充电指示电路连接,信号强度显示窗口与信号强度显示电路对应,天线与干扰信号接收电路连接。
所述的汽车防干扰报警器,其所述控制电路包括微处理器(MCU)芯片U1(型号AT89C2051)和与其连接的电阻R1、R2和R3,电容C1、C2和C3,振荡器Y1,微处理器芯片U1的19脚与灵敏度按键连接,微处理器芯片U1的18脚与模式调整按键连接;在控制电路的控制下,不断检测和感应外界干的扰信号,一旦有干扰信号出现,即显示干扰信号的强度,并进行干扰报警。
所述的汽车防干扰报警器,其所述干扰信号接收电路包括包括芯片U2(型号A7102)和与其连接的X1,即天线;芯片U2的10、11、12、16、18脚分别与微处理器芯片U1的17、16、15、13、11脚连接,在微处理器芯片U1的控制下,不断检测和感应外界的干扰信号。
所述的汽车防干扰报警器,其所述信号强度显示电路包括10段数码显示管S4(型号ADP108)和与其连接的电阻R5、R6、R7、R8、R9;S4的1脚和2脚与微处理器芯片U1的2脚连接,S4的3脚和4脚与微处理器芯片U1的3脚连接,S4的的5脚和6脚与微处理器芯片U1的8脚连接,S4的7脚和8脚与微处理器芯片U1的6脚连接,S4的9脚和10脚与微处理器芯片U1的7脚连接,在微处理器芯片U1的控制下,显示干扰信号的接收强度。
所述的汽车防干扰报警器,其所述报警组网接口电路包括芯片U4(型号MAX3232)和与其连接的电容C5、C6、C7、C8、C9,芯片U4的11、12脚分别与微处理器芯片U1的2、3脚连接,芯片U4的13、14脚分别与端子J1的RX、TX脚连接。报警器组网接口电路在组网运用时,主要提供单机设备和中心控制计算机之间数据通信时的接口电平转换。
所述的汽车防干扰报警器,其所述工作指示电路包括发光二极管D1和电阻R4;所述充电指示电路包括发光二极管D2和电阻R13。
所述的汽车防干扰报警器,其所述电源电路包括芯片U3(型号CD4013)和与其连接的电阻R10、R11、R12,电容C4、C13,三极管Q1(型号9013),芯片U3的S11和S12脚与电源开关连接。
本发明在微处理器(MCU)芯片U1的控制下,干扰检测电路不断检测和感应外界干扰信号,一旦有干扰信号出现,即控制信号强度显示电路工作,进行干扰报警。通过机壳上分布的相应按键,可调整报警器工作的方式。
本发明的有益效果:
(1)以单一频率点蹲守监测模式代替频段监测模式,提高了干扰监测的效率;传统的无线电监测设备为了达到对多个频率段进行监测的目的,往往设计很宽的工作频率范围,如果将这种成熟的技术运用于本项目中,势必增加项目的开发成本,本项目采用的“单一频率点蹲守监测模式”相比“频段监测模式”在干扰监测效率上可以提高监测速度70%以上。
(2)由于大量采用表贴元件代替传统的分立式元件安装工艺,大大减小了监测设备的体积。在外形体积上比现有的全频段监测设备减小80%以上,可以实现监测设备手机式的外形结构,大大提高了设备的便携性。
(3)特定无线电信号的辨识技术;在现实生活中,工作在315MHz频段的无线电信号异常繁多,本项目需要解决的一个重要课题就是在纷繁复杂的同一工作频段中,如何提出“汽车信号拦截器”的特征信号,并进行辨识。辨识率比采用普通监测设备进行信号辨识,准确度提高在30%以上。
(4)多机组网防干扰技术;由于单个设备在工作时,对干扰信号的探测距离有限,在需要大面积探测的“汽车信号拦截器”的运用场合,需要进行组网探测,并显示可疑干扰信号在地图中的位置。本项目采用有线和无线混合组网的方式,大大提高了系统对干扰信号的探测距离和探测范围,并可以准确提供干扰源的来源位置。
附图说明
图1是本发明的外形示意图。
图2是本发明的原理图。
图3A、图3B、图3C是本发明的的电路图。
图4是本发明的软件流程图。
具体实施方式
下面结合附图对本发明作进一步的说明。
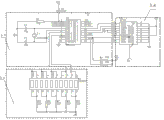
参见图1、图2图3A、图3B和图3C所示的汽车防干扰报警器,包括设在机壳1外面的天线2、工作指示灯4、信号强度显示窗口5、电源开关6、灵敏度按键7、模式调整按键8、充电组网接口9和充电指示灯10分别与设在机壳里的电子线路板3电连接;
在电子线路板3上设有控制电路3.3,分别与控制电路连接的报警组网接口电路3.6、信号强度显示电路3.5和干扰信号接收电路3.4,工作指示电路3.2和充电指示电路3.7,还设有与前述各电路连接的电源电路3.1和接线端子J1;
充电组网接口9与报警组网接口电路3.6和充电指示电路3.7连接,电源开关6与电源电路3.1连接,灵敏度按键7和模式调整按键8分别与控制电路3.3连接,工作指示灯4与工作指示电路3.2连接,充电指示灯10与充电指示电路3.7连接,信号强度显示窗口5与信号强度显示电路3.5对应,天线2与干扰信号接收电路3.4连接;
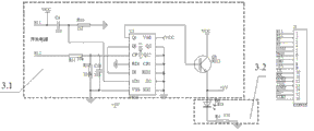
所述控制电路3.3包括微处理器(MCU)芯片U1(型号AT89C2051)和与其连接的电阻R1、R2和R3,电容C1、C2和C3,振荡器Y1,微处理器芯片U1的19脚与灵敏度按键7连接,微处理器芯片U1的18脚与模式调整按键8连接;在控制电路的控制下,不断检测和感应外界干的扰信号,一旦有干扰信号出现,即显示干扰信号的强度,并进行干扰报警;
所述干扰信号接收电路3.4包括包括芯片U2(型号A7102)和与其连接的X1,即天线2;芯片U2的10、11、12、16、18脚分别与微处理器芯片U1的17、16、15、13、11脚连接,在微处理器芯片U1的控制下,不断检测和感应外界的干扰信号。
所述信号强度显示电路3.5包括10段数码显示管S4(型号ADP108)和与其连接的电阻R5、R6、R7、R8、R9;S4的1脚和2脚与微处理器芯片U1的2脚连接,S4的3脚和4脚与微处理器芯片U1的3脚连接,S4的的5脚和6脚与微处理器芯片U1的8脚连接,S4的7脚和8脚与微处理器芯片U1的6脚连接,S4的9脚和10脚与微处理器芯片U1的7脚连接,在微处理器芯片U1的控制下,显示干扰信号的接收强度。
所述报警组网接口电路3.6包括芯片U4(型号MAX3232)和与其连接的电容C5、C6、C7、C8、C9,芯片U4的11、12脚分别与微处理器芯片U1的2、3脚连接,芯片U4的13、14脚分别与端子J1的RX、TX脚连接;
所述工作指示电路3.2包括发光二极管D1和电阻R4;所述充电指示电路3.7包括发光二极管D2和电阻R13;
所述电源电路3.1包括芯片U3(型号CD4013)和与其连接的电阻R10、R11、R12,电容C4、C13,三极管Q1(型号9013),芯片U3的S11和S12脚与电源开关6连接。
整个设备工作于低功耗模式,可由两节5号干电池供电。关键技术及技术指标如下:
工作频率:315MHz;灵敏度:≤-30dbm;侦测距离:单机200m,可组网拓展侦测距离;
工作电压:4VDC;连续工作时间:72h;组网接口:RS485;MTBF≥800h。
图4是报警器微处理器编写的软件程序流程框图。报警器开机后首先进行MCU的初始化,初始化的内容包括配置中断及IO口的功能;然后进行干扰接收电路的初始化,初始化的内容包括配置工作寄存器,设置工作频率及载波检测门限。初始化完成后,报警器进行信号的循环检测,一旦检测到有信号,首先判断报警器的工作模式,如果是工作模式1,则直接启动声音和光报警,如果报警器的工作模式为2,则开始配置并启动计数器,对信号脉冲进行计数,一旦在信号消失前达到了预期计数值,则开始提取干扰信号强度,根据载波信号强度,以不同的工作模式进行报警,如果载波不消失,则继续报警,如果载波消失,报警器完成一次报警,重新进入循环等待状态。
在MCU芯片的控制下,干扰检测电路不断检测和感应外界干扰信号,一旦有干扰信号出现,MCU模块即控制信号强度显示电路工作,进行干扰报警。
本发明可配备至巡逻警员或相关安保人员,作为“汽车信号拦截器”的技术侦测手段,也可配备至各类高、中、低端轿车,作为反干扰的信号侦测设备,为轿车中控锁安全保驾护航;组网运用时,可由一个主机和若干本发明(单机)组成汽车干扰的监测网络;监测主机可与安防计算机连接,各单机的报警状态可实时显示于主机的软件监控界面中,主要用于大范围内的联网监测和停车场、停车库等干扰监测等场合。
Claims (7)
1.汽车防干扰报警器,包括机壳(1),设在机壳外面的天线(2)、工作指示灯(4)、信号强度显示窗口(5)、电源开关(6)、灵敏度按键(7)、模式调整按键(8)、充电组网接口(9)和充电指示灯(10)分别与设在机壳里的电子线路板(3)电连接,其特征是:
在所述电子线路板(3)上设有控制电路(3.3),分别与控制电路连接的报警组网接口电路(3.6)、信号强度显示电路(3.5)和干扰信号接收电路(3.4),工作指示电路(3.2)和充电指示电路(3.7),还设有与前述各电路连接的电源电路(3.1)和接线端子J1;
充电组网接口(9)与报警组网接口电路(3.6)和充电指示电路(3.7)连接,电源开关(6)与电源电路(3.1)连接,灵敏度按键(7)和模式调整按键(8)分别与控制电路(3.3)连接,工作指示灯(4)与工作指示电路(3.2)连接,充电指示灯(10)与充电指示电路(3.7)连接,信号强度显示窗口(5)与信号强度显示电路(3.5)对应,天线(2)与干扰信号接收电路(3.4)连接。
2.根据权利要求1所述的汽车防干扰报警器,其特征是:所述控制电路(3.3)包括微处理器芯片U1和与其连接的电阻R1、R2和R3,电容C1、C2和C3,振荡器Y1,微处理器芯片U1的19脚与灵敏度按键(7)连接,微处理器芯片U1的18脚与模式调整按键(8)连接;在控制电路的控制下,不断检测和感应外界干的扰信号,一旦有干扰信号出现,即显示干扰信号的强度,并进行干扰报警。
3.根据权利要求1所述的汽车防干扰报警器,其特征是:所述干扰信号接收电路(3.4)包括包括芯片U2和与其连接的X1,即天线(2);芯片U2的10、11、12、16、18脚分别与微处理器芯片U1的17、16、15、13、11脚连接,在微处理器芯片U1的控制下,不断检测和感应外界的干扰信号。
4.根据权利要求1所述的汽车防干扰报警器,其特征是:所述信号强度显示电路(3.5)包括10段数码显示管S4和与其连接的电阻R5、R6、R7、R8、R9;S4的1脚和2脚与微处理器芯片U1的2脚连接,S4的3脚和4脚与微处理器芯片U1的3脚连接,S4的的5脚和6脚与微处理器芯片U1的8脚连接,S4的7脚和8脚与微处理器芯片U1的6脚连接,S4的9脚和10脚与微处理器芯片U1的7脚连接,在微处理器芯片U1的控制下,显示干扰信号的接收强度。
5.根据权利要求1所述的汽车防干扰报警器,其特征是:所述报警组网接口电路(3.6)包括芯片U4和与其连接的电容C5、C6、C7、C8、C9,芯片U4的11、12脚分别与微处理器芯片U1的2、3脚连接,芯片U4的13、14脚分别与端子J1的RX、TX脚连接。
6.根据权利要求1所述的汽车防干扰报警器,其特征是:所述工作指示电路(3.2)包括发光二极管D1和电阻R4;所述充电指示电路(3.7)包括发光二极管D2和电阻R13。
7.根据权利要求1所述的汽车防干扰报警器,其特征是:所述电源电路(3.1)包括芯片U3和与其连接的电阻R10、R11、R12,电容C4、C13,三极管Q1,芯片U3的S11和S12脚与电源开关(6)连接。
Priority Applications (1)
| Application Number | Priority Date | Filing Date | Title |
|---|---|---|---|
| CN2010105680766A CN102006130A (zh) | 2010-12-01 | 2010-12-01 | 汽车防干扰报警器 |
Applications Claiming Priority (1)
| Application Number | Priority Date | Filing Date | Title |
|---|---|---|---|
| CN2010105680766A CN102006130A (zh) | 2010-12-01 | 2010-12-01 | 汽车防干扰报警器 |
Publications (1)
| Publication Number | Publication Date |
|---|---|
| CN102006130A true CN102006130A (zh) | 2011-04-06 |
Family
ID=43813233
Family Applications (1)
| Application Number | Title | Priority Date | Filing Date |
|---|---|---|---|
| CN2010105680766A Pending CN102006130A (zh) | 2010-12-01 | 2010-12-01 | 汽车防干扰报警器 |
Country Status (1)
| Country | Link |
|---|---|
| CN (1) | CN102006130A (zh) |
Cited By (6)
| Publication number | Priority date | Publication date | Assignee | Title |
|---|---|---|---|---|
| CN102941840A (zh) * | 2012-10-11 | 2013-02-27 | 江苏大学 | 汽车遥控开闭锁干扰信号检测方法及系统 |
| CN104766421A (zh) * | 2015-03-25 | 2015-07-08 | 张彬彬 | 防盗器遥控装置 |
| CN104851237A (zh) * | 2015-05-26 | 2015-08-19 | 孙立满 | 安全监测报警装置 |
| CN106842239A (zh) * | 2017-03-10 | 2017-06-13 | 哈尔滨理工大学 | 一种具有防屏蔽功能的车载定位系统 |
| CN107042810A (zh) * | 2016-02-02 | 2017-08-15 | 福特全球技术公司 | 射频干扰缓解系统和方法 |
| CN107547168A (zh) * | 2017-09-20 | 2018-01-05 | 南京唯家电子科技有限公司 | 一种汽车遥控干扰信号探测器 |
Citations (7)
| Publication number | Priority date | Publication date | Assignee | Title |
|---|---|---|---|---|
| WO1994022118A1 (en) * | 1993-03-15 | 1994-09-29 | Neighbourlink Limited | Security systems |
| CN1842451A (zh) * | 2004-03-01 | 2006-10-04 | 丰田自动车株式会社 | 检测无线电波干扰的用于车辆的防盗系统和防盗设备 |
| US7313366B1 (en) * | 1998-07-15 | 2007-12-25 | Telefonktiebolaget Lm Ericsson (Publ) | Radio communications unit |
| CN201072571Y (zh) * | 2007-03-16 | 2008-06-11 | 常光宇 | 主人识别器 |
| CN201371792Y (zh) * | 2009-03-26 | 2009-12-30 | 刘俊吉 | 防干扰汽车智能防盗报警装置 |
| CN101734223A (zh) * | 2008-11-19 | 2010-06-16 | 黄镜锋 | 汽车防盗装置及防盗方法 |
| CN201914213U (zh) * | 2010-12-01 | 2011-08-03 | 重庆永旺科技发展有限公司 | 汽车防干扰报警器 |
-
2010
- 2010-12-01 CN CN2010105680766A patent/CN102006130A/zh active Pending
Patent Citations (7)
| Publication number | Priority date | Publication date | Assignee | Title |
|---|---|---|---|---|
| WO1994022118A1 (en) * | 1993-03-15 | 1994-09-29 | Neighbourlink Limited | Security systems |
| US7313366B1 (en) * | 1998-07-15 | 2007-12-25 | Telefonktiebolaget Lm Ericsson (Publ) | Radio communications unit |
| CN1842451A (zh) * | 2004-03-01 | 2006-10-04 | 丰田自动车株式会社 | 检测无线电波干扰的用于车辆的防盗系统和防盗设备 |
| CN201072571Y (zh) * | 2007-03-16 | 2008-06-11 | 常光宇 | 主人识别器 |
| CN101734223A (zh) * | 2008-11-19 | 2010-06-16 | 黄镜锋 | 汽车防盗装置及防盗方法 |
| CN201371792Y (zh) * | 2009-03-26 | 2009-12-30 | 刘俊吉 | 防干扰汽车智能防盗报警装置 |
| CN201914213U (zh) * | 2010-12-01 | 2011-08-03 | 重庆永旺科技发展有限公司 | 汽车防干扰报警器 |
Non-Patent Citations (1)
| Title |
|---|
| 王华荣: "一种汽车防盗远程电子报警器", 《技术物理教学》, vol. 18, no. 1, 31 March 2010 (2010-03-31), pages 46 - 48 * |
Cited By (6)
| Publication number | Priority date | Publication date | Assignee | Title |
|---|---|---|---|---|
| CN102941840A (zh) * | 2012-10-11 | 2013-02-27 | 江苏大学 | 汽车遥控开闭锁干扰信号检测方法及系统 |
| CN104766421A (zh) * | 2015-03-25 | 2015-07-08 | 张彬彬 | 防盗器遥控装置 |
| CN104851237A (zh) * | 2015-05-26 | 2015-08-19 | 孙立满 | 安全监测报警装置 |
| CN107042810A (zh) * | 2016-02-02 | 2017-08-15 | 福特全球技术公司 | 射频干扰缓解系统和方法 |
| CN106842239A (zh) * | 2017-03-10 | 2017-06-13 | 哈尔滨理工大学 | 一种具有防屏蔽功能的车载定位系统 |
| CN107547168A (zh) * | 2017-09-20 | 2018-01-05 | 南京唯家电子科技有限公司 | 一种汽车遥控干扰信号探测器 |
Similar Documents
| Publication | Publication Date | Title |
|---|---|---|
| CN102006130A (zh) | 汽车防干扰报警器 | |
| CN201322967Y (zh) | 联网型智能小区防盗报警系统 | |
| CN201417491Y (zh) | 一种家居智能安全防范系统 | |
| CN202911847U (zh) | 电动自行车的电池防盗双向报警器 | |
| CN103318133A (zh) | 一种基于物联网技术的电动车防盗系统 | |
| CN202764916U (zh) | 一种双向汽车防盗器 | |
| CN102228735A (zh) | 一种室内消火栓箱电子监控智能终端 | |
| CN202916868U (zh) | 一种基于Zigbee无线技术的智能宿舍控制管理系统 | |
| CN102426762A (zh) | 双网智能防盗报警系统 | |
| CN201842054U (zh) | 可搜寻干扰信号的遥控钥匙 | |
| CN201914213U (zh) | 汽车防干扰报警器 | |
| CN204143568U (zh) | 一种防盗报警装置 | |
| CN203535750U (zh) | 基于rfid技术的区域安防定位系统 | |
| CN106781227A (zh) | 一种高档住宅小区综合安防系统 | |
| CN204511059U (zh) | 长时间待机自动报警锁 | |
| CN106971482B (zh) | 一种基于低功耗蓝牙的实时智能防盗磁扣系统 | |
| CN101667025B (zh) | 一种针对载体装置的实时监控电路 | |
| CN205038735U (zh) | 一种家用防盗报警系统 | |
| CN203554471U (zh) | 汽车遥控电子锁系统及其遥控器及车载终端 | |
| CN202632466U (zh) | 变电站防火防盗系统 | |
| CN212556108U (zh) | 基于nb-iot的电动车智能车牌 | |
| CN203386315U (zh) | 一种基于单片机的红外报警器 | |
| CN202632445U (zh) | 应用于居民区的无线防盗装置 | |
| CN201576335U (zh) | 无误报电力变压器防盗报警装置 | |
| CN203415058U (zh) | 红外光栅无线报警设备 |
Legal Events
| Date | Code | Title | Description |
|---|---|---|---|
| C06 | Publication | ||
| PB01 | Publication | ||
| C10 | Entry into substantive examination | ||
| SE01 | Entry into force of request for substantive examination | ||
| C02 | Deemed withdrawal of patent application after publication (patent law 2001) | ||
| WD01 | Invention patent application deemed withdrawn after publication |
Application publication date: 20110406 |