CN101902173A - 太阳能充电系统、最大功率点跟踪装置及其取电模块 - Google Patents
太阳能充电系统、最大功率点跟踪装置及其取电模块 Download PDFInfo
- Publication number
- CN101902173A CN101902173A CN 201010234141 CN201010234141A CN101902173A CN 101902173 A CN101902173 A CN 101902173A CN 201010234141 CN201010234141 CN 201010234141 CN 201010234141 A CN201010234141 A CN 201010234141A CN 101902173 A CN101902173 A CN 101902173A
- Authority
- CN
- China
- Prior art keywords
- output
- controlled
- photovoltaic plate
- plate array
- power supply
- Prior art date
- Legal status (The legal status is an assumption and is not a legal conclusion. Google has not performed a legal analysis and makes no representation as to the accuracy of the status listed.)
- Granted
Links
- 230000000087 stabilizing effect Effects 0.000 claims description 17
- 230000005611 electricity Effects 0.000 abstract 4
- 238000010586 diagram Methods 0.000 description 5
- 239000004065 semiconductor Substances 0.000 description 3
- 238000005286 illumination Methods 0.000 description 2
- 238000012644 addition polymerization Methods 0.000 description 1
- 238000003491 array Methods 0.000 description 1
- 230000008859 change Effects 0.000 description 1
- 230000002950 deficient Effects 0.000 description 1
- 238000005516 engineering process Methods 0.000 description 1
- 238000000605 extraction Methods 0.000 description 1
- 230000006872 improvement Effects 0.000 description 1
- 230000004048 modification Effects 0.000 description 1
- 238000012986 modification Methods 0.000 description 1
- 238000010248 power generation Methods 0.000 description 1
Images
Classifications
-
- Y—GENERAL TAGGING OF NEW TECHNOLOGICAL DEVELOPMENTS; GENERAL TAGGING OF CROSS-SECTIONAL TECHNOLOGIES SPANNING OVER SEVERAL SECTIONS OF THE IPC; TECHNICAL SUBJECTS COVERED BY FORMER USPC CROSS-REFERENCE ART COLLECTIONS [XRACs] AND DIGESTS
- Y02—TECHNOLOGIES OR APPLICATIONS FOR MITIGATION OR ADAPTATION AGAINST CLIMATE CHANGE
- Y02E—REDUCTION OF GREENHOUSE GAS [GHG] EMISSIONS, RELATED TO ENERGY GENERATION, TRANSMISSION OR DISTRIBUTION
- Y02E10/00—Energy generation through renewable energy sources
- Y02E10/50—Photovoltaic [PV] energy
- Y02E10/56—Power conversion systems, e.g. maximum power point trackers
Landscapes
- Photovoltaic Devices (AREA)
Abstract
本发明涉及一种太阳能充电系统、最大功率点跟踪装置及其取电模块,该取电模块用于从太阳能光伏板阵列取电并输出至辅助电源,且包括:假负载单元,其功率大于辅助电源开启功率;判断单元,用于判断太阳能光伏板阵列的输出电压是否高于辅助电源的开启电压;第一驱动单元,用于在太阳能光伏板阵列的输出电压不高于辅助电源的开启电压时,从太阳能光伏板阵列取电以驱动假负载单元;第二驱动单元,用于在太阳能光伏板阵列的输出电压高于辅助电源的开启电压时,从太阳能光伏板阵列取电以驱动辅助电源。实施本发明的技术方案,能保证辅助电源稳定工作,而不致于使辅助电源重复开关,从而保护主控模块、继电器、BUCK电路中的开关管等器件。
Description
技术领域
本发明涉及太阳能发电领域,更具体地说,涉及一种太阳能充电系统、最大功率点跟踪装置及其取电模块。
背景技术
随着社会的不断发展能源问题已经变得越来越重要,特别是不可再生能源的不断减少导致的能源危机的加聚,这就使开发新能源成了目前的主要任务,太阳能作为一种新能源,具有取之不尽、用之不竭以及无污染等优点,是未来解决能源问题的重要途径之一。
太阳能光伏发电是通过太阳能光伏板阵列将太阳光能转化为电能的一种方式,在图1示出的太阳能充电系统的逻辑图中,该太阳能充电系统包括MPPT(Maximum Power Point Tracking,最大功率点跟踪)装置100和太阳能光伏板阵列200,其中,MPPT装置100包括取电模块110、辅助电源120、主控模块130、继电器140和BUCK电路150。主控模块130根据太阳能光伏板阵列200输出的电压和电流找到最大功率点,并根据该最大功率点控制继电器140和BUCK电路150以使太阳能光伏板阵列200向蓄电池输出最大功率点电压,再为负载供电。取电模块110从太阳能光伏板阵列200取电并输出至辅助电源120,辅助电源120为主控模块130、继电器140、BUCK电路150供电。
由图2示出的不同光强下,功率与电压的曲线图可得知,在低于最大功率点电压时,太阳能光伏板阵列输出电压的特性很软,即,电压变化较大但功率变化较小。在光照较弱时,太阳能光伏板阵列的输出功率较低,当辅助电源的功率略大于太阳能光伏板阵列的输出功率时,太阳能光伏板阵列的输出电压就跌落很多。结合图1和图2,由于太阳能光伏板阵列200的输出特性很软,所以,取电模块110的取电变成为一个难题,当太阳能光伏板阵列的输出电压达到辅助电源120的开启电压时,辅助电源120瞬间抽取其自身工作所需的功率,此时,太阳能光伏板阵列200的输出电压就会跌落,当跌落到辅助电源120开启电压以下时,辅助电源120就会关闭,随着太阳能光伏板阵列200的输出功率逐渐上升,辅助电源120会重新打开,太阳能光伏板阵列200的输出电压又会跌落,辅助电源120又会重新关闭。实践发现,通常要这样反复振荡10分钟,太阳能光伏板阵列200的输出功率才能维持辅助电源120的正常工作。但辅助电源120如此反复的开关,很容易损坏主控模块130、继电器140、BUCK电路中的开关管等器件。
发明内容
本发明要解决的技术问题在于,针对现有技术的上述辅助电源频繁开关易损坏器件的缺陷,提供一种最大功率点跟踪装置的取电模块,能避免辅助电源重复开关,进而保护器件。
本发明解决其技术问题所采用的技术方案是:构造一种最大功率点跟踪装置的取电模块,用于从太阳能光伏板阵列取电并输出至辅助电源,所述取电模块包括:
假负载单元,所述假负载单元的功率大于辅助电源的开启功率;
判断单元,用于判断太阳能光伏板阵列的输出电压是否高于辅助电源的开启电压,并向第一驱动单元和第二驱动单元输出判断结果;
第一驱动单元,连接于所述判断单元,用于在所述判断结果为太阳能光伏板阵列的输出电压不高于辅助电源的开启电压时,从太阳能光伏板阵列取电以驱动假负载单元;
第二驱动单元,连接于所述判断单元,用于在所述判断结果为太阳能光伏板阵列的输出电压高于辅助电源的开启电压时,从太阳能光伏板阵列取电以驱动辅助电源。
在本发明所述的最大功率点跟踪装置的取电模块中,所述假负载单元包括功率电阻组件。
在本发明所述的最大功率点跟踪装置的取电模块中,所述判断单元包括比较器和用于输出辅助电源开启电压的基准子单元,其中,所述比较器的反相输入端连接太阳能光伏板阵列的输出端,所述比较器的同相输入端连接所述基准单元,所述比较器的输出端即为所述判断单元的输出端,且连接第一驱动单元和第二驱动单元。
在本发明所述的最大功率点跟踪装置的取电模块中,所述判断单元包括第一可控开关管、稳压二极管、第一分压组件、第二分压组件和上拉电阻组件,其中,第一分压组件的第一端连接太阳能光伏板阵列的输出端正极,第一分压组件的第二端连接稳压二极管的负极,稳压二极管的正极连接第二分压组件的第一端,第二分压组件的第二端连接太阳能光伏板阵列的输出端负极,稳压二极管的正极还连接第一可控开关管的第一端,第一可控开关管的第二端连接太阳能光伏板阵列的输出端负极,第一可控开关管的第三端连接上拉电阻组件的第一端,上拉电阻组件的第二端连接太阳能光伏板阵列的输出端正极,第一可控开关管的第三端即为所述判断单元的输出端,且连接第一驱动单元和第二驱动单元。
在本发明所述的最大功率点跟踪装置的取电模块中,所述第一驱动单元包括第二可控开关管和第三可控开关管,所述第二可控开关管的第一端连接所述判断单元的输出端,所述第二可控开关管的第二端连接所述第三可控开关管的第一端,所述第三可控开关管的第二端连接太阳能光伏板阵列的输出端负极,所述第三可控开关管的第三端与所述第二可控开关管的第三端一并连接所述假负载单元的第一端,所述假负载单元的第二端连接太阳能光伏板阵列的输出端正极。
在本发明所述的最大功率点跟踪装置的取电模块中,所述第一驱动单元包括第一继电器,所述第一继电器线圈连接在所述判断单元的输出端和地之间,所述第一继电器开关的第一端连接所述假负载单元的第一端,所述第一继电器开关的第二端连接太阳能光伏板阵列的输出端负极,所述假负载单元的第二端连接太阳能光伏板阵列的输出端正极。
在本发明所述的最大功率点跟踪装置的取电模块中,所述第二驱动单元包括第四可控开关管和第五可控开关管,所述第四可控开关管的第一端连接所述判断单元的输出端,所述第四可控开关管的第二端连接所述第五可控开关管的第一端,所述第五可控开关管的第二端连接太阳能光伏板阵列的输出端负极,所述第五可控开关管的第三端与所述第四可控开关管的第三端一并连接所述辅助电源的供电端。
在本发明所述的最大功率点跟踪装置的取电模块中,所述第二驱动单元包括第二继电器,所述第二继电器线圈连接在所述判断单元的输出端和地之间,所述第二继电器开关的第一端连接所述辅助电源的供电端,所述第二继电器开关的第二端连接太阳能光伏板阵列的输出端负极。
本发明还构造一种太阳能充电系统的最大功率点跟踪装置,包括辅助电源,及用于从太阳能光伏板阵列取电并输出至辅助电源的取电模块,所述取电模块为上述任一种所述的取电模块。
本发明还构造一种太阳能充电系统,包括太阳能光伏板阵列和最大功率点跟踪装置,该最大功率点跟踪装置包括辅助电源,及用于从太阳能光伏板阵列取电并输出至辅助电源的取电模块,所述取电模块为上述任一种所述的取电模块。
实施本发明的太阳能充电系统、最大功率点跟踪装置及其取电模块,在光强较弱时,由于太阳能光伏板阵列的输出电压不高于辅助电源的开启电压,所以,先启动假负载单元,随着光强的增加,太阳能光伏板阵列的输出电压在光伏特性曲线上逐渐上升,若在太阳能光伏板阵列的输出功率能够维持假负载单元的功率的情况下,太阳能光伏板阵列的输出电压还大于辅助电源的开启电压,这时启动辅助电源使其开始工作,由于假负载单元的功率大于辅助电源的开启功率,所以,在太阳能光伏板阵列的输出功率既能够维持假负载单元的功率,太阳能光伏板阵列的输出电压又大于辅助电源的开启电压时,一定能保证辅助电源稳定工作,而不致于使辅助电源重复开关,这就保护了主控模块、继电器、BUCK电路中的开关管等器件。
附图说明
下面将结合附图及实施例对本发明作进一步说明,附图中:
图1是太阳能充电系统的逻辑图;
图2是不同光强下功率与电压的曲线图;
图3是本发明最大功率点跟踪装置的取电模块实施例一的逻辑图;
图4是本发明最大功率点跟踪装置的取电模块实施例二的电路图。
具体实施方式
如图3所示,在本发明最大功率点跟踪装置的取电模块实施例一的逻辑图中,该取电模块110从太阳能光伏板阵列取电并输出至辅助电源,以使辅助电源能为主控模块、继电器、BUCK电路供电。取电模块110包括判断单元111、第一驱动单元112、第二驱动单元113和假负载单元114,其中,假负载单元114用于测试太阳能光伏板阵列的输出功率,且假负载单元114的功率大于辅助电源的开启功率;判断单元111连接于太阳能光伏板阵列的输出端,用于判断太阳能光伏板阵列的输出电压是否高于辅助电源的开启电压,并向第一驱动单元和第二驱动单元输出判断结果;第一驱动单元112连接于判断单元111,用于在所述判断结果为太阳能光伏板阵列的输出电压不高于辅助电源120的开启电压时,从太阳能光伏板阵列取电以驱动假负载单元114;第二驱动单元113连接于判断单元111,用于在所述判断结果为太阳能光伏板阵列的输出电压高于辅助电源120的开启电压时,从太阳能光伏板阵列取电以驱动辅助电源120。通过实施该方案,首先,在光强较弱时,由于太阳能光伏板阵列的输出电压不高于辅助电源的开启电压,所以,先启动假负载单元114,随着光强的增加,太阳能光伏板阵列的输出电压在光伏特性曲线上逐渐上升,若在太阳能光伏板阵列的输出功率能够维持假负载单元114的功率的情况下,太阳能光伏板阵列的输出电压还大于辅助电源的开启电压,这时启动辅助电源使其开始工作,由于假负载单元114的功率大于辅助电源的开启功率,所以,在太阳能光伏板阵列的输出功率既能够维持假负载单元的功率,太阳能光伏板阵列的输出电压又大于辅助电源的开启电压时,一定能保证辅助电源稳定工作,而不致于使辅助电源重复开关,这就保护了主控模块、继电器、BUCK电路中的开关管等器件。
优选地,假负载单元114可为功率电阻组件。
优选地,在一个实施例中,判断单元111可包括比较器和用于输出辅助电源开启电压的基准子单元,其中,比较器的反相输入端连接太阳能光伏板阵列的输出端正极,比较器的同相输入端连接基准单元,比较器的输出端即为判断单元的输出端,且连接第一驱动单元和第二驱动单元。在该实施例中,比较器将太阳能光伏板阵列的输出电压与基准电压比较,也就是与辅助电源的开启电压,若大于辅助电源的开启电压,则比较器输出低电平;若不大于辅助电源的开启电压,则比较器输出高电平。
优选地,在另一个实施例中,判断单元111可包括第一可控开关管、稳压二极管、第一分压组件、第二分压组件和上拉电阻组件,其中,第一分压组件的第一端连接太阳能光伏板阵列的输出端正极,第一分压组件的第二端连接稳压二极管的负极,稳压二极管的正极连接第二分压组件的第一端,第二分压组件的第二端连接太阳能光伏板阵列的输出端负极,稳压二极管的正极还连接第一可控开关管的第一端,第一可控开关管的第二端连接太阳能光伏板阵列的输出端负极,第一可控开关管的第三端连接上拉电阻组件的第一端,上拉电阻组件的第二端连接太阳能光伏板阵列的输出端正极,第一可控开关管的第三端即为判断单元的输出端,且连接第一驱动单元和第二驱动单元。在该实施例中,可通过合适选取第一分压组件和第二分压组件,使太阳能光伏板阵列的输出电压低于辅助电源开启电压时,第一可控开关管第一端的电压为低;反之,第一可控开关管的第一端电压为高,这样,就可根据第一可控开关管的第三端输出的高、低电平来判断太阳能光伏板阵列的输出电压与辅助电源开启电压的关系。
优选地,在一个实施例中,第一驱动单元112包括第二可控开关管和第三可控开关管,第二可控开关管的第一端连接判断单元的输出端,第二可控开关管的第二端连接第三可控开关管的第一端,第三可控开关管的第二端连接太阳能光伏板阵列的输出端负极,第三可控开关管的第三端与第二可控开关管的第三端一并连接假负载单元的第一端,假负载单元的第二端连接太阳能光伏板阵列的输出端负极。在该实施例中,若上述判断单元111输出高电平,说明太阳能光伏板阵列的输出电压不高于辅助电源开启电压,则第二可控开关管和第三可控开关管分别导通,这样,假负载单元的两个端就接入太阳能光伏板阵列的输出电压的两个端,开始工作;反之,第二可控开关管和第三可控开关管分别截止,假负载单元的两个端不能接入太阳能光伏板阵列的输出电压的两个端,停止工作。
优选地,在另一个实施例中,第一驱动单元包括第一继电器,第一继电器线圈连接在判断单元的输出端和地之间,第一继电器开关的第一端连接假负载单元的第一端,第一继电器开关的第一端连接太阳能光伏板阵列的输出端负极,假负载单元的第二端连接太阳能光伏板阵列的输出端正极。在该实施例中,若上述判断单元111输出高电平,说明太阳能光伏板阵列的输出电压不高于辅助电源开启电压,这时,第一继电器线圈通电,第一继电器开关闭合,假负载单元的两个端就接入太阳能光伏板阵列的输出电压的两个端,开始工作;反之,第一继电器线圈掉电,假负载单元的两个端不能接入太阳能光伏板阵列的输出电压的两个端,停止工作。
优选地,在一个实施例中,第二驱动单元113包括第四可控开关管和第五可控开关管,第四可控开关管的第一端连接判断单元的输出端,第四可控开关管的第二端连接第五可控开关管的第一端,第五可控开关管的第二端连接太阳能光伏板阵列的输出端负极,第五可控开关管的第三端与第四可控开关管的第三端一并连接辅助电源的供电端。在该实施例中,若上述判断单元111输出高电平,说明太阳能光伏板阵列的输出电压不高于辅助电源开启电压,则第四可控开关管和第五可控开关管分别导通,辅助电源的供电端电压被拉低,停止工作;反之,辅助电源的供电端电压为高电平,开始工作。
优选地,在一个实施例中,第二驱动单元113包括第二继电器,第二继电器线圈连接在判断单元的输出端和地之间,第二继电器开关的第一端连接辅助电源的供电端,第二继电器开关的第二端连接太阳能光伏板阵列的输出端负极。在该实施例中,若上述判断单元111输出高电平,说明太阳能光伏板阵列的输出电压不高于辅助电源开启电压,这时,第二继电器线圈通电,第二继电器开关闭合,辅助电源的供电端电压被拉低,停止工作;反之,第二继电器线圈掉电,辅助电源的供电端电压为高电平,开始工作。
图4是本发明太阳能充电系统的最大功率点跟踪装置中取电模块实施例二的电路,该取电模块包括判断单元111、第一驱动单元112、第二驱动单元113和假负载单元114,下面将分别介绍每个单元:
在假负载单元114中,功率电阻组件为串联的功率电阻R147和功率电阻R148;
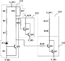
在判断单元111中,第一分压组件为依次串联的三个电阻R7、R6、R8,第二分压组件为电阻R4,上拉电阻组件为两并联的电阻R42、R41,第一可控开关管为三极管Q15。应当说明的是,以上只是本发明的一个实施例,并不用于限制本发明,如第一分压组件、第二分压组、上拉电阻组件中电阻的个数可根据实际需要增加或减少,电阻的连接关系也可为并联、串联、混合联;第一可控开关管还可为MOS管、继电器等。稳压二极管D11的负极依次通过串联的电阻R7、R6、R8连接太阳能光伏板阵列的输出端正极V_DC+,稳压二极管D11的正极通过依次电阻R4连接太阳能光伏板阵列的输出端负极V_DC-,稳压二极管D11的正极还连接三级管Q15的基极,三级管Q15的发射极连接太阳能光伏板阵列的输出端负极V_DC-,三极管Q15的集电极通过两并联的电阻R141、R142连接太阳能光伏板阵列的输出端正极V_DC+,三极管Q15的集电极连接第一驱动单元112和第二驱动单元113。
在第一驱动电源112中,第二可控开关管为三极管Q 36,第三可控开关管为三极管Q 37,应当说明的是,以上只是本发明的一个实施例,并不用于限制本发明,第二可控开关管、第三可控开关管还可为MOS管、继电器等。三极管Q36的基极通过电阻R149连接三极管Q15的集电极,电阻R149起限流作用,三极管Q36的发射级接三极管Q37的基极,三极管Q37的发射极接太阳能光伏板阵列的输出端负极V_DC-,三极管Q37的集电极与三极管Q36的集电极一并通过串联的功率电阻R148、R147接太阳能光伏板阵列的输出端正极V_DC+。
在第二驱动单元113中,第四可控开关管为三极管Q16,第五可控开关管为三极管Q18,应当说明的是,以上只是本发明的一个实施例,并不用于限制本发明,第四可控开关管、第五可控开关管还可为MOS管、继电器等。三极管Q16的基极通过电阻R44连接三极管Q15的集电极,电阻R44起限流作用,三极管Q16的发射级接三极管Q18的基极,三极管Q18的发射极接太阳能光伏板阵列的输出端负极V_DC-,三极管Q18的集电极与三极管Q16的集电极一并接辅助电源的供电端V_AUX。
下面说明上述电路的工作原理:当太阳能光伏板阵列的输出电压小于稳压二极管D11的稳压电压时,三级光Q15截止,其集电极为高电平,此时,三极管Q36、Q37均导通,功率电阻R147、R148接入太阳能光伏板阵列的输出电压的正负极之间;同时,三极管Q16、Q18也均导通,三极管Q16的集电极电压被拉低,辅助电源由于其供电端的电压为低而关闭。随着光照增强,太阳能光伏板阵列的输出功率逐渐上升,当太阳能光伏板阵列的输出电压大于稳压二极管D11的稳压电压时,三极管Q15饱和导通,其集电极电压被拉低,此时,三极管Q16、Q18均截止,三极管Q16的集电极为高电平,辅助电源由于其供电端的电压为高而开始工作;同时,三极管Q16、Q18也均截止,三极管Q16的集电极为高电平,功率电阻R147、R148不能接入太阳能光伏板阵列的输出电压间而停止工作,从而可靠地实现了太阳能光伏板阵列由向假负载单元输出功率到向辅助电源输出功率的切换,由于假负载单元的功率大于辅助电源的开机功率,所以,在太阳能光伏板阵列的输出功率能够维持假负载单元的功率的情况下,太阳能光伏板阵列的输出电压又大于辅助电源的开启电压时,一定能保证辅助电源稳定工作,因此,有效地避免了在弱光下开机辅助电源重复启机的问题。
本发明还构造一种太阳能充电系统的最大功率点跟踪装置,包括辅助电源,及用于从太阳能光伏板阵列取电并输出至辅助电源的取电模块,所述取电模块为上述的任意一种取电模块,在此不做赘述。
本发明还构造一种太阳能充电系统,包括太阳能光伏板阵列和最大功率点跟踪装置,该最大功率点跟踪装置包括辅助电源,及用于从太阳能光伏板阵列取电并输出至辅助电源的取电模块,所述取电模块为上述的任意一种取电模块,在此不做赘述。
以上所述仅为本发明的优选实施例而已,并不用于限制本发明,对于本领域的技术人员来说,本发明可以有各种更改和变化。凡在本发明的精神和原则之内,所作的任何修改、等同替换、改进等,均应包含在本发明的权利要求范围之内。
Claims (10)
1.一种最大功率点跟踪装置的取电模块,用于从太阳能光伏板阵列取电并输出至辅助电源,其特征在于,所述取电模块包括:
假负载单元,所述假负载单元的功率大于辅助电源的开启功率;
判断单元,用于判断太阳能光伏板阵列的输出电压是否高于辅助电源的开启电压,并向第一驱动单元和第二驱动单元输出判断结果;
第一驱动单元,连接于所述判断单元,用于在所述判断结果为太阳能光伏板阵列的输出电压不高于辅助电源的开启电压时,从太阳能光伏板阵列取电以驱动假负载单元;
第二驱动单元,连接于所述判断单元,用于在所述判断结果为太阳能光伏板阵列的输出电压高于辅助电源的开启电压时,从太阳能光伏板阵列取电以驱动辅助电源。
2.根据权利要求1所述的最大功率点跟踪装置的取电模块,其特征在于,所述假负载单元包括功率电阻组件。
3.根据权利要求1所述的最大功率点跟踪装置的取电模块,其特征在于,所述判断单元包括比较器和用于输出辅助电源开启电压的基准子单元,其中,所述比较器的反相输入端连接太阳能光伏板阵列的输出端,所述比较器的同相输入端连接所述基准单元,所述比较器的输出端即为所述判断单元的输出端,且连接第一驱动单元和第二驱动单元。
4.根据权利要求1所述的最大功率点跟踪装置的取电模块,其特征在于,所述判断单元包括第一可控开关管、稳压二极管、第一分压组件、第二分压组件和上拉电阻组件;其中,第一分压组件的第一端连接太阳能光伏板阵列的输出端正极,第一分压组件的第二端连接稳压二极管的负极,稳压二极管的正极连接第二分压组件的第一端,第二分压组件的第二端连接太阳能光伏板阵列的输出端负极,稳压二极管的正极还连接第一可控开关管的第一端,第一可控开关管的第二端连接太阳能光伏板阵列的输出端负极,第一可控开关管的第三端连接上拉电阻组件的第一端,上拉电阻组件的第二端连接太阳能光伏板阵列的输出端正极,第一可控开关管的第三端即为所述判断单元的输出端,且连接第一驱动单元和第二驱动单元。
5.根据权利要求3或4所述的最大功率点跟踪装置的取电模块,其特征在于,所述第一驱动单元包括第二可控开关管和第三可控开关管,所述第二可控开关管的第一端连接所述判断单元的输出端,所述第二可控开关管的第二端连接所述第三可控开关管的第一端,所述第三可控开关管的第二端连接太阳能光伏板阵列的输出端负极,所述第三可控开关管的第三端与所述第二可控开关管的第三端一并连接所述假负载单元的第一端,所述假负载单元的第二端连接太阳能光伏板阵列的输出端正极。
6.根据权利要求3或4所述的最大功率点跟踪装置的取电模块,其特征在于,所述第一驱动单元包括第一继电器,所述第一继电器线圈连接在所述判断单元的输出端和地之间,所述第一继电器开关的第一端连接所述假负载单元的第一端,所述第一继电器开关的第二端连接太阳能光伏板阵列的输出端负极,所述假负载单元的第二端连接太阳能光伏板阵列的输出端正极。
7.根据权利要求3或4所述的最大功率点跟踪装置的取电模块,其特征在于,所述第二驱动单元包括第四可控开关管和第五可控开关管,所述第四可控开关管的第一端连接所述判断单元的输出端,所述第四可控开关管的第二端连接所述第五可控开关管的第一端,所述第五可控开关管的第二端连接太阳能光伏板阵列的输出端负极,所述第五可控开关管的第三端与所述第四可控开关管的第三端一并连接所述辅助电源的供电端。
8.根据权利要求3或4所述的最大功率点跟踪装置的取电模块,其特征在于,所述第二驱动单元包括第二继电器,所述第二继电器线圈连接在所述判断单元的输出端和地之间,所述第二继电器开关的第一端连接所述辅助电源的供电端,所述第二继电器开关的第二端连接太阳能光伏板阵列的输出端负极。
9.一种太阳能充电系统的最大功率点跟踪装置,包括辅助电源,及用于从太阳能光伏板阵列取电并输出至辅助电源的取电模块,其特征在于,所述取电模块为权利要求1-8任一项所述的取电模块。
10.一种太阳能充电系统,包括太阳能光伏板阵列和最大功率点跟踪装置,该最大功率点跟踪装置包括辅助电源,及用于从太阳能光伏板阵列取电并输出至辅助电源的取电模块,其特征在于,所述取电模块为权利要求1-8任一项所述的取电模块。
Priority Applications (1)
| Application Number | Priority Date | Filing Date | Title |
|---|---|---|---|
| CN 201010234141 CN101902173B (zh) | 2010-07-22 | 2010-07-22 | 太阳能充电系统、最大功率点跟踪装置及其取电模块 |
Applications Claiming Priority (1)
| Application Number | Priority Date | Filing Date | Title |
|---|---|---|---|
| CN 201010234141 CN101902173B (zh) | 2010-07-22 | 2010-07-22 | 太阳能充电系统、最大功率点跟踪装置及其取电模块 |
Publications (2)
| Publication Number | Publication Date |
|---|---|
| CN101902173A true CN101902173A (zh) | 2010-12-01 |
| CN101902173B CN101902173B (zh) | 2012-10-10 |
Family
ID=43227441
Family Applications (1)
| Application Number | Title | Priority Date | Filing Date |
|---|---|---|---|
| CN 201010234141 Active CN101902173B (zh) | 2010-07-22 | 2010-07-22 | 太阳能充电系统、最大功率点跟踪装置及其取电模块 |
Country Status (1)
| Country | Link |
|---|---|
| CN (1) | CN101902173B (zh) |
Cited By (9)
| Publication number | Priority date | Publication date | Assignee | Title |
|---|---|---|---|---|
| CN102420548A (zh) * | 2011-12-27 | 2012-04-18 | 东莞市凯登能源科技有限公司 | 一种六级功率搜索的方法、装置及系统 |
| CN102916612A (zh) * | 2011-08-01 | 2013-02-06 | 上海英孚特电子技术有限公司 | 太阳能光伏发电系统防反复启停装置 |
| CN104124698A (zh) * | 2013-04-25 | 2014-10-29 | 惠州天能源逆变技术有限公司 | 一种解决光伏并网逆变器早晚频繁启动的智能控制方案 |
| CN104143904A (zh) * | 2014-07-31 | 2014-11-12 | 阳光电源股份有限公司 | 光伏逆变器辅助电源保护电路及相关设备 |
| CN104270074A (zh) * | 2014-10-23 | 2015-01-07 | 天津市畅悦电子科技有限公司 | 一种光伏能信号控制电路 |
| CN104348347A (zh) * | 2013-08-09 | 2015-02-11 | 华为技术有限公司 | 光伏逆变器辅助电源的启动电路 |
| CN105052011A (zh) * | 2013-03-29 | 2015-11-11 | 松下知识产权经营株式会社 | 供电装置及受电装置 |
| CN115826670A (zh) * | 2022-12-30 | 2023-03-21 | 重庆阿斯潘科技有限公司 | 一种光伏功率优化器启动控制方法 |
| US12362569B2 (en) * | 2023-03-08 | 2025-07-15 | Lite-On Technology Corporation | Maximum power point tracking device and operation method thereof |
Citations (3)
| Publication number | Priority date | Publication date | Assignee | Title |
|---|---|---|---|---|
| CN1556584A (zh) * | 2004-01-06 | 2004-12-22 | 上海诚意电器有限公司 | 自寻优最大功率点跟踪装置及方法 |
| CN101063891A (zh) * | 2006-04-28 | 2007-10-31 | 上海森昌电气科技有限公司 | 太阳能电池最大功率点跟踪装置及其跟踪的方法 |
| US20080238195A1 (en) * | 2007-03-27 | 2008-10-02 | Shaver Argil E | Distributed maximum power point tracking system, structure and process |
-
2010
- 2010-07-22 CN CN 201010234141 patent/CN101902173B/zh active Active
Patent Citations (3)
| Publication number | Priority date | Publication date | Assignee | Title |
|---|---|---|---|---|
| CN1556584A (zh) * | 2004-01-06 | 2004-12-22 | 上海诚意电器有限公司 | 自寻优最大功率点跟踪装置及方法 |
| CN101063891A (zh) * | 2006-04-28 | 2007-10-31 | 上海森昌电气科技有限公司 | 太阳能电池最大功率点跟踪装置及其跟踪的方法 |
| US20080238195A1 (en) * | 2007-03-27 | 2008-10-02 | Shaver Argil E | Distributed maximum power point tracking system, structure and process |
Cited By (13)
| Publication number | Priority date | Publication date | Assignee | Title |
|---|---|---|---|---|
| CN102916612A (zh) * | 2011-08-01 | 2013-02-06 | 上海英孚特电子技术有限公司 | 太阳能光伏发电系统防反复启停装置 |
| CN102420548A (zh) * | 2011-12-27 | 2012-04-18 | 东莞市凯登能源科技有限公司 | 一种六级功率搜索的方法、装置及系统 |
| CN105052011B (zh) * | 2013-03-29 | 2018-01-23 | 松下知识产权经营株式会社 | 供电装置及受电装置 |
| CN105052011A (zh) * | 2013-03-29 | 2015-11-11 | 松下知识产权经营株式会社 | 供电装置及受电装置 |
| CN104124698A (zh) * | 2013-04-25 | 2014-10-29 | 惠州天能源逆变技术有限公司 | 一种解决光伏并网逆变器早晚频繁启动的智能控制方案 |
| CN104124698B (zh) * | 2013-04-25 | 2020-02-21 | 惠州天能源科技有限公司 | 一种解决光伏并网逆变器早晚频繁启动的延迟启动装置 |
| CN104348347A (zh) * | 2013-08-09 | 2015-02-11 | 华为技术有限公司 | 光伏逆变器辅助电源的启动电路 |
| CN104348347B (zh) * | 2013-08-09 | 2017-02-15 | 华为技术有限公司 | 光伏逆变器辅助电源的启动电路 |
| CN104143904A (zh) * | 2014-07-31 | 2014-11-12 | 阳光电源股份有限公司 | 光伏逆变器辅助电源保护电路及相关设备 |
| CN104270074A (zh) * | 2014-10-23 | 2015-01-07 | 天津市畅悦电子科技有限公司 | 一种光伏能信号控制电路 |
| CN104270074B (zh) * | 2014-10-23 | 2016-08-17 | 天津市畅悦电子科技有限公司 | 一种光伏能信号控制电路 |
| CN115826670A (zh) * | 2022-12-30 | 2023-03-21 | 重庆阿斯潘科技有限公司 | 一种光伏功率优化器启动控制方法 |
| US12362569B2 (en) * | 2023-03-08 | 2025-07-15 | Lite-On Technology Corporation | Maximum power point tracking device and operation method thereof |
Also Published As
| Publication number | Publication date |
|---|---|
| CN101902173B (zh) | 2012-10-10 |
Similar Documents
| Publication | Publication Date | Title |
|---|---|---|
| CN101902173A (zh) | 太阳能充电系统、最大功率点跟踪装置及其取电模块 | |
| CN101815386B (zh) | 一种led灯具及其控制电路 | |
| US9130404B2 (en) | Multiple redundant solar power system | |
| WO2022033002A1 (zh) | 一种光伏发电系统 | |
| CN205051931U (zh) | Led的驱动电源 | |
| CN105529810A (zh) | 储能式光伏电站光伏充电系统及其控制方法 | |
| CN101841174B (zh) | 一种控制太阳能充电的方法 | |
| CN211701574U (zh) | 自均衡充电装置及充电控制系统 | |
| CN104242812A (zh) | 一种基于单片机的太阳能功率控制器 | |
| CN204721049U (zh) | 一种水浪发电装置的电能存储系统 | |
| CN119813489A (zh) | 一种太阳能发电调压电路 | |
| CN208522519U (zh) | 一种光伏发电储电装置 | |
| CN212366912U (zh) | 一种光伏发电系统 | |
| CN214756072U (zh) | 一种用于光伏电源的开关控制电路 | |
| CN215344059U (zh) | 一种太阳能储能供电电路 | |
| CN204068336U (zh) | 一种充电电路 | |
| CN102780250A (zh) | 一种太阳能充电控制器 | |
| CN210577924U (zh) | 一种基于太阳能充电的充电电路及其系统 | |
| CN203456932U (zh) | 一种多电源供电装置 | |
| CN103236728B (zh) | 一种太阳能供电控制系统 | |
| CN109586393B (zh) | 双电池充电装置及系统 | |
| CN209389724U (zh) | 虚拟同步发电机储能控制系统 | |
| CN201466752U (zh) | 太阳能充电装置 | |
| CN101989748A (zh) | 太阳能充电装置以及充电方法 | |
| CN209313516U (zh) | 一种风光互补供电的蓄电池充放电控制系统 |
Legal Events
| Date | Code | Title | Description |
|---|---|---|---|
| C06 | Publication | ||
| PB01 | Publication | ||
| C10 | Entry into substantive examination | ||
| SE01 | Entry into force of request for substantive examination | ||
| C14 | Grant of patent or utility model | ||
| GR01 | Patent grant | ||
| CP03 | Change of name, title or address | ||
| CP03 | Change of name, title or address |
Address after: Nanshan District Xueyuan Road in Shenzhen city of Guangdong province 518055 No. 1001 Nanshan Chi Park B2 building 1-4 floor, building 6-10 Patentee after: Vitamin Technology Co., Ltd. Address before: 518057 Nanshan District science and Technology Industrial Park, Guangdong, Shenzhen Branch Road, No. Patentee before: Aimosheng Network Energy Source Co., Ltd. |