CN101786032A - 用于可逆锤片式破碎机中的转子 - Google Patents
用于可逆锤片式破碎机中的转子 Download PDFInfo
- Publication number
- CN101786032A CN101786032A CN 201010128301 CN201010128301A CN101786032A CN 101786032 A CN101786032 A CN 101786032A CN 201010128301 CN201010128301 CN 201010128301 CN 201010128301 A CN201010128301 A CN 201010128301A CN 101786032 A CN101786032 A CN 101786032A
- Authority
- CN
- China
- Prior art keywords
- hammer leaf
- hammer
- rotor
- blade
- raised line
- Prior art date
- Legal status (The legal status is an assumption and is not a legal conclusion. Google has not performed a legal analysis and makes no representation as to the accuracy of the status listed.)
- Granted
Links
- 230000002441 reversible effect Effects 0.000 title claims abstract description 37
- 239000000463 material Substances 0.000 claims description 43
- 230000000295 complement effect Effects 0.000 claims description 9
- 229910000831 Steel Inorganic materials 0.000 claims description 4
- 239000003292 glue Substances 0.000 claims description 4
- 239000010959 steel Substances 0.000 claims description 4
- 229910001200 Ferrotitanium Inorganic materials 0.000 claims description 3
- ZLMJMSJWJFRBEC-UHFFFAOYSA-N Potassium Chemical group [K] ZLMJMSJWJFRBEC-UHFFFAOYSA-N 0.000 claims description 3
- 229910052700 potassium Inorganic materials 0.000 claims description 3
- 239000011591 potassium Substances 0.000 claims description 3
- 238000004519 manufacturing process Methods 0.000 abstract description 28
- 238000009434 installation Methods 0.000 abstract description 10
- 230000000694 effects Effects 0.000 description 17
- 238000012423 maintenance Methods 0.000 description 12
- 238000010586 diagram Methods 0.000 description 6
- 238000013467 fragmentation Methods 0.000 description 5
- 238000006062 fragmentation reaction Methods 0.000 description 5
- 239000003082 abrasive agent Substances 0.000 description 4
- 238000010276 construction Methods 0.000 description 4
- 230000002035 prolonged effect Effects 0.000 description 3
- 230000011218 segmentation Effects 0.000 description 3
- 238000003466 welding Methods 0.000 description 3
- XEEYBQQBJWHFJM-UHFFFAOYSA-N Iron Chemical compound [Fe] XEEYBQQBJWHFJM-UHFFFAOYSA-N 0.000 description 2
- 238000005516 engineering process Methods 0.000 description 2
- 238000000034 method Methods 0.000 description 2
- 239000002245 particle Substances 0.000 description 2
- 239000007787 solid Substances 0.000 description 2
- 239000000725 suspension Substances 0.000 description 2
- 235000019738 Limestone Nutrition 0.000 description 1
- 239000003245 coal Substances 0.000 description 1
- 238000004939 coking Methods 0.000 description 1
- 230000002950 deficient Effects 0.000 description 1
- 239000010440 gypsum Substances 0.000 description 1
- 229910052602 gypsum Inorganic materials 0.000 description 1
- 229910052742 iron Inorganic materials 0.000 description 1
- 239000006028 limestone Substances 0.000 description 1
- 238000005272 metallurgy Methods 0.000 description 1
- 230000001095 motoneuron effect Effects 0.000 description 1
- 239000002002 slurry Substances 0.000 description 1
- 239000000126 substance Substances 0.000 description 1
- WFKWXMTUELFFGS-UHFFFAOYSA-N tungsten Chemical compound [W] WFKWXMTUELFFGS-UHFFFAOYSA-N 0.000 description 1
- 239000002699 waste material Substances 0.000 description 1
Images
Landscapes
- Crushing And Pulverization Processes (AREA)
Abstract
本发明涉及一种用于可逆锤片式破碎机中的转子,目前还没有一种性能好的用于锤片式破碎机中的转子。本发明包括转子本体和带有数片锤片的锤片破碎结构,其特征是:锤片还包括左耐磨刀片和右耐磨刀片,左耐磨刀片和右耐磨刀片均为一体式结构,左耐磨刀片由左刀片体和左凸条组成,右耐磨刀片由右刀片体和右凸条组成;锤片体的左侧和右侧分别设有左安装槽和右安装槽,左凸条和右凸条分别固定在左安装槽和右安装槽中;锤片体和左耐磨刀片的长度比以及锤片体和右耐磨刀片的长度比均在20∶(9-12)之间,左刀片体和锤片体的宽度比以及右刀片体和锤片体的宽度比均在1∶(6-8)之间。本发明结构设计合理,制造成本低,使用寿命长,便于安装和拆卸。
Description
技术领域
本发明涉及一种用于锤片式破碎机中的转子,尤其是涉及一种用于可逆锤片式破碎机中的转子,它安装在锤片式破碎机上,并在电机的带动下进行转动,主要用于破碎矿山、建筑、化工、电力、冶金等行业中的物料,如矿石、炼焦用煤、石膏、石灰石等,属于可逆锤片式破碎机中的一个部件。
背景技术
目前常用的锤片式破碎机转子中的锤片固定在转子本体上,当锤片式破碎机进行工作时,锤片随转子本体进行转动而实现将大粒径物料破碎成小粒径颗粒的功能。由于锤片与转子本体之间是固定连接的,当物料中含有硬度较大的物体时,锤片一旦锤到这些硬度较大的物体就极易出现损坏的情况,导致锤片式破碎机难以正常工作,不仅降低了生产效率,而且增加了设备维护和维修的成本。同时,由于锤片需要固定连接在转子本体上,如通过螺栓、螺钉等将锤片固定到转子本体上,使得锤片的安装和拆卸较为不便。
现在也有一些通过锤片销而将锤片连接到转子本体上的锤片式破碎机,使得锤片能够绕锤片销自由转动,此类锤片具有一定的自我保护功能,当锤片击打到硬度较大的物料上时,锤片受到硬物料的冲击力后能够反弹,从而能够有效防止锤片出现损坏的情况。如公开日为2007年4月18日,公开号为CN1947846A,专利名称为一种立式锤片破碎混合装置的中国专利中,公开了一种转子结构,该转子结构中的锤片能够绕锤片销进行转动,当主轴高速旋转时,锤片在离心力的作用下以主轴轴线为圆心呈放射状的张开。该专利中的立式锤片破碎混合装置用于破碎熔体料浆中的固体悬浮物,这些固体悬浮物的硬度通常较小,故锤片能够使用普通材料制作成一体式结构,当使用此类采用普通材料制成的一体式结构的锤片来破碎硬度较大的物料时,不仅锤片的使用寿命非常短,需要经常更换锤片,提高了生产成本,降低了工作效率,而且难以达到良好的破碎效果,降低了破碎机的整体性能;若锤片全部采用硬质材料制成,则锤片的生产成本非常昂贵,大大提高了设备的制造成本。而且锤片通过整根的锤片销而固定在锤片座上,一旦转子结构在转动过程中导致锤片销扭曲变形,锤片的拆卸十分麻烦,从而大大增加了设备维护和维修时的工作量。又如公告日为2009年12月16日,公告号为CN201361568Y,专利名称为高效锤片式粉碎机的中国专利中,也公开了一种转子结构,该转子结构所采用的也是一体式结构的锤片,若该锤片全部采用硬质材料制成,则使得设备的制造成本非常高,若该锤片使用普通材料制成,则导致锤片的使用寿命非常短,提高了设备维护和维修的费用。而且该转子结构中的锤片也是通过整根的销轴固定在转子结构上,一旦销轴出现变形或者扭曲的情况,导致锤片的拆卸非常困难,进而影响正常的生产。
当然,现在也有一些在锤片母体上增设耐磨层的用于破碎机中的锤片,如公告日为2009年7月15日,公告号为CN201271593Y,专利名称为粉碎机锤片的中国专利中,公开了一种粉碎机锤片,该锤片中的锤片母体在打击端的端面相对于端面中部对称设有凹槽,导致锤片母体中打击端的强度减弱,影响粉碎机的粉碎效果;在打击端端面及两侧面焊接有碳化钨耐磨层,在凹槽的两侧面上端部也焊接有碳化钨耐磨层,这就使得该锤片的结构复杂,制造不便;通过焊接将碳化钨耐磨层固定到锤片母体上,增加了制造时的工作量,降低了结构的牢固度;该专利没有披露碳化钨耐磨层与锤片母体的长度比,从而难以确定碳化钨耐磨层的用量,导致达不到有效节省碳化钨耐磨层用量的目的;该专利中锤片母体的设置有安装孔的一端为方形结构,不仅浪费材料,而且将该锤片安装在粉碎机中时,影响锤片在转子本体上转动。又如公告日为2009年5月6日,公告号为CN201231159Y,专利名称为粉碎机锤片的中国专利中,所公开的粉碎机锤片也存在与公告号为CN201271593Y的专利中的缺陷,此处不再详述。再如公开日为2005年2月16日,公开号为CN 1579633A,专利名称为用于锤片式粉碎机的耐磨锤片的中国专利中,公开了一种耐磨锤片,该专利虽然公开了在锤片基材易磨损的部位加工沟槽,把耐磨材料固定在加工好的沟槽内,使耐磨材料在工作中不脱落,但该专利没有披露锤片基材开沟槽的具体位置,同时也没有披露耐磨材料的长度与锤片基材的长度关系,从而难以达到有效减少耐磨材料用量,降低锤片制造成本的目的。
目前锤片式破碎机中的转子在电机的作用下做定向转动,安装在转子本体上的锤片也随转子本体做定向转动,使得锤片式破碎机在使用过程中仅通过锤片的一侧来破碎物料,当锤片中用于破碎物料的一侧被磨损到一定程度后,就需要更换锤片,而此时锤片中的另一侧几乎没有出现磨损的情况,从而大大降低了资源的利用率,缩短了锤片的使用寿命,提高了生产成本。
综上所述,目前还没有一种制造成本低,使用寿命长,便于安装和拆卸的用于锤片式破碎机中的转子,导致锤片式破碎机的性能较差或者它的制造成本非常高。
发明内容
本发明的目的在于克服现有技术中存在的上述不足,而提供一种结构设计合理,制造成本低,使用寿命长,便于安装和拆卸的用于可逆锤片式破碎机中的转子。
本发明解决上述问题所采用的技术方案是:该用于可逆锤片式破碎机中的转子包括转子本体和3-5组固定在转子本体上的锤片破碎结构,所述转子本体的形状为圆柱形,该转子本体中带有一个主轴孔;所述每组锤片破碎结构均包括固定在转子本体上的转子架,固定在转子架上的销轴,数片锤片和数个带有圆孔的挡圈,所述锤片包括长条状呈扁平结构的锤片体,该锤片体的后端开有一个圆形的安装孔,所述锤片和挡圈分别通过安装孔和圆孔套装在销轴上,所述两相邻锤片之间均分布有挡圈;其特点在于:所述锤片还包括左耐磨刀片和右耐磨刀片,所述左耐磨刀片和右耐磨刀片均为一体式结构,该左耐磨刀片由长方体状的左刀片体和连在左刀片体上的左凸条组成,该右耐磨刀片由长方体状的右刀片体和连在右刀片体上的右凸条组成;所述锤片体的左侧和右侧分别设置有与左耐磨刀片相匹配的左安装槽和与右耐磨刀片相匹配的右安装槽,所述左凸条和右凸条分别固定在左安装槽和右安装槽中,该左凸条和右凸条的前端均与锤片体的前端相齐平;所述锤片体和左耐磨刀片的长度比以及锤片体和右耐磨刀片的长度比均在20∶(9-12)之间,所述左刀片体和锤片体的宽度比以及右刀片体和锤片体的宽度比均在1∶(6-8)之间;所述每组锤片破碎结构中的销轴均分为2-8段,所述相邻锤片破碎结构中的锤片错位排布。本发明中的锤片由锤片体、左耐磨刀片和右耐磨刀片组成,左耐磨刀片和右耐磨刀片使用硬质材料制成,锤片体使用普通材料制成,在保证锤片破碎效果的基础上,大大降低了锤片的生产成本。本发明专用于可逆锤片式破碎机中,本发明中的左耐磨刀片和右耐磨刀片分别固定在锤片体的左侧和右侧,当可逆锤片式破碎机进行正转或者逆转时,本发明中的左耐磨刀片或者右耐磨刀片能够对物料起到破碎作用,即当左耐磨刀片被物料磨损到一定程度后,通过改变转子的转动方向,就能够使用右耐磨刀片来破碎物料,直至位于锤片体左右两侧的左耐磨刀片和右耐磨刀片均被磨损到一定程度后,再对整块锤片进行更换,从而延长了本发明的使用寿命,提高了资源的利用率,降低了生产成本。
本发明所述锤片体的左侧和右侧分别设置有左凸块和右凸块,所述位于锤片体左侧的左凸块和左安装槽从锤片体的后端到前端依次排列,所述位于锤片体右侧的右凸块和右安装槽从锤片体的后端到前端依次排列,所述左耐磨刀片和右耐磨刀片分别与左凸块和右凸块相齐平。由此使得本发明中锤片的结构更为牢固。
本发明所述锤片体的后端呈圆弧状结构,所述左刀片体和右刀片体的长度分别与左凸条和右凸条的长度相等,所述左安装槽和右安装槽的前端均与锤片体的前端相齐平。由此使得本发明中锤片的结构更为牢固,破碎物料的效果更好。
本发明所述锤片体和左耐磨刀片的长度比以及锤片体和右耐磨刀片的长度比均为100∶51,所述左刀片体和锤片体的宽度比以及右刀片体和锤片体的宽度比均为1∶7。由此使得本发明中锤片的结构设计更为合理,在确保破碎效果的前提下,降低了制造成本。
本发明所述左凸条和右凸条的形状均为长方体。由此使得本发明中锤片的安装更加方便,结构更为牢固。
本发明所述左耐磨刀片和右耐磨刀片的结构和大小均相同。由此使得本发明中锤片的结构更为简单。
本发明所述左耐磨刀片和右耐磨刀片的材质均为高锰钢或者钛钢。由此使得本发明破碎物料的效果更好。
本发明所述左凸条和右凸条均通过胶水分别固定在左安装槽和右安装槽中。由此使得本发明中锤片的安装更为方便,结构更为牢固。
本发明所述锤片破碎结构的组数为四组,所述每组锤片破碎结构中的销轴均分为三段。由此使得本发明的结构设计更加合理,制造、拆卸和安装更加方便。
本发明所述左凸条和右凸条的后端均呈圆弧状结构。由此使得本发明中锤片的安装更为容易,结构设计更为合理。
本发明与现有技术相比,具有以下优点和效果:锤片由锤片体、左耐磨刀片和右耐磨刀片组成,左耐磨刀片和右耐磨刀片分别固定在锤片体的左侧和右侧,左耐磨刀片和右耐磨刀片的作用是破碎物料,故左耐磨刀片和右耐磨刀片使用硬质材料制成,能够有效保证锤片对物料的破碎效果,而锤片体使用普通材料制成,大大降低了锤片的生产成本,从而降低了锤片式破碎机的制造成本。本发明中锤片体和左耐磨刀片的长度比以及锤片体和右耐磨刀片的长度比均在20∶(9-12)之间,左刀片体和锤片体的宽度比以及右刀片体和锤片体的宽度比均在1∶(6-8)之间,在确保对物料具有良好破碎效果的前提下,控制左耐磨刀片和右耐磨刀片的材料使用量,有效降低锤片的制造成本,从而减少可逆锤片式破碎机的生产成本。
本发明是专用于可逆锤片式破碎机中的,左耐磨刀片和右耐磨刀片分别固定在锤片体的左侧和右侧,当可逆锤片式破碎机在运行时,可以使用固定在锤片体上的左耐磨刀片或者右耐磨刀片来破碎物料,如当固定在锤片体左侧的左耐磨刀片磨损到一定程度后,改变可逆锤片式破碎机中电机的转动方向,从而使用固定在锤片体右侧的右耐磨刀片来破碎物料,也就是说本发明中的左耐磨刀片和右耐磨刀片均能够用于破碎物料,从而延长了锤片的使用使用寿命,提高了资源的利用率。
本发明锤片体的左侧从后端到前端依次设置有左凸块和与左耐磨刀片相匹配的左安装槽,锤片体的右侧从后端到前端依次设置有右凸块和与右耐磨刀片相匹配的右安装槽,也就是说本发明中锤片体的左侧和右侧均呈阶梯状结构,且锤片体后端的宽度大于锤片体前端的宽度。本发明的左凸条和右凸条分别固定在左安装槽和右安装槽中,左凸条和右凸条的前端均与锤片体的前端相齐平,左耐磨刀片和右耐磨刀片分别与左凸块和右凸块相齐平,也就是说本发明中锤片左侧的左凸块与左耐磨刀片相齐平,锤片右侧的右凸块与右耐磨刀片相齐平,从而增强了本发明的结构牢固度,而且提高了本发明破碎物料的效率。
本发明中左耐磨刀片上的左凸条和右耐磨刀片上的右凸条分别固定在锤片体的左安装槽和右安装槽中,不仅使得本发明的结构简单,安装方便,而且确保本发明的结构牢固,使用寿命长,从而提高了可逆锤片式破碎机破碎物料的破碎效果。本发明中锤片体的后端呈圆弧状结构,在锤片体的后端开有一个圆形的安装孔,不仅节省了锤片体的耗材量,而且有利于本发明更加灵活的在可逆锤片式破碎机的转子上进行转动,增强了可逆锤片式破碎机的整体性能。
本发明在每组锤片破碎结构中的销轴均分为2-8段,一旦可逆锤片式破碎机在运行时导致销轴出现扭曲或者变形的情况,可以方便的将分段的销轴从转子架上拆卸下来,大大方便了设备的维护和维修,在一定程度上提高了生产效率。本发明中两相邻锤片破碎结构中的锤片错位排布,从而大大提高了可逆锤片式破碎机的破碎效果,提高了生产效率。
本发明结构简单,设计合理,制造容易,生产成本低,使用寿命长,能够有效提高可逆锤片式破碎机破碎物料时的破碎效果。
附图说明
图1是本发明实施例的结构示意图;
图2是图1中A-A面的剖视结构示意图;
图3是本发明实施例中的锤片放大后的主视结构示意图;
图4是图3的左视结构示意图;
图5是图3中右耐磨刀片的主视结构示意图;
图6是图5的左视结构示意图;
图7是图5的俯视结构示意图。
具体实施方式
下面结合附图并通过实施例对本发明作进一步说明。
实施例:
参见图1至图7,本实施例中用于可逆锤片式破碎机中的转子包括转子本体8和四组锤片破碎结构,其中转子本体8的形状为圆柱形,在转子本体8中带有一个主轴孔81,转子本体8通过主轴孔81套装到可逆锤片式破碎机的主轴上。
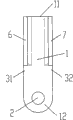
本发明中锤片破碎结构的组数通常在3-5组之间,本实施例中锤片破碎结构的组数为四组,该锤片破碎结构固定在转子本体8上。每组锤片破碎结构均包括固定在转子本体8上的转子架91,固定在转子架91上的销轴92,数片锤片94和数个带有圆孔的挡圈93,其中锤片94由锤片体1、左耐磨刀片6和右耐磨刀片7组成,其中锤片体1为长度235mm、宽度70mm和厚度12mm的长条状扁平结构,在锤片体后端12处为一个半径35mm的半圆结构,本发明中锤片体后端12也可以是呈其他类型的圆弧状结构,便于锤片在可逆锤片式破碎机的转子上灵活转动。在锤片体后端12处开有一个直径为30.5mm的圆形的安装孔2,该安装孔2的圆心与锤片体后端12的半圆结构的圆心相重叠。
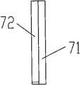
本实施例中的锤片体1为一体式结构,不仅便于锤片的制造,而且提高了锤片的结构牢固度,该锤片体1采用普通钢材制成,从而大大降低了锤片的制造成本。在锤片体左侧设置有左凸块31和左安装槽,该左凸块31和左安装槽从锤片体后端12到锤片体前端11依次排列,其中左安装槽的前端与锤片体前端11相齐平,该左安装槽的后端呈圆弧状结构,左安装槽的长度为120mm、宽度为6mm和深度为10mm。在锤片体右侧设置有右凸块32和右安装槽,该右凸块32和右安装槽从锤片体后端12到锤片体前端11依次排列,其中右凸块32和右安装槽的形状和大小分别与左凸块31和左安装槽相同。由于本实施例中锤片体1的左右两侧分别设置有左凸块31和右凸块32,且左凸块31和右凸块32的凸出长度均为10mm,使得锤片体1呈“凸”字形结构。
本实施例中的左耐磨刀片6和右耐磨刀片7均为一体式结构,该左耐磨刀片6和右耐磨刀片7均是使用高锰钢制造而成的,本发明中的左耐磨刀片6和右耐磨刀片7也可以使用其他硬质材料制备而成,如也可以使用钛钢、钨钢等制造而成。本实施例中的左耐磨刀片6由长方体状的左刀片体和连在左刀片体上的左凸条组成,其中左凸条为长方体形,该左凸条的形状和大小均与锤片体1上的左安装槽相匹配,本实施例中左刀片体的长度为120mm、宽度为10mm和厚度为12mm,左凸条的长度为120mm、宽度为10mm和厚度为6mm,在左凸条的后端为与左安装槽相匹配的圆弧状结构。本实施例中的右耐磨刀片7由长方体状的右刀片体71和连在右刀片体71上的右凸条72组成,右凸条72为长方体形,该右凸条72的形状和大小均与锤片体1上的右安装槽相匹配,该右耐磨刀片7的形状和大小均与左耐磨刀片6相同,即右耐磨刀片7的长度为120mm,右刀片体71的宽度为10mm和厚度为12mm,右凸条72的宽度为10mm和厚度为6mm。
本实施例左耐磨刀片6中的左凸条通过胶水固定在锤片体1的左安装槽中,左刀片体和左凸条的前端均与锤片体前端11相齐平,该左耐磨刀片6与左凸块31相齐平,使得锤片94的左侧呈一平面状,有利于左耐磨刀片6更加牢固的固定在锤片体1的左安装槽中。本实施例右耐磨刀片7中的右凸条72也通过胶水固定在锤片体1的右安装槽中,右刀片体71和右凸条72的前端均与锤片体前端11相齐平,该右耐磨刀片7与右凸块32相齐平,使得锤片94的右侧呈一平面状,增强了锤片94的结构牢固度。本发明中的左凸条和右凸条72也可以通过其他方式分别固定在锤片体1的左安装槽和右安装槽中,如焊接,卡接等。
在本实施例的每组锤片破碎结构中,共设置有十八块锤片94,本发明的每组锤片破碎结构中可以根据实际需要来设置锤片94的块数,该数量通常在12-32块之间。每组锤片破碎结构中的锤片94和挡圈93分别通过安装孔2和圆孔套装在销轴92上,使得锤片94能够在销轴92上进行转动,在每组锤片破碎结构中的两块相邻锤片94之间均分布有挡圈93,即通过挡圈93将两块相邻的锤片94隔开,在两组相邻锤片破碎结构中的对应锤片94相互错位排布,从而提高了可逆锤片式破碎机的破碎效果。
本发明每组锤片破碎结构中的销轴92不是整根的,本发明每组锤片破碎结构中的销轴92通常分为2-8段,本实施例中每组锤片破碎结构中的销轴92均分为三段,分成三段的销轴92固定在转子架91上,每段销轴92上均套装六块锤片94,一旦可逆锤片式破碎机在运行过程中受到硬物的撞击而出现销轴92扭曲或者变形的情况,可以方便的将分段的销轴92从转子架91上拆卸下来,便于设备的维护和维修。
本发明中的转子架91可以通过焊接、卡接等固定在转子本体8上,转子架91也可以与转子本体8连为一体。在每组锤片破碎结构中的转子架91可以相互独立,彼此分离,也可以是每组锤片破碎结构中的转子架91连接在一起的,如本实施例中四组锤片破碎结构中的转子架91就是相互连接在一起的,该四组锤片破碎结构中的转子架91是由四个圆环形的挡板组成的,四个圆环形的挡板相互平行的固定在转子本体8上,在四个挡板之间形成三个区域,当销轴92固定在转子架91上后,每组锤片破碎结构中的三段销轴92分别位于四个挡板之间形成三个区域,每段销轴92的两端分别位于两块相邻的挡板上。由于本发明每组锤片破碎结构中的销轴92通常分为2-8段,所以本发明中的转子本体8也可以由四个以上的圆环形的挡板组成,每段销轴92中的两端分别固定在两块相邻的挡板上。本发明中的转子架91是用于固定分段的销轴92的,每组锤片破碎结构中的转子架91也可以为相互独立架体,该转子架91的结构对本领域的技术人员来说为公知常识,故此处不再详述。
本实施例中的锤片94专用于可逆锤片式破碎机中,该锤片94通过锤片体1上的安装孔2安装在转子本体8的销轴92上,当转子本体8进行转动时,锤片94在离心力的作用下呈辐射状,通过锤片体左侧或者锤片体右侧来破碎物料,而在锤片体左侧和锤片体右侧中起到有效破碎作用的部分主要在靠近锤片体前端11处,若设置在锤片体左侧的左耐磨刀片6和设置在锤片体右侧的右耐磨刀片7的长度过长,则大大提高设备的成本,资源难以得到充分利用;若设置在锤片体左侧的左耐磨刀片6和设置在锤片体右侧的右耐磨刀片7的长度过短,则导致可逆锤片式破碎机难以起到良好的破碎作用,而且大大缩短锤片的使用寿命,提高设备维护和维修的成本。本实施例中锤片体1的长度为235mm,左耐磨刀片6和右耐磨刀片7的长度均为120mm,即锤片体1与左耐磨刀片6的长度比为100∶51,锤片体1与右耐磨刀片7的长度比也为100∶51,由于左耐磨刀片6和右耐磨刀片7的前端均与锤片体前端11相齐平,在确保左耐磨刀片6和右耐磨刀片7具备良好破碎效果的基础上,减少左耐磨刀片6和右耐磨刀片7的耗材量,降低锤片94的制造成本,当锤片94在转子本体8上进行转动时,左耐磨刀片6和右耐磨刀片7能够对物料起到良好的破碎作用。本发明中锤片体1和左耐磨刀片6的长度比以及锤片体1和右耐磨刀片7的长度比均可以在20∶(9-12)之间,优选在20∶(10-11)之间。
本实施例中锤片体1的宽度为70mm,左刀片体和右刀片体71的宽度均为10mm,也就是说左刀片体和锤片体1的宽度比以及右刀片体71和锤片体1的宽度比均为1∶7,使得锤片94在确保破碎效果的前提下,减少左刀片体和右刀片体71的耗材量,降低设备成本。本发明中左刀片体和锤片体1的宽度比以及右刀片体71和锤片体1的宽度比均可以在1∶(6-8)之间,优选在2∶(13-15)之间。
本实施例在锤片体左侧和锤片体右侧分别设置有左耐磨刀片6和右耐磨刀片7,使得该锤片94的锤片体左侧和锤片体右侧均具备破碎物料的功能,当可逆锤片式破碎机进行工作时,锤片94在电机作用下朝一个方向进行转动,锤片体左侧或者锤片体右侧用于破碎物料,当锤片体左侧或者锤片体右侧磨损到一定程度后,改变电机的转动方向,使用锤片94上的另一侧来破碎物料,直至锤片94的另一侧磨损到一定程度后,再更换锤片94,从而延长了锤片94的使用寿命,提高了资源的利用率。
虽然本发明已以实施例公开如上,但其并非用以限定本发明的保护范围,任何熟悉该项技术的技术人员,在不脱离本发明的构思和范围内所作的更动与润饰,均应属于本发明的保护范围。
Claims (10)
1.一种用于可逆锤片式破碎机中的转子,包括转子本体和3-5组固定在转子本体上的锤片破碎结构,所述转子本体的形状为圆柱形,该转子本体中带有一个主轴孔;所述每组锤片破碎结构均包括固定在转子本体上的转子架,固定在转子架上的销轴,数片锤片和数个带有圆孔的挡圈,所述锤片包括长条状呈扁平结构的锤片体,该锤片体的后端开有一个圆形的安装孔,所述锤片和挡圈分别通过安装孔和圆孔套装在销轴上,所述两相邻锤片之间均分布有挡圈;其特征在于:所述锤片还包括左耐磨刀片和右耐磨刀片,所述左耐磨刀片和右耐磨刀片均为一体式结构,该左耐磨刀片由长方体状的左刀片体和连在左刀片体上的左凸条组成,该右耐磨刀片由长方体状的右刀片体和连在右刀片体上的右凸条组成;所述锤片体的左侧和右侧分别设置有与左耐磨刀片相匹配的左安装槽和与右耐磨刀片相匹配的右安装槽,所述左凸条和右凸条分别固定在左安装槽和右安装槽中,该左凸条和右凸条的前端均与锤片体的前端相齐平;所述锤片体和左耐磨刀片的长度比以及锤片体和右耐磨刀片的长度比均在20∶(9-12)之间,所述左刀片体和锤片体的宽度比以及右刀片体和锤片体的宽度比均在1∶(6-8)之间;所述每组锤片破碎结构中的销轴均分为2-8段,所述相邻锤片破碎结构中的锤片错位排布。
2.根据权利要求1所述的用于可逆锤片式破碎机中的转子,其特征在于:所述锤片体的左侧和右侧分别设置有左凸块和右凸块,所述位于锤片体左侧的左凸块和左安装槽从锤片体的后端到前端依次排列,所述位于锤片体右侧的右凸块和右安装槽从锤片体的后端到前端依次排列,所述左耐磨刀片和右耐磨刀片分别与左凸块和右凸块相齐平。
3.根据权利要求1所述的用于可逆锤片式破碎机中的转子,其特征在于:所述锤片体的后端呈圆弧状结构,所述左刀片体和右刀片体的长度分别与左凸条和右凸条的长度相等,所述左安装槽和右安装槽的前端均与锤片体的前端相齐平。
4.根据权利要求1或2所述的用于可逆锤片式破碎机中的转子,其特征在于:所述锤片体和左耐磨刀片的长度比以及锤片体和右耐磨刀片的长度比均为100∶51,所述左刀片体和锤片体的宽度比以及右刀片体和锤片体的宽度比均为1∶7。
5.根据权利要求1或2所述的用于可逆锤片式破碎机中的转子,其特征在于:所述左凸条和右凸条的形状均为长方体。
6.根据权利要求1或2所述的用于可逆锤片式破碎机中的转子,其特征在于:所述左耐磨刀片和右耐磨刀片的结构和大小均相同。
7.根据权利要求1或2所述的用于可逆锤片式破碎机中的转子,其特征在于:所述左耐磨刀片和右耐磨刀片的材质均为高锰钢或者钛钢。
8.根据权利要求1或2所述的用于可逆锤片式破碎机中的转子,其特征在于:所述左凸条和右凸条均通过胶水分别固定在左安装槽和右安装槽中。
9.根据权利要求1或2所述的用于可逆锤片式破碎机中的转子,其特征在于:所述锤片破碎结构的组数为四组,所述每组锤片破碎结构中的销轴均分为三段。
10.根据权利要求5所述的用于可逆锤片式破碎机中的转子,其特征在于:所述左凸条和右凸条的后端均呈圆弧状结构。
Priority Applications (1)
| Application Number | Priority Date | Filing Date | Title |
|---|---|---|---|
| CN2010101283014A CN101786032B (zh) | 2010-03-19 | 2010-03-19 | 用于可逆锤片式破碎机中的转子 |
Applications Claiming Priority (1)
| Application Number | Priority Date | Filing Date | Title |
|---|---|---|---|
| CN2010101283014A CN101786032B (zh) | 2010-03-19 | 2010-03-19 | 用于可逆锤片式破碎机中的转子 |
Publications (2)
| Publication Number | Publication Date |
|---|---|
| CN101786032A true CN101786032A (zh) | 2010-07-28 |
| CN101786032B CN101786032B (zh) | 2011-08-24 |
Family
ID=42529492
Family Applications (1)
| Application Number | Title | Priority Date | Filing Date |
|---|---|---|---|
| CN2010101283014A Expired - Fee Related CN101786032B (zh) | 2010-03-19 | 2010-03-19 | 用于可逆锤片式破碎机中的转子 |
Country Status (1)
| Country | Link |
|---|---|
| CN (1) | CN101786032B (zh) |
Cited By (2)
| Publication number | Priority date | Publication date | Assignee | Title |
|---|---|---|---|---|
| CN104984787A (zh) * | 2015-07-31 | 2015-10-21 | 卢政钊 | 一种碾米机构件 |
| CN113477339A (zh) * | 2021-07-16 | 2021-10-08 | 太原锅炉集团有限公司 | 一种便于更换锤头组件的组合式细碎机转子 |
Citations (5)
| Publication number | Priority date | Publication date | Assignee | Title |
|---|---|---|---|---|
| US20040217223A1 (en) * | 2003-05-02 | 2004-11-04 | Michel Langlois | Grinder cutter tooth and anvil assembly |
| JP2005028258A (ja) * | 2003-07-10 | 2005-02-03 | Shin Meiwa Ind Co Ltd | ディスポーザ |
| CN201231159Y (zh) * | 2008-06-26 | 2009-05-06 | 江苏牧羊集团有限公司 | 粉碎机锤片 |
| CN201361568Y (zh) * | 2008-12-18 | 2009-12-16 | 四川雷鸣生物环保工程有限公司 | 高效锤片式粉碎机 |
| CN201644153U (zh) * | 2010-03-19 | 2010-11-24 | 海盐机械厂 | 一种用于可逆锤片式破碎机中的转子 |
-
2010
- 2010-03-19 CN CN2010101283014A patent/CN101786032B/zh not_active Expired - Fee Related
Patent Citations (5)
| Publication number | Priority date | Publication date | Assignee | Title |
|---|---|---|---|---|
| US20040217223A1 (en) * | 2003-05-02 | 2004-11-04 | Michel Langlois | Grinder cutter tooth and anvil assembly |
| JP2005028258A (ja) * | 2003-07-10 | 2005-02-03 | Shin Meiwa Ind Co Ltd | ディスポーザ |
| CN201231159Y (zh) * | 2008-06-26 | 2009-05-06 | 江苏牧羊集团有限公司 | 粉碎机锤片 |
| CN201361568Y (zh) * | 2008-12-18 | 2009-12-16 | 四川雷鸣生物环保工程有限公司 | 高效锤片式粉碎机 |
| CN201644153U (zh) * | 2010-03-19 | 2010-11-24 | 海盐机械厂 | 一种用于可逆锤片式破碎机中的转子 |
Cited By (2)
| Publication number | Priority date | Publication date | Assignee | Title |
|---|---|---|---|---|
| CN104984787A (zh) * | 2015-07-31 | 2015-10-21 | 卢政钊 | 一种碾米机构件 |
| CN113477339A (zh) * | 2021-07-16 | 2021-10-08 | 太原锅炉集团有限公司 | 一种便于更换锤头组件的组合式细碎机转子 |
Also Published As
| Publication number | Publication date |
|---|---|
| CN101786032B (zh) | 2011-08-24 |
Similar Documents
| Publication | Publication Date | Title |
|---|---|---|
| CN101780426B (zh) | 可逆锤片式破碎机 | |
| CN203140068U (zh) | 螺旋状飞刀锤片粉碎机 | |
| CN102179276A (zh) | 反击破转子 | |
| CN201644150U (zh) | 一种可逆锤片式破碎机 | |
| CN201644156U (zh) | 一种用于可逆锤片式破碎机中的锤片 | |
| CN101786032B (zh) | 用于可逆锤片式破碎机中的转子 | |
| CN101947480A (zh) | 钢牙板粉碎机及其制作方法 | |
| CN201644153U (zh) | 一种用于可逆锤片式破碎机中的转子 | |
| JP2013132631A (ja) | 竪型破砕機 | |
| CN217313679U (zh) | 磨粉机高效送料铲刀装置 | |
| CN101507935B (zh) | 锤片式粉碎机 | |
| CN114918007A (zh) | 磨粉机高效送料铲刀装置 | |
| CN201271593Y (zh) | 粉碎机锤片 | |
| CN101837311B (zh) | 用于可逆锤片式破碎机中的锤片 | |
| CN215087645U (zh) | 一种锤式破碎机转子 | |
| CN201259474Y (zh) | 一种适用于原煤采制样设备上的破碎筛分装置 | |
| CN202893422U (zh) | 一种锤式破碎机轴盘的护盘 | |
| CN201380092Y (zh) | 立轴式无筛网粉碎机 | |
| CN219395623U (zh) | 一种高性能秸秆粉碎机锤片 | |
| CN212596043U (zh) | 一种高效细碎机转子 | |
| CN202028426U (zh) | 无级调锤破碎机 | |
| CN222112012U (zh) | 一种免维护铸造破碎机转子 | |
| CN201216947Y (zh) | 锤片粉碎机的整体式锤片刀组 | |
| CN207680705U (zh) | 一种不用焊接的耐用性锤式粉碎机转子 | |
| CN207493779U (zh) | 一种冲击式粉碎机用转盘结构及粉碎机 |
Legal Events
| Date | Code | Title | Description |
|---|---|---|---|
| C06 | Publication | ||
| PB01 | Publication | ||
| C10 | Entry into substantive examination | ||
| SE01 | Entry into force of request for substantive examination | ||
| C14 | Grant of patent or utility model | ||
| GR01 | Patent grant | ||
| CF01 | Termination of patent right due to non-payment of annual fee |
Granted publication date: 20110824 Termination date: 20150319 |
|
| EXPY | Termination of patent right or utility model |