CN101775844A - Connecting joint of ring beam of steel core concrete column used for topdown construction method foundation pit engineering - Google Patents
Connecting joint of ring beam of steel core concrete column used for topdown construction method foundation pit engineering Download PDFInfo
- Publication number
- CN101775844A CN101775844A CN201010104228A CN201010104228A CN101775844A CN 101775844 A CN101775844 A CN 101775844A CN 201010104228 A CN201010104228 A CN 201010104228A CN 201010104228 A CN201010104228 A CN 201010104228A CN 101775844 A CN101775844 A CN 101775844A
- Authority
- CN
- China
- Prior art keywords
- column
- concrete
- steel core
- concrete column
- steel pipe
- Prior art date
- Legal status (The legal status is an assumption and is not a legal conclusion. Google has not performed a legal analysis and makes no representation as to the accuracy of the status listed.)
- Granted
Links
- 229910000831 Steel Inorganic materials 0.000 title claims abstract description 125
- 239000010959 steel Substances 0.000 title claims abstract description 125
- 239000004567 concrete Substances 0.000 title claims abstract description 88
- 238000010276 construction Methods 0.000 title claims abstract description 40
- 239000011150 reinforced concrete Substances 0.000 claims abstract description 49
- 238000000034 method Methods 0.000 claims abstract description 32
- 230000002787 reinforcement Effects 0.000 claims abstract description 13
- 238000005452 bending Methods 0.000 claims 2
- 210000003205 muscle Anatomy 0.000 claims 2
- 238000005457 optimization Methods 0.000 abstract 1
- 230000035515 penetration Effects 0.000 description 7
- 238000003466 welding Methods 0.000 description 7
- 238000009412 basement excavation Methods 0.000 description 5
- 230000003014 reinforcing effect Effects 0.000 description 4
- 230000002411 adverse Effects 0.000 description 3
- 230000000694 effects Effects 0.000 description 3
- 230000009286 beneficial effect Effects 0.000 description 1
- 239000004566 building material Substances 0.000 description 1
- 230000007123 defense Effects 0.000 description 1
- 238000005516 engineering process Methods 0.000 description 1
- 238000009415 formwork Methods 0.000 description 1
- 230000003993 interaction Effects 0.000 description 1
- 239000000463 material Substances 0.000 description 1
- 238000005192 partition Methods 0.000 description 1
Images
Landscapes
- Underground Structures, Protecting, Testing And Restoring Foundations (AREA)
Abstract
本发明属于固定建筑物地下结构的一种用于逆作法基坑工程的钢管混凝土柱环梁连接节点。地下结构梁(3)和钢管混凝土柱(2)通过钢筋混凝土环梁(1)连接,正下方有逆作法施工中形成柱端头(4),柱端头(4)的截面大小和配筋与所述逆作法实施完成后的永久框架柱相同,柱端头(4)和钢管混凝土柱(2)钢管接触处用端头连接栓钉(12)连接,端头连接栓钉(12)焊接在钢管混凝土柱(2)的钢管外壁上,沿所述钢管混凝土柱(2)钢管壁外周长间隔布置。作为优化,也可在钢管柱和环梁连接处设置环筋(6)或栓钉(5)。采用该节点,既可完全避免钢管混凝土柱梁柱节点位置钢筋的穿越难题,同时可以解决混凝土环梁和钢管混凝土柱的抗剪承载力问题。
The invention belongs to a steel pipe concrete column ring beam connection node used for foundation pit engineering of reverse method for fixing underground structures of buildings. The underground structural beam (3) and the concrete-filled steel tube column (2) are connected by a reinforced concrete ring beam (1), and there is a column end (4) formed in the reverse construction directly below the column end (4). The cross-sectional size and reinforcement of the column end (4) The same as the permanent frame column after the implementation of the reverse method, the contact between the column end (4) and the steel pipe concrete column (2) is connected with the end connection peg (12), and the end connection peg (12) is welded On the outer wall of the steel pipe of the concrete-filled steel pipe column (2), it is arranged at intervals along the outer circumference of the steel pipe wall of the concrete-filled steel pipe column (2). As an optimization, ring bars (6) or pegs (5) can also be arranged at the connection between the steel pipe column and the ring beam. Adopting this joint can not only completely avoid the crossing problem of steel bars at the beam-to-column joints of CFST columns, but also solve the problem of shear bearing capacity of concrete ring beams and CFST columns.
Description
技术领域technical field
本发明属于固定建筑物地下结构梁柱节点构造,特别涉及使用钢管混凝土柱的逆作法基坑工程。The invention belongs to the beam-column node structure of the underground structure of a fixed building, and in particular relates to a foundation pit project using a steel pipe concrete column in the reverse method.
背景技术Background technique
基坑工程逆作法是主体结构与支护结构全面相结合的一种施工工法,工艺一般是先沿建筑物地下室外墙位置施工地下连续墙或其它临时围护墙,同时在建筑物内部的永久框架柱的位置施工中间支承桩和柱,作为施工期间于底板封底之前承受上部结构自重和施工荷载的支承;然后施工主体结构梁板结构,作为地下连续墙或其它围护墙的水平支撑,随后逐层向下开挖土方和浇筑各层地下结构梁板,直至底板封底,逆作施工完成后在柱外包钢筋混凝土,形成永久框架柱;同时,由于地面一层的楼面结构已经完成,为上部结构的施工创造了条件,因此可以同时向上逐层进行地上结构的施工;如此地面上、下同时进行施工,直至工程结束。The reverse method of foundation pit engineering is a construction method that combines the main structure and the supporting structure in an all-round way. Generally, the underground diaphragm wall or other temporary enclosure walls are constructed along the exterior wall of the basement of the building, and at the same time, the permanent walls inside the building are constructed. The position of the frame column shall be constructed with intermediate support piles and columns, as a support for bearing the self-weight and construction load of the superstructure before the bottom plate is sealed during construction; then construct the beam-slab structure of the main structure, as the horizontal support of the underground diaphragm wall or other enclosure walls, and then Excavate the earth and pour the underground structural beams and slabs layer by layer until the base plate is sealed. After the reverse construction is completed, the columns are covered with reinforced concrete to form a permanent frame column; at the same time, since the floor structure of the ground floor has been completed, The construction of the upper structure creates conditions, so the construction of the above-ground structure can be carried out layer by layer upward at the same time; in this way, the construction is carried out simultaneously on the ground and below the ground until the project is completed.
逆作法由于具有可严格控制基坑变形、节省基坑围护结构造价以及加快工程工期等优点,近年来在高层建筑地基基础工程、地铁车站、人防、市政工程中得到了大量的应用和推广,取得了较好的经济效益和社会效益,已积累了较为成熟的设计与施工经验,同时在理论方面也日臻完善,并已列入国家、行业和地方标准中,目前该方法已列为国家建筑业10项新技术之一。Due to the advantages of strictly controlling the deformation of the foundation pit, saving the cost of the foundation pit enclosure structure, and speeding up the construction period, the reverse method has been widely used and promoted in foundation engineering of high-rise buildings, subway stations, civil air defense, and municipal engineering in recent years. It has achieved good economic and social benefits, and has accumulated relatively mature design and construction experience. At the same time, it has become more and more perfect in theory, and has been included in national, industry and local standards. One of the 10 new technologies in the industry.
对于上部结构荷载较大的高层和超高层结构,常需要采用钢管混凝土柱作为上部结构的竖向支撑。钢管混凝土柱充分利用了钢管和核心混凝土的相互作用,具备了强度高、塑性好、抗疲劳和耐冲击的力学特性,两种材料的结合符合提高建筑材料强度的发展方向,随着钢管混凝土柱柱身理论的成熟和完善,钢管混凝土结构在工厂建设中的应用越来越多,特别是高层建筑中发展很快。上部结构钢管混凝土柱梁节点可分为柱贯通和梁贯通,在柱贯通中具体有内加强环式、外加强环式、环梁式、钢筋贯通式、双梁式等,而梁贯通中存在梁整体贯穿式、梁翼缘贯穿式、隔板贯穿式、梁腹板贯穿式等形式。但当前存在钢管混凝土柱节点的研究还并不成熟和完善的问题,对于基坑逆作法工程中的钢管混凝土柱的地下梁柱节点研究更是未见报道。For high-rise and super-high-rise structures with large superstructure loads, it is often necessary to use concrete-filled steel tube columns as vertical supports for the superstructure. Concrete-filled steel pipe columns make full use of the interaction between steel pipes and core concrete, and have the mechanical properties of high strength, good plasticity, fatigue resistance and impact resistance. The combination of the two materials is in line with the development direction of improving the strength of building materials. With the maturity and perfection of the column shaft theory, the application of concrete filled steel tube structures in factory construction is increasing, especially in high-rise buildings. The CFST column-beam joints of the upper structure can be divided into column penetration and beam penetration. In column penetration, there are internal reinforcement ring type, external reinforcement ring type, ring beam type, steel bar penetration type, double beam type, etc., while in beam penetration there are Beam through-type, beam flange through-type, partition through-type, beam web through-type and other forms. However, there is a problem that the research on concrete-filled steel pipe column joints is not yet mature and perfect, and there is no report on the research on underground beam-column joints of steel-filled steel tube concrete columns in reverse engineering of foundation pits.
根据逆作法自身的工艺特点,逆作法工程中的竖向支承应在基坑工程开挖之前从地面施工完毕,作为逆作法施工过程中地下地上结构的竖向支承。目前竖向支承均采用钢立柱结合立柱桩的型式,对于钢立柱利用高层结构的钢管混凝土柱的逆作法工程中,由于钢管混凝土柱的直径较大,一般约为800mm至1000mm。而地下结构梁宽较小,一般约为500mm至800mm。在地下梁柱节点位置,存在梁柱节点位置梁钢筋被钢管混凝土柱截断、梁钢筋难以穿越的难题。虽然随着大量钢管混凝土柱混凝土结构工程的实施,上部结构工程中已发展了多种节点连接方式解决此问题,对于地下结构逆作法的工艺,由于钢管混凝土柱承担上部结构的荷载,无法采用梁贯通的形式,必须采用柱贯通的节点。According to the technological characteristics of the upside-down method itself, the vertical support in the upside-down method project should be constructed from the ground before excavation of the foundation pit, and used as the vertical support of the underground and above-ground structure during the upside-down method construction process. At present, the vertical support adopts the type of steel columns combined with column piles. For the reverse engineering of steel columns using high-rise concrete-filled steel tube columns, due to the large diameter of steel tube concrete columns, it is generally about 800mm to 1000mm. The beam width of the underground structure is relatively small, generally about 500mm to 800mm. At the underground beam-column joint position, there is a problem that the beam reinforcement at the beam-column joint position is cut off by the concrete-filled steel tube column, and the beam reinforcement is difficult to pass through. Although with the implementation of a large number of concrete structure projects with steel pipe concrete columns, various joint connection methods have been developed in the superstructure engineering to solve this problem. For the underground structure reverse method, because the steel pipe concrete columns bear the load of the superstructure, beams cannot be used. The form of penetration must adopt the node of column penetration.
常用的柱贯通梁柱节点需要在钢管混凝土柱表面焊接加强环,梁钢筋通过焊接在加强环板上和钢管混凝土柱连接。但焊接加强环对于钢管混凝土柱的施工和受力存在不利影响。如在钢管混凝土柱施工前焊接,不利于钢管混凝土柱在基坑开挖前的施工;如在基坑开挖后再施焊,由于钢管混凝土柱承担逆作阶段上部结构荷载,受力状态下焊接应力对钢管混凝土柱的强度产生削弱。采用常规钢筋混凝土环梁连接的钢管混凝土柱梁柱节点,可以避免加强环板的焊接问题,但由于逆作法地下结构需承担较大的竖向施工荷载,地下室顶层结构需作为施工平台,供逆作实施过程中挖土机、吊车、土方车以及混凝土泵车等大型重载施工机械进行作业。常规钢管混凝土环梁节点,通过在环梁中部或底部钢管外表面贴焊环形钢筋,用于传递剪力。如何确保在较大的逆作施工荷载下混凝土环梁和钢管混凝土柱的抗剪承载力问题,是采用钢筋混凝土环梁连接需要解决的问题。Commonly used column-through-beam-column joints need to weld a reinforcing ring on the surface of the steel tube concrete column, and the beam steel bar is connected to the steel tube concrete column by welding on the reinforcing ring plate. However, the welded reinforcing ring has adverse effects on the construction and stress of the CFST column. If the steel tube concrete column is welded before construction, it is not conducive to the construction of the steel tube concrete column before the excavation of the foundation pit; Welding stress weakens the strength of CFST columns. Concrete-filled steel tube column-beam-column joints connected by conventional reinforced concrete ring beams can avoid the welding problem of the reinforced ring slab, but because the underground structure of the reverse construction method needs to bear a large vertical construction load, the top structure of the basement needs to be used as a construction platform for reverse construction. During the implementation process, excavators, cranes, earth trucks and concrete pump trucks and other large heavy-duty construction machinery work. Conventional steel pipe concrete ring beam joints are used to transmit shear force by pasting and welding ring steel bars on the outer surface of steel pipes in the middle or bottom of the ring beam. How to ensure the shear bearing capacity of concrete ring beams and CFST columns under large reverse construction loads is a problem that needs to be solved by using reinforced concrete ring beam connections.
综上所述,常规钢管混凝土柱环梁连接节点无法直接应用于逆作法地下结构,带来梁柱节点位置钢筋的连接、无法采用加强环板连接、混凝土环梁和钢管混凝土柱的抗剪承载力问题等诸多不利因素。To sum up, the conventional concrete-filled steel tube column ring-beam connection cannot be directly applied to the underground structure of the reverse construction method, resulting in the connection of the steel bars at the beam-column joints, the inability to adopt the reinforced ring-slab connection, and the shear capacity of the concrete ring beam and the concrete-filled steel tube column Power issues and many other unfavorable factors.
发明内容Contents of the invention
为了克服现有采用钢管混凝土柱的逆作法基坑工程中,梁柱节点位置钢筋的连接问题,本发明提供了一种针对采用钢管混凝土柱的逆作法基坑工程的新型梁柱节点。采用该节点,既可完全避免钢管混凝土柱梁柱节点位置钢筋的穿越难题,同时可以解决混凝土环梁和钢管混凝土柱的抗剪承载力问题。In order to overcome the connection problem of steel bars at beam-column node positions in the existing upside-down foundation pit engineering using steel tube concrete columns, the present invention provides a new beam-column node for the upside-down foundation pit engineering using steel tube concrete columns. Adopting this joint can not only completely avoid the crossing problem of steel bars at the beam-to-column joints of CFST columns, but also solve the problem of shear bearing capacity of concrete ring beams and CFST columns.
为了解决上述技术问题,所采取的技术方案是:In order to solve the above technical problems, the technical solution adopted is:
一种用于逆作法基坑工程的钢管混凝土柱环梁连接节点,包括逆作法实施前施工的钢管混凝土柱,逆作法实施过程中施工的地下结构梁和钢筋混凝土环梁,所述地下结构梁和所述钢管混凝土柱通过钢筋混凝土环梁连接,逆作法实施完成后在所述钢管混凝土柱外包钢筋混凝土,形成永久框架柱,其特征在于:所述地下结构梁和所述钢管混凝土柱连接处设有逆作法施工中形成柱端头,所述柱端头位于所述钢筋混凝土环梁和所述钢管混凝土柱交界处的正下端,所述柱端头的截面大小和配筋与所述逆作法实施完成后的永久框架柱相同,所述柱端头和所述钢管混凝土柱接触处用端头连接栓钉连接,所述端头连接栓钉焊接在所述钢管混凝土柱钢管外壁上,沿所述钢管混凝土柱钢管壁外周长间隔布置,所述钢筋混凝土环梁的顶标高和相邻地下结构梁的顶标高相同,所述钢筋混凝土环梁的底标高低于相邻地下结构梁的底标高,所述地下结构梁的顶部纵向钢筋向下弯折,锚入所述钢筋混凝土环梁顶部钢筋下,所述地下结构梁的底部纵向钢筋向上弯折,锚入所述钢筋混凝土环梁底部,位于钢筋混凝土环梁底部钢筋上。A steel pipe concrete column ring beam connection node for the foundation pit engineering of the reverse method, comprising a steel pipe concrete column constructed before the reverse method is implemented, an underground structural beam and a reinforced concrete ring beam constructed during the process of the reverse method, the underground structural beam It is connected with the concrete-filled steel pipe column through a reinforced concrete ring beam. After the reverse method is completed, the concrete-filled steel pipe column is covered with reinforced concrete to form a permanent frame column. It is characterized in that: the connection between the underground structural beam and the concrete-filled steel pipe column A column end is formed in the construction of the reverse method, and the column end is located at the lower end of the junction of the reinforced concrete ring beam and the steel pipe concrete column. After the practice is completed, the permanent frame column is the same, and the contact between the end of the column and the concrete-filled steel tube column is connected with the end-connection stud, and the end-connection stud is welded on the outer wall of the steel pipe of the concrete-filled steel tube column. The outer circumference of the steel pipe wall of the concrete-filled steel pipe column is arranged at intervals, the top elevation of the reinforced concrete ring beam is the same as the top elevation of the adjacent underground structural beam, and the bottom elevation of the reinforced concrete ring beam is lower than the bottom elevation of the adjacent underground structural beam. Elevation, the top longitudinal steel bars of the underground structural beams are bent downwards and anchored under the top steel bars of the reinforced concrete ring beams, the bottom longitudinal steel bars of the underground structural beams are bent upwards and anchored into the bottom of the reinforced concrete ring beams , located on the bottom reinforcement of the reinforced concrete ring beam.
基于上述技术特征,钢管混凝土柱在钢筋混凝土环梁范围内设栓钉,所述栓钉沿所述钢管混凝土柱的钢管外周长表面间隔布置。栓钉的布置是有利于提高钢筋混凝土环梁和钢管混凝土柱的抗剪承载力。Based on the above technical features, the concrete-filled steel pipe column is provided with studs within the range of the reinforced concrete ring beam, and the studs are arranged at intervals along the outer perimeter surface of the steel pipe of the concrete-filled steel pipe column. The arrangement of studs is beneficial to improve the shear capacity of reinforced concrete ring beams and steel tube concrete columns.
基于上述技术特征,钢管混凝土柱在所述钢筋混凝土环梁范围内设有环筋,所述环筋环绕所述钢管混凝土柱钢管表面间隔布置。环筋的作用是有利于提高钢筋混凝土环梁和钢管混凝土柱的抗剪承载力。环筋可和上述钢筋混凝土环梁范围内的栓钉同时使用,也可单独使用。Based on the above technical features, the steel tube concrete column is provided with ring bars within the range of the reinforced concrete ring beam, and the ring bars are arranged at intervals around the steel tube surface of the steel tube concrete column. The function of the ring reinforcement is to improve the shear capacity of the reinforced concrete ring beam and the concrete-filled steel tube column. The ring reinforcement can be used together with the studs in the range of the above-mentioned reinforced concrete ring beam, or it can be used alone.
上述方法成功的解决了钢管混凝土柱逆作法工程中地下梁柱节点的钢筋穿越难题,同时通过柱端头、环筋和栓钉等措施的应用,也解决了常规钢筋混凝土环梁和钢管混凝土柱的抗剪承载力低的问题。The above method has successfully solved the problem of crossing steel bars at the underground beam-column joints in the concrete-filled steel tube column reverse engineering. At the same time, through the application of measures such as column ends, ring bars and studs, it has also solved the problem of conventional reinforced concrete ring beams and steel tube concrete columns. The problem of low shear capacity.
附图说明Description of drawings
下面结合附图和实施例及应用施工方法对本发明作进一步的描述。Below in conjunction with accompanying drawing and embodiment and applied construction method, the present invention will be further described.
图1是本发明逆作法施工中的钢管混凝土柱梁柱节点的三维视图。Fig. 1 is a three-dimensional view of the concrete-filled steel tube column-beam-column joint in the reverse construction method of the present invention.
图2是本发明逆作法施工中的钢管混凝土柱梁柱节点的纵剖面图。Fig. 2 is a longitudinal sectional view of the concrete-filled steel tube column-beam-column joint in the reverse construction method of the present invention.
图3是本发明逆作法施工中的钢管混凝土柱梁柱节点的横剖面图。Fig. 3 is a cross-sectional view of the concrete-filled steel tube column-beam-column joint in the upside-down construction of the present invention.
具体实施方式Detailed ways
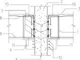
如图1、2和3所示,1为钢筋混凝土环梁,2为钢管混凝土柱,3为逆作法实施过程中施工的地下结构梁,4为逆作法实施过程中施工的柱端头,5为设在钢管混凝土柱和钢筋混凝土环梁连接处的栓钉,6为环筋,8为地下结构梁顶部纵向钢筋,9为地下结构梁底部纵向钢筋,10为钢筋混凝土环梁顶部钢筋,11为钢筋混凝土环梁底部钢筋,12为柱端头和钢管混凝土柱连接处的端头连接栓钉。本发明既可适用于地下室跨中梁板节点,也可以适用于两侧梁高不同或单侧有梁的钢管混凝土柱梁柱节点。As shown in Figures 1, 2 and 3, 1 is a reinforced concrete ring beam, 2 is a steel pipe concrete column, 3 is an underground structural beam constructed during the implementation of the reverse method, 4 is the end of the column constructed during the implementation of the reverse method, and 5 6 is the ring bar, 8 is the longitudinal steel bar at the top of the underground structural beam, 9 is the longitudinal steel bar at the bottom of the underground structural beam, 10 is the top steel bar of the reinforced concrete ring beam, 11 12 is the bottom steel bar of the reinforced concrete ring beam, and 12 is the stud connecting the end of the column and the joint of the steel tube concrete column. The invention can be applied to the mid-span beam-slab joint of the basement, and can also be applied to the steel pipe concrete column-beam-column joint with different beam heights on both sides or with beams on one side.
为了避免钢管混凝土柱和地下结构梁连接位置,地下结构梁顶部纵向钢筋8和底部纵向钢筋9无法穿越的问题,钢管混凝土柱采用了不同于常规钢筋混凝土柱梁柱节点采用加强环板的方法,采用钢筋混凝土环梁1连接地下结构梁3和钢管混凝土柱2,钢筋混凝土环梁1顶部标高等于相邻地下结构梁3的标高,地下结构梁3顶部纵向钢筋8向下弯折,锚入钢筋混凝土环梁顶部钢筋10下;钢筋混凝土环梁1底部标高低于相邻地下结构梁3底标高,地下结构梁3底部纵向钢筋9上弯折,锚入钢筋混凝土环梁1底部,位于环梁底部钢筋11上。锚固长度根据现有钢筋混凝土技术规范的构造要求确定。In order to avoid the problem that the top
为了解决该钢管混凝土柱和钢筋混凝土环梁的抗剪承载力问题,采取了以下措施:In order to solve the shear bearing capacity of the CFST column and the RC ring beam, the following measures were taken:
第一,增设柱端头4,该端头形成于逆作法施工中,截面大小和配筋与永久框架柱相同,待逆作法完成后将作为永久框架柱的一部分,柱端头4和钢管混凝土柱用设置在钢管混凝土柱2钢管外壁上的端头连接栓钉12连接,端头连接栓钉12的设置可增加节点竖向抗剪承载力。First, the
第二,在钢管混凝土柱2的钢管和钢筋混凝土环梁1连接处焊接栓钉5,在逆作法工程中的钢管混凝土柱应在基坑工程开挖之前从地面施工完毕,作为逆作法施工过程中地下地上结构的竖向支承。栓钉5可在钢管混凝土柱施工之前在工厂焊接施工完成,可以避免在逆作开挖阶段,焊接应力对钢管混凝土柱受力产生不利影响。Second, the
第三,在钢管混凝土柱2的钢管和钢筋混凝土环梁连接处焊接环筋6,环绕钢管间隔布置,环筋6也可在钢管混凝土柱施工之前在工厂焊接施工完成,可以避免在逆作开挖阶段,焊接应力对钢管混凝土柱受力产生不利影响。Thirdly, the ring bars 6 are welded at the connection between the steel pipe of the steel pipe
上述抗剪措施可同时使用,也可单独使用。The above-mentioned anti-shear measures can be used simultaneously or separately.
具体施工方法为:首先在工厂内在钢管混凝土柱2的钢管外壁上焊接栓钉5和环筋6,然后在工地现场从地面施工形成逆作法的竖向支承钢管混凝土柱,基坑开挖至地下结构梁3底标高,钢管混凝土柱暴露出来之后,进行钢管混凝土梁柱节点的钢筋混凝土环梁1、地下结构梁3和柱端头4的模板施工,其后绑扎钢筋混凝土环梁1、地下结构梁3和预先浇筑段柱端头4的钢筋,地下结构梁顶部纵向钢筋8向下弯折锚入钢筋混凝土环梁1,地下结构梁底部纵向钢筋9向上弯折,锚入钢筋混凝土环梁1。最后整体浇筑环梁1、地下结构梁3、结构柱端头4的混凝土,形成完整的逆作法地下室结构。逆作施工结束之后,在钢管混凝土柱2的外侧外包钢筋混凝土形成永久框架柱。The specific construction method is as follows: first, the
本发明可针对两侧不同的地下结构梁高情况,或在地下室边跨结构仅一侧有梁时,可调整所述钢筋混凝土环梁的高度,需确保量高最大的地下结构梁顶部钢筋锚入钢筋混凝土环梁内。The present invention can adjust the height of the reinforced concrete ring beam for different underground structure beam heights on both sides, or when there are beams on only one side of the basement side-span structure. into the reinforced concrete ring beam.
以上对本发明实施例所提供的一种方案详细介绍,对于本领域的一般技术人员,依据本发明实施例的思想,在具体实施方式及应用范围上均会有改变之处。综上所述,本说明书内容不应理解为对本发明的限制,凡依本发明设计思想所做的任何改变都在本发明的保护范围之内。The above is a detailed introduction to a solution provided by the embodiment of the present invention. For those of ordinary skill in the art, according to the idea of the embodiment of the present invention, there will be changes in the specific implementation manner and application scope. To sum up, the contents of this specification should not be construed as limiting the present invention, and any changes made according to the design concept of the present invention are within the scope of protection of the present invention.
Claims (3)
Priority Applications (1)
| Application Number | Priority Date | Filing Date | Title |
|---|---|---|---|
| CN2010101042287A CN101775844B (en) | 2010-02-02 | 2010-02-02 | Connecting joint of ring beam of steel core concrete column used for topdown construction method foundation pit engineering |
Applications Claiming Priority (1)
| Application Number | Priority Date | Filing Date | Title |
|---|---|---|---|
| CN2010101042287A CN101775844B (en) | 2010-02-02 | 2010-02-02 | Connecting joint of ring beam of steel core concrete column used for topdown construction method foundation pit engineering |
Publications (2)
| Publication Number | Publication Date |
|---|---|
| CN101775844A true CN101775844A (en) | 2010-07-14 |
| CN101775844B CN101775844B (en) | 2011-07-27 |
Family
ID=42512415
Family Applications (1)
| Application Number | Title | Priority Date | Filing Date |
|---|---|---|---|
| CN2010101042287A Active CN101775844B (en) | 2010-02-02 | 2010-02-02 | Connecting joint of ring beam of steel core concrete column used for topdown construction method foundation pit engineering |
Country Status (1)
| Country | Link |
|---|---|
| CN (1) | CN101775844B (en) |
Cited By (15)
| Publication number | Priority date | Publication date | Assignee | Title |
|---|---|---|---|---|
| CN101979791A (en) * | 2010-12-02 | 2011-02-23 | 北京建工集团有限责任公司 | Ring beam and annular corbel column reinforced connection joint and construction method thereof |
| CN102505846A (en) * | 2011-11-21 | 2012-06-20 | 中国建筑第八工程局有限公司 | Steel pipe column bearing table girder connection construction method |
| CN103334439A (en) * | 2013-06-06 | 2013-10-02 | 广西建工集团第五建筑工程有限责任公司 | Long-span reinforced concrete inner support structure of rectangular deep foundation pit and construction method of structure |
| CN103882995A (en) * | 2014-03-19 | 2014-06-25 | 中国建筑第七工程局有限公司 | Assembling type building bracket-free concrete beam steel column connecting joint |
| CN104947712A (en) * | 2015-06-29 | 2015-09-30 | 上海建工四建集团有限公司 | Construction method of constructing beam-column joint using ring beam |
| CN105113715A (en) * | 2015-08-17 | 2015-12-02 | 上海建工二建集团有限公司 | Prefabricated column for reverse construction method and underground structure reverse construction method |
| CN105178356A (en) * | 2015-06-29 | 2015-12-23 | 上海建工四建集团有限公司 | Setting-up construction method for vertical joint bars of columns in reverse building method |
| CN107035002A (en) * | 2017-04-26 | 2017-08-11 | 广东省建筑设计研究院 | Building structure beam-column is hinged and the continuous beam-column node structure of moment of flexure each other |
| CN110485461A (en) * | 2019-07-26 | 2019-11-22 | 上海建工二建集团有限公司 | A kind of drop board construction method of underground structure |
| CN110792099A (en) * | 2019-08-22 | 2020-02-14 | 上海建工二建集团有限公司 | Plate lowering construction method for underground structure in reverse construction method |
| CN111058476A (en) * | 2019-08-22 | 2020-04-24 | 上海建工二建集团有限公司 | Beam lowering construction method of underground structure in reverse construction method |
| CN111851584A (en) * | 2020-07-31 | 2020-10-30 | 山东建筑大学 | Construction Method of Reinforced Concrete Frame Structure Column Foundation Enclosure Beam in Reverse Construction |
| CN112854283A (en) * | 2021-03-22 | 2021-05-28 | 华东建筑设计研究院有限公司 | Round platform type connecting structure of pile column structure of penetrating structure bottom plate and construction method thereof |
| CN114808929A (en) * | 2022-03-07 | 2022-07-29 | 上海建工二建集团有限公司 | Method for connecting pile-column integrated cast-in-place pile and horizontal structure and connecting node |
| CN115324201A (en) * | 2022-08-17 | 2022-11-11 | 中建一局集团建设发展有限公司 | Steel structure beam column and concrete ring beam combined system and construction method thereof |
-
2010
- 2010-02-02 CN CN2010101042287A patent/CN101775844B/en active Active
Cited By (21)
| Publication number | Priority date | Publication date | Assignee | Title |
|---|---|---|---|---|
| CN101979791A (en) * | 2010-12-02 | 2011-02-23 | 北京建工集团有限责任公司 | Ring beam and annular corbel column reinforced connection joint and construction method thereof |
| CN101979791B (en) * | 2010-12-02 | 2012-04-11 | 北京建工集团有限责任公司 | Construction method of ring beam and ring corbel column stiffness connecting joint |
| CN102505846A (en) * | 2011-11-21 | 2012-06-20 | 中国建筑第八工程局有限公司 | Steel pipe column bearing table girder connection construction method |
| CN102505846B (en) * | 2011-11-21 | 2013-10-30 | 中国建筑第八工程局有限公司 | Steel pipe column bearing table girder connection construction method |
| CN103334439A (en) * | 2013-06-06 | 2013-10-02 | 广西建工集团第五建筑工程有限责任公司 | Long-span reinforced concrete inner support structure of rectangular deep foundation pit and construction method of structure |
| CN103334439B (en) * | 2013-06-06 | 2015-06-24 | 广西建工集团第五建筑工程有限责任公司 | Long-span reinforced concrete inner support structure of rectangular deep foundation pit and construction method of structure |
| CN103882995A (en) * | 2014-03-19 | 2014-06-25 | 中国建筑第七工程局有限公司 | Assembling type building bracket-free concrete beam steel column connecting joint |
| CN105178356B (en) * | 2015-06-29 | 2017-02-01 | 上海建工四建集团有限公司 | Setting-up construction method for vertical joint bars of columns in reverse building method |
| CN105178356A (en) * | 2015-06-29 | 2015-12-23 | 上海建工四建集团有限公司 | Setting-up construction method for vertical joint bars of columns in reverse building method |
| CN104947712A (en) * | 2015-06-29 | 2015-09-30 | 上海建工四建集团有限公司 | Construction method of constructing beam-column joint using ring beam |
| CN105113715A (en) * | 2015-08-17 | 2015-12-02 | 上海建工二建集团有限公司 | Prefabricated column for reverse construction method and underground structure reverse construction method |
| CN107035002A (en) * | 2017-04-26 | 2017-08-11 | 广东省建筑设计研究院 | Building structure beam-column is hinged and the continuous beam-column node structure of moment of flexure each other |
| CN107035002B (en) * | 2017-04-26 | 2023-06-20 | 广东省建筑设计研究院 | Beam-column joint structure in which the beams and columns are hinged to each other and the bending moment is continuous in the building structure |
| CN110485461A (en) * | 2019-07-26 | 2019-11-22 | 上海建工二建集团有限公司 | A kind of drop board construction method of underground structure |
| CN111058476A (en) * | 2019-08-22 | 2020-04-24 | 上海建工二建集团有限公司 | Beam lowering construction method of underground structure in reverse construction method |
| CN110792099A (en) * | 2019-08-22 | 2020-02-14 | 上海建工二建集团有限公司 | Plate lowering construction method for underground structure in reverse construction method |
| CN111851584A (en) * | 2020-07-31 | 2020-10-30 | 山东建筑大学 | Construction Method of Reinforced Concrete Frame Structure Column Foundation Enclosure Beam in Reverse Construction |
| CN112854283A (en) * | 2021-03-22 | 2021-05-28 | 华东建筑设计研究院有限公司 | Round platform type connecting structure of pile column structure of penetrating structure bottom plate and construction method thereof |
| CN114808929A (en) * | 2022-03-07 | 2022-07-29 | 上海建工二建集团有限公司 | Method for connecting pile-column integrated cast-in-place pile and horizontal structure and connecting node |
| CN114808929B (en) * | 2022-03-07 | 2023-08-08 | 上海建工二建集团有限公司 | Connection method and connection node of pile integrated cast-in-place pile and horizontal structure |
| CN115324201A (en) * | 2022-08-17 | 2022-11-11 | 中建一局集团建设发展有限公司 | Steel structure beam column and concrete ring beam combined system and construction method thereof |
Also Published As
| Publication number | Publication date |
|---|---|
| CN101775844B (en) | 2011-07-27 |
Similar Documents
| Publication | Publication Date | Title |
|---|---|---|
| CN101775844A (en) | Connecting joint of ring beam of steel core concrete column used for topdown construction method foundation pit engineering | |
| CN103669866B (en) | The construction method of basement reinforced concrete post node connecting structure | |
| CN105926427B (en) | Pier beam transition connecting construction | |
| CN213233111U (en) | A concrete-filled steel tube pier and abutment connection structure with PBL shear key | |
| CN107905251A (en) | A kind of module prestressing force Retaining Wall and its assembly method | |
| CN110230414A (en) | A kind of assembled platform canopy and its installation method | |
| CN207017483U (en) | The full precast shear wall structural system of regenerative steel skeleton | |
| CN112575789A (en) | Diagonal space truss foundation pit inner support system | |
| CN108775084B (en) | Steel-concrete composite prefabricated beam and prefabricated column connection structure and construction method | |
| CN101492918B (en) | A Beam-column Joint Used in Foundation Pit Engineering of Upside-Down Method | |
| CN108277996A (en) | The construction method of multi-storey basement is extended under a kind of protection groups of building | |
| CN103924581A (en) | Underground continuous wall with prefabricated concrete-filled steel tube composite structure and method for constructing underground continuous wall | |
| CN204590038U (en) | A kind of permanent foundation pit supporting construction | |
| CN103122691A (en) | Tower crane standard knot bearing upper air supporting formwork steel platform structure and construction method | |
| CN102286982A (en) | Deep foundation pit precast building enclosure for constructing in low environment | |
| CN111851519A (en) | Multilayer internal support system of space truss | |
| KR101187170B1 (en) | Application of under pinning method in remodeling | |
| CN110184903A (en) | A kind of prefabricated tubing string assembly bridge pier of truss-like | |
| CN201598734U (en) | A Connecting Node of Concrete Steel Tube Column and Ring Beam Used in Foundation Pit Engineering of Upside-Down Method | |
| KR101200993B1 (en) | Precast concrete column material for permanent column pre-establishment method | |
| CN107905368A (en) | A kind of assembled beam and assembled column connection structure and construction method | |
| CN209412681U (en) | Trestle work structure | |
| CN208105477U (en) | Assembly concrete-filled steel tube column-isolated footing-concrete collar tie beam L shape connecting node | |
| CN205421332U (en) | Contrary coincide underground continuous wall that does of a core section of thick bamboo | |
| CN102392417A (en) | Dual-cantilever bearing support structure for large steel pipe and installation method |
Legal Events
| Date | Code | Title | Description |
|---|---|---|---|
| C06 | Publication | ||
| PB01 | Publication | ||
| C10 | Entry into substantive examination | ||
| SE01 | Entry into force of request for substantive examination | ||
| C14 | Grant of patent or utility model | ||
| GR01 | Patent grant |
