CN100595412C - Combined door and window cover and its installation method - Google Patents

Combined door and window cover and its installation method Download PDF

Info

Publication number
CN100595412C
CN100595412C CN200610099073A CN200610099073A CN100595412C CN 100595412 C CN100595412 C CN 100595412C CN 200610099073 A CN200610099073 A CN 200610099073A CN 200610099073 A CN200610099073 A CN 200610099073A CN 100595412 C CN100595412 C CN 100595412C
Authority
CN
China
Prior art keywords
plate
envelope
groove
window
draw
Prior art date
Legal status (The legal status is an assumption and is not a legal conclusion. Google has not performed a legal analysis and makes no representation as to the accuracy of the status listed.)
Expired - Fee Related
Application number
CN200610099073A
Other languages
Chinese (zh)
Other versions
CN101109259A (en
Inventor
尚宏启
史平
李建
Current Assignee (The listed assignees may be inaccurate. Google has not performed a legal analysis and makes no representation or warranty as to the accuracy of the list.)
Beijing Door and Window Developing Co., Ltd.
Original Assignee
Qiancheng Roba Technology Center Of Beijing Door & Window Developing Co Ltd
Priority date (The priority date is an assumption and is not a legal conclusion. Google has not performed a legal analysis and makes no representation as to the accuracy of the date listed.)
Filing date
Publication date
Application filed by Qiancheng Roba Technology Center Of Beijing Door & Window Developing Co Ltd filed Critical Qiancheng Roba Technology Center Of Beijing Door & Window Developing Co Ltd
Priority to CN200610099073A priority Critical patent/CN100595412C/en
Publication of CN101109259A publication Critical patent/CN101109259A/en
Application granted granted Critical
Publication of CN100595412C publication Critical patent/CN100595412C/en
Expired - Fee Related legal-status Critical Current
Anticipated expiration legal-status Critical

Links

Images

Landscapes

  • Wing Frames And Configurations (AREA)

Abstract

A modular door and window set essentially comprises a door and window frame 11, a sealing board 16a, a clamping seat 12, a clamping slot 13, a water-flowing board 18, a fixing clamp 17, bolts 14 and aseal strip 15. On one face of the door and window frame 11, the clamping seat 12 and the clamping slot 13 are provided, which are connected with the door and window frame 11 through bolts 14. In a recess 13a of the clamping slot 13, one end of the sealing board 16a or 16b are connected, another end of which is are connected with a wall by the fixing clamp 17 and bolts 14. The modular door and window set and its installation method in the invention make convenience for factory production, saves material, and can guarantee quality; and one needs only assemble and fix the set on site, the construction is simple, free from noise and environmental friendly. The invention can be widely used in rebuilding doors and windows for energy retrofitting in residences and public buildings, also be applicable for the modular door and window sets for a newly built building and their installation way.

Description

组合门窗套及其安装方法 Combined door and window cover and its installation method

技术领域 technical field

本发明涉及建筑装修,具体地说是一种建筑装饰用的组合门窗套及其安装方法。The invention relates to architectural decoration, in particular to a combined door and window cover for architectural decoration and an installation method thereof.

背景技术 Background technique

目前我国建设高潮持续不断,每年建成的房屋面积高达16亿~20亿平方米,超过所有发达国家年建成建筑面积的总和,可见建筑规模极其巨大。遗憾的是,不仅既有的400多亿平方米建筑中的99%为高耗能建筑,新建建筑中95%以上仍属于高耗能建筑,单位建筑面积采暖能耗为发达国家新建建筑的3倍以上。问题相当严重,情况十分紧迫,建筑节能已是国家的重大战略问题,近几年来国家有关部门很抓建筑节能工作,对新建建筑强制实施建筑节能设计标准,并对既有建筑有步骤地推行节能改造,为了贯彻执行国家有关部门的建筑节能工作,北京、天津等少数大城市率先实施节能率为65%的地方建筑节能标准。并实施节能率为50%的《既有居住建筑节能改造标准》及《既有公共建筑节能改造标准》,有计划有步骤地开展既有居住和公共建筑的节能改造工作。要求到2010年完成应改造建筑面积的25%,任务重大,时间紧迫。居住和公共建筑的节能改造其中包括墙体和门窗套及门窗的改造,墙体的改造一般包括在外墙外表面设置保温隔热层,门窗套及门窗的改造一般包括更换节能型门窗套及门窗。At present, the upsurge of construction in our country continues, and the area of houses built every year is as high as 1.6 billion to 2 billion square meters, exceeding the sum of the annual construction areas of all developed countries. It can be seen that the construction scale is extremely huge. Regrettably, not only 99% of the existing buildings of more than 40 billion square meters are high-energy-consuming buildings, but more than 95% of the newly-built buildings are still high-energy-consuming buildings. more than double. The problem is quite serious and the situation is very urgent. Building energy conservation has become a major strategic issue of the country. In recent years, relevant state departments have paid great attention to building energy conservation work, mandatory implementation of building energy conservation design standards for new buildings, and step-by-step implementation of energy conservation for existing buildings. Renovation, in order to implement the building energy-saving work of the relevant state departments, a few big cities such as Beijing and Tianjin took the lead in implementing local building energy-saving standards with an energy-saving rate of 65%. And implement the "Energy Renovation Standards for Existing Residential Buildings" and "Energy Renovation Standards for Existing Public Buildings" with an energy saving rate of 50%, and carry out energy-saving renovations for existing residential and public buildings in a planned and step-by-step manner. It is required to complete 25% of the building area that should be renovated by 2010. The task is huge and the time is tight. The energy-saving transformation of residential and public buildings includes the transformation of walls, door and window covers and doors and windows. .

现有技术中,门窗套的安装要在墙体上打眼,在打的眼内塞入木塞,再用垫块找平,然后用钉子将立挺等固定,之后覆盖钉眼,抹泥子上漆,其缺点是:1、在墙体上打眼其噪音大、粉尘多,而且木塞未经干燥常常脱落。2、其它部件所用的细木工板、木方等也不经干燥,含水量高,极易变形。3、细木工板、木方等均是由较软的木材加工的,其握钉力差、厚度不均匀,容易造成骨架变形,使表面凹凸不平。4、由于墙面不平、木龙骨厚度不均,需要垫很多东西方能找平,费时费力,造成门窗的大小无法统一。5、饰面板用钉子和胶固定在底层细木工板或多层板上,涂胶不均、粘接不平、并由大量钉眼要处理,油漆后产生明显麻点,日后钉子锈蚀而影响美观效果。6、由于全部为手工操作,工序烦琐,工期长。7、用户计算不准往往会浪费很多材料。8、其装饰结构以及现场油漆均会导致工地存有大量有害气体,难以发挥。In the prior art, the installation of door and window covers requires drilling holes in the wall, inserting wooden plugs into the holes, leveling them with spacers, fixing the uprights with nails, covering the nail holes, and plastering them with mud. Paint, its disadvantages are: 1. It is noisy and dusty when drilling holes on the wall, and the cork often falls off without drying. 2. The blockboards and wooden squares used for other parts are not dried, have high water content and are easily deformed. 3. Blockboards and wooden squares are all processed from soft wood, which has poor nail holding power and uneven thickness, which can easily cause skeleton deformation and make the surface uneven. 4. Due to the uneven wall surface and the uneven thickness of the wooden keel, a lot of things need to be padded to level it, which takes time and effort, resulting in inconsistent sizes of doors and windows. 5. The decorative panel is fixed on the underlying blockboard or multi-layer board with nails and glue. The glue is uneven, the bonding is uneven, and there are a lot of nail holes to deal with. After painting, there are obvious pits, and the nails will rust in the future and affect the appearance. Effect. 6. Since all are manually operated, the process is cumbersome and the construction period is long. 7. Inaccurate calculation by users often wastes a lot of materials. 8. Its decorative structure and on-site paint will cause a large amount of harmful gas to exist on the construction site, which is difficult to play.

发明内容 Contents of the invention

本发明的目的之一在于提供一种原材料便于工厂化生产、施工简单、无噪音、环境无污染的组合门窗套。One of the objectives of the present invention is to provide a composite door and window cover whose raw materials are convenient for factory production, simple in construction, noiseless, and environmentally friendly.

本发明的目的之二在于提供一种组合门窗套的安装方法。The second object of the present invention is to provide a method for installing a combined door and window cover.

本发明提供的组合门窗套的技术方案是:一种组合门窗套,包括门窗框,其特征在于:组合门窗套的左门窗套和右门窗套主要由门窗框、第一封修板、卡座、卡槽、固定卡、螺钉、密封条构成,在门窗框的一个面上设有卡座和卡槽,卡座和卡槽由螺钉与门窗框连接在一起,在卡槽的凹槽内连接第一封修板的其中的一端,第一封修板其中的另一端由固定卡和螺钉将第一封修板与墙体连接,组合门窗套的上门窗套主要由门窗框、第二封修板、卡座、卡槽、固定卡、螺钉、密封条构成,在门窗框的一个面上设有卡座和卡槽,卡座和卡槽由螺钉与门窗框连接在一起,在卡槽的凹槽内连接第二封修板的其中的一端,第二封修板其中的另一端由固定卡和螺钉将第二封修板与墙体连接,组合门窗套的下窗套主要由门窗框、第一封修板、卡座、卡槽、流水板、固定卡、螺钉、连接角型材、密封条构成,在门窗框的一个面上设有卡座和卡槽,卡座和卡槽由螺钉与门窗框联接在一起,在卡槽的凹槽内连接第一封修板和流水板的其中的一端,第一封修板其中的另一端由固定卡和螺钉将第一封修板与墙体连接,流水板的其中另一端与连接角型材连接,连接角型材再与第一封修板和墙体连接。The technical scheme of the combined door and window cover provided by the present invention is: a combined door and window cover, including a door and window frame, characterized in that: the left door and window cover and the right door and window cover of the combined door and window cover are mainly composed of a door and window frame, a first sealing plate, and a card seat , card slot, fixing card, screw, and sealing strip. There is a card seat and a card slot on one surface of the door and window frame. The card seat and the card slot are connected with the door and window frame by screws, and connected in the groove of the card slot. One end of the first sealing plate, the other end of the first sealing plate is connected with the wall by fixing clips and screws, and the upper door and window cover of the combined door and window cover is mainly composed of the door and window frame, the second sealing It consists of trimming plate, card holder, card slot, fixing card, screw and sealing strip. There is a card seat and a card slot on one surface of the door and window frame. The card seat and the card slot are connected together with the door and window frame by screws. One end of the second sealing plate is connected in the groove of the second sealing plate, and the other end of the second sealing plate is connected with the wall by fixing clips and screws. The lower window cover of the combined door and window cover is mainly composed of doors and windows. Frame, the first sealing plate, card seat, card slot, running water plate, fixed card, screw, connecting angle profile, sealing strip, and a card seat and a card slot are arranged on one surface of the door and window frame, and the card seat and the card slot The door and window frames are connected together by screws, and one end of the first sealing plate and the running water plate is connected in the groove of the card groove, and the other end of the first sealing plate is fixed by the fixing card and the screw. It is connected with the wall, and the other end of the running water plate is connected with the connecting angle profile, and the connecting angle profile is connected with the first sealing plate and the wall.

优选的是,所述的第一封修板、第二封修板为折弯的角形型材,其中门窗框左、右侧与门窗框联接的第一封修板为三折弯的角形型材,第一封修板其中的一端向内折弯为内角部,第一封修板其中的另一端向外折弯为外角部,在外角部的端部设有向内折弯为α°角的内角卡槽构造,α°角的角度为20°-45°,内角卡槽构造与固定卡配合,其中门窗框上侧与门窗框联接的第二封修板为四折弯的角形型材,第二封修板其中的一端向内折弯为内角部,第二封修板其中的另一端向内β°折弯再向外折弯为外角部,β°角的角度为45°-75°,在外角部的端部设有向内折弯为α°角的内角卡槽构造,α°角的角度为20°-45°,内角卡槽构造与固定卡配合。Preferably, the first sealing panel and the second sealing panel are bent angular profiles, wherein the first sealing panels connected to the door and window frames on the left and right sides of the door and window frame are three-folded angular profiles, One end of the first sealing panel is bent inwards to form an inner corner, the other end of the first sealing panel is bent outwards to form an outer corner, and the end of the outer corner is provided with an inwardly bent angle of α°. Inner angle card slot structure, the angle of α° angle is 20°-45°, the inner angle card slot structure cooperates with the fixed card, and the second sealing plate connected with the door and window frame on the upper side of the door and window frame is a four-bent angle profile, the first One end of the second sealing panel is bent inward to form an inner corner, and the other end of the second sealing panel is bent inward at β° and then outward to form an outer corner. The angle of β° is 45°-75° , the end of the outer corner is provided with an inner angle slot structure bent inward to form an α° angle, the angle of the α° angle is 20°-45°, and the inner angle slot structure is matched with the fixed card.

优选的是,所述的卡座为条形型材,卡座两端的上面和下面设有凸台,卡座的两侧面为弧形面,卡座的两侧弧形面与卡槽上端口内侧的卡角配合。Preferably, the card holder is a bar-shaped profile, bosses are provided on the upper and lower sides of the two ends of the card holder, the two sides of the card holder are arc-shaped surfaces, and the arc-shaped surfaces on both sides of the card holder and the inner side of the upper port of the card slot card angle fit.

优选的是,所述的卡槽为U形型材,卡槽的一侧设有凹槽,卡槽的上端口内侧设有卡角,卡槽上端口内侧的卡角与卡座的两侧弧形面配合。Preferably, the card slot is a U-shaped profile, one side of the card slot is provided with a groove, the inner side of the upper port of the card slot is provided with a card angle, and the card angle on the inner side of the upper port of the card slot is in line with the arc on both sides of the card seat. Fit in shape.

优选的是,所述的流水板为折弯的角形型材,流水板其中的一端向内折弯为内角部,流水板其中的另一端向外γ°折弯为外角部,γ°角的角度为100°-135°,在外角部的端部设有平行板,平行板部分设有通孔,平行板部分和通孔与连接角型材配合。Preferably, the running water plate is a bent angular profile, one end of the running water plate is bent inward to form an inner corner, and the other end of the running water plate is bent outward at γ° to form an outer corner, and the angle of the γ° angle The angle is 100°-135°. A parallel plate is provided at the end of the outer corner, and a through hole is provided on the part of the parallel plate, and the part of the parallel plate and the through hole are matched with the connecting corner profile.

优选的是,所述的固定卡为条形折弯板,在固定卡设有通孔。Preferably, the fixing card is a strip-shaped bent plate, and a through hole is provided in the fixing card.

优选的是,所述的连接角型材为直角形铝角材,在连接角型材的两个面设有通孔。Preferably, the connecting angle section bar is a right-angled aluminum angle bar, and through holes are provided on both surfaces of the connecting angle section bar.

本发明提供的组合门窗套的安装方法其技术方案是:一种组合门窗套的安装方法,包括以下步骤:The technical scheme of the installation method of the combined door and window cover provided by the present invention is: an installation method of the combined door and window cover, comprising the following steps:

A、加工或备置附框、龙骨、第一保温板、第二保温板;A. Processing or preparation of attached frame, keel, first insulation board and second insulation board;

B、在门洞口上、左、右面的中部的位置或窗洞口上、下、左、右面的中部的位置组装并固定附框,在门洞口上、左、右面的或窗洞口上、下、左、右面的外墙角组装并固定龙骨,在门洞口上、左、右面的或窗洞口上、下、左、右面的外墙角固定龙骨的外侧面组装并固定第二保温板;B. Assemble and fix the attached frame at the upper, left, and right middle of the door opening or at the upper, lower, left, and right middle of the window opening. Assemble and fix the keel at the left and right outer corners, assemble and fix the second insulation board on the outer side of the outer corner of the door opening, left and right, or at the upper, lower, left and right outer corners of the window opening to fix the keel;

C、在门洞口上、左、右面的附框或窗洞口上、下、左、右面的附框的外侧面与龙骨的外侧面第二保温板的端面组装并固定第一保温板;C. Assemble and fix the first insulation board on the outer side of the attached frame on the upper, left, and right sides of the door opening, or on the outer side of the upper, lower, left, and right side of the window opening and the end surface of the second insulation board on the outer side of the keel;

D、在门洞口上、左、右面的附框或窗洞口上、下、左、右面的附框的内侧面组装并连接固定门窗框型材;D. Assemble and connect and fix the door and window frame profiles on the inner side of the attached frames on the upper, left, and right sides of the door opening or the upper, lower, left, and right attached frames of the window opening;

E、在门窗框型材的外侧面组装并固定卡座、卡槽,卡座和卡槽由螺钉与门窗框型材连接在一起;E. Assemble and fix the card seat and card slot on the outer surface of the door and window frame profile, and the card seat and card slot are connected together with the door and window frame profile by screws;

F、在门洞口或窗洞口的上、左、右侧第一保温板及外墙角的第二保温板的部位装配并连接固定封修板,第一封修板其中的一端与门窗框型材的外侧面的卡槽上的凹槽连接在一起并在卡槽部位填充密封胶,第一封修板其中的另一端由固定卡和螺钉与外侧面第二保温板连接在一起并在第一封修板的端部与第二保温板联接的部位填充密封胶;F. Assemble and connect and fix the sealing and repairing board at the first insulation board on the upper, left and right sides of the door opening or window opening and the second insulation board at the outer corner. One end of the first sealing and repairing board is connected to the profile of the door and window frame The grooves on the card slots on the outer side are connected together and filled with sealant in the card slots, the other end of the first sealing plate is connected with the second insulation board on the outer side by fixing cards and screws, and is sealed in the first sealing The joint between the end of the repair board and the second insulation board is filled with sealant;

G、在窗洞口的下侧装配第三保温板及外墙角的第二保温板的部位装配并连接固定第一封修板,第一封修板其中的一端与门窗框型材的外侧面的卡槽上的凹槽连接在一起,第一封修板其中的另一端由固定卡和螺钉与外侧面第二保温板连接在一起并在第一封修板的端部与第二保温板联接的部位填充密封胶,在第一封修板的外侧面上复合保温材料,再在保温材料上覆盖流水板,流水板其中的一端与门窗框型材的外侧面的卡槽上的凹槽连接在一起并在卡槽部位填充密封胶,流水板其中的另一端与固定在第一封修板和外墙角第二保温板上的连接角型材连接在一起,所述的连接角型材由螺钉与第一封修板和外墙角第二保温板连接在一起。G. Install the third insulation board and the second insulation board at the outer corner on the lower side of the window opening and connect and fix the first sealing repair board. One end of the first sealing repair board is clamped with the outer surface of the door and window frame profile The grooves on the grooves are connected together, and the other end of the first sealing board is connected with the second insulation board on the outer side by fixing clips and screws, and is connected with the second insulation board at the end of the first sealing board The parts are filled with sealant, compounded with thermal insulation material on the outer surface of the first sealing and repair board, and then covered with running water board on the thermal insulation material, one end of the running water board is connected with the groove on the outer surface of the door and window frame profile And fill the sealant in the slot, and the other end of the running water plate is connected with the connecting corner section bar fixed on the first sealing board and the second insulation board of the outer wall corner, and the connecting corner section bar is connected by a screw with the first The sealing board and the second insulation board at the outer corner are connected together.

本发明的有益效果是:由于采用上述的组合门窗套及其安装方法,为贯彻执行国家的建筑节能工作,居住和公共建筑的节能改造其中的门窗套及门窗的改造提供了技术支持,本发明的组合门窗套及其安装方法便于工厂化生产,节省材料,且能保证质量,现场只需装配、固定,施工简单、无噪音、环保;本发明可广泛应用于居住和公共建筑的节能改造其中的门窗套及门窗的改造,也适用于新建建筑的组合门窗套及其安装方法。The beneficial effect of the present invention is: because adopt above-mentioned combined door and window cover and its installation method, for carrying out national building energy-saving work, residential and public building energy-saving transformation wherein door and window cover and the transformation of door and window provide technical support, the present invention The combined door and window cover and its installation method are convenient for factory production, save materials, and can ensure quality. Only need to assemble and fix on site, simple construction, no noise, and environmental protection; the present invention can be widely used in the energy-saving transformation of residential and public buildings. It is also suitable for the combination door and window cover and its installation method of new buildings.

附图说明 Description of drawings

图1是本发明的组合窗套与墙体的外形示意图;Fig. 1 is the outline schematic diagram of combined window cover and body of wall of the present invention;

图2是本发明的组合窗套与墙体的外形示意图;Fig. 2 is the outline schematic diagram of combined window cover and body of wall of the present invention;

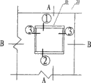
图3是图2的B-B向(左窗套与墙体、右窗套与墙体)放大的截面构造示意图;Fig. 3 is a schematic diagram of the enlarged cross-sectional structure along the B-B direction of Fig. 2 (the left window cover and the wall, the right window cover and the wall);

图4是图2的A-A向(上窗套与墙体、下窗套与墙体)放大的截面构造示意图;Fig. 4 is a schematic diagram of the enlarged cross-sectional structure along A-A direction (upper window casing and wall, lower window casing and wall) of Fig. 2;

图5是本发明的左窗套的构造示意图;Fig. 5 is a schematic structural view of the left window cover of the present invention;

图6是本发明的右窗套(右窗套与左窗套对称)的构造示意图;Fig. 6 is a structural schematic view of the right window cover (the right window cover and the left window cover are symmetrical) of the present invention;

图7是本发明的下窗套的构造示意图;Fig. 7 is a schematic structural view of the lower window cover of the present invention;

图8是本发明的上窗套(除上窗套的封修板与右窗套和左窗套的封修板区别之外,上窗套与右窗套和左窗套的构造相同)的构造示意图;Fig. 8 is the upper window cover of the present invention (except that the sealing plate of the upper window cover is different from the sealing plate of the right window cover and the left window cover, the structure of the upper window cover is the same as that of the right window cover and the left window cover) Structural diagram;

图9是本发明的下窗套的流水板的构造示意图;Fig. 9 is a schematic structural view of the running water plate of the lower window casing of the present invention;

图10是本发明的上窗套的封修板的构造示意图;Fig. 10 is a schematic structural view of the sealing plate of the upper window cover of the present invention;

图11是本发明的左窗套和右窗套的封修板的构造示意图;Fig. 11 is a structural schematic diagram of the sealing plate of the left window casing and the right window casing of the present invention;

图12是本发明的卡座的构造示意图;Fig. 12 is a schematic structural view of the deck of the present invention;

图13是图12的俯视图;Figure 13 is a top view of Figure 12;

图14是本发明的卡槽的构造示意图;Fig. 14 is a schematic structural view of the card slot of the present invention;

图15是图14的俯视图;Figure 15 is a top view of Figure 14;

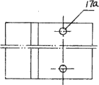
图16是本发明的固定卡的构造示意图;Fig. 16 is a schematic structural view of the fixed card of the present invention;

图17是图16的俯视图;Figure 17 is a top view of Figure 16;

图18是本发明的连接角型材的构造示意图;Fig. 18 is a schematic view of the structure of the connecting angle profile of the present invention;

图19是图18的俯视图。FIG. 19 is a top view of FIG. 18 .

具体实施方式 Detailed ways

说明书附图是本发明实施的优选方式,下面结合附图进一步地说明本发明。The accompanying drawings of the description are preferred modes for implementing the present invention, and the present invention will be further described below in conjunction with the accompanying drawings.

图1-图2是本发明的组合窗套与墙体的外形示意图(本发明的组合门套与本发明的组合窗套的构造区别在于在门洞口的下方一般是地面,无需下方门套,本说明书附图没有给出组合门套的附图)。Fig. 1-Fig. 2 is the profile schematic diagram of combination window cover and body of wall of the present invention (the structure difference of combination door cover of the present invention and the combination window cover of the present invention is that the bottom of the door opening is generally the ground, without the need for lower door cover, Accompanying drawing of this description does not provide the accompanying drawing of combination door pocket).

图1-图2是本发明的组合窗套与墙体的外形示意图;本发明的组合门套的上门套、右门套和左门套与本发明的组合窗套的上窗套、右窗套和左窗套的构造对应相同,由于门洞口的下方是地面,无需下方门套,本说明书附图没有给出组合门套的附图,本发明的组合门套的上门套、右门套和左门套的构造参照本发明的组合窗套的上窗套、右窗套和左窗套的构造。Fig. 1-Fig. 2 is the outline schematic diagram of combined window cover and body of wall of the present invention; Upper door cover, right door cover and left door cover of combined door cover of the present invention and upper window cover, right window of combined window cover of the present invention The corresponding structure of the cover and the left window cover is the same. Since the bottom of the door opening is the ground, there is no need for the lower door cover. The accompanying drawings of this specification do not provide the accompanying drawing of the combined door cover. And the structure of the left door cover refers to the structure of the upper window cover, the right window cover and the left window cover of the combined window cover of the present invention.

如图3、图5、图6所示:本发明的组合门窗套的左门窗套和右门窗套由门窗框11、第一封修板16a、卡座12、卡槽13、固定卡17、螺钉14、密封条15构成,在门窗框1 1的一个面上设有卡座12和卡槽13,卡座12和卡槽13由螺钉14与门窗框11连接在一起,在卡槽13的凹槽13a内连接第一封修板16a的其中的一端,第一封修板16a其中的另一端由固定卡17和螺钉14将第一封修板16a与墙体连接。As shown in Fig. 3, Fig. 5 and Fig. 6: the left door and window cover and the right door and window cover of the combined door and window cover of the present invention are composed of a door and window frame 11, a first sealing plate 16a, a card seat 12, a draw groove 13, a fixed card 17, Screw 14, sealing strip 15 are made of, and one face of door and window frame 11 is provided with deck 12 and draw-in groove 13, and deck 12 and draw-in groove 13 are connected together with door and window frame 11 by screw 14, in draw-in groove 13 One end of the first sealing plate 16a is connected in the groove 13a, and the other end of the first sealing plate 16a is connected to the wall by fixing clips 17 and screws 14 .

如图4、图7、图8所示:本发明的组合门窗套的上门窗套由门窗框11、第二封修板16b、卡座12、卡槽13、固定卡17、螺钉14、密封条15构成,在门窗框11的一个面上设有卡座12和卡槽13,卡座12和卡槽13由螺钉14与门窗框11连接在一起,在卡槽13的凹槽13a内连接第二封修板16b的其中的一端,第二封修板16b其中的另一端由固定卡17和螺钉14将第二封修板16b与墙体连接,本发明的组合门窗套下窗套由门窗框11、第一封修板16a、卡座12、卡槽13、流水板18、固定卡17、螺钉14、连接角型材19、密封条15构成,在门窗框11的一个面上设有卡座12和卡槽13,卡座12和卡槽13由螺钉14与门窗框11联接在一起,在卡槽13的凹槽13a内连接第一封修板16a和流水板18的其中的一端,第一封修板16a其中的另一端由固定卡17和螺钉14将第一封修板16a与墙体连接,流水板18的其中另一端与连接角型材19连接,连接角型材19再与第一封修板16a和墙体连接。As shown in Figure 4, Figure 7, and Figure 8: the upper door and window cover of the combined door and window cover of the present invention consists of a door and window frame 11, a second sealing plate 16b, a card seat 12, a draw groove 13, a fixed card 17, a screw 14, a sealing Composed of strips 15, one surface of the door and window frame 11 is provided with a card seat 12 and a card slot 13, the card seat 12 and the card slot 13 are connected together with the door and window frame 11 by screws 14, and connected in the groove 13a of the card slot 13 One end of the second sealing plate 16b, the other end of the second sealing plate 16b connects the second sealing plate 16b with the wall by the fixing clip 17 and the screw 14, and the lower window cover of the combined door and window cover of the present invention is composed of The door and window frame 11, the first sealing and repairing plate 16a, the card seat 12, the draw-in groove 13, the running board 18, the fixing card 17, the screw 14, the connecting angle profile 19, and the sealing strip 15 are formed, and one surface of the door and window frame 11 is provided with The card seat 12 and the card slot 13, the card seat 12 and the card slot 13 are connected together with the door and window frame 11 by screws 14, and one end of the first sealing plate 16a and the running water plate 18 is connected in the groove 13a of the card slot 13 The other end of the first sealing plate 16a is connected to the wall by the fixing clip 17 and the screw 14, and the other end of the running water plate 18 is connected to the connecting angle profile 19, and the connecting angle profile 19 is connected to the wall. The first sealing panel 16a is connected to the wall.

如图9所示:所述的流水板18为折弯的角形型材,流水板18其中的一端向内折弯为内角部,流水板18其中的另一端向外γ°折弯为外角部,γ°角的角度为115°,在外角部的端部设有平行板,平行板部分设有通孔,平行板部分和通孔与连接角型材配合。As shown in Figure 9: the running water plate 18 is a bent angular profile, one end of the running water plate 18 is bent inward to form an inner corner, and the other end of the running water plate 18 is bent outward at γ° to form an outer corner. The angle of the γ° angle is 115°, a parallel plate is provided at the end of the outer corner, and a through hole is provided on the parallel plate part, and the parallel plate part and the through hole are matched with the connecting angle profile.

如图10-图11所示:所述的第一封修板16a、第二封修板16b为折弯的角形型材,其中门窗框左、右侧与门窗框11联接的第一封修板16a为三折弯的角形型材,第一封修板16a其中的一端向内折弯为内角部,第一封修板16a的内角部与卡槽13的凹槽13a配合,第一封修板16a其中的另一端向外折弯为外角部,在外角部的端部设有向内折弯为α°角的内角卡构造,α°角的角度为45°,内角卡构造与固定卡17配合,其中门窗框11上侧与门窗框连接的第二封修板16b为四折弯的角形型材,第二封修板16b其中的一端向内折弯为内角部,第二封修板16b的内角部与卡槽13的凹槽13a配合,第二封修板16b其中的另一端向内β°折弯再向外折弯为外角部,β°角的角度为60°,在外角部的端部设有向内折弯为α°角的内角卡构造,内角卡构造与固定卡17配合。As shown in Figures 10-11: the first sealing panel 16a and the second sealing panel 16b are bent angular profiles, in which the left and right sides of the door and window frame are connected with the first sealing panel 11 16a is a three-bend angular profile, one end of the first sealing plate 16a is bent inward to form an inner corner, and the inner corner of the first sealing plate 16a is matched with the groove 13a of the card groove 13, and the first sealing plate 16a, the other end of which is bent outwards to form an outer corner, and an inner corner clip structure that is bent inward to form an α° angle is provided at the end of the outer corner portion, and the angle of the α° angle is 45°. Matching, wherein the second sealing plate 16b connected to the upper side of the door and window frame 11 is a four-folded angular profile, one end of the second sealing plate 16b is bent inward to form an inner corner, and the second sealing plate 16b The inner corner of the second sealing plate 16b is matched with the groove 13a of the card groove 13, and the other end of the second sealing plate 16b is bent inward at β° and then outward to form an outer corner. The angle of β° is 60°, and at the outer corner The end of the inner corner is provided with an inner corner clip structure bent inwards to an angle of α°, and the inner corner clip structure cooperates with the fixed clip 17.

如图12-图13所示:所述的卡座12为条形型材,卡座12的两端上面和下面设有凸台12b,卡座12的两侧面为弧形面12c,弧形面12c与卡槽13上端口内侧的卡角13b配合。As shown in Fig. 12-Fig. 13: the described card holder 12 is a strip profile, the two ends of the card holder 12 are provided with bosses 12b above and below, the two sides of the card holder 12 are arc-shaped surfaces 12c, and the arc-shaped surfaces 12c cooperates with the card angle 13b on the inner side of the upper port of the card slot 13 .

如图14-图15所示:所述的卡槽13为U形型材,卡槽13的一侧设有凹槽13a,卡槽13的上端口内侧设有卡角13b,卡槽13上端口内侧的卡角13b与卡座12的两侧弧形面12c配合,卡槽13上设有限位卡13c。As shown in Figures 14-15: the card slot 13 is a U-shaped profile, one side of the card slot 13 is provided with a groove 13a, the inner side of the upper port of the card slot 13 is provided with a card angle 13b, and the upper port of the card slot 13 The inner card angle 13b cooperates with the two side arc surfaces 12c of the card holder 12, and the card slot 13 is provided with a limit card 13c.

如图16-图17所示:所述的固定卡17为条形折弯板,在固定卡17设有通孔17a。As shown in Figures 16-17: the fixed card 17 is a strip-shaped bent plate, and the fixed card 17 is provided with a through hole 17a.

如图18-图19所示:所述的连接角型材19为直角形铝角材,在连接角型材19的两个面设有通孔19a。As shown in FIGS. 18-19 : the connecting angle profile 19 is a right-angled aluminum angle bar, and through holes 19a are provided on both surfaces of the connecting angle profile 19 .

本发明提供的组合门窗套的安装方法包括以下步骤:The installation method of the combined door and window cover provided by the invention comprises the following steps:

A、加工或备置附框22、龙骨23、第一保温板24、第二保温板25;A. Process or prepare attached frame 22, keel 23, first insulation board 24, second insulation board 25;

B、在门洞口上、左、右面的中部的墙体21上或窗洞口上、下、左、右面的中部的墙体21上组装并固定附框22,在门洞口上、左、右面的外墙角或窗洞口上、下、左、右面的外墙角组装并固定龙骨23,在门洞口上、左、右面的或窗洞口上、下、左、右面的外墙角固定龙骨23的外侧面组装并固定第二保温板25;B. Assemble and fix the attached frame 22 on the wall 21 in the middle of the door opening, left and right sides or on the wall 21 in the middle of the upper, lower, left and right sides of the window opening. Assemble and fix the keel 23 on the outer wall corners on the upper, lower, left and right sides of the outer wall corners or window openings, and assemble on the outer sides of the outer wall corners on the upper, lower, left and right sides of the door openings, on the left and right sides or on the upper, lower, left and right sides of the window openings to fix the keel 23 And fix the second insulation board 25;

C、在门洞口上、左、右面的附框22的或窗洞口上、下、左、右面的附框22的外侧面与龙骨23的外侧面第二保温板25的端面组装并固定型材第一保温板24;C. Assemble and fix the outer surface of the second insulation board 25 on the outer side of the keel 23 on the outer side of the auxiliary frame 22 on the door opening, left and right sides or the upper, lower, left and right side of the window opening A thermal insulation board 24;

D、在门洞口上、左、右面的中部的或窗洞口上、下、左、右面的附框22的内侧面组装并连接固定门窗框11;D. Assemble and connect and fix the door and window frame 11 on the inner side of the upper, lower, left and right side of the door opening, the middle part of the left and right side or the upper, lower, left and right sides of the window opening;

E、在门窗框11的外侧面组装并固定卡座12、卡槽13,卡座12和卡槽13由螺钉14与门窗框11连接在一起;E. Assemble and fix the card seat 12 and the card slot 13 on the outer side of the door and window frame 11, and the card seat 12 and the card slot 13 are connected together with the door and window frame 11 by screws 14;

F、在门洞口或窗洞口的上、左、右侧第一保温板24及外墙角的第二保温板25的部位装配并连接固定第一封修板16a或第二封修板16b,第一封修板16a或第二封修板16b其中的一端与门窗框型材11的外侧面的卡槽13上的凹槽13a连接在一起并在凹槽13a部位填充密封胶15,第一封修板16a或第二封修板16b其中的另一端由固定卡17和螺钉14与外侧面第二保温板25连接在一起并在第一封修板16a或第二封修板16b的端部与第二保温板25联接的部位填充密封胶15;F. Assemble and connect and fix the first sealing and repairing board 16a or the second sealing and repairing board 16b at the position of the first insulation board 24 on the upper, left and right sides of the door opening or window opening and the second insulation board 25 on the outer wall corner. One end of the first repair plate 16a or the second repair plate 16b is connected with the groove 13a on the draw-in groove 13 on the outer surface of the door and window frame profile 11 and fills the sealant 15 at the groove 13a position, the first repair The other end of the plate 16a or the second sealing plate 16b is connected together with the second heat preservation plate 25 on the outer side by the fixing clip 17 and the screw 14 and is connected with the end of the first sealing plate 16a or the second sealing plate 16b Fill the sealant 15 at the joint of the second insulation board 25;

G、在窗洞口的下侧装配第三保温板26及外墙角的第二保温板25的部位装配并连接固定第一封修板16a,第一封修板16a其中的一端与门窗框型材11的外侧面的卡槽13上的凹槽13a连接在一起,第一封修板16a其中的另一端由固定卡17和螺钉14与外侧面第二保温板25连接在一起并在第一封修板16a的端部与第二保温板25联接的部位填充密封胶15,在第一封修板16a的外侧面上复合保温材料27,再在保温材料27上覆盖流水板18,流水板18其中的一端与门窗框型材11的外侧面的卡槽13上的凹槽13a连接在一起并在凹槽13a部位填充密封胶15,流水板18其中的另一端与固定在第一封修板16a和外墙角第二保温板25上的连接角型材19连接在一起,所述的连接角型材19由螺钉14与第一封修板16a和外墙角第二保温板25连接在一起。G. Install the third thermal insulation board 26 and the second thermal insulation board 25 of the outer corner on the lower side of the window opening and connect and fix the first sealing and repairing board 16a, one end of the first sealing and repairing board 16a is connected to the door and window frame profile 11 The groove 13a on the card slot 13 on the outer side of the outer surface is connected together, and the other end of the first sealing plate 16a is connected together with the second heat preservation board 25 on the outer side by the fixing card 17 and the screw 14 and in the first sealing The end of the board 16a is filled with a sealant 15 at the joint of the second insulation board 25, and the thermal insulation material 27 is compounded on the outer surface of the first sealing and repairing board 16a, and then the running water board 18 is covered on the insulation material 27, and the running water board 18 is wherein One end is connected with the groove 13a on the draw-in groove 13 on the outer surface of the door and window frame profile 11 and fills the sealant 15 at the groove 13a position, and the other end of the running water plate 18 is fixed on the first sealing plate 16a and The connecting angle section bar 19 on the second insulation board 25 of the outer wall corner is connected together, and the described connecting angle section bar 19 is connected together with the first sealing board 16a and the second insulation board 25 of the outer wall corner by screws 14 .

以上对本发明的一个实施例进行了详细说明,但所述内容仅为本发明的较佳实施例,不能被认为用于限定本发明的实施范围。凡依本发明申请范围所作的均等变化与改进等,均应仍归属于本发明的专利涵盖范围之内。An embodiment of the present invention has been described in detail above, but the content described is only a preferred embodiment of the present invention, and cannot be considered as limiting the implementation scope of the present invention. All equivalent changes and improvements made according to the application scope of the present invention shall still belong to the scope covered by the patent of the present invention.

Claims (8)

1, a kind of combined door and window cover, comprise doorframe and window frame, it is characterized in that: the left-hand door exterior window trim of combined door and window cover and right window covering are mainly by doorframe and window frame (11), first envelope is repaiied plate (16a), deck (12), draw-in groove (13), fixing card (17), screw (14), weather strip (15) constitutes, on a face of doorframe and window frame (11), be provided with deck (12) and draw-in groove (13), deck (12) and draw-in groove (13) are linked together by screw (14) and doorframe and window frame (11), in the groove (13a) of draw-in groove (13), connect the end wherein that first envelope is repaiied plate (16a), first envelope is repaiied plate (16a) other end wherein and with screw (14) first envelope is repaiied plate (16a) by fixing card (17) and be connected with body of wall, the last window covering of combined door and window cover is mainly by doorframe and window frame (11), second envelope is repaiied plate (16b), deck (12), draw-in groove (13), fixing card (17), screw (14), weather strip (15) constitutes, on a face of doorframe and window frame (11), be provided with deck (12) and draw-in groove (13), deck (12) and draw-in groove (13) are linked together by screw (14) and doorframe and window frame (11), in the groove (13a) of draw-in groove (13), connect the end wherein that second envelope is repaiied plate (16b), second envelope is repaiied plate (16b) other end wherein and with screw (14) second envelope is repaiied plate (16b) by fixing card (17) and be connected with body of wall, the following exterior window trim of combined door and window cover is mainly by doorframe and window frame (11), first envelope is repaiied plate (16a), deck (12), draw-in groove (13), drain board (18), fixing card (17), screw (14), joint angle section bar (19), weather strip (15) constitutes, on a face of doorframe and window frame (11), be provided with deck (12) and draw-in groove (13), deck (12) and draw-in groove (13) are linked together by screw (14) and doorframe and window frame (11), in the groove (13a) of draw-in groove (13), connect the end wherein that first envelope is repaiied plate (16a) and drain board (18), first envelope is repaiied plate (16a) other end wherein and with screw (14) first envelope is repaiied plate (16a) by fixing card (17) and be connected with body of wall, the wherein other end of drain board (18) is connected with joint angle section bar (19), and joint angle section bar (19) is repaiied plate (16a) with first envelope again and is connected with body of wall.
2, combined door and window cover according to claim 1, it is characterized in that: described first envelope is repaiied plate (16a), second envelope is repaiied plate (16b) and is the dihedral section bar of bending, a doorframe and window frame left side wherein, first envelope that the right side is connected with doorframe and window frame (11) is repaiied the dihedral section bar that plate (16a) is three bendings, it is inner corner portion that first envelope is repaiied plate (16a) the inside bending of an end wherein, the inner corner portion that first envelope is repaiied plate (16a) cooperates with the groove (13a) of draw-in groove (13), it is external angle that first envelope is repaiied the outside bending of plate (16a) other end wherein, being provided with inside bending in the end of external angle is the interior angle card structure at α ° of angle, the angle at α ° of angle is 20 °-45 °, the interior angle card structure cooperates with fixing card (17), wherein second envelope that is connected with doorframe and window frame (11) of doorframe and window frame (11) upside is repaiied the dihedral section bar that plate (16b) is four bendings, it is inner corner portion that second envelope is repaiied plate (16b) the inside bending of an end wherein, the inner corner portion that second envelope is repaiied plate (16b) cooperates with the groove (13a) of draw-in groove (13), it is external angle that second envelope is repaiied the outside again bending of the inside β of plate (16b) other end wherein ° bending, the angle at β ° of angle is 45 °-75 °, being provided with inside bending in the end of external angle is the interior angle card structure at α ° of angle, and the interior angle card structure cooperates with fixing card (17).
3, combined door and window cover according to claim 1, it is characterized in that: described deck (12) is the bar shaped section bar, above the two ends of deck (12) and below be provided with boss (12b), the two sides of deck (12) are arcwall face (12c), and arcwall face (12c) cooperates with the Ka Jiao (13b) of draw-in groove (13) upper port inboard.
4, combined door and window cover according to claim 1, it is characterized in that: described draw-in groove (13) is the U-shaped section bar, one side of draw-in groove (13) is provided with groove (13a), the upper port inboard of draw-in groove (13) is provided with Ka Jiao (13b), the Ka Jiao (13b) of draw-in groove (13) upper port inboard cooperates with the both sides arcwall face (12c) of deck (12), and draw-in groove (13) is provided with spacing card (13c).
5, combined door and window cover according to claim 1, it is characterized in that: described drain board (18) is the dihedral section bar of bending, drain board (18) the inside bending of an end wherein is an inner corner portion, the outside γ of drain board (18) other end wherein ° bending is an external angle, the angle at γ ° of angle is 100 °-135 °, end at external angle is provided with parallel-plate, and parallel-plate partly is provided with through hole, and parallel-plate part and through hole cooperate with the joint angle section bar.
6, combined door and window cover according to claim 1 is characterized in that: described fixedly card (17) is the bar shaped bending plate, is provided with through hole (17a) at fixing card (17).
7, combined door and window cover according to claim 1 is characterized in that: described joint angle section bar (19) is a right angle type aluminium angle section, is provided with through hole (19a) at two faces of joint angle section bar (19).
8, a kind of mounting method of combined door and window cover may further comprise the steps:
A, process or purchase attached frame (22), keel (23), first warming plate (24), second warming plate (25);
B, on door opening, the body of wall (21) at left and right middle part is gone up or the body of wall (21) at the middle part of window opening mouth upper and lower, left and right face is gone up assembling and fixing attached frame (22), on door opening, the outside corner of wall assembling of left and right outside corner of wall or window opening mouth upper and lower, left and right face and fixing keel (23), on door opening, outside corner of wall left and right or window opening mouth upper and lower, left and right face fixedly the lateral surface of keel (23) assemble and fix second warming plate (25);
C, on door opening, the end face assembling of lateral surface second warming plate (25) of the lateral surface of left and right attached frame (22) attached frame (22) or window opening mouth upper and lower, left and right face and keel (23) and fix first warming plate (24);
D, on door opening, the medial surface assembling of left and right attached frame (22) middle part or window opening mouth upper and lower, left and right face and be connected and fixed doorframe and window frame (11);
E, at the assembling of the lateral surface of doorframe and window frame (11) and Fixing clamp-seat (12), draw-in groove (13), deck (12) and draw-in groove (13) are linked together by screw (14) and doorframe and window frame (11);
F, on door opening or window opening mouth, a left side, the assembling of the position of second warming plate (25) of right side first warming plate (24) and outside corner of wall also is connected and fixed that first envelope is repaiied plate (16a) or second envelope is repaiied plate (16b), first envelope repair plate (16a) or second envelope repair plate (16b) wherein an end and the groove (13a) on the draw-in groove (13) of the lateral surface of doorframe and window frame section bar (11) links together and at groove (13a) position filling with sealant (15), first envelope is repaiied plate (16a) or second envelope and is repaiied plate (16b) other end wherein by fixing card (17) with screw (14) links together with second warming plate (25) of outside corner of wall and repair plate (16a) or second envelope in first envelope and repair the position filling with sealant (15) that the end of plate (16b) connects with second warming plate (25);
G, adorn at the downside of window opening mouth the 3rd warming plate (26) and outside corner of wall second warming plate (25) position assembling and be connected and fixed first envelope and repair plate (16a), first envelope repair plate (16a) wherein an end and the groove (13a) on the draw-in groove (13) of the lateral surface of doorframe and window frame section bar (11) link together, first envelope is repaiied plate (16a) other end wherein and is linked together with lateral surface second warming plate (25) by fixing card (17) and screw (14) and repair the position filling with sealant (15) that the end of plate (16a) connects with second warming plate (25) in first envelope, repair compound insulating material (27) on the lateral surface of plate (16a) in first envelope, go up at heat insulating material (27) again and cover drain board (18), drain board (18) wherein an end and the groove (13a) on the draw-in groove (13) of the lateral surface of doorframe and window frame section bar (11) links together and at groove (13a) position filling with sealant (15), drain board (18) other end wherein links together with being fixed on the joint angle section bar (19) that first envelope repaiies on plate (16a) and outside corner of wall second warming plate (25), and second warming plate (25) that described joint angle section bar (19) is repaiied plate (16a) and outside corner of wall by the screw (14) and first envelope links together.
CN200610099073A 2006-07-18 2006-07-18 Combined door and window cover and its installation method Expired - Fee Related CN100595412C (en)

Priority Applications (1)

Application Number Priority Date Filing Date Title
CN200610099073A CN100595412C (en) 2006-07-18 2006-07-18 Combined door and window cover and its installation method

Applications Claiming Priority (1)

Application Number Priority Date Filing Date Title
CN200610099073A CN100595412C (en) 2006-07-18 2006-07-18 Combined door and window cover and its installation method

Publications (2)

Publication Number Publication Date
CN101109259A CN101109259A (en) 2008-01-23
CN100595412C true CN100595412C (en) 2010-03-24

Family

ID=39041490

Family Applications (1)

Application Number Title Priority Date Filing Date
CN200610099073A Expired - Fee Related CN100595412C (en) 2006-07-18 2006-07-18 Combined door and window cover and its installation method

Country Status (1)

Country Link
CN (1) CN100595412C (en)

Families Citing this family (8)

* Cited by examiner, † Cited by third party
Publication number Priority date Publication date Assignee Title
CN101555767B (en) * 2008-04-09 2011-08-17 谭齐阳 Window body component of composite heat insulating wall body and construction method thereof
CN101629464B (en) * 2009-04-21 2012-05-09 深圳市富诚科技发展有限公司 Universal door and window accessory frame for building doors and windows and mounting method of universal door and window product
CN102213065B (en) * 2011-04-14 2013-02-27 哈尔滨工业大学建筑设计研究院 Door and window fireproof structure of external thermal insulation system for external wall in severe cold area
CN103867072B (en) * 2012-12-12 2016-07-06 贵阳铝镁设计研究院有限公司 The manufacture method of the outer wall window of a kind of heat preservation energy-saving and structure
CN103089111B (en) * 2013-01-24 2015-07-15 天津天骄装饰工程有限公司 Energy-saving waterproof fireproof opening cover for decorative door or window opening
CN105569495A (en) * 2016-01-18 2016-05-11 万保金 Prefabricated formwork shell heat insulation window sleeve
CN108360946B (en) * 2018-03-01 2023-11-14 洛阳理工学院 An external independently assembled thermal insulation door and window cover
CN110847756B (en) * 2019-11-29 2023-12-08 中建钢构有限公司 Door and window node and construction method thereof

Also Published As

Publication number Publication date
CN101109259A (en) 2008-01-23

Similar Documents

Publication Publication Date Title
CN102409926B (en) Heat preservation doors and windows with conveniently-dismounted attached frames of doors and windows
CN112610111B (en) Building outer wall door and window limb installation system with waterproof function
CN100595412C (en) Combined door and window cover and its installation method
CN104164956A (en) Flexible connecting system for polyurethane heat preservation decorative sheets
CN202745242U (en) Transparent frame heat insulation curtain wall
CN108252427B (en) Integrated assembly type heat-insulation external wall
CN110094147A (en) A kind of single-curved surface imitates modular curtain wall door and window structure
CN104632007B (en) A kind of erection of doors and windows method using energy-conservation auxiliary frame
CN209413676U (en) An assembled door and window
CN201137395Y (en) An energy-saving and environment-friendly door and window
CN110439438B (en) Glass and copper plate combined facing door supported by steel skeleton and manufacturing and mounting method thereof
CN201943206U (en) Heat-insulation composite board used for door/window openings
CN202325004U (en) Insulating door/window with auxiliary frame convenient for disassembly
CN214035284U (en) Semi-hidden frame window sash mounting structure of opening
CN207957454U (en) A kind of elevator steelframe aluminium alloy glass fixation window
CN112160682A (en) Semi-hidden frame window sash mounting structure of opening
CN211623160U (en) Energy-saving integral box type inward opening window with externally perforated plate
CN207453830U (en) A kind of high leakproofness Energy Saving Windows device
CN204531093U (en) Concealed frame glass curtain wall structure
CN201495909U (en) Easy to install aluminum wood door and window installation structure
CN113529985A (en) Energy-saving reconstructed window wall node heat insulation structure constructed by bricks and construction method thereof
CN111255353A (en) Split type fireproof section bar and corresponding embedded aluminum-clad steel fireproof window
CN223510780U (en) Ultra-low energy consumption heat insulation window attaches frame
CN206816084U (en) A kind of Novel window frame for being used to changing into sliding window into casement window
CN222686494U (en) A semi-hidden frame casement window glass vertical non-edge protection connection structure

Legal Events

Date Code Title Description
C06 Publication
PB01 Publication
C10 Entry into substantive examination
SE01 Entry into force of request for substantive examination
C14 Grant of patent or utility model
GR01 Patent grant
ASS Succession or assignment of patent right

Owner name: BEIJING DOOR AND WINDOW DEVELOPMENT CO., LTD.

Free format text: FORMER OWNER: QIANCHENG ROBA TECHNOLOGY CENTER OF BEIJING DOOR + WINDOW DEVELOPING CO. LIMITED

Effective date: 20121017

C41 Transfer of patent application or patent right or utility model
TR01 Transfer of patent right

Effective date of registration: 20121017

Address after: 100018 Beijing City, Chaoyang District Beijing city high poplar company hospital building doors and windows

Patentee after: Beijing Door and Window Developing Co., Ltd.

Address before: 100018 Beijing city Chaoyang District Gao Yang Shu Beijing Windows development Limited

Patentee before: Qiancheng Roba Technology Center Of BeiJing Door & Window Developing Co. Limited

DD01 Delivery of document by public notice

Addressee: Beijing Door and Window Developing Co., Ltd.

Document name: Notification to Pay the Fees

DD01 Delivery of document by public notice
DD01 Delivery of document by public notice

Addressee: Beijing Door and Window Developing Co., Ltd.

Document name: Notification of Termination of Patent Right

CF01 Termination of patent right due to non-payment of annual fee
CF01 Termination of patent right due to non-payment of annual fee

Granted publication date: 20100324

Termination date: 20160718